Aiken MCB 240/050 Major 50M 110102043 - Инструкция по эксплуатации

Aiken MCB 240/050 Major 50M 110102043

Компрессор Aiken MCB 240/050 Major 50M 110102043 - инструкция пользователя по применению, эксплуатации и установке на русском языке. Мы надеемся, она поможет вам решить возникшие у вас вопросы при эксплуатации техники.

Если остались дополнительные вопросы — свяжитесь с нами через контактную форму.

1 Страница 1
2 Страница 2
3 Страница 3
4 Страница 4
5 Страница 5
6 Страница 6
7 Страница 7
8 Страница 8
9 Страница 9
10 Страница 10
11 Страница 11
12 Страница 12
13 Страница 13
14 Страница 14
15 Страница 15
16 Страница 16
17 Страница 17
18 Страница 18
19 Страница 19
20 Страница 20
21 Страница 21
22 Страница 22
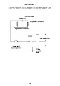
23 Страница 23
24 Страница 24
Страница: / 24
Загрузка инструкции

Инструкция
по эксплуатации

Масляный коаксиальный компрессор AIKEN MCB

240/050 Major 50M 110102043

Цены на товар на сайте:

http://kompressory.vseinstrumenti.ru/porshnevye/maslyanye/aiken/maslyanyi_koaksialnyi_kompressor_aik
en_mcb_240_050_major_50m_110102043/

Отзывы и обсуждения товара на сайте:

http://kompressory.vseinstrumenti.ru/porshnevye/maslyanye/aiken/maslyanyi_koaksialnyi_kompressor_aik
en_mcb_240_050_major_50m_110102043/#tab-Responses

"Загрузка инструкции" означает, что нужно подождать пока файл загрузится и можно будет его читать онлайн. Некоторые инструкции очень большие и время их появления зависит от вашей скорости интернета.

Характеристики

Другие модели - Компрессоры Aiken

Все компрессоры Aiken