Aiken MCB 354/050 110103033 - Инструкция по эксплуатации

Aiken MCB 354/050 110103033

Компрессор Aiken MCB 354/050 110103033 - инструкция пользователя по применению, эксплуатации и установке на русском языке. Мы надеемся, она поможет вам решить возникшие у вас вопросы при эксплуатации техники.

Если остались дополнительные вопросы — свяжитесь с нами через контактную форму.

1 Страница 1
2 Страница 2
3 Страница 3
4 Страница 4
5 Страница 5
6 Страница 6
7 Страница 7
8 Страница 8
9 Страница 9
10 Страница 10
11 Страница 11
12 Страница 12
13 Страница 13
14 Страница 14
15 Страница 15
16 Страница 16
17 Страница 17
18 Страница 18
19 Страница 19
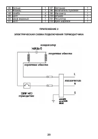
20 Страница 20
21 Страница 21
Страница: / 21
Загрузка инструкции

Инструкция
по эксплуатации

Ременной компрессор AIKEN MCB 354/050 110103033

Цены на товар на сайте:

http://kompressory.vseinstrumenti.ru/remennye/aiken/remennoy_kompressor_aiken_mcb_354_050_11010
3033/

Отзывы и обсуждения товара на сайте:

http://kompressory.vseinstrumenti.ru/remennye/aiken/remennoy_kompressor_aiken_mcb_354_050_11010
3033/#tab-Responses

"Загрузка инструкции" означает, что нужно подождать пока файл загрузится и можно будет его читать онлайн. Некоторые инструкции очень большие и время их появления зависит от вашей скорости интернета.

Характеристики

Другие модели - Компрессоры Aiken

Все компрессоры Aiken