Aiken MCB 575/100 110103038 - Инструкция по эксплуатации

Aiken MCB 575/100 110103038

Компрессор Aiken MCB 575/100 110103038 - инструкция пользователя по применению, эксплуатации и установке на русском языке. Мы надеемся, она поможет вам решить возникшие у вас вопросы при эксплуатации техники.

Если остались дополнительные вопросы — свяжитесь с нами через контактную форму.

1 Страница 1
2 Страница 2
3 Страница 3
4 Страница 4
5 Страница 5
6 Страница 6
7 Страница 7
8 Страница 8
9 Страница 9
10 Страница 10
11 Страница 11
12 Страница 12
13 Страница 13
14 Страница 14
15 Страница 15
16 Страница 16
17 Страница 17
18 Страница 18
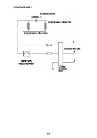
19 Страница 19
20 Страница 20
Страница: / 20
Загрузка инструкции

Инструкция
по эксплуатации

Ременной компрессор AIKEN MCB 575/100 110103038

Цены на товар на сайте:

http://kompressory.vseinstrumenti.ru/remennye/aiken/remennoy_kompressor_aiken_mcb_575_100_11010
3038/

Отзывы и обсуждения товара на сайте:

http://kompressory.vseinstrumenti.ru/remennye/aiken/remennoy_kompressor_aiken_mcb_575_100_11010
3038/#tab-Responses

"Загрузка инструкции" означает, что нужно подождать пока файл загрузится и можно будет его читать онлайн. Некоторые инструкции очень большие и время их появления зависит от вашей скорости интернета.

Характеристики

Другие модели - Компрессоры Aiken

Все компрессоры Aiken