Aiken MCB 280/025 Colonel 25M 110102044 - Инструкция по эксплуатации

Aiken MCB 280/025 Colonel 25M 110102044

Компрессор Aiken MCB 280/025 Colonel 25M 110102044 - инструкция пользователя по применению, эксплуатации и установке на русском языке. Мы надеемся, она поможет вам решить возникшие у вас вопросы при эксплуатации техники.

Если остались дополнительные вопросы — свяжитесь с нами через контактную форму.

1 Страница 1
2 Страница 2
3 Страница 3
4 Страница 4
5 Страница 5
6 Страница 6
7 Страница 7
8 Страница 8
9 Страница 9
10 Страница 10
11 Страница 11
12 Страница 12
13 Страница 13
14 Страница 14
15 Страница 15
16 Страница 16
17 Страница 17
18 Страница 18
19 Страница 19
20 Страница 20
21 Страница 21
22 Страница 22
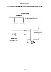
23 Страница 23
24 Страница 24
Страница: / 24
Загрузка инструкции

Инструкция
по эксплуатации

Масляный коаксиальный компрессор AIKEN MCB

280/025 Colonel 25M 110102044

Цены на товар на сайте:

http://kompressory.vseinstrumenti.ru/porshnevye/maslyanye/aiken/maslyanyi_koaksialnyi_kompressor_aik
en_mcb_280_025_colonel_25m_110102044/

Отзывы и обсуждения товара на сайте:

http://kompressory.vseinstrumenti.ru/porshnevye/maslyanye/aiken/maslyanyi_koaksialnyi_kompressor_aik
en_mcb_280_025_colonel_25m_110102044/#tab-Responses

"Загрузка инструкции" означает, что нужно подождать пока файл загрузится и можно будет его читать онлайн. Некоторые инструкции очень большие и время их появления зависит от вашей скорости интернета.

Характеристики

Другие модели - Компрессоры Aiken

Все компрессоры Aiken