Aiken MCB 160/050 Corporal 50M 110102037 - Инструкция по эксплуатации

Aiken MCB 160/050 Corporal 50M 110102037

Компрессор Aiken MCB 160/050 Corporal 50M 110102037 - инструкция пользователя по применению, эксплуатации и установке на русском языке. Мы надеемся, она поможет вам решить возникшие у вас вопросы при эксплуатации техники.

Если остались дополнительные вопросы — свяжитесь с нами через контактную форму.

1 Страница 1
2 Страница 2
3 Страница 3
4 Страница 4
5 Страница 5
6 Страница 6
7 Страница 7
8 Страница 8
9 Страница 9
10 Страница 10
11 Страница 11
12 Страница 12
13 Страница 13
14 Страница 14
15 Страница 15
16 Страница 16
17 Страница 17
18 Страница 18
19 Страница 19
20 Страница 20
21 Страница 21
22 Страница 22
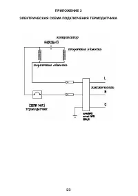
23 Страница 23
24 Страница 24
Страница: / 24
Загрузка инструкции

Инструкция
по эксплуатации

Масляный коаксиальный компрессор AIKEN MCB

160/050 Corporal 50M 110102037

Цены на товар на сайте:

http://kompressory.vseinstrumenti.ru/porshnevye/maslyanye/aiken/maslyanyi_koaksialnyi_kompressor_aik
en_mcb_160_050_corporal_50m_110102037/

Отзывы и обсуждения товара на сайте:

http://kompressory.vseinstrumenti.ru/porshnevye/maslyanye/aiken/maslyanyi_koaksialnyi_kompressor_aik
en_mcb_160_050_corporal_50m_110102037/#tab-Responses

"Загрузка инструкции" означает, что нужно подождать пока файл загрузится и можно будет его читать онлайн. Некоторые инструкции очень большие и время их появления зависит от вашей скорости интернета.

Характеристики

Другие модели - Компрессоры Aiken

Все компрессоры Aiken