Страница 2 - эксклюзивный дистрибьютор; Представительство в России:; Г арантийный ремонт; СЕРВИС-ЦЕНТР “СтудиоСаунд Сервис”; Эксклюзивный импортер
TRIA International, Ltd. эксклюзивный дистрибьютор http://www.tria.ru Main office: 185 North Redwood Drive, ste 120, San Rafael California 94903 USA Tel.: 415.444.0820 Fax.: 415.499.8120 Представительство в России: Россия, 109088, Москва, ул. Угрешская, 14, стр.1, офис 414 Тел.: 7 495. 221.6465 Факс...
Страница 3 - РУССКИЙ; Содержание; Настройка источников
1 -RU РУССКИЙ Содержание Руководство по использованию ПРЕДУПРЕЖДЕНИЕ ПРЕДУПРЕЖДЕНИЕ .............................. 4ОСТОРОЖНО .......................................... 4МЕРЫ ПРЕДОСТОРОЖНОСТИ ............ 4 Работа регулятора Double Action (двойного действия) Обычный способ .............................
Страница 4 - Внешний аудиопроцессор
2 -RU Системные настройки Операции по изменению системных настроек .................................................... 21 Настройка режима прерывания внешним устройством ......................... 22 Настройка отображения значка прерывания ........................................... 22 Переключение ...
Страница 5 - Установка и соединения
3 -RU Прием вызова .............................................. 43Окончание вызова ..................................... 43Настройка громкости во время приема вызова ........................................................ 43 Функция повторного набора .................... 43Операция переключения в...
Страница 6 - Руководство по использованию; МЕРЫ; ПРЕДУПРЕЖДЕНИЕ
4 -RU Руководство по использованию УСТАНАВЛИВАЙТЕ ДАННЫЙ ПРОДУКТ ТАКИМ ОБРАЗОМ, ЧТОБЫ ВОДИТЕЛЬ НЕ МОГ ВИДЕТЬ ЭКРАН, ЕСЛИ АВТОМОБИЛЬ НЕ ОСТАНОВЛЕН И НЕ ЗАДЕЙСТВОВАН СТОЯНОЧНЫЙ ТОРМОЗ. Просмотр водителем телевизионных программ или видео в процессе вождения опасен. Неправильная установка этого продукта...
Страница 7 - Обращение с USB-накопителями
5 -RU • После выключения системы на экране временно останется ореол изображения. Этот эффект присущ технологии LCD и не является неисправностью. • При низкой температуре экран может временно иметь пониженную контрастность. После короткого разогрева контрастность экрана восстановится. C помощью iXA-W...
Страница 8 - Обращение с переносным аудиоплеером
6 -RU Обращение с переносным аудиоплеером • Устройство может управлять портативным аудиоплеером с помощью интерфейса USB. Возможно воспроизведение форматов аудиофайлов MP3 и WMA. • Корректная работа портативного аудиоплеера не гарантируется. Используйте портативный аудиоплеер в соответствии с услови...
Страница 9 - регулятора Double
7 -RU Существует два способа использования регулятора Double Action. Обычный способПоверните регулятор Double Action влево или вправо. Настройка громкости и пролистывание элементов. Альтернативный способВдавите внешнее кольцо и поверните регулятор Double Action влево или вправо. Если отпустить регул...
Страница 10 - Приступая к работе
8 -RU Список компонентов • Основной блок ...................................................................1• Кабель питания ..................................................................1• Монтажный стакан ............................................................1• Ключ для кронштейна.........
Страница 11 - Нажмите кнопку; Работа с сенсорными кнопками; Выбор источника
9 -RU Включение и выключение питания Во время движения автомобиля некоторые функции устройства недоступны. Перед выполнением этих операций остановите автомобиль в безопасном месте и включите стояночный тормоз. 1 Нажмите кнопку SOURCE, чтобы включить устройство. • Устройство можно включить, нажав люб...
Страница 13 - Радио
11 -RU Пример главного экрана FM-радио Кнопка [DX SEEK] * 1 : отображение списка выбора режима настройки. Здесь отображается номер предварительной настройки * 2 и частота радиостанции. * 1 С помощью этой кнопки можно отобразить текущий режим настройки. * 2 Отображается только в том случае, когда тек...
Страница 14 - Прием информации о трафике; Нажмите и удерживайте кнопку BAND/TA не менее; Работа RDS
12 -RU Пример главного экрана RDS Отображение радиотекста (при приеме радиостанции, передающей текстовые сообщения). Включение и выключение режима AF (альтернативных частот) RDS (Radio Data System) — это система радиоинформации, использующая поднесущую частоту 57 кГц обычного FM-радиовещания. Функци...
Страница 15 - Настройка звука; отобразится экран настройки Balance/Fader.; Настройка микширования
13 -RU Прием информации о трафике во время воспроизведения устройства iPhone/iPod или прослушивания радио Ниже приведен пример получения информации о трафике во время воспроизведения устройства iPhone/iPod. 1 В режиме iPod нажмите и удерживайте кнопку BAND/TA не менее 2 секунд, чтобы включить режим ...
Страница 17 - , чтобы выбрать режим; В области; Выберите название нужного города; Экран мирового времени
15 -RU Функция дополнительной информации Экран дополнительной информации позволяет пользователю добавлять до 4 пользовательских функций. Их можно использовать для просмотра или управления из одного экрана. Информацию о выборе элементов см. в разделе “Настройка режима отображения дополнительной инфор...
Страница 18 - Контроллер IMPRINT
16 -RU Отображение информации воспроизводимого Audio/Visual источника. Режим iPod Режим Audio: Отобразится изображение, название и имя исполнителя текущей композиции. Режим Video: Отобразится видеофрагмент для текущей композиции. Режим USB Отображается информация тега текущей композиции (название ко...
Страница 19 - Нажмите название нужного режима настройки.; элемента измените его настройку.; Отображение времени RDS; Настройка; Настройка радиоприемника
17 -RU Переключение режимов экрана Во время стоянки автомобиля коснитесь кнопки [WIDE] на экране визуального источника. При каждом касании режим меняется следующим образом: В режиме 1 (Широкоэкранный) изображение на экране растягивается по горизонтали для соответствия широкому экрану. В режиме 2 (Ки...
Страница 20 - Параметр “iPod Setup”; Настройка дисплея; Настройка яркости подсветки
18 -RU Регулировка уровней сигналов источников Если различие в уровнях громкости между устройством iPhone/iPod и FM-радио слишком велико, настройте уровень FM-сигнала следующим образом. Элемент настройки: FM Level Значения: LOW / HIGH Настройка PI Seek Если для режима PI Seek установлено значение “A...
Страница 21 - Переключение фоновых изображений; Калибровка сенсорной панели
19 -RU Можно настроить минимальную яркость подсветки дисплея (LOW). Эту функцию, например, можно использовать для изменения яркости экрана ночью. Элемент настройки: Dimmer Low Level Значения: от -15 до +15 Для уровня яркости можно установить значение от -15 до +15. Можно выбрать одно из предлагаемых...
Страница 22 - Общие настройки; Отображение времени; Настройка часового пояса
20 -RU Операции по изменению общих настроек 1 Нажмите и удерживайте кнопку SETUP не менее 2 секунд. Откроется экран SETUP для выбора настроек. 2 Нажмите [ ] раздела General Setup. Откроется экран GENERAL SETUP. 3 С помощью [ ], [ ], или [ ] и т.д. нужного элемента измените его настройку. Элементы на...
Страница 23 - Настройка языка; Системные настройки
21 -RU Функция прокрутки работает в том случае, если введено имя папки, имя файла или информация тега. Элемент настройки: Auto Scroll Значения: OFF / ON • Прокрутка текста осуществляется при заполнении экрана устройства. • При подключении устройства iPhone/iPod выполняется прокрутка композиции, имен...
Страница 24 - Настройка входа камеры заднего вида
22 -RU При подключении блока прерывания Alpine Ai-NET (NVE-K20 0) к устройству дополнительный источник сможет прерывать текущий источник аудиосигнала. Например, можно будет прослушивать голосовые сообщения системы навигации даже во время воспроизведения композиции с USB- накопителя. Во время голосов...
Страница 25 - Настройка режима AUX name; Переключение системы входного видеосигнала; Настройка режима AUX
23 -RU Элемент настройки: AUX IN Значения: OFF / ON • Значение OFF не отображается при подключении дополнительного проигрывателя DVD или DVD-чейнджера. Во время настройки системы, хотя имя AUX можно изменить, оно не отображается на экране выбора источника Audio/Visual. • При выборе значения OFF наст...
Страница 26 - Операции по изменению настроек; Нажмите нужный элемент.; Настройка режима AUX+; Настройка режима отображения
24 -RU К разъему интерфейса Bluetooth данного устройства можно подключить внешнее устройство (например, переносной аудиоплеер). Для применения разъема интерфейса Bluetooth в качестве разъема AUX IN требуется специальный преобразовательный кабель (KCE-237B). Элемент настройки: AUX + IN Значения: OFF ...
Страница 27 - Функция насыщенного черного
25 -RU Операции по изменению настроек Visual EQ 1 После выполнения шагов 1 и 2 в разделе “Операции по изменению настроек дисплея” (стр. 18) нажмите [ ] раздела Visual EQ. Откроется экран VISUAL EQ. 2 С помощью [ ] или [ ] и т. д. нужного элемента измените его настройки. Настройки: BK RICH Visual EQ ...
Страница 28 - Загрузка данных фона; Настройка оттенка изображения; Загрузка данных
26 -RU Элемент настройки: Tint Значение: -15 ~ +15 Установите для оттенка значения от -15 до +15. • Когда подключена навигационная система с функцией RGB, оттенок изображения не будет меняться, несмотря на то, что этот параметр можно изменить. • Когда в качестве системы входного видеосигнала использ...
Страница 29 - Процедура настройки
27 -RU При подключении совместимого внешнего аудиопроцессора им можно управлять с этого устройства. Для некоторых аудиопроцессоров, возможно, потребуется проводной контроллер. В качестве примера для объяснений ниже используется модель PXA-H700/PXA-H701. Подробную информацию см. в инструкциях по эксп...
Страница 30 - Настройка A.Processor; ] после выбора значения ON; Настройка компрессора низких частот; Настройка фокусировки низких частот; Настройка регулировки низких частот
28 -RU Настройка A.Processor 1 Отключите режим Defeat (стр. 14). 2 Нажмите и удерживайте кнопку SETUP не менее 2 секунд. Откроется экран SETUP для выбора настроек. 3 Нажмите [ ] раздела Audio Setup. Откроется экран настроек AUDIO SETUP. • Экран настройки AUDIO SETUP можно также активировать напрямую...
Страница 31 - Отрегулируйте настройки частоты среза.; Настройка параметра X-Over
29 -RU В случае выбора функции PL II MUSIC можно настроить широту центрального поля с помощью следующих операций. Эта функция позволяет получить оптимальное положение вокала с помощью настройки положения центрального канала между центральным динамиком и левым/правым динамиком. (При включении этой фу...
Страница 32 - Установите значение временной коррекции; Настройка уровня; Переключение фазы
30 -RU Другими словами, применение временной поправки 5,1 мс к переднему левому динамику создает эффект равноудаленности слушателя от всех динамиков. 4 Нажмите [ ] или [ ] раздела T.Corr. Выберите L+R или L/R. 5 Нажмите [ ] раздела T.Corr. Откроется экран настроек T.Corr 6 Установите значение времен...
Страница 33 - Подмешивание баса в тыловые каналы (Rear MIX); Настройка акустических систем
31 -RU Диапазоны частот графического эквалайзера фиксированы. Это затрудняет коррекцию нежелательных пиков и провалов определенных частот. Можно подстроить центральную частоту параметрического эквалайзера для этих частот. Затем можно независимо точно подстроить полосу пропускания (Q) и уровень, чтоб...
Страница 34 - Настройка уровней динамиков (Output Level); Настройка типа акустических систем
32 -RU Получение громкого, динамичного звучания (Listening Mode) При использовании Dolby Digital динамический диапазон сжимается для достижения мощного звучания при обычных уровнях громкости. Это сжатие можно отменить, чтобы получить еще более мощное звучание, как в кинотеатре. Эта функция работает ...
Страница 35 - Сохранение настроек в памяти; ] в меню PRESET на экране списка; Настройка режима MultEQ; Настройка линейного PCM
33 -RU Воспроизведение дисков, записанных в линейном режиме PCM, можно настроить для 2 или 3 каналов. Элемент настройки: PCM Mode С помощью [ ] и [ ] режима PCM выберите 2CH или 3CH. • Эта настройка не работает, если для для параметра CENTER динамика установлено значение OFF в разделе “Настройка аку...
Страница 36 - Отключите режим Defeat.
34 -RU Настройка акустических параметров в ручном режиме (Manual) Вы можете настроить эти параметры с учетом своих предпочтений, если для режима MultEQ выбрано значение OFF (ручной режим). 1 Отключите режим Defeat. 2 Нажмите и удерживайте кнопку SETUP не менее 2 секунд. Откроется экран SETUP для выб...
Страница 39 - Настройка сабвуфера; Настройка системы сабвуфера
37 -RU Настройка уровня Нажмите [ ] или [ ] раздела Level, а затем настройте уровень HPF или LPF. Диапазон настройки выходного сигнала: от –12 до 0 дБ. Настройка крутизна среза Нажмите [ ] или [ ] раздела Slope, а затем настройте крутизну среза HPF или LPF. Значения крутизны среза: FLAT * , –6 дБ/ок...
Страница 40 - Временная коррекция; Пример 1. Точка прослушивания: переднее левое сидение
38 -RU Временная коррекция Расстояние между слушателем и динамиками в салоне автомобиля меняется в широких пределах из-за нестандартного расположения динамиков. Из-за разницы в расстояниях между динамиками и слушателем происходит смещение звукового образа и частотных характеристик. Причиной этого яв...
Страница 42 - О технологии IMPRINT; ЗАМЫСЕЛ И ДЕЙСТВИТЕЛЬНОСТЬ
40 -RU О технологии IMPRINT Все выдающиеся музыкальные произведения появляются как замысел автора. После бесконечных репетиций, записи и микширования готовое музыкальное произведение можно прослушать по радио, на диске или другом носителе. Но соответствуют ли прослушиваемые композиции изначальному з...
Страница 43 - Настройка перед использованием; измените его настройку.; Работа с устройствами; Bluetooth
41 -RU Если дополнительный BLUETOOTH INTERFACE (KCE-40 0BT) подключен к данному устройству, можно будет выполнить следующую операцию. Настройка перед использованием Bluetooth - это беспроводная технология, которая позволяет устанавливать связь между мобильным устройством или персональным компьютером...
Страница 44 - Настройка устройства Bluetooth; Настройка режима поиска
42 -RU 3 Нажмите [ ] в левой части экрана, чтобы вернуться к предыдущему экрану. Нажмите и удерживайте [ ] в левой части экрана не менее 2 секунд, чтобы вернуться к экрану основного источника, который отображался до начала операции настройки. Настройка устройства Bluetooth Выберите одно из 5 подключ...
Страница 45 - Выбор динамика для вывода сигнала; Настройка громкости входа микрофона; Обновление микропрограммного обеспечения; О функции телефона “Hands-free”
43 -RU Выбор динамика для вывода сигнала Для вывода звукового сигнала телефона можно выбрать подключенный в машине динамик. Элемент настройки: Speaker Sel • Эту настройку не удастся выполнить при выполнении телефонного вызова. Выполните ее перед выполнением вызова. • Если подключен внешний процессор...
Страница 46 - Операция переключения вызовов; Во время вызова нажмите [; Журнал вызовов; Нажмите; Нажмите имя или телефонный номер, по которому; Набор номера из журнала принятых вызовов
44 -RU Операция переключения вызовов Эта функция позволяет начать передачу звука с мобильного телефона на динамики машины при выполнении вызова. Во время вызова нажмите [ ], чтобы переключить звук вызова между устройством и мобильным телефоном. • Эту операцию можно также выполнить, нажав и удерживая...
Страница 47 - и имя; Функция Bluetooth Audio; Повторный вызов аудиоисточника Bluetooth; Голосовой набор номера
45 -RU Можно набрать номер, произнеся его. Элемент настройки: Voice Dial 1 Нажмите [Voice Dial]. Отобразится сообщение. 2 Нажмите [Yes], чтобы включить режим голосового набора номера. Будет включен режим голосового набора номера и отобразится “SPEAK”. • Чтобы вернуться к экрану Telephone Menu, нажми...
Страница 50 - Работа с устройством
48 -RU Работа с устройством TUE-T200DVB (приобретается дополнительно) Применяется при подключении дополнительного устройства TUE-T200DVB.При выборе значения DVB-T в разделе “Настройка режима AUX name” (стр. 23) источник отображается на экране выбора AUX. 1 Нажмите SOURCE, чтобы активировать экран пе...
Страница 51 - Воспроизведение
49 -RU Управление CD-чейнджером (приобретается дополнительно) К устройству iXA-W404R можно подключить дополнительный CD-чейнджер на 6-дисков, если он совместим с шиной Ai-NET. Если в разъем Ai-NET устройства iXA-W404R подключить CD-чейнджер, им можно управлять с устройства iXA-W404R.Если подключен ч...
Страница 52 - Нажмите имя нужной папки.
50 -RU Многократное воспроизведение Нажимая [ ], выберите режим повторного воспроизведения. Текущий файл будет постоянно воспроизводиться. * Только при подключении CD-чейнджера, поддерживающего формат MP3. • Чтобы отменить, выберите выкл. в вышеописанной процедуре. • Если функция повтора отключена, ...
Страница 53 - Многократное воспроизведение; Поиск нужной композиции
51 -RU Воспроизведение 1 Нажмите SOURCE, чтобы активировать экран переключения режима. 2 Прокрутите дисплей пальцем по горизонтали для выбора режима Audio/Visual. При прокрутке дисплея режимы будут циклически меняться следующим образом: Audio/Visual Navigation Camera Telephone Multi Info Audio/Visua...
Страница 54 - Поиск по имени исполнителя
52 -RU Например: поиск по имени исполнителя В следующем примере объясняется, как выполняется поиск по имени исполнителя. Для этой же операции можно использовать другой режим поиска, но без смены иерархии. 1 Нажмите [ ]. Активизируется режим поиска, и отображается экран списка поиска. • Чтобы вернуть...
Страница 55 - содержащихся в USB-накопителе; Терминология
53 -RU О файлах MP3/WMA/AAC, содержащихся в USB-накопителе Что такое MP3? MP3, официальное название которого “MPEG-1 Audio Layer 3”, является стандартом сжатия, описанным международной организацией по стандартизации (ИСО), и группы MPEG, продукта совместной деятельности ИСО и IEC (Международной элек...
Страница 57 - Нажмите название исполнителя.; Функция пропуска страницы/
55 -RU Поиск нужной композиции Устройство iPhone/iPod может содержать сотни композиций. Организация композиций по спискам воспроизведения облегчает поиск нужной композиции устройством iXA-W404R.Используйте собственную иерархию режима поиска, чтобы сузить поиск с помощью представленной ниже таблицы. ...
Страница 58 - Воспроизведение в случайном
56 -RU Текущий режим поиска.Пропустите список по одной странице, одной букве алфавита * 2 или на 10 процентов за раз, нажав [ ] или [ ]. При нажатии и удержании [ ] или [ ] изображение на экране будет непрерывно изменяться.Чтобы прокрутить список по одной строке, нажмите [ ] или [ ] . Нажмите [ ] , ...
Страница 60 - При возникновении трудностей
58 -RU При возникновении трудностей Основные функцииНе функционирует или не работает экран. • Выключено зажигание автомобиля.- Если подключение выполнено по инструкции, устройство не должно работать при выключенном зажигании. • Неверное подключение выводов питания.- Проверьте подключение выводов пит...
Страница 61 - Индикаторы режима iPhone/iPod
59 -RU • Магазин не загружен в CD-чейнджер. - Вставьте магазин. • Отсутствует отмеченный диск. - Выберите другой диск. Индикаторы режима iPhone/iPod • На устройство в USB-разъеме подается ток несоответствующего номинального значения. - Попытайтесь подключить другое устройство iPhone/ iPod. • Подключ...
Страница 62 - Технические характеристики; МОНИТОР
60 -RU Технические характеристики МОНИТОР FM-ТЮНЕР MW-ТЮНЕР LW-ТЮНЕР USB-РАЗЪЕМ ОБЩИЕ РАЗМЕР КОРПУСА (блок монитора) • Из-за непрерывного совершенствования продукта его технические характеристики и дизайн могут изменяться без предварительного уведомления. • Панель LCD изготовлена по сверхточной техн...
Страница 63 - Предупреждение; ВЫПОЛНЯЙТЕ ПРАВИЛЬНЫЕ ПОДКЛЮЧЕНИЯ.; Осторожно
61 -RU Установка и соединения Чтобы правильно использовать устройство, перед его установкой и подключением ознакомьтесь с информацией из данного руководства, представленной ниже, а также на стр. 4 – 6. Предупреждение ВЫПОЛНЯЙТЕ ПРАВИЛЬНЫЕ ПОДКЛЮЧЕНИЯ. Неправильное подключение может привести к возгор...
Страница 64 - Установка; Удаление
62 -RU Установка Предупреждение о выборе места установки 1 Снимите монтажный стакан с основного блока (см. раздел “Удаление” на стр. 62) . Вставьте монтажный стакан в приборную панель и зафиксируйте его с помощью металлических хомутов. * 1 Если установленный монтажный стакан не закреплен в приборной...
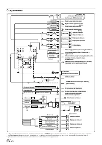
Страница 66 - Соединения
64 -RU Соединения • Переведите переключатель системы в положение “NORM” при подключении только чейнджера (если не используется совместимый с шиной Ai-NET эквалайзер). Если подключен аудиопроцессор IMPRINT, выберите положение EQ/DIV. * Два переключателя системы находятся на нижней панели устройства. ...
Страница 69 - Пример системы
67 -RU Пример системы Подключите совместимый с шиной Ai-NET аудиопроцессор (поддерживающий цифровое оптическое подключение), систему навигации, проигрыватель DVD-дисков и CD-чейнджер. • Для подключения в качестве системы навигации NVE-N055PS используйте кабель преобразования RGB KCE-030N (приобретае...
Страница 70 - Переключатель системы
68 -RU Кабель RGB (поставляется в комплекте с системой навигации)Входной разъем RGB Подключите к выходному разъему RGB системы навигации. Переключатель системы При подключении эквалайзера или делителя через Ai-NET переместите два переключателя в положение EQ/DIV. Если процессор не подключен, оставьт...
Страница 71 - Входной прямой разъем CAMERA
69 -RU При подключении внешнего оборудования К разъему видеовхода Переключатель системы При подключении эквалайзера или делителя через Ai-NET переместите два переключателя в положение EQ/DIV. Если процессор не подключен, оставьте переключатели в положении NORM. • Не устанавливайте эти два переключат...