Страница 2 - эксклюзивный дистрибьютор; Представительство в России:; Г арантийный ремонт; СЕРВИС-ЦЕНТР “СтудиоСаунд Сервис”; Эксклюзивный импортер
TRIA International, Ltd. эксклюзивный дистрибьютор http://www.tria.ru Main office: 185 North Redwood Drive, ste 120, San Rafael California 94903 USA Tel.: 415.444.0820 Fax.: 415.499.8120 Представительство в России: Россия, 109088, Москва, ул. Угрешская, 14, стр.1, офис 414 Тел.: 7 495. 221.6465 Факс...
Страница 3 - РУССКИЙ; Содержание; BLUETOOTH IN; Регулировка уровней сигналов
РУССКИЙ 1 -RU Содержание Руководство по использованию ПРЕДУПРЕЖДЕНИЕ ПРЕДУПРЕЖДЕНИЕ .............................. 3ОСТОРОЖНО .......................................... 3МЕРЫ ПРЕДОСТОРОЖНОСТИ ............ 3 Приступая к работе Список компонентов ................................... 6Включение и выключ...
Страница 4 - Работа с процессорами IMPRINT; Установка и соединения
2 -RU Настройка дисплея Изменение цвета подсветки ...................... 19 Настройка контрастности экрана ............ 19 Настройка прокрутки текста .................... 20 Настройка прокрутки (TEXT SCROLL) ...................................... 20 Настройка шрифтов ...................................
Страница 5 - Руководство по использованию; МЕРЫ ПРЕДОСТОРОЖНОСТИ; ПРЕДУПРЕЖДЕНИЕ
3 -RU Руководство по использованию НЕ ПРЕДПРИНИМАЙТЕ НИКАКИХ ДЕЙСТВИЙ, КОТОРЫЕ МОГУТ ОТВЛЕЧЬ ВАС ОТ БЕЗОПАСНОГО ВОЖДЕНИЯ АВТОМОБИЛЯ. Любые действия, отвлекающие внимание на продолжительный срок, должны выполняться только после полной остановки. Перед выполнением таких действий всегда останавливайте ...
Страница 7 - ОСТОРОЖНО
5 -RU О носителях, которые можно проигрывать Используйте только компакт-диски, на лицевой стороне внизу которых отображается логотип компакт-диска. При использовании неопределенных компакт-дисков не может быть гарантирована корректная работоспособность. Можно воспроизводить диски CD-R (CD-Recordable...
Страница 8 - Приступая к работе
6 -RU Список компонентов • Главный блок....................................................................1 • Кабель питания................................................................1 • USB-кабель .......................................................................1 • Интерфейсный кабель д...
Страница 9 - Настройка уровня громкости
7 -RU Первоначальный запуск системы Обязательно нажимайте переключатель RESET при первоначальном использовании устройства, после замены автомобильного аккумулятора и т.п. 1 Выключите питание устройства. 2 Нажмите (OPEN), чтобы открыть переднюю панель, и извлеките ее. 3 Нажмите RESET, используя ручку...
Страница 10 - Прослушивание радио; Функция поиска частоты; Радио
8 -RU Прослушивание радио 1 Нажмите SOURCE/ , чтобы выбрать режим TUNER. 2 Нажимайте кнопку BAND/TA несколько раз, пока не будет выбран нужный радиодиапазон. F1 (FM1) F2 (FM2) F3 (FM3) MW LW F1 (FM1) 3 Нажмите TUNE/A.ME, чтобы выбрать режим настройки. DX SEEK (Удаленный режим) SEEK (локальный режим)...
Страница 11 - Повторный вызов; RDS
9 -RU Установка режима приема RDS и прием RDS-станций RDS (Radio Data System) — это система радиоинформации, использующая поднесущую 57 кГц обычного FM-радиовещания. Функция RDS позволяет принимать различную информацию, например, сведения о трафике, названия станций, и автоматически подстраиваться к...
Страница 13 - Отображение предаваемого; Воспроизведение
11 -RU Если не удается принять сигнал от станции, передающей информацию о трафике: В режиме CD:Если больше не удается принять TP-сигнал, автоматически выбирается передающая информацию о трафике станция с другой частотой. • Приемник оснащен функцией EON (радиосети с расширенными сервисными возможност...
Страница 14 - Повторное воспроизведение
12 -RU 5 Чтобы приостановить воспроизведение, нажмите / . Чтобы возобновить воспроизведение, нажмите кнопку / еще раз. 6 После нажатия (OPEN) для открытия передней панели нажмите , чтобы извлечь диск. • Не удаляйте компакт-диск во время цикла его извлечения. Не загружайте более одного диска за раз. ...
Страница 16 - Терминология
14 -RU Поддерживаемая частота дискретизации и скорость передачи битов MP3 WMA AAC В зависимости от частоты дискретизации устройство может неправильно воспроизводить музыкальный фрагмент.В режиме USB при воспроизведении файла, записанного с переменной скоростью передачи битов (VBR), может отображатьс...
Страница 17 - Настройка регулировки низких частот; Настройка звука
15 -RU Настройка параметров Уровень сабвуфера/Уровень низких частот/Уровень высоких частот/Баланс (между левым и правым)/Микшер (между тылом и тылом)/Обход темброблока 1 Несколько раз нажмите Вращающийся регулятор (AUDIO), чтобы выбрать нужный режим. При каждом нажатии режим меняется следующим образ...
Страница 18 - Настройка регулировки; Настройка фильтра высоких частот; Включение и выключение; Настройка уровня низких частот
16 -RU 3 -3 * 5 Поворачивая Вращающийся регулятор, выберите необходимый уровень нижних частот (bass level) (–7~+7). Уровень низких частот можно усилить или ослабить. 4 Нажмите и удерживайте кнопку /ESC не менее 2 секунд, чтобы вернуться к обычному режиму. • Если за 15 секунд не было выполнено ни одн...
Страница 19 - Настройка системы СНЧ-
17 -RU Включение/отключение режима Subwoofer (ON/OFF) Если СНЧ-динамик (Subwoofer) включен, можно выполнить регулировку уровня его выходного сигнала (см. стр. 15). 1 Нажмите и удерживайте SOUND SETUP не менее 2 секунд, чтобы активировать режим выбора СНЧ-сигнала. 2 Поворотом Вращающегося регулятора ...
Страница 20 - Отображение текста; Другие функции
18 -RU Отображение текста Текстовая информация, такая как название диска или фрагмента, отображается в случае проигрывания компакт-диска, поддерживающего текстовую информацию. Кроме того, при проигрывании файлов MP3/WMA/AAC на экран можно выводить имя папки, имя файла, содержимое тега и т.д. Нажмите...
Страница 21 - Меню SETUP
19 -RU Устройство можно гибко настроить под свои предпочтения для более удобного использования. Из меню SETUP можно изменить настройки звука, визуального представления и т.д. 1 Нажмите и удерживайте кнопку F/SETUP не менее 2 секунд, чтобы выключить режим настройки (SETUP). 2 Поворотом Вращающегося р...
Страница 22 - Внешнее устройство
20 -RU Настройка прокрутки текста Выберите один из двух методов прокрутки.Выберите наиболее подходящий. Настройка прокрутки (TEXT SCROLL) Данный CD-плеер может прокручивать на экране имена диска и фрагментов, записанные на дисках CD-TEXT, а также текстовую информацию файлов MP3/WMA/AAC, имена папок ...
Страница 23 - FF SOURCE FF
21 -RU Настройка адаптивного интерфейса дистанционного рулевого управления Это устройство оснащено адаптивным интерфейсом дистанционного рулевого управления.Эта функция осуществляет управление с помощью сигнала дистанционного рулевого управления, передаваемого на устройство.Чтобы использовать функци...
Страница 25 - Поиск нужной композиции; Быстрый поиск
23 -RU 2 Нажмите кнопку или , чтобы выбрать нужную композицию. 3 Чтобы приостановить воспроизведение, нажмите / . Чтобы возобновить воспроизведение, нажмите кнопку / еще раз. • Воспроизведение композиции на устройстве iPhone/iPod, подключенном к данному устройству, продолжится с места, где она была ...
Страница 26 - Функция прямого поиска; Функция пропуска по алфавиту; Воспроизведение в случайном
24 -RU Функция прямого поиска Функция прямого поиска может использоваться для более эффективного поиска альбомов, композиций и т.д. В режиме. Список воспроизведения/Исполнитель/Альбом/Композиция/Podcast/Жанр/Композитор/Аудиокнига можно быстро обнаружить любую композицию. В данном режиме поиска нажми...
Страница 27 - Настройка режима MultEQ; Работа с
25 -RU Повторное воспроизведение Для данного устройства iPhone/iPod можно выбрать только повтор воспроизведения только одной композиции. Повторное воспроизведение одной композиции: Постоянно повторяется воспроизведение одной композиции. 1 Нажмите 4. Данная композиция будет постоянно воспроизводиться...
Страница 28 - Настройка акустических параметров в; Включение/отключение режима
26 -RU Настройка Уровня сабвуфера/Уровня низких частот/Уровня высоких частот/Микшера (между фронтом и тылом и задним)/Баланса (между левым и правым)/Обхода темброблока в режиме MultEQ Вы можете настроить эти параметры в режиме MultEQ с учетом своих предпочтений (CURVE 1 или CURVE 2). 1 Нажмите IMPRI...
Страница 30 - Настройка кривой параметрического эквалайзера; Включение и выключение режима
28 -RU Если включен режим затемнения (Blackout), то все индикаторы на устройстве будут отключены в целях экономии энергопотребления. Экономия энергопотребления позволяет улучшить качество звучания. B.OUT OFF (начальная настройка) B.OUT ON • Е сли режим затемнения (Black Out) включен (ON), то через 5...
Страница 31 - Запись настроек акустического поля в память
29 -RU 3 Нажмите SOURCE/ , чтобы выполнить настройку наклона кривой. Диапазон настройки наклона кривой: FLAT * , 6 дБ/окт., 12 дБ/окт., 18 дБ/окт., 24 дБ/окт. * З начение FLAT может быть задано параметру HIGH, только если выбран режим USER’S на стр. “Настройка крутизны среза высокочастотного динамик...
Страница 32 - Временная поправка; левое сидение
30 -RU Временная поправка Расстояние между слушателем и динамиками в салоне автомобиля меняется в широких пределах из-за нестандартного расположения динамиков. Из-за разницы в расстояниях между динамиками и слушателем происходит смещение звукового образа и частотных характеристик. Причиной этого явл...
Страница 34 - О технологии IMPRINT; ВИДЕНИЕ И РЕАЛЬНОСТЬ
32 -RU О технологии IMPRINT Все выдающиеся музыкальные произведения начинаются с их видения автором. После бесконечных репетиций, записи и микширования авторское видение переносится на диск, в радиопрограммы и прочие носители. Но действительно ли прослушиваемые композиции соответствуют изначальному ...
Страница 35 - Управление CD-чейнджером; Выбор нескольких чейнджеров
33 -RU Управление CD-чейнджером (приобретается отдельно) К этому устройству может быть подключен приобретаемый отдельно CD-чейнджер на 6 или 12 дисков, если он совместим с Ai-NET. Если в разъем Ai-NET устройства подключить CD-чейнджер, им можно управлять с головного устройства.Используя устройство K...
Страница 36 - При возникновении трудностей; Информация; Основные функции
34 -RU При возникновении трудностей При обнаружении проблемы, выключите, а затем включите питание. Если устройство все равно работает неправильно, просмотрите элементы следующего контрольного списка. Данное руководство поможет справиться с проблемой в случае неисправности устройства. В противном слу...
Страница 37 - Звук
35 -RU От динамиков не идет выходной звуковой сигнал. • От внутреннего усилителя устройства не поступает выходной сигнал. - Параметр POWER IC имеет значение “ON” (стр. 20). Устройство iPod не выполняет воспроизведение и звук не выводится. • Устройство iPod не распознано. - Выполните сброс главного б...
Страница 38 - Индикатор USB-накопителя; Индикаторы в режиме iPhone/iPod; DEVICE ERROR
36 -RU • Ошибка связи. - Выключите, а затем снова включите зажигание. • На устройство в USB-разъеме подается ток, превышающий номинальное значение. - Чтобы решить эту проблему, переключите источник, выключите питание устройства или переведите ACC в положение OFF. • Подключено несовместимое USB-устро...
Страница 39 - Технические характеристики; CLASS 1
37 -RU Технические характеристики FM-ТЮНЕР MW-ТЮНЕР LW-ТЮНЕР CD-ПЛЕЕР СЧИТЫВАНИЕ СИГНАЛА РАЗДЕЛ USB ОБЩИЕ РАЗМЕР КОРПУСА РАЗМЕР ДЕРЖАТЕЛЯ • Из-за непрерывного совершенствования продукта его технические характеристики и дизайн могут изменяться без предварительного уведомления. ОСТОРОЖНО Диапазон наст...
Страница 40 - Предупреждение
38 -RU Установка и соединения Чтобы правильно использовать устройство, перед его установкой и подключением ознакомьтесь с информацией из данного руководства, представленной ниже, а также на стр. 3 и 5. Предупреждение ВЫПОЛНЯЙТЕ ПРАВИЛЬНЫЕ ПОДКЛЮЧЕНИЯ. Неправильное подключение может привести к возгор...
Страница 41 - Установка
39 -RU Установка • Основной блок должен быть установлен с наклоном не более 35 градусов по отношению к горизонтальной плоскости. Удаление 1. Удалите съемную переднюю панель. 2. Используя маленькую отвертку (или подобный инструмент), толкайте стопорные штифты, пока они не займут “верхнее” положение (...
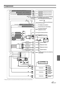
Страница 43 - Соединения
41 -RU Соединения * 1 Переключатель системы находится на нижней панели устройства. (черный) АДАПТИВНОЕ ДИСТ. РУЛЕВОЕ УПРАВЛЕНИЕ. Заземление (Розовый/черный) ВХОДНОЙ ПРЕРЫВАТЕЛЬ ЗВУКА (Зеленый) (Зеленый/черный) (Белый) (Белый/черный) К интерфейсному модулю Bluetooth INTERFACE (KCE-400BT) (продается о...