Страница 2 - эксклюзивный дистрибьютор; Представительство в России:; Г арантийный ремонт; СЕРВИС-ЦЕНТР “СтудиоСаунд Сервис”; Эксклюзивный импортер
TRIA International, Ltd. эксклюзивный дистрибьютор http://www.tria.ru Main office: 185 North Redwood Drive, ste 120, San Rafael California 94903 USA Tel.: 415.444.0820 Fax.: 415.499.8120 Представительство в России: Россия, 109088, Москва, ул. Угрешская, 14, стр.1, офис 414 Тел.: 7 495. 221.6465 Факс...
Страница 3 - РУССКИЙ; Содержание; BLUETOOTH IN; Регулировка уровней сигналов
РУССКИЙ 1 -RU Содержание Руководство по использованию ПРЕДУПРЕЖДЕНИЕ ПРЕДУПРЕЖДЕНИЕ .............................. 3ОСТОРОЖНО .......................................... 3МЕРЫ ПРЕДОСТОРОЖНОСТИ ............ 3 Приступая к работе Список компонентов ................................... 6Включение и выключ...
Страница 4 - Работа с устройствами IMPRINT; Установка и соединения
2 -RU Настройка визуального представления Изменение цвета подсветки ...................... 19 Настройка контрастности экрана ............ 19 Регулировка подсветки ............................... 20 Настройка прокрутки текста .................... 20 Настройка прокрутки (TEXT SCROLL) ....................
Страница 5 - Руководство по использованию; МЕРЫ ПРЕДОСТОРОЖНОСТИ; ПРЕДУПРЕЖДЕНИЕ
3 -RU Руководство по использованию НЕ ПРЕДПРИНИМАЙТЕ НИКАКИХ ДЕЙСТВИЙ, КОТОРЫЕ МОГУТ ОТВЛЕЧЬ ВАС ОТ БЕЗОПАСНОГО ВОЖДЕНИЯ АВТОМОБИЛЯ. Любые действия, отвлекающие внимание на продолжительный срок, должны выполняться только после полной остановки. Перед выполнением таких действий всегда останавливайте ...
Страница 7 - ОСТОРОЖНО
5 -RU Не оставляйте диск надолго в машине или проигрывателе. Никогда не подвергайте диск воздействию прямых солнечных лучей. Жара и влажность могут повредить компакт-диск настолько, что его нельзя будет проигрывать. Для клиентов, использующих диски CD-R/CD-RW • Если не удается воспроизвести диск CD-...
Страница 8 - Приступая к работе
6 -RU Список компонентов • Главный блок ....................................................................1 • Кабель питания................................................................1 • Монтажный стакан ..........................................................1 • Чехол для переноски ..........
Страница 9 - Первоначальный запуск системы; Настройка уровня громкости
7 -RU Первоначальный запуск системы Обязательно нажимайте переключатель RESET при первоначальном использовании устройства, после замены автомобильного аккумулятора и т.п. 1 Выключите питание устройства. 2 Нажмите (OPEN), чтобы открыть переднюю панель, и извлеките ее. 3 Нажмите RESET, используя ручку...
Страница 10 - Прослушивание радио; Функция поиска частоты; Радио
8 -RU Прослушивание радио 1 Нажмите SOURCE/ , чтобы выбрать режим TUNER. 2 Нажимайте кнопку BAND/TA несколько раз, пока не будет выбран нужный радиодиапазон. F1 (FM1) F2 (FM2) F3 (FM3) MW LW F1 (FM1) 3 Нажмите TUNE/A.ME, чтобы выбрать режим настройки. DX SEEK (дистанционный режим) SEEK (локальный ре...
Страница 11 - RDS
9 -RU Установка режима приема RDS и прием RDS-станций RDS (Radio Data System) — это система радиоинформации, использующая поднесущую частоту 57 кГц обычного FM-радиовещания. Функция RDS позволяет принимать различную информацию, например, сведения о трафике, названия станций, и автоматически подстраи...
Страница 13 - Воспроизведение
11 -RU Если не удается принять сигнал от станции, передающей информацию о трафике: В режиме CD:Если больше не удается принять TP-сигнал, автоматически выбирается передающая информацию о трафике станция с другой частотой. • Приемник оснащен функцией EON (радиосети с расширенными сервисными возможност...
Страница 14 - Многократное воспроизведение
12 -RU 5 Чтобы приостановить воспроизведение, нажмите / . Чтобы возобновить воспроизведение, нажмите кнопку / еще раз. 6 После нажатия (OPEN) для открытия передней панели нажмите , чтобы извлечь диск. • Не удаляйте компакт-диск во время цикла его извлечения. Не загружайте более одного диска за раз. ...
Страница 15 - Поиск по именам файлов/папок; Быстрый поиск
13 -RU Поиск по именам файлов/папок (Данные MP3/WMA/AAC) Имена папок и файлов можно искать и выводить на экран во время воспроизведения. 1 Во время воспроизведения файлов MP3/WMA/AAC нажмите / ENT, чтобы активировать режим поиска. 2 Поворотом Кругового регулятора выберите режим поиска имени папки ил...
Страница 16 - Терминология
14 -RU Поддерживаемая частота дискретизации и скорость передачи битов MP3 WMA AAC В зависимости от частоты дискретизации устройство может неправильно воспроизводить музыкальный фрагмент.При воспроизведении файла, записанного с переменной скоростью передачи битов (VBR), может отображаться неправильно...
Страница 17 - Настройка регулировки нижних частот; Настройка звука; Настройка центральной низкой частоты
15 -RU Настройка параметров Уровень сабвуфера/Уровень низких частот/Уровень высоких частот/Баланс (между левым и правым)/Микшер (между передним и задним)/Гашение сигнала 1 Несколько раз нажмите Круговой регулятор (AUDIO), чтобы выбрать нужный режим. При каждом нажатии режим меняется следующим образо...
Страница 18 - Настройка регулировки высоких; Настройка фильтра верхних частот; Настройка уровня нижних частот
16 -RU 3 -3 * 5 Поворачивая Круговой регулятор, выберите необходимый уровень нижних частот (bass level) (–7~+7). Уровень низких частот можно усилить или ослабить. 4 Нажмите и удерживайте кнопку /ESC не менее 2 секунд, чтобы вернуться к обычному режиму. • Если за 15 секунд не было выполнено ни одной ...
Страница 20 - Отображение текста; Другие функции
18 -RU Отображение текста Текстовая информация, такая как название диска или фрагмента, отображается в случае проигрывания компакт-диска, поддерживающего текстовую информацию. Кроме того, при проигрывании файлов MP3/WMA/AAC на экран можно выводить имя папки, имя файла, содержимое тега и т.д. Нажмите...
Страница 21 - Меню SETUP
19 -RU Устройство можно гибко настроить под свои предпочтения для более удобного использования. Из меню SETUP можно изменить настройки звука, визуального представления и т.д. 1 Нажмите и удерживайте кнопку F/SETUP не менее 2 секунд, чтобы выключить режим настройки (SETUP). 2 Поворотом Кругового регу...
Страница 22 - Внешнее устройство
20 -RU Регулировка подсветки Задайте параметру регулировки подсветки (DIMMER control) значение AUTO, чтобы уменьшить яркость подсветки устройства, и включите фары. Этот полезно в тех случаях, когда требуется уменьшить яркость подсветки устройства в ночное время. • Если в Вашем автомобиле предусмотре...
Страница 23 - FF SOURCE FF
21 -RU Настройка адаптивного дистанционного рулевого управления Это устройство поддерживает адаптивное дистанционное рулевое управление.Эта функция осуществляет управление с помощью сигнала дистанционного рулевого управления, передаваемого на устройство.Чтобы использовать функцию дистанционного руле...
Страница 25 - Поиск нужной композиции; iPod
23 -RU К данному устройству можно подключить устройство iPod ® с помощью соединительного кабеля ALPINE FULL SPEED™ (KCE-422i) (продается отдельно). Если устройство подключено с помощью такого кабеля, то функции управления iPod не работают. • Установите настройку AUX + SETUP в состояние OFF, если под...
Страница 26 - Функция прямого поиска
24 -RU 5 Поворотом Кругового регулятора выберите композицию и нажмите /ENT. Начнется воспроизведение выбранной композиции. • Если нажать и удерживать / ENT не менее 2 секунд в любой иерархии (кроме Song и Audiobook), начнется воспроизведение всех композиций из выбранной иерархии. • Выберите [ALL] в ...
Страница 28 - Настройка режима MultEQ
26 -RU Компания Alpine представляет технологию IMPRINT - первую в мире технологию надежного устранения акустических проблем в салоне автомобиля, как правило снижающих качество звучания, позволяющую прослушивать музыкальные композиции с первоначальным качеством исполнения. Дополнительную информацию с...
Страница 29 - Настройка наклона кривой частотной
27 -RU Настройка акустических параметров в ручном режиме (Manual) Вы можете настроить эти параметры с учетом своих предпочтений, если для режима MultEQ выбрано значение MULTEQ OFF (ручной режим). 1 Нажмите IMPRINT, чтобы активировать режим выбора параметров из меню Sound. 2 Поворотом Кругового регул...
Страница 30 - Настройка типа фильтра
28 -RU NORMAL (начальная настройка) INDIVIDUAL Включите режим Media Xpander, чтобы отрегулировать его уровень (см. страница 28). MX OFF (начальная настройка) MX ON Параметр MX (MEDIAXPANDER) отвечает за четкость звучания вокальной составляющей или музыкальных инструментов независимо от источника. На...
Страница 32 - Запись настроек акустического поля в память
30 -RU 3 Нажмите SOURCE/ , чтобы выполнить настройку наклона кривой. Диапазон настройки наклона кривой: FLAT * , 6 дБ/окт., 12 дБ/окт., 18 дБ/окт., 24 дБ/окт. * Значение FLAT может быть задано параметру HIGH, только если выбран режим USER’S на стр. “Настройка наклона кривой частотной характеристики ...
Страница 33 - Временная поправка; левое сидение
31 -RU Временная поправка Расстояние между слушателем и динамиками в салоне автомобиля меняется в широких пределах из-за нестандартного расположения динамиков. Из-за разницы в расстояниях между динамиками и слушателем происходит смещение звукового образа и частотных характеристик. Причиной этого явл...
Страница 35 - О технологии IMPRINT; ВИДЕНИЕ И РЕАЛЬНОСТЬ
33 -RU О технологии IMPRINT Все выдающиеся музыкальные произведения начинаются с их видения автором. После бесконечных репетиций, записи и микширования авторское видение переносится на диск, в радиопрограммы и прочие носители. Но действительно ли прослушиваемые композиции соответствуют изначальному ...
Страница 36 - Воспроизведение файлов MP3 с помощью
34 -RU Управление CD-чейнджером (приобретается отдельно) К этому устройству может быть подключен приобретаемый отдельно CD-чейнджер на 6 или 12 дисков, если он совместим с Ai-NET. Если в разъем Ai-NET устройства подключить CD-чейнджер, им можно управлять с устройства.Используя устройство KCA-40 0C (...
Страница 37 - При возникновении трудностей; Информация; Основные функции
35 -RU При возникновении трудностей При обнаружении проблемы, выключите, а затем включите питание. Если устройство все равно работает неправильно, просмотрите элементы следующего контрольного списка. Данное руководство поможет справиться с проблемой в случае неисправности устройства. В противном слу...
Страница 38 - Звук
36 -RU От динамиков не идет выходной звуковой сигнал. • От внутреннего усилителя устройства не поступает выходной сигнал. - Параметр Power IC имеет значение “ON” (страница 20). Невозможно воспроизведение файлов из iPod-устройства или нет выходного звукового сигнала. • iPod-устройство не распознано. ...
Страница 39 - Индикатор USB-накопителя; DEVICE ERROR; Индикаторы в режиме iPod
37 -RU • На устройство в разъеме USB подается ток несоответствующего номинального значения (может отображаться сообщение об ошибке, если USB- устройство несовместимо с данным устройством). Неисправность или замыкание контактов в USB- накопителе. - Подключите другой USB-накопитель. • Подключено несов...
Страница 40 - Технические характеристики; CLASS 1
38 -RU Технические характеристики FM-ТЮНЕР MW-ТЮНЕР LW-ТЮНЕР CD-ПЛЕЕР СЧИТЫВАНИЕ СИГНАЛА РАЗДЕЛ USB ОБЩИЕ РАЗМЕР КОРПУСА РАЗМЕР ДЕРЖАТЕЛЯ • Из-за непрерывного совершенствования продукта его технические характеристики и дизайн могут изменяться без предварительного уведомления. ОСТОРОЖНО Диапазон наст...
Страница 41 - Предупреждение
39 -RU Установка и соединения Чтобы правильно использовать устройство, перед его установкой и подключением ознакомьтесь с информацией из данного руководства, представленной ниже, а также на страницах 3 и 5. Предупреждение ВЫПОЛНЯЙТЕ ПРАВИЛЬНЫЕ ПОДКЛЮЧЕНИЯ. Неправильное подключение может привести к в...
Страница 42 - Установка
40 -RU Установка • Основной блок должен быть установлен с наклоном не более 35 градусов по отношению к горизонтальной плоскости. Удаление 1. Удалите съемную переднюю панель. 2. Используя маленькую отвертку (или подобный инструмент), толкайте стопорные штифты, пока они не займут “верхнее” положение (...
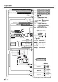
Страница 44 - Соединения
42 -RU Соединения (черный) АДАПТИВНОЕ ДИСТ. РУЛЕВОЕ УПРАВЛЕНИЕ. Заземление (Розовый/черный) ВХОДНОЙ ПРЕРЫВАТЕЛЬ ЗВУКА (Зеленый) (Зеленый/черный) (Белый) (Белый/черный) К iPod К автомобильному экрану Антенный JASO-разъем К телефону автомобиля Ключ замка зажигания Динамики Задний левый Передний левый ...