Страница 2 - Эксклюзивный дистрибьютор; Представительство в России:; Г арантийный ремонт; СЕРВИС-ЦЕНТР “СтудиоСаунд Сервис”; Эксклюзивный импортер; Tria Ukraine; эксклюзивный дистрибьютор в Украине
TRIA International, Ltd. Эксклюзивный дистрибьютор 185 North Redwood Drive, ste 120, San Rafael California 94903 USA Tel: 415.444.0820 Fax: 415.499.8120 E-mail: info@tria.ru http://www.alpine-electronics.ru/ Представительство в России: Россия, Москва ул. Угрешская, 14, стр.1, оф. 414 Tel: 7 495. 775...
Страница 3 - PYCСКИЙ; Содержание; ПРЕДУПРЕЖДЕНИЕ; Диски, воспроизводимые на этом; Приступая к работе
3 -RU PYCСКИЙ Содержание Руководство по использованию ПРЕДУПРЕЖДЕНИЕ ПРЕДУПРЕЖДЕНИЕ .............................. 7 ВНИМАНИЕ! ............................................ 7 МЕРЫ ПРЕДОСТОРОЖНОСТИ ............ 8 Диски, воспроизводимые на этом устройстве ........................................... 9 П...
Страница 5 - Загрузка данных
5 -RU Настройка сенсорной кнопки VISUAL ................................................. 42 Настройка кнопки OPTION на устройстве ............................................. 42 Настройка режима AUX+ ..................... 42Настройка уровня звука AUX+ ........... 42 Загрузка данных Загрузка данных...
Страница 6 - Информация; Установка и соединения
6 -RU Выбор нескольких чейнджеров (приобретаются дополнительно) ........ 59 USB-накопитель/Переносной аудиоплеер (приобретается дополнительно) Функция раздела (BANK) (только USB-накопитель) .................................... 60 Воспроизведение ........................................ 60Многократно...
Страница 7 - Руководство по использованию; НЕ РАЗБИРАТЬ И НЕ ИЗМЕНЯТЬ.
7 -RU Руководство по использованию УСТАНАВЛИВАЙТЕ ДАННЫЙ ПРОДУКТ ТАКИМ ОБРАЗОМ, ЧТОБЫ ВОДИТЕЛЬ НЕ МОГ ВИДЕТЬ ЭКРАН, ЕСЛИ АВТОМОБИЛЬ НЕ ОСТАНОВЛЕН И НЕ ЗАДЕЙСТВОВАН СТОЯНОЧНЫЙ ТОРМОЗ. Просмотр водителем телевизионных программ или видео в процессе вождения опасен. Неправильная установка этого продукта...
Страница 8 - МЕРЫ ПРЕДОСТОРОЖНОСТИ
8 -RU МЕРЫ ПРЕДОСТОРОЖНОСТИ Чистка устройства Используйте мягкую сухую тряпку для периодической чистки данного устройства. Для удаления более серьезных пятен намочите тряпку, используя только воду. При использовании других средств можно растворить краску или повредить пластик. Температура Прежде чем...
Страница 9 - Принадлежности для дисков; Диски, воспроизводимые на; Воспроизводимые диски
9 -RU Принадлежности для дисков На рынке доступны различные принадлежности для защиты поверхности дисков и улучшения качества звучания. Однако большинство из них влияет на толщину и/или диаметр диска. Использование таких принадлежностей может привести к проблемам с эксплуатацией. Не рекомендуется ис...
Страница 10 - ALL
10 -RU Диски, воспроизведение которых не поддерживается. DVD-ROM, DVD-RAM, CD-ROM (за исключением файлов MP3/WMA/AAC), фото CD и т. д. DualDisc Это устройство не поддерживает стандарт DualDisc.Использование дисков стандарта DualDisc может повредить устройство и привести к повреждению самого диска пр...
Страница 11 - Терминология, использующаяся при описании дисков; Название; Обращение с USB-накопителями
11 -RU Использование дисков DVD-R/DVD-RW/DVD+R/DVD+RW • Это устройство поддерживает воспроизведение дисков, записанных в стандартном формате DVD-Video. • Обратите внимание, что диски с открытым последним сеансом записи (созданные для воспроизведения на проигрывателях DVD-дисков только с функцией чте...
Страница 12 - Использование портативного аудиоплеера
12 -RU Использование портативного аудиоплеера • Устройство может управлять портативным аудиоплеером с помощью интерфейса USB. Возможно воспроизведение форматов аудиофайлов MP3 и WMA. • Корректная работа портативного аудиоплеера не гарантируется. Используйте портативный аудиоплеер в соответствии с ус...
Страница 14 - Загрузка/извлечение диска; Нажмите; Настройка угла просмотра монитора; ] в разделе TILT для; Настройка уровня громкости; Отрегулируйте уровень, нажимая
14 -RU Загрузка/извлечение диска 1 Нажмите на устройстве. Откроется выдвижной монитор. 2 Вставьте диск. Загрузите диск в слот. После загрузки диска монитор закроется автоматически. Извлеките диск.Снова нажмите кнопку . Откроется сдвижной монитор. Затем будет извлечен диск. • Не прилагайте излишних у...
Страница 15 - Как просматривать изображение; Работа с сенсорными кнопками
15 -RU Как просматривать изображение • Прикасайтесь к кнопке подушечкой пальца обязательно слегка, чтобы не повредить экран. • Если при касании сенсорной кнопки ничего не происходит, уберите палец с панели и повторите попытку. З десь приведен пример выбора источника на экране режима радио. 1 Косните...
Страница 16 - Коснитесь требуемой цифровой кнопки.; Выбор стиля дисплея
16 -RU Экран ввода с цифровой клавиатуры отображается в том случае, если для поиска названия или фрагмента выбран режим DVD. Здесь можно также ввести код страны или пароль для настройки DVD. 1 Коснитесь кнопки [10KEY] на экране основного источника. 2 Коснитесь требуемой цифровой кнопки. Пример экран...
Страница 17 - Радио
17 -RU Пример главного экрана режима FM-радио Кнопка [SOURCE]: см.стр. 15Кнопка [VISUAL]: отображает экран выбора VISUALКнопка [SETUP]: отображает экран выбора SETUPКнопка [Style]: см. стр. 16Кнопка [DX SEEK] * 1 : отображает список выбора режимов настройки.Кнопка [PTY SEARCH] * 2 : поиск станции по...
Страница 18 - Прием информации о трафике; Режим RDS SETUP; Работа RDS
18 -RU Включение и выключение режима AF (альтернативных частот) RDS (Radio Data System) — это система радиоинформации, использующая поднесущую частоту 57 кГц обычного FM-радиовещания. Функция RDS позволяет принимать различную информацию, например, сведения о трафике, названия станций, и автоматическ...
Страница 19 - В режиме CD коснитесь и удерживайте кнопку
19 -RU Прием информации о трафике во время воспроизведения компакт- диска или прослушивания радио Ниже приведен пример получения трансляции информации о трафике во время воспроизведения компакт-диска. 1 В режиме CD коснитесь и удерживайте кнопку TA не менее 2 секунд, чтобы включить режим приема инфо...
Страница 20 - Воспроизведение; Приостановка воспроизведения; Многократное воспроизведение; воспроизводить текущий фрагмент.
20 -RU Воспроизведение 1 Коснитесь кнопки [SOURCE] на экране основного источника. Откроется экран SOURCE для выбора источника. 2 Коснитесь кнопки [DISC]. Откроется экран режима DISC. После установки диска CD/MP3/WMA/AAC в DISC SLOT (слот для дисков) устройства IVA-W520R лицевой стороной вверх начнет...
Страница 22 - Терминология; DVD
22 -RU Терминология Скорость передачи битов (битрейт) Это коэффициент сжатия “звука”, указываемый при кодировании. Более высокая скорость передачи битов означает более высокое качество звука, но так же и больший размер файла. Частота дискретизации Это значение показывает, сколько раз в секунду делае...
Страница 23 - Воспроизведение диска; Отображение экрана режима DVD
23 -RU Воспроизведение диска В устройство IVA-W520R встроен проигрыватель дисков DVD. Когда к устройству IVA-W520R подключен дополнительный плеер Alpine DVD/CD (или DVD-чейнджер), им можно управлять с помощью IVA-W520R (за исключением некоторых операций). • При попытке активировать дополнительное ус...
Страница 24 - Операции ввода с цифровой клавиатуры; Отображение экрана главного меню
24 -RU 2 Коснитесь кнопки [KEY]. Откроется режим управления меню. 3 Выберите требуемый пункт меню, коснувшись кнопки [ ] , [ ] , [ ] или [ ] . 4 Коснитесь кнопки [ENTER], чтобы подтвердить выбор. Операции ввода с цифровой клавиатуры 1 Коснитесь кнопки [CONTROL], чтобы отобразить кнопки управления. 2...
Страница 26 - REPEAT
26 -RU Повторное воспроизведение Используйте эту функцию для повторного воспроизведения эпизодов, глав или дорожек диска. Для некоторых дисков определенные функции повтора, возможно, будут недоступны. DVD Video Коснитесь кнопки [ ] на сенсорном экране. Режим повтора меняется при каждом нажатии кнопк...
Страница 27 - Переключение субтитров (язык; Выберите пункт меню для его подтверждения.; Отображение состояния диска DVD; Во время воспроизведения коснитесь экрана.; Информация о дисках DivX; Поддерживаются следующие системы записи звука.
27 -RU Переключение субтитров (язык субтитров) Если диск DVD содержит субтитры на нескольких языках, их можно переключить во время воспроизведения; кроме этого, субтитры можно скрыть. 1 Во время воспроизведения коснитесь кнопки [P1/2]. Строка функций изменится соответствующим образом. 2 Коснитесь кн...
Страница 28 - Настройка звука; Настройка баланса фронт-тыл; Другие полезные
28 -RU Настройка звука 1 Коснитесь кнопки [SETUP] на экране главного источника. Откроется экран SETUP для выбора настроек. 2 Коснитесь кнопки [AUDIO SETUP]. Откроется экран настроек AUDIO SETUP. Пример экрана настройки звука • Чтобы прокрутить список по одной строке, коснитесь кнопки [ ] или [ ] . Ч...
Страница 29 - Функция поиска
29 -RU Настройка диапазона нижних частот Меняется диапазон изменения низких частот, от широкого к узкому. Более высокое значение соответствует изменению расширенного диапазона частот выше и ниже центральной частоты. Минимальное значение означает изменение только частот, ближайших к центральной часто...
Страница 30 - Внутренний режим проигрывателя CD; Функция вывода изображения на; Переключение режимов экрана
30 -RU Пример экрана поиска Значок [ ] отображается, если существует иерархический список.Коснитесь кнопки [ ] , чтобы начать воспроизведение соответствующей дорожки (или папки/файла).Прокрутите список по одной строчке, коснувшись кнопки [ ] или [ ] . Прокрутите список по одному странице, коснувшись...
Страница 31 - Переключение только визуального; Коснитесь требуемого визуального источника.; Включение и выключение режима; изменить настройки требуемого элемента.; Отмена синхронной работы; Настройка; Настройка DVD
31 -RU Переключение только визуального источника (Синхронная работа) Можно просматривать видеосигнал, поступающий от одного источника, одновременно прослушивая аудиосигнал, поступающий от другого источника. 1 Коснитесь кнопки [VISUAL] на экране источника звука. Откроется экран выбора VISUAL. 2 Косни...
Страница 32 - Изменение настроек языка
32 -RU При касании этой области закроется экран ввода с цифровой клавиатуры.Экран ввода с цифровой клавиатуры Цифровая клавиатура используется для воспроизведения на языке, отличном от отображаемого, или для ввода пароля для защиты от просмотра детьми, и т. д. 5 Коснитесь кнопки [ ], чтобы вернуться...
Страница 33 - Настройка режима экрана ТВ
33 -RU 1 Коснитесь кнопки [INPUT]. Откроется экран цифровой клавиатуры. 2 Введите 4-значный пароль с помощью цифровой клавиатуры.Первоначально установлен пароль 1111. Вводимые знаки отображаются в виде символов “ * ”. 3 Коснитесь кнопки [ENT], чтобы запомнить номер. Откроется экран PARENTAL. Установ...
Страница 34 - Операция настройки радио; настройки требуемого элемента.; Настройка радио; Отображение времени RDS
34 -RU При использовании дисков, содержащие звуковые данные и данные MP3/WMA/AAC. Настройка: FILE PLAY MODE Значения: CD / CMPM • Вставляйте диск при остановленном воспроизведении и извлекайте его до выполнения настроек. • Эту настройку не удастся применить при подключении CD-чейнджера, поддерживающ...
Страница 35 - Операция настройки дисплея; Режим PI SEEK; Настройка дисплея
35 -RU Настройка: PI SEEK Значения: OFF / AUTO При выборе значения OFF устройство автоматически продолжает принимать сигнал соответствующей местной RDS-станции. Настройка: RDS REGIONAL Значения: OFF / ON Можно выбрать один из шаблонов отображаемых языков. Настройка: PTY LANGUAGE Значения: GB / NL / ...
Страница 36 - Настройка яркости экрана подсветки
36 -RU Подсветка экрана обеспечивается встроенной в панель LCD флуоресцентной лампой. Управление освещением регулирует яркость подсветки экрана в зависимости от освещенности салона автомобиля для обеспечения комфортного просмотра. Настройка: DIMMER Значения: OFF / ON / AUTO • При установке значения ...
Страница 37 - Операция настройки Visual EQ; Visual EQTM; Настройка яркости
37 -RU Операция настройки Visual EQ 1 После выполнения шагов 1 и 2 раздела “Операция настройки дисплея” (стр. 35) коснитесь кнопки [ ] в разделе VISUAL EQ. Откроется экран Visual EQ. 2 Выберите требуемый элемент настройки, нажав кнопки [ ] или [ ]. Настройки: VISUAL EQ * BRIGHT COLOR * TINT * CONTRA...
Страница 38 - Операция общей настройки; Настройка оттенка цвета изображения; Общая настройка; Отображение времени
38 -RU Элемент настройки: TINT Значения: G15 ~ R15 Установите для оттенка значения от G15 до R15. Для максимальных значений каждого цвета отображается значение “G MAX” или “R MAX”. • Настройку оттенка можно производить только в режиме iPod video, DVD, AUX. • Оттенок не удастся настроить, если изобра...
Страница 39 - Настройка времени; Настройка летнего времени; Настройка прокрутки; Изменение языка отображения шрифта
39 -RU Настройка: CLOCK ADJUST Дальнейшие элементы настройки: HOUR / MINUTE / TIME ADJUST Значения: 0-23 / 0-59 / RESET • Режим настройки времени отменяется при отключении питания и при касании кнопки [ ] или [ESC] . • Часы можно настроить, когда в разделе “Отображение времени RDS” (стр. 34) установ...
Страница 40 - Операция настройки системы; Настройка системы
40 -RU Операция настройки системы 1 Коснитесь кнопки [SETUP] на экране главного источника. Откроется экран SETUP для выбора настроек. 2 Коснитесь кнопки [SYSTEM SETUP]. Откроется экран SYSTEM SETUP. 3 Коснитесь кнопки [ ] или [ ] и т. д., чтобы изменить настройки требуемого элемента. Настройки: IN I...
Страница 41 - Настройка режима имени AUX; Переключение системы входного видеосигнала; Настройка входа камеры заднего вида; Настройка режима навигации; Настройка прерывания навигации; Настройка режима AUX
41 -RU При подключении камеры заднего вида изображение с нее можно выводить на экран. Настройка: CAMERA IN Значения: OFF / NTSC/PAL • Изображение с камеры заднего вида отображается при включении заднего хода (R). Эта функция действует при правильном подключении провода заднего хода. • Чтобы применит...
Страница 42 - Настройка вывода изображения
42 -RU Используется для вывода изображений и звука выбранного на устройстве IVA-W520R источника при подключении к заднему монитору. Настройка: AUX OUTЗначения: OFF / ON Настройка: BLUETOOTH INЗначения: OFF / HFP / HFP+AUDIO / NAV. • Для получения дополнительной информации о работе BLUETOOTH см. руко...
Страница 43 - имя требуемого файла.
43 -RU Загрузка данных фона (BACKGROUND) Можно загрузить данные (с веб-сайта Alpine) в корневую папку диска CD-R/CD-RW и перенести их в устройство IVA-W520R.Для начала загрузки BACKGROUND (фона) перейдите по следующей ссылке и следуйте инструкциям на экране. http://www.alpine.com или http://www.alpi...
Страница 44 - Процедура настройки Dolby Surround; Процедура настройки; Настройка A.PROCESSOR; ] после выбора значения
44 -RU Процедура настройки Dolby Surround Для более точного воспроизведения звука в формате Dolby Digital и DTS выполните приведенные ниже настройки. Процедура настройки В случае комбинирования автоматических настроек и т. д. Рекомендуется производить автоматические настройки перед настройкой Dolby ...
Страница 45 - Настройка компрессора низких частот; чтобы выбрать требуемый режим.; Настройка регулировки низких частот
45 -RU MX AUX (OFF, CMPM MX, MOVIE MX, MUSIC MX) Выберите режим MX (CMPM, MUSIC или MOVIE), соответствующий типу используемого носителя. • Установленные здесь параметры MX отражаются на PXA-H70 0 или PXA-H701. • При выборе значения OFF (ВЫКЛ.) эффект MX всех режимов MX будет иметь значение OFF (ВЫКЛ...
Страница 46 - Установите значение временной коррекции
46 -RU Настройка уровня Коснитесь кнопки [ ] или [ ] раздела LEVEL, затем настройте уровень HPF или LPF. Настройка крутизны среза Коснитесь кнопки [ ] или [ ] раздела SLOPE, затем настройте крутизну характеристики фильтра HPF или LPF. • Если для динамика установлен режим “OFF”, установить для него з...
Страница 48 - Настройка уровня динамиков (OUTPUT LEVEL); Настройка динамиков
48 -RU Настройка: SPEAKER SELECT Выберите подключенный динамик, коснувшись соответствующей кнопки [ ] или [ ]. • Установите для неподключенного динамика значение OFF. • Описанные настройки можно выполнить, даже если для динамика установлено значение OFF в разделе “Настройка динамиков” (стр. 49). • Ч...
Страница 49 - требуемого режима настройки.; Сохранение настроек в памяти; Настройка уровня DVD
49 -RU PXA-H70 0 или PXA-H701 можно настроить с учетом воспроизводимых диапазонов частот динамиков.Перед выполнением этой операции проверьте диапазоны частот воспроизведения подключенных динамиков (кроме сабвуфера), чтобы убедиться, что динамики поддерживают воспроизведение низких частот (примерно 8...
Страница 50 - Настройка режима MultEQ
50 -RU Компания Alpine представляет технологию IMPRINT - первую в мире технологию надежного устранения акустических проблем в салоне автомобиля, как правило снижающих качество звучания, которая позволяет прослушивать музыкальные композиции с первоначальным качеством исполнения.Подключив к устройству...
Страница 52 - Настройка уровня; Настройка крутизны раздела; Выбор диапазона
52 -RU Настройка уровня Коснитесь кнопки [ ] или [ ] раздела LEVEL, затем настройте уровень HPF или LPF. Диапазон настройки выходного сигнала: от –12 до 0 дБ. Настройка крутизны раздела Коснитесь кнопки [ ] или [ ] раздела SLOPE, затем настройте крутизну среза HPF или LPF. Диапазон настройки крутизн...
Страница 54 - Настройка системы сабвуфера; чтобы установить значение ON или OFF.; выбрать значение 0° или 180°.; Информация о временной коррекции; Настройка уровня сабвуфера
54 -RU Вызов предварительной настройки из памяти 1 Убедитесь, что режим Defeat отключен. 2 Коснитесь одной из кнопок предварительных настроек [P.SET 1] – [P.SET 6] в списке A.PROCESSOR для выбора предварительной настройки. • Вызов предварительной настройки занимает некоторое время. Настройка системы...
Страница 55 - Информация о кроссовере
55 -RU Эти значения являются временной коррекцией для разных динамиков. Настроим эти значения таким образом, чтобы звуковые сигналы других динамиков достигали точки прослушивания одновременно. Таблица значений временных коррекций Информация о кроссовере Кроссовер (X-OVER): Это устройство оснащено ак...
Страница 56 - Нажмите кнопку VISUAL на устройстве.
56 -RU • HPF (фильтр высоких частот): Снижает уровень нижних частот и пропускает более высокие частоты. • LPF (фильтр высоких частот): Снижает уровень высоких частот и пропускает более низкие частоты. • Крутизна характеристики: Изменение уровня (в дБ) для сигналов частоты , отличающейся на одну окта...
Страница 57 - Включение системы навигации; Работа с дополнительным устройством; Навигационная
57 -RU Включение системы навигации (приобретается дополнительно) Если к устройству IVA-W520R подключена приобретаемая отдельно система навигации Alpine, экран навигации можно отобразить на этом устройстве. 1 Коснитесь кнопки [SOURCE] на экране основного источника. На дисплее отобразится экран источн...
Страница 58 - Работа с устройством TUE-T200DVB
58 -RU Работа с устройством TUE-T200DVB (приобретается дополнительно) Применяется при подключении приобретаемого дополнительно устройства TUE-T20 0DVB.При выборе значения DVB-T в разделе “Настройка режима AUX” (стр. 41), источник отображается на экране выбора SOURCE. 1 Во время стоянки автомобиля ко...
Страница 60 - чтобы выбрать требуемый раздел.; Переносной
60 -RU К устройству IVA-W520R через USB-разъем данного устройства можно подключить USB-накопитель или портативный аудиоплеер. При подключении к устройству USB-накопителя, портативного аудиоплеера можно воспроизводить файлы MP3/WMA/AAC с USB-накопителя, а также файлы MP3/ WMA с портативного аудиоплее...
Страница 61 - ] после касания кнопки; Поиск нужной композиции; Выберите требуемого исполнителя.; Поиск по имени исполнителя
61 -RU Воспроизведение в случайном порядке (M.I.X.) Функция Shuffle USB-накопителя или портативного аудиоплеера отображается как M.I.X. на IVA-W520R. В случайном порядке ВСЕ: Все композиции в USB-накопителе/портативном аудиоплеере воспроизводятся в случайном порядке. Ни одна композиция не воспроизво...
Страница 63 - выбрать требуемую композицию.
63 -RU 3 Коснитесь кнопки [ ] или [ ], чтобы выбрать требуемую композицию. В озврат к началу текущей композиции: Коснитесь кнопки [ ] . Перемотка текущей композиции назад: Коснитесь и удерживайте кнопку [ ] . Переход к началу следующей композиции: Коснитесь кнопки [ ] . Перемотка текущей композиции ...
Страница 64 - Функция прямого поиска; Воспроизведение в случайном; Коснитесь кнопки [ALL
64 -RU Функция прямого поиска Функция прямого поиска может использоваться для более эффективного поиска альбомов, композиций и т.д. В режиме PLAYLISTS/ARTISTS/ALBUMS/SONGS/PODCASTS/ GENRES/COMPOSERS/AUDIOBOOKS можно быстро найти любую композицию. Полоса прямого поиска.Прокрутите список по одному стр...
Страница 65 - Информация о дисках DVD
65 -RU Информация о дисках DVD Звуковые компакт-диски и диски DVD имеют бороздки (дорожки), на которых записываются цифровые данные. Данные представлены в виде микроскопических углублений, записанных на дорожке – эти углубления считываются лазерным лучом для воспроизведения диска. На дисках DVD плот...
Страница 66 - DTS; Dolby Pro Logic II; Уровни рейтинга (защита от просмотра детьми)
66 -RU DTS Цифровой формат DTS Sound System для домашнего использования. Высококачественная система звука, разработанная DTS, Inc. для использования в кинотеатрах.DTS имеет шесть независимых звуковых дорожек. Обстановка кинотеатра полностью воспроизводится в домашних и других условиях. DTS является ...
Страница 70 - При возникновении трудностей
70 -RU При возникновении трудностей Основные функции Не функционирует или не работает экран. • Выключено зажигание автомобиля. - Если подключение выполнено по инструкции, устройство не должно работать при выключенном зажигании. • Неверное подключение проводов питания. - Проверьте подключение проводо...
Страница 72 - Индикация для DVD
72 -RU Индикация файлов CD/MP3/WMA/AAC • Не вставлен диск. - Вставьте диск. • Диск вставлен, но на экране отображается сообщение “NO DISC”, а устройство не начинает воспроизведение или выброс диска. - Извлеките диск с помощью следующих действий. Нажмите и удерживайте кнопку не менее 3 секунд. • Ошиб...
Страница 73 - CURRENT ERROR
73 -RU • Попытка настройки DVD при наличии в устройстве диска. - Извлеките диск перед настройкой DVD. • Устройство не поддерживает используемую частоту дискретизации или битрейт. - Используйте частоту дискретизации или битрейт, поддерживаемый данным устройством. Индикация для CD-чейнджера • Из-за вы...
Страница 75 - Технические характеристики; МОНИТОР; CLASS 1
75 -RU Технические характеристики МОНИТОР FM-ТЮНЕР MW-ТЮНЕР LW-ТЮНЕР USB-РАЗЪЕМ CD/DVD СЧИТЫВАНИЕ СИГНАЛА ОБЩИЕ РАЗМЕР КОРПУСА (блок монитора) • Из-за непрерывного совершенствования продукта его технические характеристики и дизайн могут изменяться без предварительного уведомления. • Панель LCD изгот...
Страница 76 - Предупреждение; ВЫПОЛНЯЙТЕ ПРАВИЛЬНЫЕ ПОДКЛЮЧЕНИЯ.; КОЛЕСОМ ИЛИ РЫЧАГОМ ПЕРЕКЛЮЧЕНИЯ СКОРОСТЕЙ.; Осторожно
76 -RU Установка и соединения Чтобы правильно использовать устройство, перед его установкой и подключением ознакомьтесь с информацией из данного руководства, представленной ниже, а также на стр. 7-12. Предупреждение ВЫПОЛНЯЙТЕ ПРАВИЛЬНЫЕ ПОДКЛЮЧЕНИЯ. Неправильное подключение может привести к возгора...
Страница 77 - Установка; Угол установки
77 -RU Установка Предупреждение о выборе места установки 1 Перед установкой убедитесь, что открытие и закрытие дисплея не будет препятствовать перемещению рычага переключения передач. 2 Угол установки Устанавливайте под углом от 0° до 30° по горизонтали. Обратите внимание, что установка под другим у...
Страница 78 - Использование уплотнения; Установка лицевой панели
78 -RU Использование уплотнения П ри установке выбрано положение A. Установите уплотнение, закрыв им монтажные отверстия B и C. При установке выбрано положение B.Установите уплотнение, закрыв им монтажные отверстия A и C. При установке выбрано положение C.Установите уплотнение, закрыв им монтажные о...
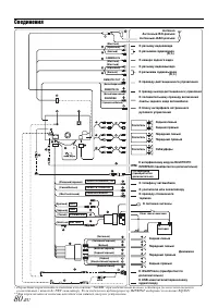
Страница 80 - Соединения
80 -RU Соединения • Переведите переключатель системы в положение “NORM” при подключении только чейнджера (если не используется совместимый с шиной Ai-NET эквалайзер). Если подключен аудиопроцессор IMPRINT, выберите положение EQ/DIV. * 1 Два переключателя системы находятся на нижней стороне устройств...
Страница 82 - ISO-разъем источника питания
82 -RU Вывод батареи (желтый) Подключите этот вывод к положительному (+) полюсу батареи автомобиля. Патрон плавкого предохранителя (10 А) ISO-разъем источника питания ISO-разъем (выход на динамики) Выход на левый задний динамик (+) (зеленый) Выход на левый задний динамик (–) (зеленый/черный) Выход н...
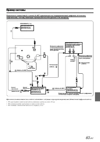
Страница 83 - Пример системы
83 -RU Пример системы Подключите совместимый с шиной Ai-NET аудиопроцессор (поддерживающий цифровое оптическое подключение), систему навигации, проигрыватель DVD-дисков и CD-чейнджер. При использовании оптического кабеля соблюдайте следующие меры предосторожности (Оптический цифровой кабель). • Не с...
Страница 84 - Входной разъем камеры AUX I/O
84 -RU Кабель RGB (поставляется в комплекте с системой навигации) Входной разъем RGB Подключите к выходному разъему RGB системы навигации. Переключатель систем При подключении эквалайзера или делителя через Ai-NET переместите два переключателя в положение EQ/DIV. Если процессор не подключен, оставьт...
Страница 85 - Входной разъем CAMERA; Используется при подключении камеры заднего хода.
85 -RU При подключении внешнего оборудования К разъему аудиовхода Переключатель систем При подключении эквалайзера или делителя через Ai-NET переместите два переключателя в положение EQ/DIV. Если процессор не подключен, оставьте переключатели в положении NORM. • Н е устанавливайте эти два переключат...