Страница 3 - Содержание; РУССКИЙ
3 -RU Содержание РУССКИЙ Руководство по использованию ПРЕДУПРЕЖДЕНИЕ ПРЕДУПРЕЖДЕНИЕ ...................................... 6ОСТОРОЖНО ................................................ 6МЕРЫ ПРЕДОСТОРОЖНОСТИ .................... 6 Приступая к работе Список компонентов ....................................
Страница 4 - Меню SETUP
4 -RU Содержание РУССКИЙ Меню SETUP Настройка .................................................................. 24 Общие настройки .............................................. 24 Воспроизведение данных MP3/WMA/AAC (PLAY MODE) ................................................................24Настр...
Страница 5 - Информация; Установка и соединения
5 -RU Содержание РУССКИЙ USB-накопитель (приобретается дополнительно) Подключение USB-накопителя (приобретается дополнительно) .................... 35 Подключение USB-накопителя к переднему разъему USB ................................. 35Извлеките USB-накопитель из переднего разъема USB ...............
Страница 6 - Руководство по использованию; ПРЕДУПРЕЖДЕНИЕ
6 -RU Руководство по использованию ПРЕДУПРЕЖДЕНИЕ Этот символ обозначает важные инструкции. Их несоблюдение может привести к серьезному телесному повреждению или смерти. НЕ ПРЕДПРИНИМАЙТЕ НИКАКИХ ДЕЙСТВИЙ, КОТОРЫЕ МОГУТ ОТВЛЕЧЬ ВАС ОТ БЕЗОПАСНОГО ВОЖДЕНИЯ АВТОМОБИЛЯ. Любые действия, отвлекающие вн...
Страница 7 - RESET
7 -RU Никогда не пытайтесь выполнить следующие действия Не пытайтесь схватить или вытащить диск, когда он затягивается в проигрыватель механизмом автоматической загрузки.Не пытайтесь вставить диск в устройство при выключенном питании. Вставка дисков За один раз проигрыватель может принять для воспро...
Страница 8 - О носителях, которые можно воспроизводить; ОСТОРОЖНО
8 -RU Об обращении с компакт-дисками (CD/CD-R/CD-RW) • Не касайтесь поверхности.• Не подвергайте диск воздействию прямых солнечных лучей.• Не наклеивайте наклейки или ярлыки.• Чистите диск в случае его запыления.• Убедитесь в отсутствии неровностей на кромках диска.• Не используйте имеющиеся на рынк...
Страница 10 - SOURCE; Выбор источника; SOURCE; Снятие и установка передней панели; Примечания; Приступая к работе; Снятие
10 -RU Список компонентов • Основной блок ........................................................................1• Кабель питания.......................................................................1• Микрофон ................................................................................1• Удл...
Страница 11 - Первоначальный запуск системы; Настройка уровня громкости; Поворотным регулятором; Настройка регулировки подсветки; VIEW
11 -RU Первоначальный запуск системы Обязательно нажимайте переключатель RESET при первоначальном использовании устройства, после замены автомобильного аккумулятора и т.п. 1 Выключите питание устройства. 2 Удалите съемную переднюю панель. 3 Нажмите RESET , используя ручку или подобный остроконечный ...
Страница 12 - Прослушивание радио; Радио
12 -RU Прослушивание радио 1 Нажмите SOURCE , чтобы выбрать режим TUNER. 2 Нажимайте кнопку BAND несколько раз, пока не будет выбран нужный радиодиапазон. F1 (FM1) F2 (FM2) F3 (FM3) MW LW F1 (FM1) 3 Нажмите TUNE A.ME , чтобы выбрать режим настройки. DX SEEK (удаленный режим) SEEK (м...
Страница 13 - Функция поиска частоты; RDS
13 -RU Функция поиска частоты Эта функция позволяет выполнять поиск радиостанции по частоте. 1 Чтобы включить режим поиска радиостанции по частоте, нажмите и удерживайте ENTER не менее 2 секунд в режиме Radio. 2 Поворотным регулятором выберите нужную частоту. 3 Нажмите ENTER , чтобы включить п...
Страница 14 - Режим PI SEEK; Прием информации о трафике
14 -RU Прием региональных (местных) RDS-станций 1 Нажмите и удерживайте кнопку AUDIO SETUP не менее 2 секунд, чтобы включить режим SETUP. 2 Поворотным регулятором выберите режим TUNER, затем нажмите кнопку ENTER . BLUETOOTH GENERAL AUDIO DISPLAY TUNER iPod & USB 3 Поворотным регул...
Страница 16 - Воспроизведение
16 -RU 3 Нажмите и удерживайте FUNC. VIEW в течение не менее 2 секунд, чтобы активировать предустановленный режим в режиме приема FM-радиосигналов. Индикатор выключается. Примечание • Выполняйте операции над устройством, пока горит индикатор . Если за 5 секунд не была выполнена ни одна операци...
Страница 17 - Многократное воспроизведение; Режим поиска имени папки
17 -RU Многократное воспроизведение 1 Нажмите a 4 . Данная композиция будет постоянно воспроизводиться. a *1 a *2 (off ) a *1 Многократно воспроизводит только выбранный фрагмент. *2 Многократно воспроизводит только файлы из выбранной папки. (только режим MP3/WMA/AAC) 2 Чтобы отменить режим м...
Страница 18 - Быстрый поиск; Нажмите и удерживайте нажатой кнопку
18 -RU Быстрый поиск Эта функция позволяет выполнять поиск дорожек (файлов). 1 Нажмите и удерживайте нажатой кнопку ENTER не менее 2 секунд в режиме CD/MP3/WMA/AAC, чтобы активировать режим быстрого поиска (Quick Search). Загорится индикатор “ ”. 2 Поворотным регулятором выберите нужную компози...
Страница 19 - Терминология; Настройка звука
19 -RU Порядок файлов Файлы воспроизводятся в порядке, в каком они были записаны на диск соответствующим программным обеспечением. Поэтому порядок воспроизведения файлов может не соответствовать ожидаемому. О порядке записи см. в документации к соответствующему программному обеспечению. Ниже предста...
Страница 20 - Настройка регулировки нижних частот; Настройка средних частот
20 -RU Настройка звука Устройство можно гибко настроить под свои предпочтения для более удобного использования. В меню AUDIO SETUP можно выполнять настройку звука. 1 Нажмите и удерживайте кнопку AUDIO SETUP не менее 2 секунд, чтобы включить режим SETUP. 2 Поворотным регулятором выберите AUDIO, зат...
Страница 21 - Настройка регулировки высоких частот; Настройка фильтра верхних частот
21 -RU 3 Нажмите кнопку , чтобы вернуться к предыдущему шагу. Настройка диапазона средних частот (WIDTH (Q)) Поворотным регулятором выберите нужную полосу пропускания средних частот. WIDE 0,75 MEDIUM 1,00 MEDIUM 1,25 NARROW 1,50 (начальная настройка) Настройка центральной средней частоты...
Страница 22 - Отображение текста; Нажмите; Настройка сабвуфера; Другие функции
22 -RU Если включен режим сабвуфера (Subwoofer), то для получения желаемого эффекта выберите настройку SYS 1 или SYS 2. Элемент настройки: SUBW SYS Значения: SUBW SYS 1 / SUBW SYS 2 (начальная настройка) SUBW SYS 1: Уровень сигнала сабвуфера меняется в соответствии с главной настройкой уровня гром...
Страница 23 - Использование входного разъема AUX; Нажмите кнопку; Об отображении индикаторов; О текстовом “режиме”
23 -RU При отображении текстовой информации в зависимости от режима загораются следующие индикаторы. *1 Содержимое тегаЕсли тег не содержит информацию, на экране отображается “ARTIST”/“ALBUM”/“SONG”. *2 Корневая папка отображается как “\ROOT”. *3 Если отсутствует текстовая информация (название диска...
Страница 24 - Настройка; Настройка режима AUX SETUP; Общие настройки
24 -RU Настройка Устройство можно гибко настроить под свои предпочтения для более удобного использования. В меню SETUP можно изменить настройки GENERAL, настройки DISPLAY и т.д. 1 Нажмите и удерживайте кнопку AUDIO SETUP не менее 2 секунд, чтобы включить режим SETUP. 2 Поворотным регулятором выбер...
Страница 25 - Настройка режима AUX MIX
25 -RU Настройка уровня AUX (AUX GAIN) После присвоения этому параметру значение ON в режиме “Настройка режима AUX SETUP” он становится доступным для настройки. Элемент настройки: AUX GAIN Значения: LOW (начальная настройка) / HIGH LOW: Снижает уровень входного аудиосигнала от внешнего устройства....
Страница 26 - Режим Демо; Изменение цвета подсветки; Настройка прокрутки текста; Настройка режима поиска USB; Настройка отображения
26 -RU OFF: Примечание • Звук от системы не поступает, если выходной сигнал отключен (OFF). Режим Демо В этом устройстве имеется функция демонстрационного режима. Элемент настройки: DEMO Значения: DEMO ON / DEMO OFF (начальная настройка) Примечание • Чтобы выйти из демонстрационного режима, выбери...
Страница 27 - Настройка функции пропуска USB; Настройка источника vTuner; Настройка громкости vTuner; Настройка перед использованием; О технологии BLUETOOTH
27 -RU Настройка функции пропуска USB При поиске с помощью (FILE NAME) можно пропускать определенные папки/файлы, нажимая . Например, если выбрать 10FILE в режиме поиска с помощью (FILE NAME) и нажать кнопку , можно пропустить следующие 10 папок/файлов в текущей папке/файле; если нажать кноп...
Страница 28 - НАСТРОЙКА BLUETOOTH
28 -RU Перед использованием функции BLUETOOTH необходимо выполнить следующие настройки. Установите для параметра “HFP” или “AUDIO” значение ON, если требуется использовать функцию телефона “Свободные руки” или BT Audio. См. в разделе “Настройка соединения BLUETOOTH (BT IN)” на стр. 29. Примечание • ...
Страница 29 - выберите нужное; выберите в списке “Device; Настройка устройства BLUETOOTH
29 -RU Используя технологию BLUETOOTH, можно осуществить вызов по мобильному телефону с поддержкой BLUETOOTH в режиме “Свободные руки”.Звуковыми функциями мобильного телефона с поддержкой BLUETOOTH, переносного аудиоплеера и т.д. можно управлять на расстоянии с помощью данного устройства без использ...
Страница 30 - Настройка языка меню BLUETOOTH
30 -RU Настройка уровня громкости (VOL LV ADJ) Можно увеличить или уменьшить звук телефона, звук звонка и вход микрофона в соответствии со своими предпочтениями. Значения: PHONE TALK: -5 дБ ~ +5 дБ RING TONE: -5 дБ ~ +5 дБ MIC GAIN: -5 дБ ~ +5 дБ Настройка автоматического режима звука (AUTO SET) В з...
Страница 31 - Функция телефона “Свободные руки”; Выбор динамика для вывода сигнала
31 -RU Отобразится название поставщика услуг подключенного устройства с поддержкой BLUETOOTH. Если устройство с поддержкой BLUETOOTH не подключено, отобразится индикация “ID UNSENT”. Элемент настройки: SEV NAME Примечание • Названия некоторых поставщиков услуг телефонной связи отобразить не удастс...
Страница 32 - Голосовой набор номера; Вызов
32 -RU В журнал вызовов записываются последние набранные/принятые/пропущенные номера (80 записей для каждого типа звонков). Существует несколько способов осуществления вызова на основе функции “Вызов”. Действия 1 - 5 являются общими для различных способов осуществления этих вызовов. Подробную информ...
Страница 33 - Набор номера из журнала входящих вызовов; Набор номера из телефонной книги; Функция ожидания вызова
33 -RU Повторный набор номера из журнала исходящих вызовов Набранные телефонные номера хранятся в журнале исходящих вызовов. Можно найти номер в журнале исходящих вызовов и выполнить его повторный набор. Элемент настройки: DIALLED Набор номера из журнала входящих вызовов Телефонные номера принятых...
Страница 34 - кнопок предварительной; Использование BLUETOOTH Audio; Операция переключения вызовов
34 -RU В качестве быстрого набора назначьте номера, на которые часто отправляются вызовы. Можно назначить до шести быстрых номеров. Выберите номер, который будет предустановлен, в списке меню телефона (ТЕЛЕФОННАЯ КНИГА, НАБРАННЫЕ и т.д.). Нажмите и удерживайте в течение не менее 2 секунд любую из кн...
Страница 35 - Откройте крышку разъема USB.; Пауза
35 -RU Нажмите . Воспроизведение будет остановлено. Чтобы возобновить воспроизведение, нажмите кнопку еще раз. Подключение USB-накопителя (приобретается дополнительно) Если устройство USB-накопителя подключено к устройству, можно воспроизводить файлы MP3/WMA/AAC. Примечание • Если в режиме “Настро...
Страница 37 - Поиск нужной композиции; Поиск по имени исполнителя; Поиск по информации тегов
37 -RU Поиск нужной композиции Можно выбрать поиск композиции по информации тегов или с помощью режима (FILE NAME). Перед поиском композиции выберите требуемый режим поиска, описанный в разделе “Настройка режима поиска USB” (см. в разделе “Настройка режима поиска USB” на стр. 26). Перед выполнением ...
Страница 39 - Поиск по памяти
39 -RU Функция поиска по алфавиту (только для режима поиска по тегам) Ниже описана процедура быстрого поиска исполнителя, альбома и т. п. по первой букве имени или названия. 1 В режиме поиска по тегам нажмите или для включения функции поиска по алфавиту. 2 Поворотным регулятором , кнопкой или ...
Страница 40 - Настройка управления iPod
40 -RU iPod classic (120 ГБ): версия 2.0.1iPod touch (1-е поколение): версия 3.1.3iPod nano (3-е поколение): версия 1.1.3iPod classic (80 ГБ, 160 ГБ): версия 1.1.2iPod nano (2-е поколение): версия 1.1.3 • Гарантируется совместимость с устройствами Made for iPhone (сделано для iPhone). Правильная раб...
Страница 41 - Функция прямого поиска; Функция поиска по алфавиту
41 -RU Примечания • Эта функция не будет работать, если iPod выбран в разделе “Настройка управления iPod” (см. в разделе “Настройка управления iPod” на стр. 40). • Если нажать и удерживать кнопку ENTER не менее 2 секунд в любой иерархии (кроме SONG и AUDIOBOOK), начнется воспроизведение всех комп...
Страница 42 - Нажмите 5
42 -RU 3 Поворотным регулятором выберите нужный элемент (начальной буквой которого является “M”), а затем нажмите кнопку ENTER . Будет выполнен поиск данного элемента. Примечания • Функция поиска по алфавиту подходит только для символов английского алфавита. • Если в режиме поиска по алфавиту наж...
Страница 43 - Прослушивание vTuner; Переход к избранной радиостанции; Поиск нужной радиостанции
43 -RU vTuner — ваш проводник в мир потокового мультимедийного содержимого в Интернете. Платформа vTuner связывает телефон iPhone, который подключен к Интернету, с безграничными ресурсами потоковой музыки, радиопередач и т. д. Примечания • Некоторые функции приложения vTuner для iPhone или iPod touc...
Страница 44 - Изменение экрана; При возникновении трудностей; Основные функции
44 -RU 2 Поворотным регулятором выберите пункт “FAVORITES”, а затем нажмите кнопку /ENTER . Режим поиска “FAVORITES” будет активирован, и отобразится список названий сохраненных радиостанций. При этом загорится индикатор . 3 Поворотным регулятором выберите нужную радиостанцию, затем нажмите кноп...
Страница 45 - Звук; UNSUPPORT
45 -RU Не удается вставить компакт-диск. • Компакт-диск уже вставлен в CD-плеер. – Извлеките компакт-диск и утилизируйте его. • Компакт-диск вставлен неправильно. – Убедитесь в том, что компакт-диск вставлен в соответствии с инструкциями из раздела “Эксплуатация CD-плеера”. Невозможно выполнить пере...
Страница 46 - Индикатор USB-накопителя; Индикаторы в режиме iPod; UPDATING
46 -RU • Ошибка базы данных или декодера. – Проблему можно решить переключением источника. • Ошибка связи или загрузки и т.д. – Проблему можно решить переключением накопителя с флэш-памятью или сменой источника. • На USB-устройство с флеш-памятью подается ток несоответствующего номинального значения...
Страница 47 - Режим BLUETOOTH; SEE DEVICE
47 -RU • Приложение vTuner установлено впервые.• Радиостанция, для которой выполняется восстановление воспроизведения, удалена из устройства iPhone.– Выберите другую радиостанцию. • Не удается воспроизвести музыку, поскольку для работы совместимого приложения vTuner для устройства iPhone необходимо ...
Страница 48 - Технические характеристики; CLASS 1
48 -RU Технические характеристики FM-ТЮНЕР MW-ТЮНЕР LW-ТЮНЕР CD-ПЛЕЕР РАЗДЕЛ USB * Частотная характеристика может отличаться в зависимости от программного обеспечения устройства кодирования / скорости передачи битов. СЧИТЫВАНИЕ СИГНАЛА РАЗДЕЛ BLUETOOTH ОБЩИЕ РАЗМЕР КОРПУСА РАЗМЕР ПЕРЕДНЕЙ ПАНЕЛИ При...
Страница 49 - ВЫПОЛНЯЙТЕ ПРАВИЛЬНЫЕ ПОДКЛЮЧЕНИЯ.
49 -RU Установка и соединения Чтобы правильно использовать устройство, прочитайте следующие разделы и см. в разделе “Руководство по использованию” на стр. 6 для получения информации о надлежащем использовании. ПРЕДУПРЕЖДЕНИЕ ВЫПОЛНЯЙТЕ ПРАВИЛЬНЫЕ ПОДКЛЮЧЕНИЯ. Неправильное подключение может привест...
Страница 50 - МЕРЫ ПРЕДОСТОРОЖНОСТИ; Установка
50 -RU МЕРЫ ПРЕДОСТОРОЖНОСТИ • Обязательно отсоедините кабель от отрицательного (–) полюса аккумулятора перед установкой устройства CDE-135BT. Это сводит к минимуму вероятность повреждения устройства в случае короткого замыкания. • Провода с цветовой кодировкой должны подключаться в соответствии с...
Страница 51 - Удалите съемную переднюю панель.; Подключение к переднему разъему USB; Откройте крышку терминала USB.; Удаление
51 -RU 3 Вставьте устройство CDE-135BT в приборную панель. После установки устройства убедитесь в том, что стопорные штифты целиком сидят в нижнем положении. Для этого сильно нажмите на устройство, одновременно толкая стопорный штифт вниз с помощью маленькой отвертки. Это гарантирует правильную фикс...
Страница 52 - Подключение к заднему разъему USB; Подключите USB-накопитель; Установка микрофона
52 -RU Подключение к заднему разъему USB Подсоедините USB-кабель к заднему USB-разъему устройства, а затем закрепите соединение с помощью прилагаемой к USB-кабелю коробки замка, как показано ниже. Примечания • С помощью данного устройства можно заряжать iPod/iPhone при выборе в качестве текущего ист...
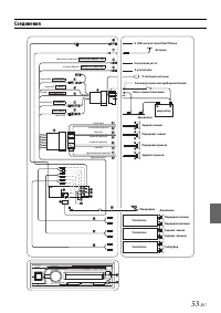
Страница 53 - Соединения
53 -RU Соединения AUDIO INTERRUPT IN REMOTE TURN-ON IGNITION GND POWER ANT DIMMER BATTERY Антенна К USB-накопител ю /iPod/iPhone Микрофон (розо в ый/черный) Не исполь з уется (синий/белый) К усилител ю К выво д у по д светки приборной панели (красный) К питани ю антенны (черный) Кл ю ч з амка з ажиг...
Страница 54 - Declaration of Conformity
54 -RU About the Rules of Bluetooth Electromagnetic Radiation Regulation Declaration of Conformity Антенный разъем Не используется Вывод удаленного включения (синий/белый) Подключите этот вывод к выводу удаленного включения усилителя или процессора сигналов. Переключаемый вывод питания (зажи...