Вытяжки Faber VEIL TIBETIAN - инструкция пользователя по применению, эксплуатации и установке на русском языке. Мы надеемся, она поможет вам решить возникшие у вас вопросы при эксплуатации техники.
Если остались вопросы, задайте их в комментариях после инструкции.
"Загружаем инструкцию", означает, что нужно подождать пока файл загрузится и можно будет его читать онлайн. Некоторые инструкции очень большие и время их появления зависит от вашей скорости интернета.

SI
9
99
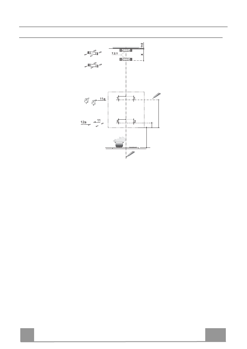
NAMESTITEV
Vrtanje stene in pritrditev nosilcev
650
455
75
240 240
200 200
Na steni za
č
rtajte:
• navpi
č
no
č
rto do stropa ali do zgornje meje, do sredine obmo
č
ja, ki je predvideno za
montažo nape;
• vodoravno
č
rto najmanj 650 mm nad kuhališ
č
em;
• 455 mm nad vodoravno referen
č
no
č
rto in 240 mm desno od navpi
č
ne referen
č
ne
č
rte
ozna
č
ite referen
č
no to
č
ko, kot je navedeno.
• Ta postopek ponovite za nasprotno stran in preverite poravnavo.
• Izvrtajte luknjo premera ø 12 mm na ozna
č
enih to
č
kah.
• V luknje vstavite vložke z vijakom in nosilcem
11a
ter privijte.
• 75 mm nad vodoravno referen
č
no
č
rto in 200 mm desno od navpi
č
ne referen
č
ne
č
rte
ozna
č
ite referen
č
no to
č
ko, kot je navedeno.
• Ta postopek ponovite za nasprotno stran in preverite poravnavo.
• Izvrtajte luknjo premera ø 8 mm na ozna
č
enih to
č
kah.
• V luknje vstavite vložke
11
.
• Nosilec
7.2.1
namestite, kot je navedeno, 1–2 mm od stropa ali zgornje meje, tako da je njegovo
središ
č
e (zareze) poravnano z navpi
č
no referen
č
no
č
rto.
• Ozna
č
ite središ
č
a lukenj nosilca.
• Nosilec
7.2.1
namestite, kot je navedeno, X mm pod prvim nosilcem (X = višina dobavljenega
zgornjega kamina), tako da je njegovo središ
č
e (zareze) poravnano z navpi
č
no referen
č
no
č
rto.
• Ozna
č
ite središ
č
a lukenj nosilca.
• Izvrtajte luknjo premera ø 8 mm na ozna
č
enih to
č
kah.
• V luknje vstavite vložke
11
.
• Nosilce pritrdite s priloženimi vijaki
12a
(4,2 x 44,4).
Характеристики
Остались вопросы?Не нашли свой ответ в руководстве или возникли другие проблемы? Задайте свой вопрос в форме ниже с подробным описанием вашей ситуации, чтобы другие люди и специалисты смогли дать на него ответ. Если вы знаете как решить проблему другого человека, пожалуйста, подскажите ему :)