Вытяжки Faber VEIL TIBETIAN - инструкция пользователя по применению, эксплуатации и установке на русском языке. Мы надеемся, она поможет вам решить возникшие у вас вопросы при эксплуатации техники.
Если остались вопросы, задайте их в комментариях после инструкции.
"Загружаем инструкцию", означает, что нужно подождать пока файл загрузится и можно будет его читать онлайн. Некоторые инструкции очень большие и время их появления зависит от вашей скорости интернета.

GR
6
63
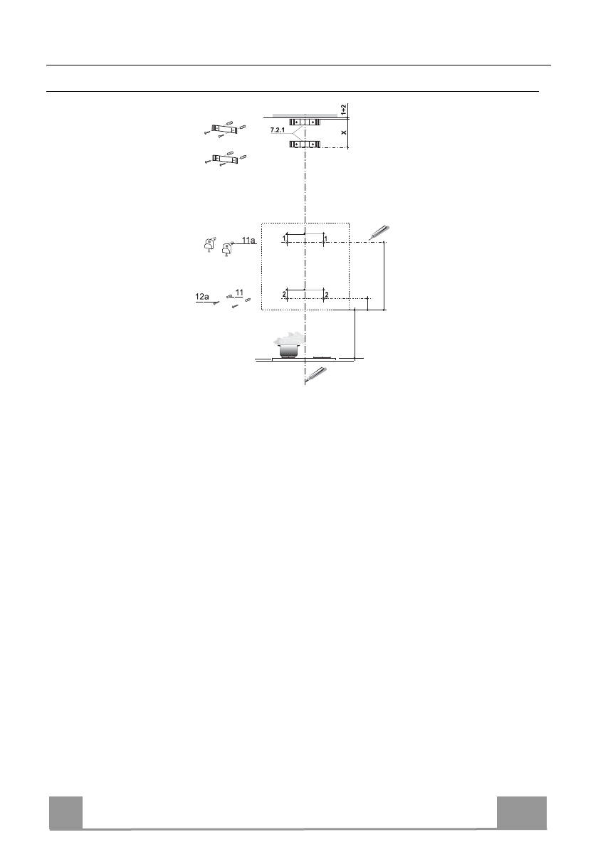
ΕΓΚΑΤΑΣΤΑΣΗ
Διάτρηση
τοίχου
και
στερέωση
στηριγμάτων
650
455
75
240 240
200 200
Χαράξτε
στον
τοίχο
:
•
μία
κατακόρυφη
γραμμή
ως
την
οροφή
ή
έως
το
ανώτερο
σημείο
,
στο
κέντρο
της
ζώνης
που
προορί
-
ζεται
για
την
εγκατάσταση
του
απορροφητήρα
.
•
μια
οριζόντια
γραμμή
σε
: 650 mm min.
πάνω
από
την
επιφάνεια
των
εστιών
.
•
Σημειώστε
όπως
στην
εικόνα
ένα
σημείο
αναφοράς
σε
απόσταση
455 mm
πάνω
από
την
οριζόντια
γραμμή
αναφοράς
και
σε
απόσταση
240 mm
στα
δεξιά
της
κατακόρυφης
γραμμής
αναφοράς
.
•
Επαναλάβετε
αυτή
την
ενέργεια
από
την
αντίθετη
πλευρά
και
ελέγξτε
το
αλφάδιασμα
.
•
Ανοίξτε
οπές
Φ
12 mm
στα
σημεία
αυτά
.
•
Τοποθετήστε
τα
ούπα
με
τη
βίδα
και
το
στήριγμα
11a
στις
οπές
και
βιδώστε
.
•
Σημειώστε
όπως
στην
εικόνα
ένα
σημείο
αναφοράς
σε
απόσταση
75 mm
πάνω
από
την
οριζόντια
γραμμή
αναφοράς
και
σε
απόσταση
200 mm
στα
δεξιά
της
κατακόρυφης
γραμμής
αναφοράς
.
•
Επαναλάβετε
αυτή
την
ενέργεια
από
την
αντίθετη
πλευρά
και
ελέγξτε
το
αλφάδιασμα
.
•
Ανοίξτε
οπές
Φ
8 mm
στα
σημεία
αυτά
.
•
Τοποθετήστε
τα
ούπα
11
στις
οπές
.
•
Τοποθετήστε
το
στήριγμα
όπως
στην
εικ
.
7.2.1
σε
απόσταση
1-2 mm
από
την
οροφή
ή
από
το
ανώτερο
ση
-
μείο
,
ευθυγραμμίζοντας
το
κέντρο
του
(
εγκοπές
)
με
την
κατακόρυφη
γραμμή
αναφοράς
.
•
Σημειώστε
τα
κέντρα
των
οπών
του
στηρίγματος
.
•
Τοποθετήστε
το
στήριγμα
όπως
στην
εικ
.
7.2.1
σε
απόσταση
X mm
κάτω
από
το
πρώτο
στήριγμα
(X =
ύψος
πάνω
καμινάδας
του
εξοπλισμού
),
ευθυγραμμίζοντας
το
κέντρο
του
(
εγκοπές
)
με
την
κατακόρυφη
γραμμή
αναφοράς
.
•
Σημειώστε
τα
κέντρα
των
οπών
του
στηρίγματος
.
•
Ανοίξτε
οπές
Φ
8 mm
στα
σημεία
αυτά
.
•
Τοποθετήστε
τα
ούπα
11
στις
οπές
.
•
Στερεώστε
τα
στηρίγματα
χρησιμοποιώντας
τις
βίδες
12a
(4,2 x 44,4)
του
εξοπλισμού
.
Характеристики
Остались вопросы?Не нашли свой ответ в руководстве или возникли другие проблемы? Задайте свой вопрос в форме ниже с подробным описанием вашей ситуации, чтобы другие люди и специалисты смогли дать на него ответ. Если вы знаете как решить проблему другого человека, пожалуйста, подскажите ему :)