Вытяжки Faber VEIL TIBETIAN - инструкция пользователя по применению, эксплуатации и установке на русском языке. Мы надеемся, она поможет вам решить возникшие у вас вопросы при эксплуатации техники.
Если остались вопросы, задайте их в комментариях после инструкции.
"Загружаем инструкцию", означает, что нужно подождать пока файл загрузится и можно будет его читать онлайн. Некоторые инструкции очень большие и время их появления зависит от вашей скорости интернета.

EN
1
18
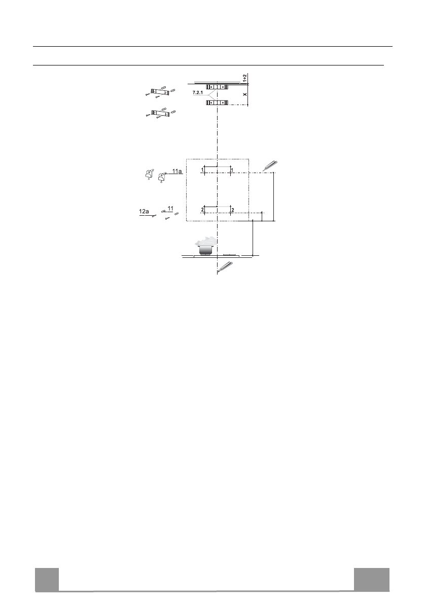
INSTALLATION
Drilling the Wall and Fixing the Brackets
650
455
75
240 240
200 200
Draw the following on the Wall:
• a Vertical line up to the ceiling or top surface, at the centre of the area in which the Hood is
to be fitted;
• a Horizontal line: 650 mm min. above the Hob;
• As shown in the drawing, mark a reference point 455 mm above the reference horizontal
line, and at a distance of 240 mm to the right of the vertical reference line.
• Repeat this operation on the other side, checking to ensure it is level.
• Drill the points marked using a ø 12 mm drill bit.
• Insert the wall plugs with screw and bracket
11a
into the holes, tighten.
• As shown in the drawing, mark a reference point 75 mm above the reference horizontal line,
and at a distance of 200 mm to the right of the vertical reference line.
• Repeat this operation on the other side, checking to ensure it is level.
• Drill the points marked using a ø 8 mm drill bit.
• Insert the plugs
11
into the holes.
• Rest the Bracket
7.2.1
as indicated, 1-2 mm from the ceiling or surface above the hood, aligning
its centre (grooves) with the vertical reference line.
• Mark the centres of the holes in the bracket.
• Rest the Bracket
7.2.1
as indicated, X mm under the first bracket (X = height of the Upper
chimney provided), aligning its centre (grooves) with the vertical reference line.
• Mark the centres of the holes in the bracket.
• Drill the points marked using a ø 8 mm drill bit.
• Insert the plugs
11
into the holes.
• Fix the brackets using the screws
12a
(4.2 x 44.4 ) provided.
Характеристики
Остались вопросы?Не нашли свой ответ в руководстве или возникли другие проблемы? Задайте свой вопрос в форме ниже с подробным описанием вашей ситуации, чтобы другие люди и специалисты смогли дать на него ответ. Если вы знаете как решить проблему другого человека, пожалуйста, подскажите ему :)