Вытяжки Faber VEIL TIBETIAN - инструкция пользователя по применению, эксплуатации и установке на русском языке. Мы надеемся, она поможет вам решить возникшие у вас вопросы при эксплуатации техники.
Если остались вопросы, задайте их в комментариях после инструкции.
"Загружаем инструкцию", означает, что нужно подождать пока файл загрузится и можно будет его читать онлайн. Некоторые инструкции очень большие и время их появления зависит от вашей скорости интернета.

CZ
1
126
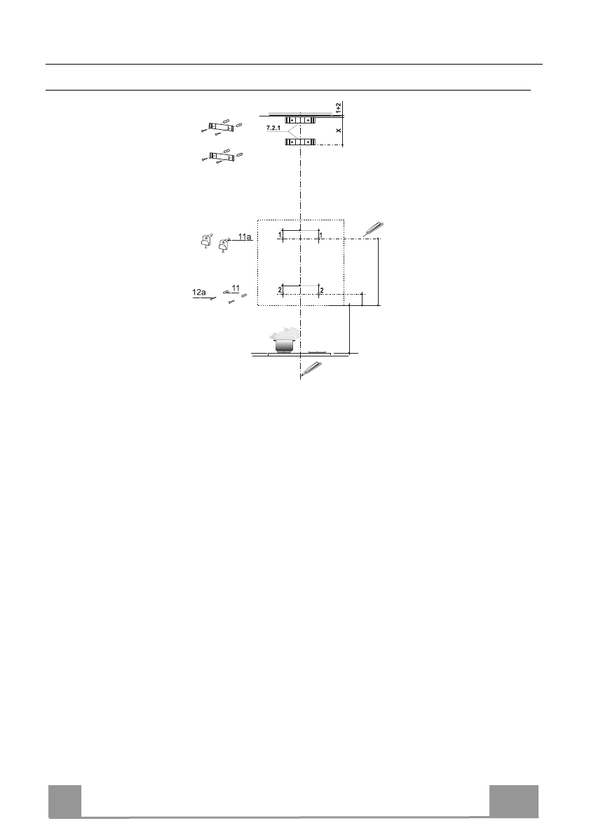
INSTALACE
Vyvrtání st
ě
ny a upevn
ě
ní konzol
650
455
75
240 240
200 200
Na st
ě
n
ě
vyzna
č
te:
• svislou
č
áru až ke stropu nebo k horní ploše uprost
ř
ed prostoru plánovaného pro montáž digesto
ř
e;
• vodorovnou
č
áru minimáln
ě
650 mm nad varnou deskou;
• Vyzna
č
te, jak je ozna
č
eno, orienta
č
ní bod ve vzdálenosti 455 mm nad vodorovnou orienta
č
ní
č
áru a
240 mm vpravo od svislé orienta
č
ní
č
áry.
• Zopakujte stejný postup na opa
č
né stran
ě
a zkontrolujte vyrovnání.
• Vyvrtejte ø 12 mm v ozna
č
ených bodech.
• Do otvor
ů
vložte hmoždinky se šroubem a konzolu
11a
a zašroubujte.
• Vyzna
č
te, jak je ozna
č
eno, orienta
č
ní bod ve vzdálenosti 75 mm nad vodorovnou orienta
č
ní
č
áru a 200
mm vpravo od svislé orienta
č
ní
č
áry.
• Zopakujte stejný postup na opa
č
né stran
ě
a zkontrolujte vyrovnání.
• Vyvrtejte ø 8 mm v ozna
č
ených bodech.
• Do otvor
ů
vložte hmoždinky 11.
•
Umíst
ě
te, jak je ozna
č
eno, konzolu
7.2.1
do vzdálenosti 1-2 mm od stropu nebo od horní plochy a
vyrovnejte její st
ř
ed (zá
ř
ezy) podle svislé orienta
č
ní
č
áry.
• Ozna
č
te st
ř
edy otvor
ů
konzoly.
• Umíst
ě
te, jak je ozna
č
eno, konzolu
7.2.1
do vzdálenosti X mm pod první konzolu (X = výška horního
komínu, který je sou
č
ástí vybavení) a vyrovnejte její st
ř
ed (zá
ř
ezy) podle svislé orienta
č
ní
č
áry.
• Ozna
č
te st
ř
edy otvor
ů
konzoly.
• Vyvrtejte ø 8 mm v ozna
č
ených bodech.
• Do otvor
ů
zasu
ň
te hmoždinky
11
.
• Upevn
ě
te konzoly pomocí šroub
ů
12a
(4,2 x 44,4 ), které jsou sou
č
ástí vybavení.
Характеристики
Остались вопросы?Не нашли свой ответ в руководстве или возникли другие проблемы? Задайте свой вопрос в форме ниже с подробным описанием вашей ситуации, чтобы другие люди и специалисты смогли дать на него ответ. Если вы знаете как решить проблему другого человека, пожалуйста, подскажите ему :)