Вытяжки Faber VEIL TIBETIAN - инструкция пользователя по применению, эксплуатации и установке на русском языке. Мы надеемся, она поможет вам решить возникшие у вас вопросы при эксплуатации техники.
Если остались вопросы, задайте их в комментариях после инструкции.
"Загружаем инструкцию", означает, что нужно подождать пока файл загрузится и можно будет его читать онлайн. Некоторые инструкции очень большие и время их появления зависит от вашей скорости интернета.

DE
2
27
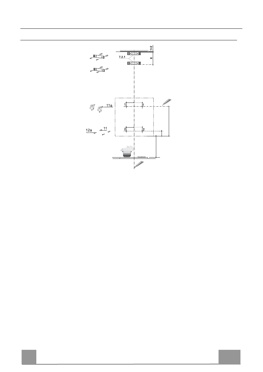
MONTAGE
Bohren der Wand und Befestigung der Bügel
650
455
75
240 240
200 200
An der Wand folgendes anzeichnen:
• eine senkrechte Linie bis zur Decke oder zur oberen Kante in der Mitte des Installationsbereichs der Hau-
be,
• eine horizontale Linie an: min. 650 mm oberhalb der Kochfläche;
• Wie angegeben, 455 mm oberhalb der waagrechten Bezugslinie, am 240 mm rechts von der senkrechten
Bezugslinie einen Punkt markieren.
• Diesen Vorgang an der gegenüberliegenden Seite wiederholen und die Nivellierung überprüfen.
• Die markierten Punkte mit einem Bohrer ø 12 mm bohren.
• Die Dübel mit Schraube und Bügel
11a
in die Bohrlöcher einsetzen und festschrauben.
• Wie angegeben, 75 mm oberhalb der waagrechten Bezugslinie, am 200 mm rechts von der senkrechten
Bezugslinie einen Punkt markieren.
• Diesen Vorgang an der gegenüberliegenden Seite wiederholen und die Nivellierung überprüfen.
• Die markierten Punkte mit einem Bohrer ø 8 mm bohren.
• Die Dübel
11
in die Bohrlöcher einsetzen.
• Den Bügel
7.2.1
wie angegeben an 1-2 mm von der Decke oder von der oberen Kante anlegen, wobei sei-
ne Mitte (Kerben) mit der vertikalen Referenzlinie gefluchtet wird.
• Die Mitte der Löcher des Bügels markieren.
• Den Bügel
7.2.1
wie angegeben X mm unterhalb des ersten Bügels anlegen (X = Höhe des mitgelieferten
oberen Kaminteils), wobei seine Mitte (Kerben) mit der vertikalen Referenzlinie gefluchtet wird.
• Die Mitte der Löcher des Bügels markieren.
• Die markierten Punkte mit einem Bohrer ø 8 mm bohren.
• Die Dübel 11 in die Bohrungen einfügen.
• Die Bügel mit den mitgelieferten Schrauben
12a
(4,2 x 44,4) fixieren.
Характеристики
Остались вопросы?Не нашли свой ответ в руководстве или возникли другие проблемы? Задайте свой вопрос в форме ниже с подробным описанием вашей ситуации, чтобы другие люди и специалисты смогли дать на него ответ. Если вы знаете как решить проблему другого человека, пожалуйста, подскажите ему :)