Вытяжки Faber VEIL TIBETIAN - инструкция пользователя по применению, эксплуатации и установке на русском языке. Мы надеемся, она поможет вам решить возникшие у вас вопросы при эксплуатации техники.
Если остались вопросы, задайте их в комментариях после инструкции.
"Загружаем инструкцию", означает, что нужно подождать пока файл загрузится и можно будет его читать онлайн. Некоторые инструкции очень большие и время их появления зависит от вашей скорости интернета.

DK
8
81
INSTALLATION
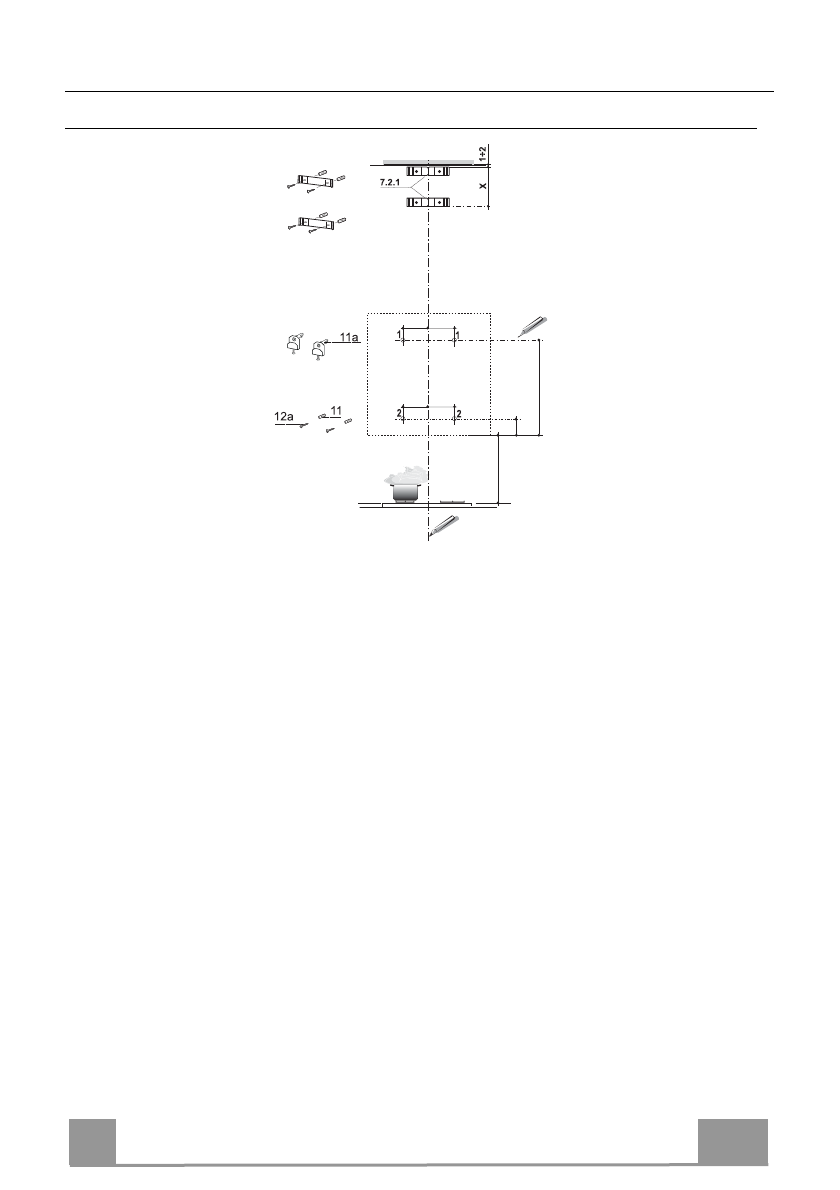
Boring i væg og fastgørelse af beslag
650
455
75
240 240
200 200
På væggen skal der afmærkes:
• en lodret linje op til loftet eller den øverste grænse, i midten af emhættens
monteringsområde;
• en vandret linje mindst 650 mm over kogepladen.
• Afmærk som vist en reference 455 mm over den vandrette referencelinje, 240 mm til højre
for den lodrette referencelinje.
• Gør det samme på den anden side, og kontrollér nivelleringen.
• Bor Ø 12 mm huller på de afmærkede steder.
• Sæt forankringerne med skrue og beslag
11a
i hullerne, og skru dem til.
• Afmærk som vist en reference 75 mm over den vandrette referencelinje, 200 mm til højre
for den lodrette referencelinje.
• Gør det samme på den anden side, og kontrollér nivelleringen.
• Bor Ø 8 mm huller på de afmærkede steder.
• Sæt forankringerne
11
i hullerne.
• Placér beslaget
7.2.1
som vist, dvs. 1-2 mm fra loftet eller den øverste grænse. Sørg for, at
beslagets midte (indskæringer) flugter med den lodrette referencelinje.
• Afmærk midten af hullerne i beslaget.
• Placér beslaget
7.2.1
som vist, dvs. X mm under det første beslag (X = højden på det øverste
aftræk, der følger med). Sørg for, at beslagets midte (indskæringer) flugter med den lodrette
referencelinje.
• Afmærk midten af hullerne i beslaget.
• Bor Ø 8 mm huller på de afmærkede steder.
• Sæt forankringerne
11
i hullerne.
• Fastgør beslagene ved hjælp af de medfølgende skruer
12a
(4,2 x 44,4).
Характеристики
Остались вопросы?Не нашли свой ответ в руководстве или возникли другие проблемы? Задайте свой вопрос в форме ниже с подробным описанием вашей ситуации, чтобы другие люди и специалисты смогли дать на него ответ. Если вы знаете как решить проблему другого человека, пожалуйста, подскажите ему :)