Водонагреватели Stiebel Eltron HDB E 18 Si - инструкция пользователя по применению, эксплуатации и установке на русском языке. Мы надеемся, она поможет вам решить возникшие у вас вопросы при эксплуатации техники.
Если остались вопросы, задайте их в комментариях после инструкции.
"Загружаем инструкцию", означает, что нужно подождать пока файл загрузится и можно будет его читать онлайн. Некоторые инструкции очень большие и время их появления зависит от вашей скорости интернета.

76
| HDB-E Si
www.stiebel-eltron.com
МОНТАЖ
Техобслуживание
14. Техобслуживание
ПРЕДУПРЕЖДЕНИЕ поражение электрическим
током
При любых работах необходимо полное отклю-
чение прибора от сети!
Опорожнение прибора
Для проведения работ по техобслуживанию или для за-
щиты от замерзания пользователь может выполнить опо-
рожнение прибора.
ОСТОРОЖНО Опасность ошпаривания
При сливе воды из прибора может вытекать го-
рячая вода.
f
Закрыть запорный вентиль в трубопроводе подачи
холодной воды.
f
Открыть все раздаточные вентили.
f
Отсоединить трубопроводы подачи воды от прибора.
f
Хранить демонтированный прибор также в отапли-
ваемом помещении, поскольку в приборе всегда на-
ходятся остатки воды, которые могут замерзнуть и
повредить его.
15. Технические характеристики
15.1 Размеры и соединения
b02
c01
c06
470
100
414
40
117
20
225
140
35
368
30
338
47
b03
35
D
00000
23
60
9
b02 Ввод для электрических проводов I
b03 Ввод для электрических проводов II
c01 Подвод холодной воды
Наружная резьба
G 1/2 A
c06 Выпуск. труба горячей воды
Наружная резьба
G 1/2 A
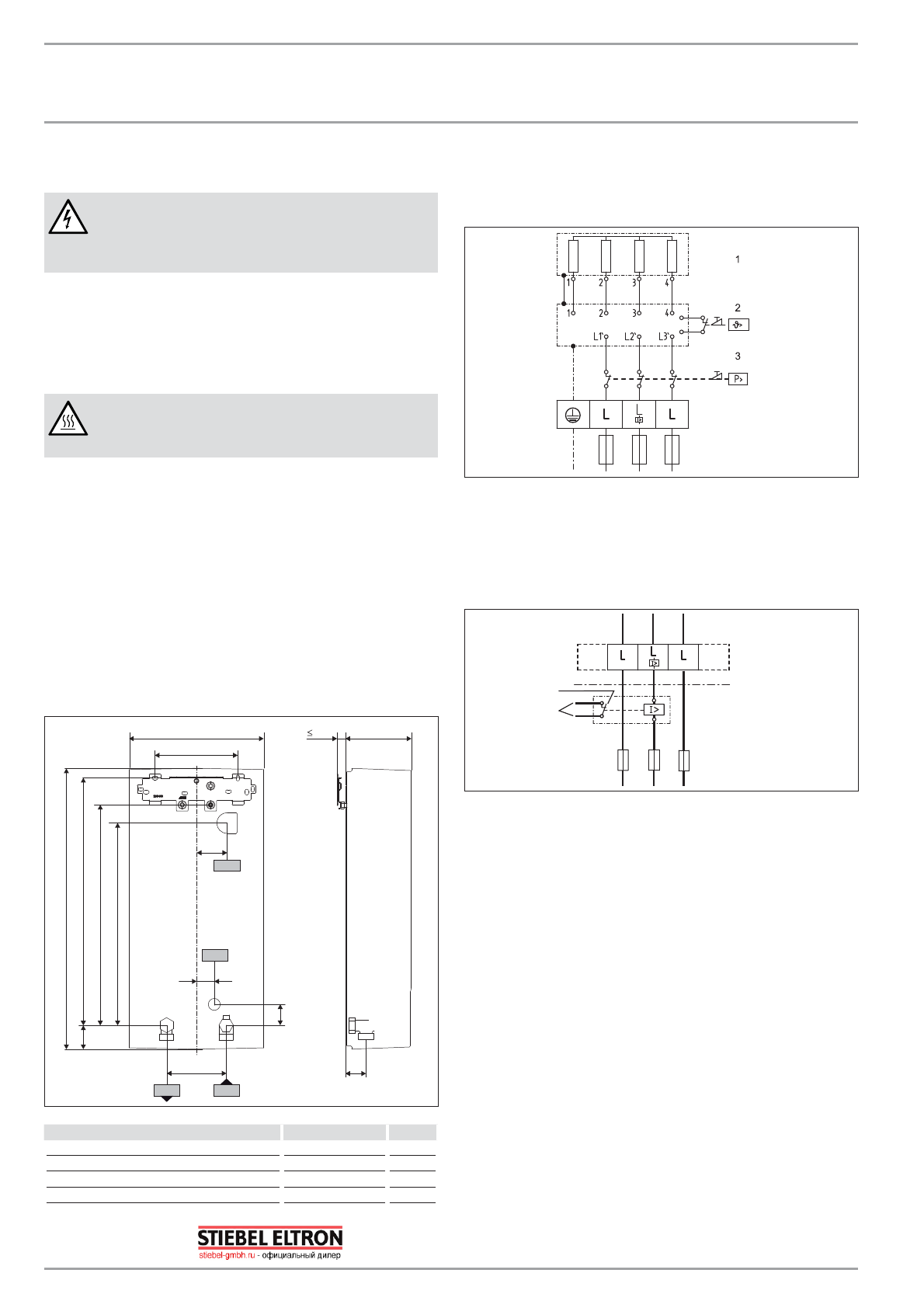
15.2 Электрическая схема
3 фазн./защ.пров. ~ 380 - 415 В
85
_0
2_
02_
00
05
1 Нагревательная система с голым электродом
2 Предохранительный ограничитель температуры
3 Предохранительный ограничитель давления
Приоритетная схема с реле сброска нагрузки (LR 1-A)
см. также главу «Описание устройства / принадлежности»
85
_0
2_0
2_0
00
3_
2
1
1 Линия цепи управления к контактору 2-го прибора (на-
пример, электрический бойлер).
2 Управляющий контакт, размыкает при включении про-
точного водонагревателя.
15.3 Объем смешанной воды / объем
расхода
Значения приведены для номинального напряжения 400 В.
Объем смешанной воды на выходе зависит от существу-
ющего свободного напора и фактически подаваемого на-
пряжения.
Эффективная температура около 38 °C для душа, умываль-
ника, ванны и проч.
www.stiebel-gmbh.ru • info@stiebel-gmbh.ru • +7 (495) 565-34-82
г. Москва, Каширский проезд, д. 17, строение 5
Содержание
- 2 Управление; Указания по технике безопасности
- 3 Техника безопасности
- 4 обслуживание
- 5 МОНТАЖ; Техника безопасности; Общие указания по технике; Подготовительные
- 6 Заводские настройки
- 9 Завершить монтаж
- 11 Ввод в эксплуатацию; Первый ввод в эксплуатацию
- 12 Повторный ввод в эксплуатацию; Вывод из эксплуатации
- 13 Возможные варианты индикации
- 14 Технические характеристики; Размеры и соединения
- 15 Рабочие диапазоны; Возможные неисправности
- 16 Таблица параметров
- 17 ГАРАНТИЯ | ЗАЩИТА ОКРУЖАЮЩЕЙ СРЕДЫ И УТИЛИЗАЦИЯ; Гарантия