Водонагреватели Protherm WH B100Z 1165 - инструкция пользователя по применению, эксплуатации и установке на русском языке. Мы надеемся, она поможет вам решить возникшие у вас вопросы при эксплуатации техники.
Если остались вопросы, задайте их в комментариях после инструкции.
"Загружаем инструкцию", означает, что нужно подождать пока файл загрузится и можно будет его читать онлайн. Некоторые инструкции очень большие и время их появления зависит от вашей скорости интернета.

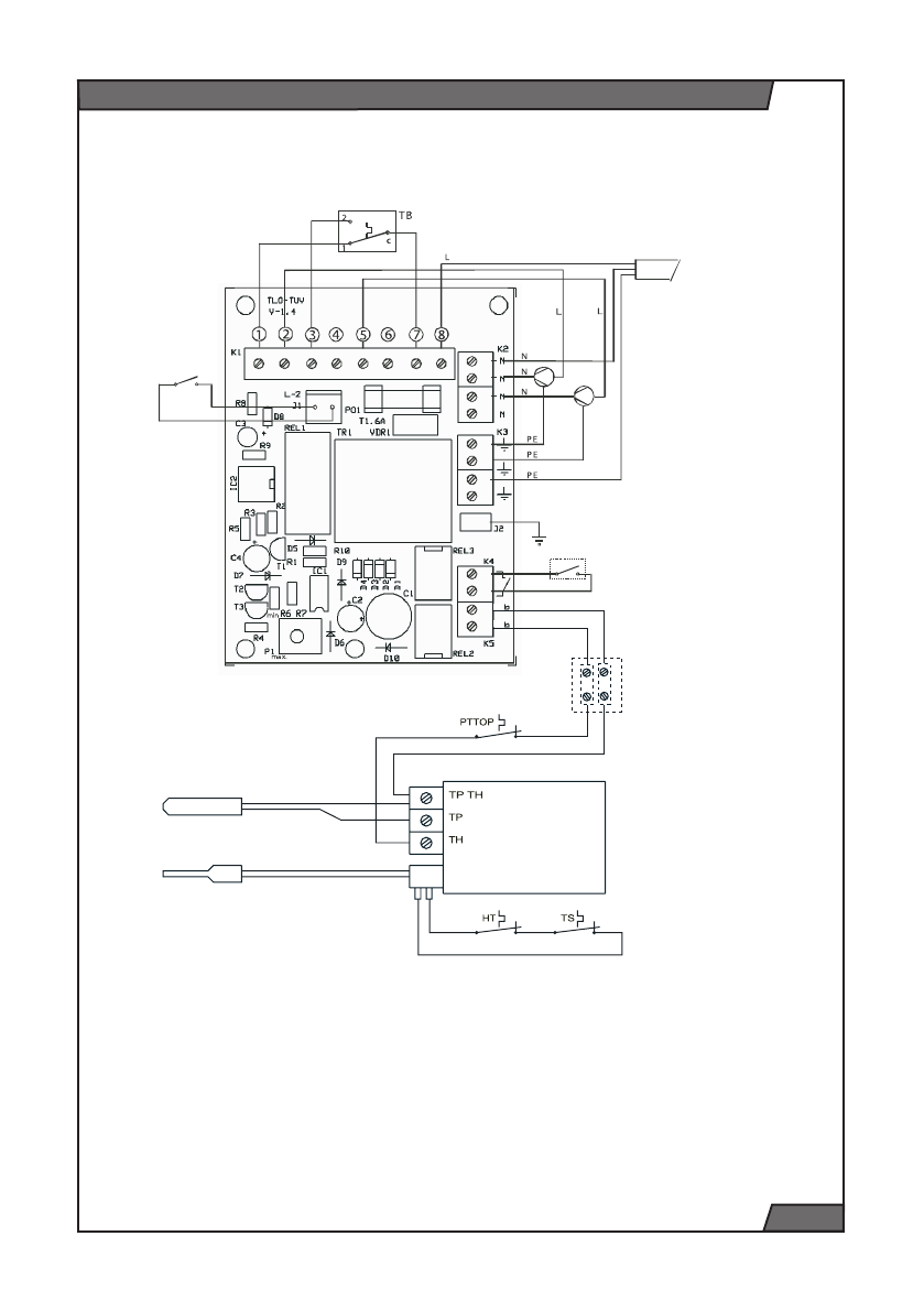
7
Электрическая схема подключения с помощью питающего насоса
рис
. 5
CB
насос водонагревателя
C.VV
насос системы отопления
TB
термостат водонагревателя
PE
защитный провод / заземление
N
„нулевой“ провод
L
фазовый провод
заземляющий провод (входит
в комплект поставки)
Сетевой кабель
230 В / 50 Гц
комнатный термостат с
позолоченными контактами
переключатель
„Зима / Лето“
термоэлемент 2
прежнее место
установки комнатного
термостата
PTTOP
рабочий термостат котла
HT
аварийный термостат
TS
термостат дымовых газов
термоэлемент 1

