Варочная панель AEG HC452600EB - инструкция пользователя по применению, эксплуатации и установке на русском языке. Мы надеемся, она поможет вам решить возникшие у вас вопросы при эксплуатации техники.
Если остались вопросы, задайте их в комментариях после инструкции.
"Загружаем инструкцию", означает, что нужно подождать пока файл загрузится и можно будет его читать онлайн. Некоторые инструкции очень большие и время их появления зависит от вашей скорости интернета.

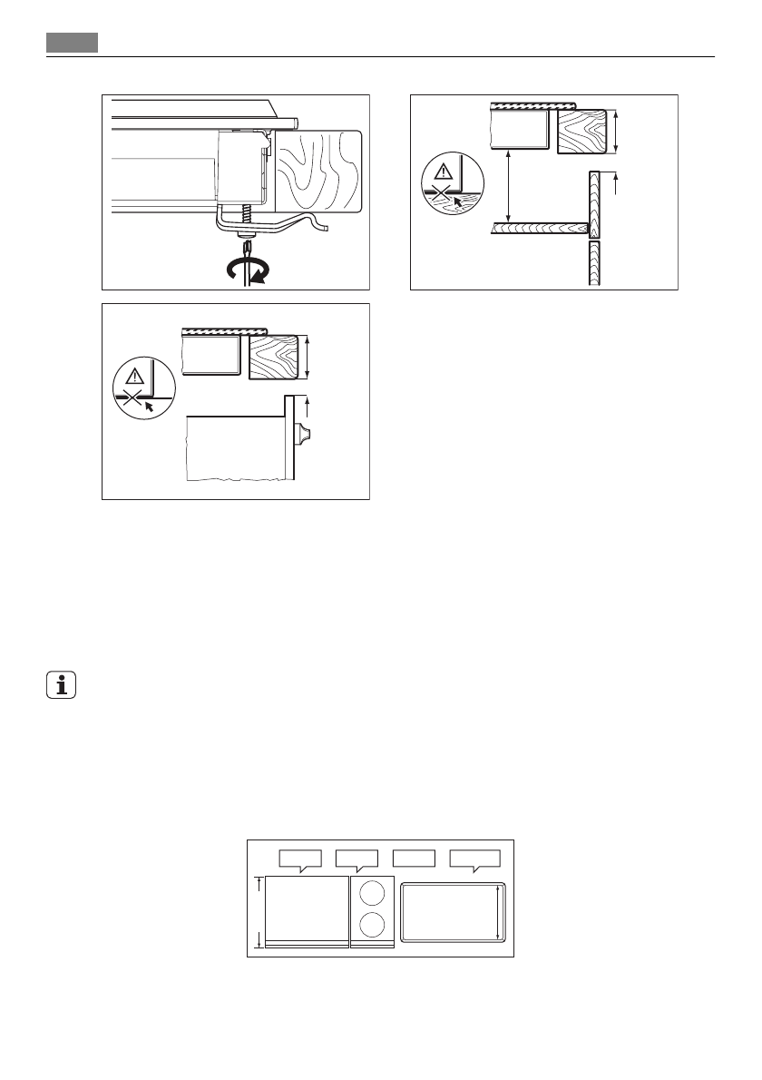
min.
25 mm
min.
5 mm
min.
20 mm
min.
5 mm
min.
38 mm
• Wype
ł
ni
ć
sylikonem szczelin
ę
mi
ę
dzy blatem roboczym a p
ł
yt
ą
ceramiczn
ą
.
• Zwil
ż
y
ć
silikon wod
ą
z myd
ł
em.
• Usun
ąć
nadmiar sylikonu za pomoc
ą
skrobaka.
Instalacja wi
ę
cej ni
ż
jednego urz
ą
dzenia
Dodatkowe cz
ęś
ci:
poprzeczka/poprzeczki po
łą
czeniowe, silikon
ż
aroodporny, kszta
ł
tow-
nik gumowy, ta
ś
ma uszczelniaj
ą
ca.
U
ż
ywa
ć
wy
łą
cznie silikonu
ż
aroodpornego.
Wyci
ę
cie w blacie kuchennym
Odleg
ł
o
ść
od
ś
ciany: minimum 50 mm
G
łę
boko
ść
: 490 mm
Szeroko
ść
: zsumowa
ć
szeroko
ś
ci wszystkich wbudowywanych urz
ą
dze
ń
i odj
ąć
20 mm
(wi
ę
cej informacji mo
ż
na znale
źć
w rozdziale „Przegl
ą
d szeroko
ś
ci urz
ą
dze
ń
”)
Przyk
ł
ad:
580 mm
520 mm
490 mm
360 mm
+
-
=
20 mm
920 mm
Instalacja wi
ę
cej ni
ż
jednego urz
ą
dzenia
1. Zaznaczy
ć
wymiar wyci
ę
cia w blacie i wyci
ąć
.
44
Instrukcje instalacji
Характеристики
Остались вопросы?Не нашли свой ответ в руководстве или возникли другие проблемы? Задайте свой вопрос в форме ниже с подробным описанием вашей ситуации, чтобы другие люди и специалисты смогли дать на него ответ. Если вы знаете как решить проблему другого человека, пожалуйста, подскажите ему :)