Сварочное оборудование Сварог MIG 500 (N388) - инструкция пользователя по применению, эксплуатации и установке на русском языке. Мы надеемся, она поможет вам решить возникшие у вас вопросы при эксплуатации техники.
Если остались вопросы, задайте их в комментариях после инструкции.
"Загружаем инструкцию", означает, что нужно подождать пока файл загрузится и можно будет его читать онлайн. Некоторые инструкции очень большие и время их появления зависит от вашей скорости интернета.
Загружаем инструкцию

22
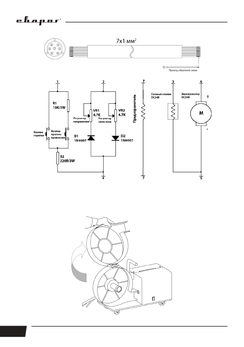
Рис. 8.7. Схема кабеля управления.
8.4. УСТАНОВКА КАТУШКИ С ПРОВОЛОКОЙ
4.
Откройте защитный кожух сварочной проволоки (См. рис. 8.8).
Рис. 8.8. Открытие дверцы защитного кожуха.
Содержание
- 5 пользованием оборудования.; ОБРАТИТЬ ВНИМАНИЕ! Особенности, требующие повышенного внимания; ДЕКЛАРАЦИЯ СООТВЕТСТВИЯ
- 8 подзарядки батарей или аккумуляторов, запуска двигателей.; МЕРЫ БЕЗОПАСНОСТИ ПРИ ПРОВЕДЕНИИ СВАРОЧНЫХ РАБОТ
- 9 МЕРЫ БЕЗОПАСНОСТИ ПРИ РАБОТЕ С ГАЗОВЫМИ БАЛЛОНАМИ
- 11 ВНИМАНИЕ! Несмотря на защиту корпуса аппарата от попадания влаги,
- 12 ТЕХНИЧЕСКИЕ ХАРАКТЕРИСТИКИ; Наименование параметра
- 13 На рисунке 6.1 показан вид источника питания спереди и сзади.
- 14 На рисунке 6.2 показан вид подающего устройства спереди и сзади.
- 15 ОПИСАНИЕ ФУНКЦИОНИРОВАНИЯ; На рисунке 7.1 показана передняя панель источника питания.
- 16 Synergy
- 23 Механизм подачи проволоки показан на рисунке 8.11.
- 24 ПОРЯДОК ЗАПРАВКИ СВАРОЧНОЙ ПРОВОЛОКИ
- 28 чески в зависимости от выбранной силы тока.; сти от типа свариваемого металла.
- 29 длины сварочного шва.; Заварка кратера работает в режиме 4Т.; мости от толщины свариваемого металла.
- 32 ДЛЯ MIG/MAG и FCAW СВАРКИ; проволока – горелка подсоединена в разъём «-».
- 33 ВНИМАНИЕ! Данные рекомендации носят ознакомительный характер.
- 35 РАСХОДНЫЕ МАТЕРИАЛЫ ДЛЯ СВАРОЧНЫХ ГОРЕЛОК
- 36 ходимо заменить на тефлоновый.; СМЕНА СТАЛЬНОГО НАПРАВЛЯЮЩЕГО КАНАЛА; Стальной канал для проволоки 1,2 – 1,6 мм
- 37 Канал поставляется с запасом по длине.
- 39 УСИЛИЕ ЗАЖАТИЯ СВАРОЧНОЙ ПРОВОЛОКИ; Перед заправкой проволоки в горелку необходимо убедиться, что:
- 40 Выбор усилия зажатия сварочной проволоки показан на рисунке 9.7.
- 42 ВЛИЯНИЕ ВЫЛЕТА ПРОВОЛОКИ НА ФОРМУ СВАРОЧНОГО ШВА
- 47 ВЫБОР СВАРОЧНОЙ ПРОВОЛОКИ И РЕЖИМОВ СВАРКИ; ставу основного металла.
- 48 Данные рекомендации носят ознакомительный характер.
- 49 розеток и выход из строя источника питания.
- 50 НАСТРОЙКА ИСТОЧНИКА ПИТАНИЯ ДЛЯ ММА СВАРКИ
- 52 ПАМЯТКА ПЕРЕД НАЧАЛОМ РАБОТЫ ДЛЯ ММА СВАРКИ; стве случаев электрододержатель подсоединяется в разъём «+».
- 53 ОБЩИЕ РЕКОМЕНДАЦИИ ДЛЯ ММА СВАРКИ; • касанием электрода впритык и отведением его вверх
- 55 рекомендуется применять при сварке покрытыми электродами на ма-; ВЛИЯНИЕ ДЛИНЫ ДУГИ И УГЛА НАКЛОНА ЭЛЕКТРОДА
- 57 дуги вплоть до частых кратковременных замыканий.
- 60 При сварке на постоянном токе также следует учитывать эффект; электромагнитного; электрододержателя и обратный кабель.; Если необходимо увеличить их длину, увеличивайте также и сечения; пользования кабелей 3 – 5 метровой длины.
- 62 ВЫБОР ПОКРЫТОГО ЭЛЕКТРОДА И РЕЖИМОВ СВАРКИ; ла при сварке в нижнем положении показана в таблице 11.2.
- 63 ПОДГОТОВКА АППАРАТА К РАБОТЕ ДЛЯ СТРОЖКИ
- 65 ВЫБОР РАЗДЕЛКИ КРОМОК СВАРИВАЕМОГО МЕТАЛЛА
- 69 – кратчайшее расстояние от поверхности одной из свариваемых
- 70 ПРОБЛЕМЫ И ИХ РЕШЕНИЯ ДЛЯ MIG/MAG И MMA СВАРКИ
- 74 КОНТРОЛЬ КАЧЕСТВА СВАРНОГО СОЕДИНЕНИЯ; собами, не прибегая к лабораторным испытаниям.
- 75 ПРОВЕРКА СОЕДИНЕНИЯ С ПОМОЩЬЮ МАКРОШЛИФОВ; Состав для травления:
- 77 ТЕХНИЧЕСКОЕ ОБСЛУЖИВАНИЕ; сти. Специалисты должны иметь допуски к проведению таких работ.; Периодичность; Общие рекомендации
- 78 УСТРАНЕНИЕ НЕПОЛАДОК; ВНИМАНИЕ! Ремонт данного сварочного оборудования в случае его; Неисправность
- 80 Для MMA
- 81 СИМВОЛЫ И СОКРАЩЕНИЯ; Обозначение
- 82 «Меры безопасности» данного руководства.
Характеристики
Остались вопросы?Не нашли свой ответ в руководстве или возникли другие проблемы? Задайте свой вопрос в форме ниже с подробным описанием вашей ситуации, чтобы другие люди и специалисты смогли дать на него ответ. Если вы знаете как решить проблему другого человека, пожалуйста, подскажите ему :)
Часто задаваемые вопросы
Как посмотреть инструкцию к Сварог MIG 500 (N388)?
Необходимо подождать полной загрузки инструкции в сером окне на данной странице
Руководство на русском языке?
Все наши руководства представлены на русском языке или схематично, поэтому вы без труда сможете разобраться с вашей моделью
Как скопировать текст из PDF?
Чтобы скопировать текст со страницы инструкции воспользуйтесь вкладкой "HTML"