Системы видеонаблюдения Samsung SCC-641P - инструкция пользователя по применению, эксплуатации и установке на русском языке. Мы надеемся, она поможет вам решить возникшие у вас вопросы при эксплуатации техники.
Если остались вопросы, задайте их в комментариях после инструкции.
"Загружаем инструкцию", означает, что нужно подождать пока файл загрузится и можно будет его читать онлайн. Некоторые инструкции очень большие и время их появления зависит от вашей скорости интернета.

RU
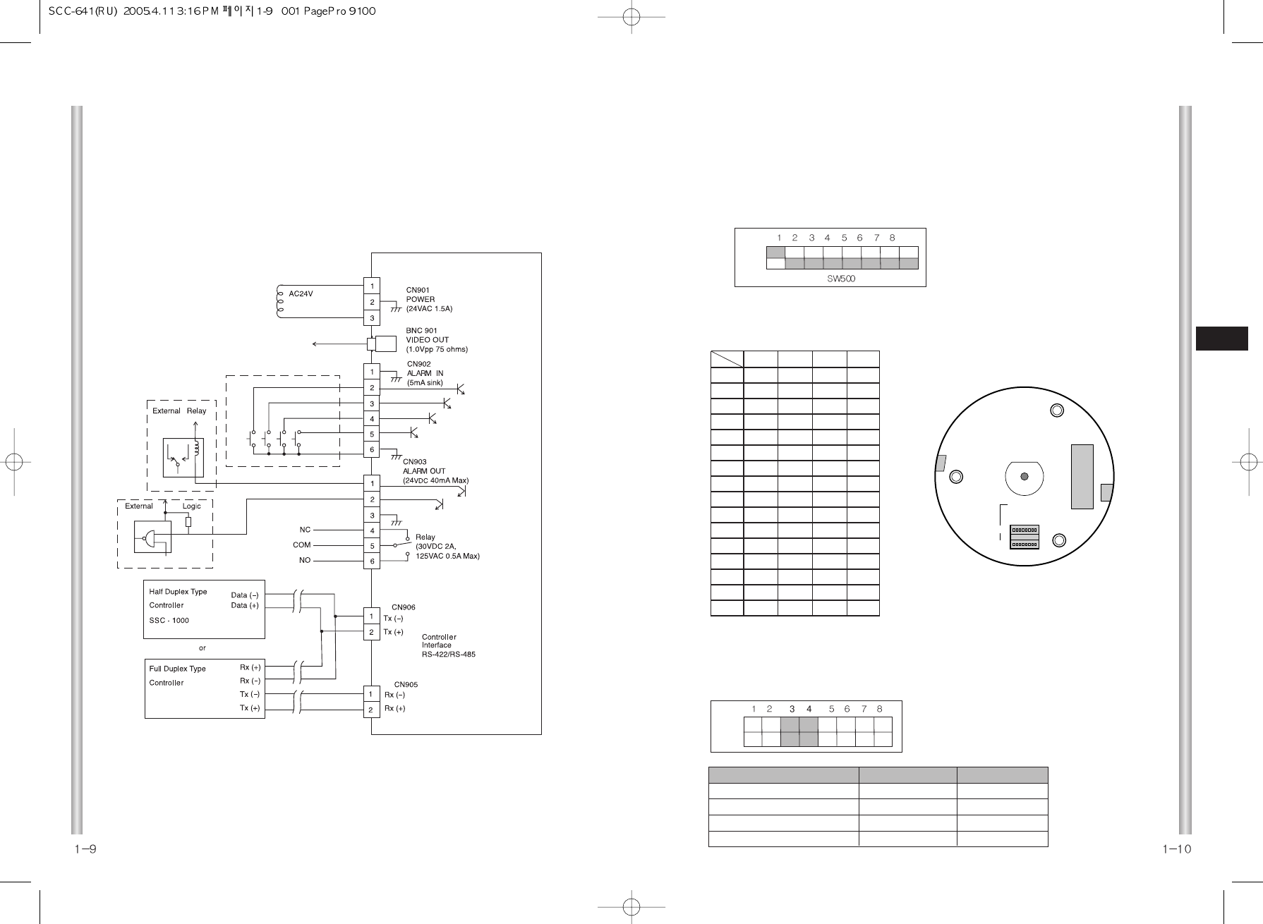
œŒƒKÀfi◊≈Õ»fl K œÀ¿“≈ œ≈–≈’ŒƒÕ»K¿
œÎ‡Ú‡ ÔÂÂıÓ‰ÌË͇ ‚ˉÂÓ͇ÏÂ˚ SCC-641(P)
»—’ŒƒÕ¤≈ ”—“¿ÕŒ¬K»
”ÒÚ‡Ìӂ͇ ‡‰ÂÒ‡ ‚ˉÂÓ͇ÏÂ˚
¿‰ÂÒ ‚ˉÂÓ͇ÏÂ˚ ÛÒڇ̇‚ÎË‚‡ÂÚÒˇ Ò ÔÓÏÓ˘¸˛ ·ÎÓ͇ DIP-
ÔÂÂÍβ˜‡ÚÂΡ, Í‡Í ÔÓ͇Á‡ÌÓ ‚ Ô‰ÒÚ‡‚ÎÂÌÌÓÏ ÌËÊ ÔËÏÂÂ.
œËÏÂ: ¿‰ÂÒ
“
1
”
‰Îˇ ‚ˉÂÓ͇ÏÂ˚ ÛÒڇ̇‚ÎË‚‡ÂÚÒˇ, Í‡Í ÔÓ͇Á‡ÌÓ Ì‡
Ô‰ÒÚ‡‚ÎÂÌÌÓÏ ÌËÊ ËÒÛÌÍÂ.
”ÒÚ‡Ìӂ͇ ÔÓÚÓÍÓ· Ò‚ˇÁË
ƒÎˇ ÛÒÚ‡ÌÓ‚ÍË ÔÓÚÓÍÓ· Ò‚ˇÁË ËÒÔÓθÁÛ˛ÚÒˇ ÔÂÂÍβ˜‡ÚÂÎË 5-8 ·ÎÓ͇
ÔÂÂÍβ˜‡ÚÂÎÂÈ SW501
”ÒÚ‡Ìӂ͇ ÒÍÓÓÒÚË Ô‰‡˜Ë ‰‡ÌÌ˚ı
ƒÎˇ ÛÒÚ‡ÌÓ‚ÍË ÒÍÓÓÒÚË Ô‰‡˜Ë ‰‡ÌÌ˚ı ËÒÔÓθÁÛ˛ÚÒˇ ÔÂÂÍβ˜‡ÚÂÎË
3 Ë 4 ·ÎÓ͇ ÔÂÂÍβ˜‡ÚÂÎÂÈ SW501
ON
OFF
ON
OFF
—KŒ–Œ—“‹ œ≈–≈ƒ¿◊» ƒ¿ÕÕ¤’
4800 ·ËÚ/Ò
9600 ·ËÚ/Ò
19200 ·ËÚ/Ò
38400 ·ËÚ/Ò
œ≈–≈KÀ. 3
ON
OFF
ON
OFF
œ≈–≈KÀ. 4
ON
ON
OFF
OFF
¿ : SAMSUNG (SSC-1000) œŒÀ”ƒ”œÀ≈K—
B : SAMSUNG (SSC-1000) ƒ”œÀ≈K—
PIN5
PIN6
PIN7
PIN8
A
OFF
OFF
OFF
OFF
B
ON
OFF
OFF
OFF
C
OFF
ON
OFF
OFF
D
ON
ON
OFF
OFF
E
OFF
OFF
ON
OFF
F
ON
OFF
ON
OFF
G
OFF
ON
ON
OFF
H
ON
ON
ON
OFF
I
OFF
OFF
OFF
ON
J
ON
OFF
OFF
ON
K
OFF
ON
OFF
ON
L
ON
ON
OFF
ON
M
OFF
OFF
ON
ON
N
ON
OFF
ON
ON
O
OFF
ON
ON
ON
P
ON
ON
ON
ON
PIN
Comp
SW501
SW500
SEE INSTRUCTIN MANUAL
(¬»ƒ —Õ»«”)
—Ã. –”KŒ¬Œƒ—“¬Œ