Ресанта ТЗ-6С 67/6/3 - Инструкция по эксплуатации

Ресанта ТЗ-6С 67/6/3

Обогреватель Ресанта ТЗ-6С 67/6/3 - инструкция пользователя по применению, эксплуатации и установке на русском языке. Мы надеемся, она поможет вам решить возникшие у вас вопросы при эксплуатации техники.

Если остались дополнительные вопросы — свяжитесь с нами через контактную форму.

1 Страница 1
2 Страница 2
3 Страница 3
4 Страница 4
5 Страница 5
6 Страница 6
7 Страница 7
8 Страница 8
9 Страница 9
10 Страница 10
11 Страница 11
12 Страница 12
13 Страница 13
14 Страница 14
15 Страница 15
16 Страница 16
17 Страница 17
18 Страница 18
19 Страница 19
20 Страница 20
21 Страница 21
Страница: / 21

Содержание:

  • Страница 3 – СОДЕРЖАНИЕ
  • Страница 5 – ТРЕБОВАНИЯ БЕЗОПАСНОСТИ
  • Страница 6 – ТЕХНИЧЕСКИЕ ХАРАКТЕРИСТИКИ; Технические характеристики; КОМПЛЕКТНОСТЬ
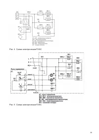
  • Страница 7 – ПОДГОТОВКА К РАБОТЕ; требованиями настоящего Руководства.; Модель завесы; Работы по установке пульта производить до подключения завесы
  • Страница 8 – ПОРЯДОК РАБОТЫ; Для работы завесы в режиме нагрева «1» (1/2 тепловой мощности завесы)
  • Страница 10 – котором она установлена.; ТЕХНИЧЕСКОЕ ОБСЛУЖИВАНИЕ; специального технического обслуживания.; ТРАНСПОРТИРОВАНИЕ И ХРАНЕНИЕ; После транспортирования или хранения завесы при отрицательных
  • Страница 11 – ВОЗМОЖНЫЕ НЕИСПРАВНОСТИ И МЕТОДЫ ИХ УСТРАНЕНИЯ; Характер неисправности
  • Страница 18 – лет, при условии соблюдения правил эксплуатации.; ГАРАНТИЙНЫЕ ОБЯЗАТЕЛЬСТВА; на чистку и периодическое техническое обслуживание.
  • Страница 19 – ГАРАНТИЙНЫЙ ТАЛОН; полной комплектации. Претензий к внешнему виду не имею.
Загрузка инструкции

ТЕПЛОВАЯ ЗАВЕСА НТ-610, НТ-915

0



















































"Загрузка инструкции" означает, что нужно подождать пока файл загрузится и можно будет его читать онлайн. Некоторые инструкции очень большие и время их появления зависит от вашей скорости интернета.

Краткое содержание

Страница 3 - СОДЕРЖАНИЕ

ТЕПЛОВАЯ ЗАВЕСА НТ-610, НТ-915 2 СОДЕРЖАНИЕ 1. ОБЩИЕ УКАЗАНИЯ ............................................................................................................................................................. 3 2. ТРЕБОВАНИЯ БЕЗОПАСНОСТИ ......................................................

Страница 5 - ТРЕБОВАНИЯ БЕЗОПАСНОСТИ

ТЕПЛОВАЯ ЗАВЕСА НТ-610, НТ-915 4 2. ТРЕБОВАНИЯ БЕЗОПАСНОСТИ 2.1. При эксплуатации завесы соблюдайте общие правила безопасности при пользовании электроприборами. Используйте завесу только по назначению, так как указано в настоящем Руководстве. 2.2. Любое использование прибора в целях, непредусмотренн...

Страница 6 - ТЕХНИЧЕСКИЕ ХАРАКТЕРИСТИКИ; Технические характеристики; КОМПЛЕКТНОСТЬ

ТЕПЛОВАЯ ЗАВЕСА НТ-610, НТ-915 5 3. ТЕХНИЧЕСКИЕ ХАРАКТЕРИСТИКИ 3.1 Технические характеристики указаны в таблице 1. Таблица 1. Технические характеристики Модель ТЗ-3С ТЗ-5С ТЗ-6С Номинальное напряжение, В 220-230 220-230 220-230 Номинальная частота, Гц 50 50 50 Потребляемая мощность , кВт Режим 1 Реж...

Характеристики

Другие модели - Обогреватели Ресанта

Все обогреватели Ресанта