Ресанта ИКО-2000T 67/5/6 - Инструкция по эксплуатации

Ресанта ИКО-2000T 67/5/6

Обогреватель Ресанта ИКО-2000T 67/5/6 - инструкция пользователя по применению, эксплуатации и установке на русском языке. Мы надеемся, она поможет вам решить возникшие у вас вопросы при эксплуатации техники.

Если остались дополнительные вопросы — свяжитесь с нами через контактную форму.

1 Страница 1
2 Страница 2
3 Страница 3
4 Страница 4
5 Страница 5
6 Страница 6
7 Страница 7
8 Страница 8
9 Страница 9
10 Страница 10
11 Страница 11
12 Страница 12
13 Страница 13
14 Страница 14
15 Страница 15
16 Страница 16
17 Страница 17
18 Страница 18
19 Страница 19
20 Страница 20
Страница: / 20

Содержание:

  • Страница 3 – СОДЕРЖАНИЕ
  • Страница 4 – ПРАВИЛА БЕЗОПАСНОСТИ
  • Страница 5 – УСТРОЙСТВО ИНФРАКРАСНОГО ОБОГРЕВАТЕЛЯ; Несущая конструкция состоит из корпуса,
  • Страница 6 – ТЕХНИЧЕСКИЕ ХАРАКТЕРИСТИКИ
  • Страница 7 – КОМПЛЕКТАЦИЯ; ПОДГОТОВКА К РАБОТЕ
  • Страница 8 – Для комфортного пребывания людей в жилых, офисных и рабочих; * При длительном нахождении в зоне обогрева.
  • Страница 9 – ПОДКЛЮЧЕНИЕ ОБОГРЕВАТЕЛЕЙ; через клеммную колодку.
  • Страница 11 – Инфракрасный обогреватель ИКО-1000Т; ЭКСПЛУАТАЦИЯ ПРИБОРА; излучать инфракрасные лучи и обогревать предметы и тела.; УХОД И ОБСЛУЖИВАНИЕ; в настоящем руководстве.
  • Страница 12 – СРОК ЭКСПЛУАТАЦИИ; ТРАНСПОРТИРОВКА И ХРАНЕНИЕ; ПРАВИЛА УТИЛИЗАЦИИ
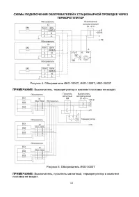
  • Страница 13 – СЕРТИФИКАЦИЯ; СХЕМЫ ПОДКЛЮЧЕНИЯ ОБОГРЕВАТЕЛЕЙ; СХЕМЫ ПОДКЛЮЧЕНИЯ ОБОГРЕВАТЕЛЕЙ К СТАЦИОНАРНОЙ ПРОВОДКЕ
  • Страница 14 – Рисунок 4. Обогреватели
  • Страница 17 – обогреватели 5 лет, при условии соблюдения правил эксплуатации.; ГАРАНТИЙНЫЕ ОБЯЗАТЕЛЬСТВА
  • Страница 18 – ГАРАНТИЙНЫЙ ТАЛОН; ФИО и подпись покупателя
Загрузка инструкции













































"Загрузка инструкции" означает, что нужно подождать пока файл загрузится и можно будет его читать онлайн. Некоторые инструкции очень большие и время их появления зависит от вашей скорости интернета.

Краткое содержание

Страница 3 - СОДЕРЖАНИЕ

2 СОДЕРЖАНИЕ Правила безопасности 3 Устройство инфракрасного обогревателя … 4 Технические характеристики 5 Комплектация 6 Правила установки обогревателя 6 Подключение обогревателей 8 Эксплуатация прибора 10 Уход и обслуживание 10 Поиск и устранение неисправностей 10 Транспортировка и хранение 11 Схе...

Страница 4 - ПРАВИЛА БЕЗОПАСНОСТИ

3 УВАЖАЕМЫЙ ПОКУПАТЕЛЬ! Компания «Ресанта» выражает благодарность за Ваш выбор и гарантирует высокое качество, безупречное функционирование приобретенного Вами изделия марки «Ресанта», при соблюдении правил его эксплуатации. Внимание! Перед использованием данного устройства обязательно прочтите инст...

Страница 5 - УСТРОЙСТВО ИНФРАКРАСНОГО ОБОГРЕВАТЕЛЯ; Несущая конструкция состоит из корпуса,

4 ОСТОРОЖНО! 1. Температура излучающих панелей при работе обогревателей может достигать 600°С. Для предотвращения получения ожогов следует исключить возможность прикосновения, в том числе случайного, к излучающим панелям обогревателя (инструктаж, размещение обогревателя в недоступном месте). 2. Не д...

Характеристики

Другие модели - Обогреватели Ресанта

Все обогреватели Ресанта