Страница 3 - ПРАВИЛА БЕЗОПАСНОСТИ; перерыве в работе отключите прибор от электросети.
2 УВАЖАЕМЫЙ ПОКУПАТЕЛЬ! Компания «Ресанта» выражает благодарность за Ваш выбор и гарантирует высокое качество, безупречное функционирование приобретенного Вами изделия марки «Ресанта», при соблюдении правил его эксплуатации. Внимание! Перед использованием данного устройства обязательно прочтите инст...
Страница 7 - * При длительном нахождении в зоне обогрева.
6 * При длительном нахождении в зоне обогрева. ИНТЕНСИВНОСТЬ ТЕПЛОВОГО ОБЛУЧЕНИЯ Интенсивность теплового облучения человека не должна превышать норм, указанных в таблице. Температура воздуха, °C Нормы интенсивности теплового облучения, Вт/м 2 Относи- тельная влажность воздуха, % Скорость движения во...
Страница 8 - ПОДКЛЮЧЕНИЕ ОБОГРЕВАТЕЛЕЙ; через клеммную колодку.; ПОДКЛЮЧЕНИЕ ОБОГРЕВАТЕЛЕЙ К ЭЛЕКТРИЧЕСКОЙ СЕТИ; снять; УСТАНОВКА ТЕРМОРЕГУЛЯТОРА*
7 ПРИМЕЧАНИЕ: В зависимости от материала и устройства потолочных конструкций, обогреватель крепится на соответствующие крепёжные элементы, выбираемые из условия прочности. Прочность потолка, либо конструкций, за которые крепится обогреватель, должна быть достаточной, чтобы выдерживать 5-кратную масс...
Страница 10 - УХОД И ОБСЛУЖИВАНИЕ; настоящем руководстве.; ЕСЛИ ОТСУТСТВУЕТ ИЗЛУЧАЕМОЕ ТЕПЛО; Не работает разъединитель (выключатель). Проверить срабатывание; СРОК ЭКСПЛУАТАЦИИ
9 УХОД И ОБСЛУЖИВАНИЕ Электрообогреватели практически не нуждается в обслуживании. Для его надежной работы необходимо выполнять следующие пункты: При загрязнении, после обязательного выключения и остывания обогревателя, корпус протирать влажной тряпкой, а теплоизлучающую панель спиртом. Проверят...
Страница 11 - Представленная; СЕРТИФИКАЦИЯ
10 ТРАНСПОРТИРОВКА И ХРАНЕНИЕ Обогреватель в упаковке изготовителя может транспортироваться всеми видами крытого транспорта, с исключением возможных ударов и перемещений внутри транспортного средства. Обогреватель должен храниться в упаковке изготовителя в закрытом помещении при температуре от +5 до...
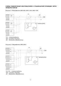
Страница 13 - Рисунок 4. Обогреватели
12 СХЕМЫ ПОДКЛЮЧЕНИЯ ОБОГРЕВАТЕЛЕЙ К СТАЦИОНАРНОЙ ПРОВОДКЕ ЧЕРЕЗ ТЕРМОРЕГУЛЯТОР Рисунок 4. Обогреватели ИКО-800; ИКО-1000; ИКО-1500 Рисунок 5. Обогреватель ИКО-2000
Страница 16 - обогреватели 5 лет, при условии соблюдения правил эксплуатации.; ГАРАНТИЙНЫЕ ОБЯЗАТЕЛЬСТВА
15 Дорогой покупатель! Мы выражаем Вам огромную признательность за Ваш выбор. Мы сделали все возможное, чтобы данное изделие удовлетворяло Вашим запросам, а качество соответствовало лучшим мировым образцам. Компания “Ресанта” устанавливает официальный срок службы на инфракрасные обогреватели 5 лет, ...
Страница 17 - ФИО и подпись покупателя; ГАРАНТИЙНЫЙ ТАЛОН ГАРАНТИЙНЫЙ ТАЛОН ГАРАНТИЙНЫЙ ТАЛОН
16 ГАРАНТИЙНЫЙ ТАЛОН ИНФРАКРАСНЫЙ ОБОГРЕВАТЕЛЬ зав №_________________ модель _________________ Дата продажи _____________________ Наименование и адрес торговой организации__________________________ м.п. С правилами эксплуатации и условиями гарантии ознакомлен. Продукция получена в полной комплектаци...