Страница 3 - СОДЕРЖАНИЕ
2 СОДЕРЖАНИЕ Правила безопасности 3 Устройство инфракрасного обогревателя … 4 Технические характеристики 5 Комплектация 6 Правила установки обогревателя 6 Подключение обогревателей 8 Эксплуатация прибора 10 Уход и обслуживание 10 Поиск и устранение неисправностей 10 Транспортировка и хранение 11 Схе...
Страница 4 - ПРАВИЛА БЕЗОПАСНОСТИ
3 УВАЖАЕМЫЙ ПОКУПАТЕЛЬ! Компания «Ресанта» выражает благодарность за Ваш выбор и гарантирует высокое качество, безупречное функционирование приобретенного Вами изделия марки «Ресанта», при соблюдении правил его эксплуатации. Внимание! Перед использованием данного устройства обязательно прочтите инст...
Страница 5 - УСТРОЙСТВО ИНФРАКРАСНОГО ОБОГРЕВАТЕЛЯ; Несущая конструкция состоит из корпуса,
4 ОСТОРОЖНО! 1. Температура излучающих панелей при работе обогревателей может достигать 600°С. Для предотвращения получения ожогов следует исключить возможность прикосновения, в том числе случайного, к излучающим панелям обогревателя (инструктаж, размещение обогревателя в недоступном месте). 2. Не д...
Страница 6 - ТЕХНИЧЕСКИЕ ХАРАКТЕРИСТИКИ
5 основного, дополнительного и местного обогрева промышленных, производственных, бытовых и аналогичных помещений (квартиры, офисы, предприятия торговли, спортзалы, учебные заведения, предприятия общественного питания, склады, ангары, предприятия агропромышленного комплекса и т.п.). При применении в ...
Страница 7 - КОМПЛЕКТАЦИЯ; ПОДГОТОВКА К РАБОТЕ
6 ПЛОЩАДЬ ОБОГРЕВА ИНФРАКРАСНЫХ ОБОГРЕВАТЕЛЕЙ: Модель Площадь обогрева Дополнительный обогрев Основной обогрев ИКО-1000Т до 10 м 2 10 м 2 ИКО-1500Т до 25 м 2 15 м 2 ИКО-2000Т до 40 м 2 20 м 2 ИКО-3000Т до 60 м 2 30 м 2 Ориентировочные размеры зоны обогрева можно определить исходя из угла инфракрасно...
Страница 8 - Для комфортного пребывания людей в жилых, офисных и рабочих; * При длительном нахождении в зоне обогрева.
7 Для комфортного пребывания людей в жилых, офисных и рабочих помещениях мощность инфракрасного обогревателя необходимо подобрать таким образом, чтобы температура пола составляла 20°С, в этом случае температура воздуха на уровне головы человека будет 18-19°С (см. рисунок ниже). Правила установки инф...
Страница 9 - ПОДКЛЮЧЕНИЕ ОБОГРЕВАТЕЛЕЙ; через клеммную колодку.
8 ПРИМЕЧАНИЕ: Данные в таблице приведены согласно приложению 2 к СП 2.2.1.1312-03 «Гигиенические требования к проектированию вновь строящихся и реконструируемых промышленных предприятий», утвержденные Главным государственным санитарным врачом Российской Федерации 22 апреля 2003 года. ВНИМАНИЕ! При д...
Страница 11 - Инфракрасный обогреватель ИКО-1000Т; ЭКСПЛУАТАЦИЯ ПРИБОРА; излучать инфракрасные лучи и обогревать предметы и тела.; УХОД И ОБСЛУЖИВАНИЕ; в настоящем руководстве.
10 Наименование Максимальная потребляемая сила тока Инфракрасный обогреватель ИКО-1000Т 4,5 А Инфракрасный обогреватель ИКО-1500Т 6,9 А Инфракрасный обогреватель ИКО-2000Т 9 А Инфракрасный обогреватель ИКО-3000Т 13,5 А ЭКСПЛУАТАЦИЯ ПРИБОРА ВНИМАНИЕ! При первом включении обогревателя возможно появлен...
Страница 12 - СРОК ЭКСПЛУАТАЦИИ; ТРАНСПОРТИРОВКА И ХРАНЕНИЕ; ПРАВИЛА УТИЛИЗАЦИИ
11 Отсутствует напряжение в сети или неисправен кабель питания. Необходимо проверить наличие напряжения в сети и целостность кабеля питания, при необходимости заменить неисправный кабель. Не работает разъединитель (выключатель). Проверить срабатывание выключателя, при необходимости неисправный в...
Страница 13 - СЕРТИФИКАЦИЯ; СХЕМЫ ПОДКЛЮЧЕНИЯ ОБОГРЕВАТЕЛЕЙ; СХЕМЫ ПОДКЛЮЧЕНИЯ ОБОГРЕВАТЕЛЕЙ К СТАЦИОНАРНОЙ ПРОВОДКЕ
12 точки, в формате ггмм). Все замечания и вопросы по поводу информации, приведенной в документации, направлять по адресу службы технической поддержки. СЕРТИФИКАЦИЯ Товар сертифицирован на территории Таможенного союза и соответствует требованиям нормативных документов. СХЕМЫ ПОДКЛЮЧЕНИЯ ОБОГРЕВАТЕЛЕ...
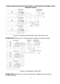
Страница 14 - Рисунок 4. Обогреватели
13 СХЕМЫ ПОДКЛЮЧЕНИЯ ОБОГРЕВАТЕЛЕЙ К СТАЦИОНАРНОЙ ПРОВОДКЕ ЧЕРЕЗ ТЕРМОРЕГУЛЯТОР Рисунок 4. Обогреватели ИКО-1000Т; ИКО-1500Т; ИКО-2000Т ПРИМЕЧАНИЕ: Выключатель, терморегулятор в комплект поставки не входят. Рисунок 5. Обогреватель ИКО-3000Т ПРИМЕЧАНИЕ: Выключатель, пускатель магнитный, терморегулято...
Страница 17 - обогреватели 5 лет, при условии соблюдения правил эксплуатации.; ГАРАНТИЙНЫЕ ОБЯЗАТЕЛЬСТВА
16 Дорогой покупатель! Мы выражаем Вам огромную признательность за Ваш выбор. Мы сделали все возможное, чтобы данное изделие удовлетворяло Вашим запросам, а качество соответствовало лучшим мировым образцам. Компания “Ресанта” устанавливает официальный срок службы на инфракрасные обогреватели 5 лет, ...
Страница 18 - ГАРАНТИЙНЫЙ ТАЛОН; ФИО и подпись покупателя
17 ГАРАНТИЙНЫЙ ТАЛОН ИНФРАКРАСНЫЙ ОБОГРЕВАТЕЛЬ зав №_________________ модель _________________ Дата продажи _____________________ Наименование и адрес торговой организации__________________________ м.п. С правилами эксплуатации и условиями гарантии ознакомлен. Продукция получена в полной комплектаци...