Ресанта ИКО-800 - Инструкция по эксплуатации

Ресанта ИКО-800

Обогреватель Ресанта ИКО-800 - инструкция пользователя по применению, эксплуатации и установке на русском языке. Мы надеемся, она поможет вам решить возникшие у вас вопросы при эксплуатации техники.

Если остались дополнительные вопросы — свяжитесь с нами через контактную форму.

1 Страница 1
2 Страница 2
3 Страница 3
4 Страница 4
5 Страница 5
6 Страница 6
7 Страница 7
8 Страница 8
9 Страница 9
10 Страница 10
11 Страница 11
12 Страница 12
13 Страница 13
14 Страница 14
15 Страница 15
16 Страница 16
17 Страница 17
18 Страница 18
Страница: / 18

Содержание:

  • Страница 3 – ПРАВИЛА БЕЗОПАСНОСТИ; перерыве в работе отключите прибор от электросети.
  • Страница 7 – * При длительном нахождении в зоне обогрева.
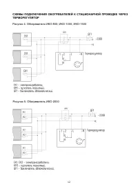
  • Страница 8 – ПОДКЛЮЧЕНИЕ ОБОГРЕВАТЕЛЕЙ; через клеммную колодку.; ПОДКЛЮЧЕНИЕ ОБОГРЕВАТЕЛЕЙ К ЭЛЕКТРИЧЕСКОЙ СЕТИ; снять; УСТАНОВКА ТЕРМОРЕГУЛЯТОРА*
  • Страница 10 – УХОД И ОБСЛУЖИВАНИЕ; настоящем руководстве.; ЕСЛИ ОТСУТСТВУЕТ ИЗЛУЧАЕМОЕ ТЕПЛО; Не работает разъединитель (выключатель). Проверить срабатывание; СРОК ЭКСПЛУАТАЦИИ
  • Страница 11 – Представленная; СЕРТИФИКАЦИЯ
  • Страница 13 – Рисунок 4. Обогреватели
  • Страница 16 – обогреватели 5 лет, при условии соблюдения правил эксплуатации.; ГАРАНТИЙНЫЕ ОБЯЗАТЕЛЬСТВА
  • Страница 17 – ФИО и подпись покупателя; ГАРАНТИЙНЫЙ ТАЛОН ГАРАНТИЙНЫЙ ТАЛОН ГАРАНТИЙНЫЙ ТАЛОН
Загрузка инструкции













































"Загрузка инструкции" означает, что нужно подождать пока файл загрузится и можно будет его читать онлайн. Некоторые инструкции очень большие и время их появления зависит от вашей скорости интернета.

Краткое содержание

Страница 3 - ПРАВИЛА БЕЗОПАСНОСТИ; перерыве в работе отключите прибор от электросети.

2 УВАЖАЕМЫЙ ПОКУПАТЕЛЬ! Компания «Ресанта» выражает благодарность за Ваш выбор и гарантирует высокое качество, безупречное функционирование приобретенного Вами изделия марки «Ресанта», при соблюдении правил его эксплуатации. Внимание! Перед использованием данного устройства обязательно прочтите инст...

Страница 7 - * При длительном нахождении в зоне обогрева.

6 * При длительном нахождении в зоне обогрева. ИНТЕНСИВНОСТЬ ТЕПЛОВОГО ОБЛУЧЕНИЯ Интенсивность теплового облучения человека не должна превышать норм, указанных в таблице. Температура воздуха, °C Нормы интенсивности теплового облучения, Вт/м 2 Относи- тельная влажность воздуха, % Скорость движения во...

Страница 8 - ПОДКЛЮЧЕНИЕ ОБОГРЕВАТЕЛЕЙ; через клеммную колодку.; ПОДКЛЮЧЕНИЕ ОБОГРЕВАТЕЛЕЙ К ЭЛЕКТРИЧЕСКОЙ СЕТИ; снять; УСТАНОВКА ТЕРМОРЕГУЛЯТОРА*

7 ПРИМЕЧАНИЕ: В зависимости от материала и устройства потолочных конструкций, обогреватель крепится на соответствующие крепёжные элементы, выбираемые из условия прочности. Прочность потолка, либо конструкций, за которые крепится обогреватель, должна быть достаточной, чтобы выдерживать 5-кратную масс...

Характеристики

Другие модели - Обогреватели Ресанта

Все обогреватели Ресанта