Ресанта ИКО-1000(Т) - Инструкция по эксплуатации

Ресанта ИКО-1000(Т)

Обогреватель Ресанта ИКО-1000(Т) - инструкция пользователя по применению, эксплуатации и установке на русском языке. Мы надеемся, она поможет вам решить возникшие у вас вопросы при эксплуатации техники.

Если остались дополнительные вопросы — свяжитесь с нами через контактную форму.

1 Страница 1
2 Страница 2
3 Страница 3
4 Страница 4
5 Страница 5
6 Страница 6
7 Страница 7
8 Страница 8
9 Страница 9
10 Страница 10
11 Страница 11
12 Страница 12
13 Страница 13
14 Страница 14
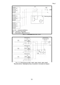
15 Страница 15
16 Страница 16
17 Страница 17
18 Страница 18
19 Страница 19
20 Страница 20
21 Страница 21
22 Страница 22
23 Страница 23
24 Страница 24
Страница: / 24

Содержание:

  • Страница 3 – УВАЖАЕМЫЙ ПОКУПАТЕЛЬ!; Компания «Ресанта» поздравляет Вас с приобретением данного
  • Страница 4 – Оглавление; ВОЗМОЖНЫЕ НЕИСПРАВНОСТИ И СПОСОБЫ ИХ УСТРАНЕНИЯ 17
  • Страница 6 – ПРАВИЛА БЕЗОПАСНОСТИ
  • Страница 7 – КОМПЛЕКТНОСТЬ
  • Страница 10 – Правила расположения обогревателя.; * При длительном нахождении в зоне обогрева.
  • Страница 12 – Схемы подключения обогревателей к стационарной проводке
  • Страница 13 – зажимов с заземляющей жилой кабеля стационарной проводки.; Установка терморегулятора*
  • Страница 14 – Монтаж терморегулятора; после чего отключаются и не включаются до того момента, пока; Схемы подключения обогревателей к стационарной проводке
  • Страница 16 – Эксплуатация прибора; из; Перед включением обогревателя, с целью исключения появления
  • Страница 17 – ТЕХНИЧЕСКОЕ ОБСЛУЖИВАНИЕ; Электрообогреватели практически не нуждается в обслуживании.; ВОЗМОЖНЫЕ НЕИСПРАВНОСТИ И СПОСОБЫ ИХ УСТРАНЕНИЯ; Неисправность; деталей и обрывом цепи, обращайтесь в сервисные центры «Ресанта»
  • Страница 20 – ГАРАНТИЙНЫЙ ТАЛОН; признан годным для эксплуатации.
  • Страница 21 – СЕРВИСНЫЕ ЦЕНТРЫ
Загрузка инструкции

Ред.1

1

"Загрузка инструкции" означает, что нужно подождать пока файл загрузится и можно будет его читать онлайн. Некоторые инструкции очень большие и время их появления зависит от вашей скорости интернета.

Краткое содержание

Страница 3 - УВАЖАЕМЫЙ ПОКУПАТЕЛЬ!; Компания «Ресанта» поздравляет Вас с приобретением данного

Ред.1 УВАЖАЕМЫЙ ПОКУПАТЕЛЬ! Компания «Ресанта» поздравляет Вас с приобретением данного продукта. Наша компания гарантирует высокое качество и безупречное функционирование приобретенного вами изделия, при соблюдении правил его эксплуатации. Мы всегда рады получить от Вас обратную связь по эксплуатаци...

Страница 4 - Оглавление; ВОЗМОЖНЫЕ НЕИСПРАВНОСТИ И СПОСОБЫ ИХ УСТРАНЕНИЯ 17

Оглавление 1. ОБЩИЕ СВЕДЕНИЯ. .............................................................................. 5 2. ПРАВИЛА БЕЗОПАСНОСТИ .................................................................. 6 3. КОМПЛЕКТНОСТЬ ..................................................................................

Страница 6 - ПРАВИЛА БЕЗОПАСНОСТИ

• Возможно каскадное подключение нескольких приборов, при соблюдении расстояний между обогревателями не менее 10 см. Внимание! При несоблюдении инструкций по безопасности и инструкций по эксплуатации данного оборудования фирма - производитель снимает с себя ответственность за несчастные случаи и пов...

Характеристики

Другие модели - Обогреватели Ресанта

Все обогреватели Ресанта