Преобразователи частоты Danfoss VLT HVAC Basic - инструкция пользователя по применению, эксплуатации и установке на русском языке. Мы надеемся, она поможет вам решить возникшие у вас вопросы при эксплуатации техники.
Если остались вопросы, задайте их в комментариях после инструкции.
"Загружаем инструкцию", означает, что нужно подождать пока файл загрузится и можно будет его читать онлайн. Некоторые инструкции очень большие и время их появления зависит от вашей скорости интернета.

1.3.9 Обзор электрических клемм
L1
L2
L3
3-фазная
входная
мощность
PE
PE
+10 В пост. тока
0-10 В пост. тока
0-10 В пост. тока
50 (+10 В, ВЫХ)
54 (A ВХ)
53 (A ВХ)
55 (КОМ A ВХ/ВЫХ)
0/4-20 мА
0/4-20 мА
42 0/4-20 мА АН ВЫХ/ЦИФ ВЫХ
45 0/4-20 мА АН ВЫХ/ЦИФ ВЫХ
18 (ЦИФ ВХ)
19 (ЦИФ ВХ)
27 (ЦИФ ВХ)
29 (ЦИФ ВХ)
12 (+24 В ВЫХ)
24 В (NPN)
20 (КОМ D ВХ)
0 В (PNP)
24 В (NPN)
0 В (PNP)
24 В (NPN)
0 В (PNP)
24 В (NPN)
0 В (PNP)
Перек-ль Bus ter
Перек-ль Bus ter
RS-
485Интерфейс
RS-485
(N PS-485) 69
(P RS-485) 68
(Com RS-485) 61
(PNP)-источник
(NPN)-приемник
ON (Вкл.) = завершено
OFF (Выкл.) = незавершено
ВК
Л
1
2
240 В~, 3 А
Не для всех типоразмеров
по мощности
Не подключайте экран кточке
61 на устройствах 116,117 и 118
01
02
03
реле 1
реле 2
UDC+
UDC-
Электродвигатель
U
В
Вт
130BB626.10
06
05
04
240 В~, 3 А
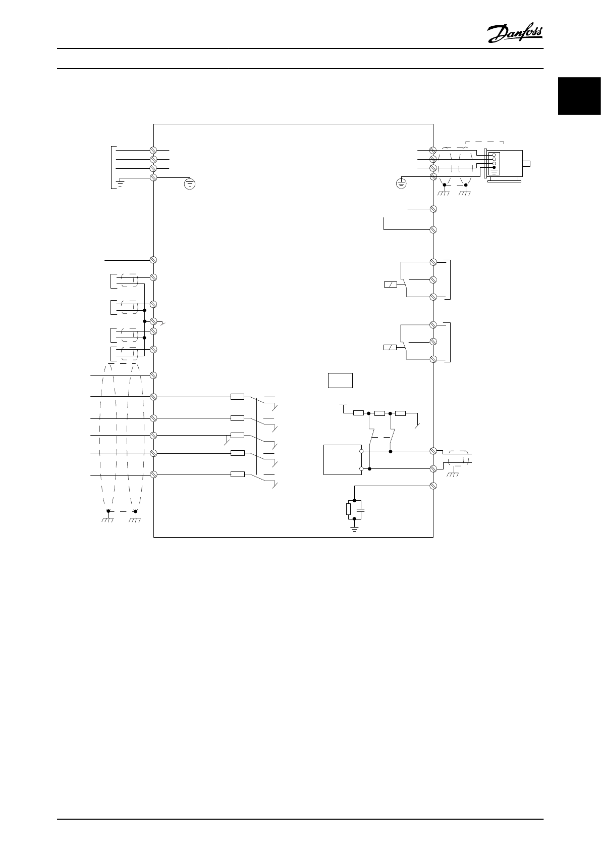
Рисунок 1.26
ПРИМЕЧАНИЕ
В следующих блоках отсутствует доступ к клеммам UDC- и UDC+:
IP20 380–480 В 30–90 кВт
IP20 200–240 В 15–45 кВт
IP20 525–600 В 2,2–90 кВт
IP54 380–480 В 22–90 кВт
Краткое руководство
Краткое руководство по приводу VLT
®
HVAC Basic Drive
MG18A450 – VLT
®
является зарегистрированным товарным знаком компании Danfoss
19
1
1
Содержание
- 3 Краткое руководство; Техника безопасности; Предупреждение о высоком напряжении; Время разрядки; Напряжение; ПРЕДУПРЕЖДЕНИЕ; Ток утечки на землю превышает 3,5 мА.
- 4 Сеть ИТ; Болт ЭМС; ], если в работе используется питания от сети ИТ.; Краткое руководство
- 5 пуска; Отсоедините кабель двигателя.; Свободное пространство над; ПРИМЕЧАНИЕ
- 7 электромонтажу
- 8 Общие технические требования
- 17 Таблица 1.22 Предохранители; требований ЭМС
- 18 Рисунок 1.21 Электрический монтаж с учетом требований ЭМС
- 19 Рисунок 1.22 Расположение клемм управления; -00 Digital Input Mode; Рисунок 1.25 Клеммы управления
- 21 Программирование; softwaredownload; Дисплей используется для отображения информации.
- 22 Цифровой вход клеммы 27 (; контура
- 25 -29 Automatic Motor Adaption
- 27 Мастер настройки параметров замкнутого контура
- 31 до 0
- 35 Предупреждения и аварийные сигналы
- 36 Limit
- 37 Общие технические требования; ) При номинальной нагрузке
- 38 Преобразователь частоты; Габарит корпуса IP20; C температура окружающей среды; Плавкие предохранители
- 39 Выходной ток
- 40 Габарит корпуса IP54
- 46 Руководство по проектированию; характеристик в связи с
- 47 О дополнительных устройствах см.