Страница 2 - ПРИМЕЧАНИЯ
Издание первое, август 2009 • DLP и BrilliantColor являются товарными знаками компании Texas Instruments.• IBM является товарным знаком или зарегистрированным товарным знаком компании International Business Machines Corporation. • Macintosh, Mac OS X и PowerBook являются товарными знаками компании A...
Страница 3 - Важная информация; Техника безопасности; Меры предосторожности; ВНИМАНИЕ; детали внутри устройства опасно.; Утилизация использованного изделия
i Важная информация Техника безопасности Меры предосторожности Внимательно прочтите это руководство перед использованием проектора NEC NP215/NP210/NP115/NP110 и сохраните для будущего использования. ВНИМАНИЕ Для отключения от сети электропитания обязательно выньте штепсель из розетки. Розетку электр...
Страница 4 - ii; Важные меры безопасности; • Не устанавливайте проектор в следующих условиях:; Установите проектор в горизонтальное положение
Важная информация ii Важные меры безопасности Эти инструкции по технике безопасности предназначены для обеспечения длительного срока службы проектора и предотвращения поражения электрическим током. Пожалуйста, внимательно прочитайте их и помните обо всех предостережениях. Установка • Не устанавливай...
Страница 5 - iii; Меры пожарной и электрической безопасности; тора и не остынет сразу после его выключения.
Важная информация iii Меры пожарной и электрической безопасности • Чтобы предотвратить накопление тепла внутри проектора, убедитесь, что он хорошо вентилируется и что венти - ляционные отверстия не заблокированы. Расстояние между проектором и стеной должно составлять не менее 4 дюймов (10 см). • Не ...
Страница 6 - iv; Правила обращения с пультом дистанционного управления
Важная информация iv Правила обращения с пультом дистанционного управления • Обращайтесь с пультом дистанционного управления бережно.• Если на пульт дистанционного управления попадет влага, немедленно вытрите его насухо.• Берегите пульт от чрезмерно высоких температур и влажности.• Не нагревайте эле...
Страница 7 - эксплуатации оптических компонентов, например лампы.; Об авторских правах на оригинальные проецируемые изображения.
Важная информация v Информация о режиме работы на большой высоте • Если проектор используется на большой высоте (приблизительно 5500 футов/1700 метров или выше), установите для параметра [РЕЖИМ ВЕНТИЛЯТОРА] значение [БОЛЬШАЯ ВЫСОТА]. • Если при использовании проектора на высоте приблизительно 5500 ф...
Страница 8 - Оглавление
vi Оглавление Важная информация .................................................................................................i 1. Введение .................................................................................................................. 1 Комплектация ............................
Страница 9 - vii
Оглавление vii 4. Функции удобства .............................................................................................. 28 Отключение изображения и звука..........................................................................................................................................
Страница 10 - Комплектация; говому представителю.
1 1. Введение Комплектация Убедитесь, что в комплект входит все перечисленное ниже. Если какие-либо элементы отсутствуют, обратитесь к тор - говому представителю. Пожалуйста, сохраните оригинальную коробку и упаковочные материалы на случай, если вам понадобится перевоз - ить проектор. Проектор Кры...
Страница 11 - Знакомство с проектором; Поздравляем с покупкой проектора; беспроводное дистанционное управление проектором.; Отличительные особенности данных моделей:; • Быстрый запуск и быстрое выключение питания; переключатель и прерыватель.; • Измеритель CO2; кими проекторами независимо друг от друга.
2 1. Введение Знакомство с проектором В этой главе приводится ознакомительная информация о проекторе, а также описание его функций и элементов управления. Поздравляем с покупкой проектора Этот DLP™ представляет собой один из самых лучших проекторов, доступных на сегодняшний день на рынке. Про - ек...
Страница 12 - Об этом руководстве пользователя; представляет для Вас интереса, его можно пропустить.
3 1. Введение Об этом руководстве пользователя Чтобы как можно быстрее научиться обращаться с устройством, выделите время и в первый раз сделайте все в соот - ветствии с инструкцией. Уделите некоторое время данному руководству пользователя. Его изучение поможет сэко - номить время в будущем. Каждый ...
Страница 13 - Название деталей проектора; Передняя/верхняя часть
4 1. Введение Название деталей проектора Рычаг масштабирования ( → стр. 22 ) Элементы управления ( → стр. 5 ) Объектив Крышка объектива Встроенный слот безопасности ( )* Рычаг ножки для регулирова- ния наклона ( → стр. 21 ) Ножка для регулирования наклона ( → стр. 21 ) Дистанционный датчик ( → стр...
Страница 14 - Важнейшие функции; кажения; Функции панели разъемов; COMPUTER IN/ Компонентный входной разъем; Используйте данный порт для подк лючения ком
5 1. Введение Важнейшие функции 1. Кнопка POWER (ON / STAND BY) ( ) ( → стр. 1 7 , 2 6 ) 2. Индикатор POWER ( → стр. 1 6 , 1 7 , 2 6 , 6 8 ) 3. Индикатор STATUS ( → стр. 6 8 ) 4. Индикатор LAMP ( → стр. 6 5 , 6 8 ) 5. Кнопка AUTO ADJ. ( → стр. 25 ) 6. Кнопка SOURCE ( → стр. 19 ) 7. Кнопка MENU ( → с...
Страница 15 - Элементы пульта дистанционного управления; (Кнопка COMPUTER 2/3 отсутствует в данной серии
6 1. Введение + 375 6 1 2 10 12 13 11 14 9 4 8 262728 16 172224 25 21 15 20 19 18 23 29 Элементы пульта дистанционного управления 1. Инфракрасный передатчик ( → стр. 7 ) 2. Кнопка POWER ON ( → стр. 1 7 ) 3. Кнопка POWER OFF ( → стр. 2 6 ) 4, 5, 6. Кнопка COMPUTER 1/2/3 ( → стр. 19 ) (Кнопка COMPUT...
Страница 17 - Установка и подключение; Настройка экрана и проектора; Выбор месторасположения; время переноски или хранения проектора
8 3 2 1 2. Установка и подключение В данном разделе описаны процедуры настройки проектора и подключения видео- и аудиоисточников. Ваш проектор прост в настройке и эксплуатации. Однако перед началом работы следует выполнить следующие дей - ствия: Настройка экрана и проектора Выбор месторасположения...
Страница 18 - определения положения проектора.; Таблица расстояний; B = Расстояние по вертикали от центра объектива до центра экрана
9 2. Установка и подключение Расстояние проецирования и размер экрана На следующем рисунке показано правильное положение проектора относительно экрана. Смотрите таблицу для определения положения проектора. Таблица расстояний C D B Центр экрана Центр объектива Нижняя часть экрана 2,7 дюймов/68 мм Пов...
Страница 20 - Осуществление подключений; Подключение ПК или компьютера Macintosh; или работы его программы управления электропитанием.; Включение внешнего экрана компьютера
11 2. Установка и подключение COMPUTER IN PHONE PHONE AUDIO IN Осуществление подключений Подключение ПК или компьютера Macintosh ПРИМЕЧАНИЕ: Подключать проектор к ноутбуку следует, когда проектор находится в режиме ожидания, а питание ноутбука отключено.В большинстве случаев сигнал с ноутбука прин...
Страница 21 - Подключение внешнего монитора; мого компьютерного аналогового изображения.
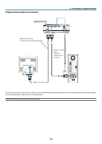
12 2. Установка и подключение PHONE COMPUTER OUT Подключение внешнего монитора К проектору можно подключить отдельный внешний монитор для параллельного просмотра на мониторе проецируе - мого компьютерного аналогового изображения. ПРИМЕЧАНИЕ: Последовательное подключение невозможно. Кабель сигнала VG...
Страница 22 - Подключение DVD-проигрывателя через компонентный выход
13 2. Установка и подключение AUDIO IN L R AUDIO OUT L R Component Y Cb Cr COMPUTER IN AUDIO IN ПРИМЕЧАНИЕ: Информацию о требованиях к типу видеовыхода DVD-проигрывателя можно получить в инструкции к проигрывателю. Подключение DVD-проигрывателя через компонентный выход DVD-проигрыватель Аудиооборудо...
Страница 23 - Подключение видеомагнитофона
14 2. Установка и подключение AUDIO IN L R AUDIO OUT L R VIDEO OUT S-VIDEO VIDEO VIDEO IN S-VIDEO IN AUDIO IN Подключение видеомагнитофона Кабель S-видеосигнала (не входит в комплект) Кабель видеосигнала (не входит в комплект) Видеомагнитофон Аудиооборудование Кабель аудио (не входит в комплект) ПРИ...
Страница 24 - осуществления настройки просмотрите стр.; Пример подключения к ЛВС; Пример подключения к проводной локальной сети
15 2. Установка и подключение LAN Подключение к сети (только для NP215) Стандартная модель проектора оснащена портом проводной локальной сети (RJ-45), через который можно подклю - чаться к локальной сети с помощью кабеля проводной локальной сети. При использовании кабеля проводной локальной сети мож...
Страница 26 - Включение проектора; Снимите крышку с объектива
17 3. Проецирование изображения (основные операции) В этом разделе описано, как включить проектор и спроецировать изображение на экран. Включение проектора 1. Снимите крышку с объектива • Не тяните за шнурок, чтобы снять крышку объектива. Иначе возможны механические повреждения дета - лей, окружаю...
Страница 27 - Примечание об экране запуска (экран выбора языка меню); Для выбора языка меню выполните следующие действия:; пока внутренние компоненты проектора не остынут.
18 3. Проецирование изображения (основные операции) 1. С помощью кнопки , , или выберите для меню один из 21 языка. 2. Нажмите кнопку ENTER, чтобы подтвердить выбор. После этого можно перейти к работе с меню. При желании язык меню можно выбрать позже. ( → [ЯЗЫК] на стр. 41 , 52 ) Примечание ...
Страница 28 - Выбор источника; Выбор компьютера или источника видеосигнала; КОМПЬЮТЕР; Использование пульта дистанционного управления; будет отображаться каждый раз при включении проектора.
19 3. Проецирование изображения (основные операции) Выбор источника Выбор компьютера или источника видеосигнала ПРИМЕЧАНИЕ: Компьютер или иной источник видеосигнала, подключенный к компьютеру, должен быть включен. Выбор из списка источников Нажмите и сразу же отпустите кнопку SOURCE на корпусе про...
Страница 29 - Регулировка размера и положения изображения; строить размер и положение картинки.
20 3. Проецирование изображения (основные операции) Регулировка размера и положения изображения Воспользуйтесь ножкой для регулирования наклона, рычагом масштабирования или колёсиком Фокус, чтобы на - строить размер и положение картинки. В этом разделе чертежи и кабели не указаны для большей яснос...
Страница 30 - Настройка ножки для регулирования наклона; Не дотрагивайтесь до выпускного вентиляционного отверстия во; Настройка наклона изображения влево и вправо [Задняя; Сохраните прокладку для будущего использования.
21 3. Проецирование изображения (основные операции) 2 1 Ножка для регулирова- ния наклона Рычаг ножки для регу- лирования наклона Настройка ножки для регулирования наклона 1. Поднимите передний край проектора. ВНИМАНИЕ: Не дотрагивайтесь до выпускного вентиляционного отверстия во время настройки нож...
Страница 31 - Колесико FOCUS используется для настройки фокусировки.
22 3. Проецирование изображения (основные операции) Масштабирование Рычаг ZOOM используется для настройки размера изображения на экране. Фокус Колесико FOCUS используется для настройки фокусировки. Рычаг масштабирования Колесико Фокус
Страница 32 - Коррекция трапециевидного искажения; Для выполнения коррекции нажимайте
23 3. Проецирование изображения (основные операции) Коррекция трапециевидного искажения Коррекция трапециевидного искажения Если экран наклонен в вертикальной плоскости, становится заметным трапециевидное искажение. Чтобы откоррек - тировать трапециевидное искажение, выполните следующие действия. ...
Страница 33 - Настройка с помощью пульта дистанционного управления; Появится панель настройки трапецеидального искажения.
24 3. Проецирование изображения (основные операции) Настройка с помощью пульта дистанционного управления 1. Нажмите кнопку KEYSTONE. Появится панель настройки трапецеидального искажения. 2. Используйте кнопку или для исправления трапецеидального искаже- ния. Настройте так, чтобы правая и левая с...
Страница 34 - Автоматическое обнаружение сигнала компьютера; Настройка изображения с помощью кнопки Auto Adjust; Автоматическая оптимизация изображения компьютера.; Увеличение или уменьшение громкости; СОВЕТ: Когда меню не отображаются, кнопки
25 3. Проецирование изображения (основные операции) Автоматическое обнаружение сигнала компьютера Настройка изображения с помощью кнопки Auto Adjust Автоматическая оптимизация изображения компьютера. Для выполнения автоматической оптимизации компьютерного изображения нажмите кнопку AUTO ADJ. Эта к...
Страница 35 - Выключение проектора; Чтобы выключить проектор:; кнопку POWER OFF на пульте дистанционного управле-
26 3. Проецирование изображения (основные операции) Выключение проектора Чтобы выключить проектор: 1. Нажмите на кнопку (POWER) на корпусе проектора или кнопку POWER OFF на пульте дистанционного управле- ния. Появится сообщение [ВЫКЛЮЧЕНИЕ / ВЫ УВЕРЕНЫ ? / СЕАНС СОКРАЩЕНИЯ ВЫБРОСА CO2]. 2. После э...
Страница 36 - По завершении использования
27 3. Проецирование изображения (основные операции) По завершении использования Подготовка: Убедитесь, что питание проектора выключено. 1. Отсоедините остальные кабели. 2. Сложите ножку для регулирования наклона, если она была выдвинута. 3. Закройте объектив крышкой.
Страница 37 - Отключение изображения и звука; кое время. Повторное нажатие вернет изображение и звук.; Фиксация изображения; Повторное нажатие возобновит движение.; Увеличение картинки; Увеличение картинки возможно до четырехкратного размера.
28 Отключение изображения и звука Нажмите кнопку AV-MUTE, чтобы отключить изображение и звук на корот - кое время. Повторное нажатие вернет изображение и звук. ПРИМЕЧАНИЕ: Даже при выключенном изображении меню останется на экране. Фиксация изображения Нажмите кнопку FREEZE, чтобы зафиксировать д...
Страница 38 - Изменение Эко режима; Эта функция позволяет выбрать один из двух режимов яркости лампы:
29 4. Функции удобства Описание Это значение установлено по умолчанию (100%-ая яркость). Чтобы увеличить срок службы лампы (прибл. 90% яркости), следует выбрать данный режим. Чтобы включить [ЭКО РЕЖИМ], выполните следующее: 1. Нажмите кнопку ECO MODE на пульте дистанционного управления для отображен...
Страница 39 - Проверка энергосберегающего эффекта [ИЗМЕРЕНИЕ СО2]
30 4. Функции удобства Проверка энергосберегающего эффекта [ИЗМЕРЕНИЕ СО2] Эта функция покажет энергосберегающий эффект, выраженный уменьшением выброса CO2 (кг), когда [ЭКО РЕЖИМ] для проектора установлен в положение [ВКЛ.]. Эта функция называется [ИЗМЕРЕНИЕ CO2]. Возможны два сообщения: [УГЛЕРОДО...
Страница 40 - Предупреждение несанкционированного использования про-; Чтобы активировать функцию безопасности:; На экране отобразится меню.
31 4. Функции удобства Предупреждение несанкционированного использования про- ектора [БЕЗОПАСНОСТЬ] Можно установить пароль, чтобы предотвратить несанкционированное использование проектора. Каждый раз при включении проектора будет отображаться экран для ввода пароля. Проецирование изображения буде...
Страница 41 - Для включения проектора при включенной функции [БЕЗОПАСНОСТЬ]:
32 4. Функции удобства 7. Введите комбинацию из тех же самых четырех кнопок и нажмите кнопку ENTER. Откроется окно подтверждения. 8. Выберите [ДА] и нажмите кнопку ENTER. Функция БЕЗОПАСНОСТЬ активирована. Для включения проектора при включенной функции [БЕЗОПАСНОСТЬ]: 1. Нажмите кнопку POWER и ...
Страница 43 - Использование дополнительного дистанционного приемника; Подключение дистанционного приемника мыши к компьютеру; подключить дистанционный приемник мыши.; Подключение с использованием терминала USB; не работают в программе PowerPoint для компьютера Macintosh.
34 4. Функции удобства 30˚ 30˚ Использование дополнительного дистанционного приемника мыши (NP01MR) Дополнительный дистанционный приемник мыши позволяет управлять функциями компьютерной мыши с пульта дистанционного управления. Он очень удобен для просмотра презентаций, созданных на компьютере. Под...
Страница 44 - Режим перетаскивания:
35 4. Функции удобства Управление компьютерной мышью с пульта дистанционного управления Компьютерной мышью можно управлять с пульта дистанционного управления. Кнопка / : служит для прокручивания зоны просмотра окна, а также для перехода к предыдущему или следующему слайду в программе PowerPoint,...
Страница 45 - Настройка с помощью браузера HTTP (только для NP215); Обзор; обратитесь к своему сетевому администратору.; Подготовка перед началом работы
36 4. Функции удобства Настройка с помощью браузера HTTP (только для NP215) Обзор Подключив проектор к сети, можно устанавливать настройки почтового предупреждения ( → стр. 38 ), а также управлять проектором при помощи компьютера в сети. Чтобы управлять проектором через веб-браузер, необходимо уст...
Страница 46 - Параметры сети
37 4. Функции удобства Параметры сети http://<IP-адрес проектора> /index.html DHCP ................................................В результате включения этой опции сервер DHCP автоматически назначает проектору IP-адрес. Отключение этой опции позволяет зарегистрировать IP-адрес или номер подсе...
Страница 47 - Настройка почтового предупреждения; или при работе проектора произошла ошибка.
38 4. Функции удобства Настройка почтового предупреждения http://<IP-адрес проектора>/lanconfig.html Благодаря этой опции, при использовании проводной ЛВС сообщение об ошибке доставляется на компьютер через электронную почту. Сообщение об ошибке будет доставлено, если срок службы лампы проекто...
Страница 48 - Использование меню; Установки будут сохранены до следующих изменений.; Использование экранного меню
39 Использование меню ПРИМЕЧАНИЕ: Во время проецирования чересстрочного видеоизображения экранное меню может отображаться некорректно. 1. Для отображения меню нажмите кнопку MENU на пульте дистанционного управления или корпусе проек- тора. ПРИМЕЧАНИЕ: Такие команды, как ENTER, EXIT, , распол...
Страница 49 - Элементы меню; Окна меню и диалоговые окна обычно включают следующие элементы:
40 5. Использование экранного меню Элементы меню Окна меню и диалоговые окна обычно включают следующие элементы: Подсветка ...............................................Указывает выбранный пункт меню или параметр. Сплошной треугольник ..........................Указывает на возможность дальнейшего...
Страница 50 - Пункты меню
41 5. Использование экранного меню Пункты меню Некоторые пункты меню недоступны в зависимости от источника входящего сигнала. Пункт меню По умолчанию Опции ИСТ. КОМПЬЮТЕР * ВИДЕО * S-ВИДЕО * НАСТР. ИЗОБРАЖЕНИЕ ПРЕДВАРИТ УСТАНОВКА * 1-6 ПОДРОБНЫЕ УСТАНОВКИ ССЫЛКА * ВЫС. ЯРК, ПРЕЗЕНТАЦИЯ, ВИДЕО, ФИЛ...
Страница 52 - камеры для документов.
43 5. Использование экранного меню Описание и функции меню [ИСТ.] КОМПЬЮТЕР Служит для выбора компьютера, подключенного к разъему COMPUTER IN. ПРИМЕЧАНИЕ:• При подсоединении компонентного входного сигнала к разъёму COMPUTER IN выберите [КОМПЬЮТЕР].• Проектор определит, является ли входной сигнал R...
Страница 53 - или цвета по отдельности.; Сохранение Ваших пользовательских установок [ССЫЛКА]
44 5. Использование экранного меню Описание и функции меню [НАСТР.] [ИЗОБРАЖЕНИЕ] [ПРЕДВАРИТ УСТАНОВКА] Эта функция позволяет Вам выбирать оптимизированные установки для проецируемого изображения. Вы можете настроить нейтральный оттенок для желтого, бирюзового или пурпурного цвета. Имеется шесть з...
Страница 56 - Служит для ручной настройки параметров Часы и Фаза.
47 5. Использование экранного меню [НАСТР. ИЗОБР] Настройка времени и фазы [ЧАСЫ/ФАЗА] Служит для ручной настройки параметров Часы и Фаза. ЧАСЫ .............................. Используйте данный параметр для точной настройки компьютерного изображения или удаления каких-либо вертикальных полос, которы...
Страница 57 - АВТО
48 5. Использование экранного меню Настройка горизонтального/вертикального положения [ГОРИЗОНТАЛЬНО/ВЕРТИКАЛЬНОЕ] Служит для настройки положения изображения по горизонтали и вертикали. - Во время настройки [ЧАСЫ] и [ФАЗА] может происходить искажение изображения. Это не является неисправно - стью. - ...
Страница 58 - ШИРОКИЙ ФОКУС; [ П р и ме р 1 ] Ес л и н а п р о е к то р е; [ П р и ме р 2 ] Ес л и н а п р о е к то р е; щий сигнал с разрешением 800 x; является стандартным аспектным отношением для видеоисточника.; Настройка изображения по вертикали [ПОЛОЖЕНИЕ]; с черными границами сверху и снизу.
49 5. Использование экранного меню ШИРОКИЙ ФОКУС Изображение растягивается влево и вправо. Части отображаемого изображения обрезаются с левой и правой стороны, поэтому они невидимы. СОБСТВЕННОЕ Проектор отображает текущее изображение в его истинном разрешении, если входящий сигнал с компьютера имеет...
Страница 59 - Эта функция позволяет выбирать уровень снижения шума.
50 5. Использование экранного меню Включение функции снижения шума [СНИЖЕНИЕ ШУМА] Эта функция позволяет выбирать уровень снижения шума. Проектор имеет оптимизированные фабричные установки для каждого сигнала. Выберите нужную Вам установку для сигнала при появлении паразитных видеосигналов. Возможны...
Страница 60 - Вертикальное искажение можно корректировать вручную. (; Использование функции коррекции цвета стены [ЦВЕТ СТЕНЫ]
51 5. Использование экранного меню Описание и функции меню [ВКЛ.] [ОБЩИЕ НАСТРОЙКИ] Коррекция вертикальных трапецеидальных искажений вручную [ТРАПЕЦИЯ] Вертикальное искажение можно корректировать вручную. ( → стр. 23 ) СОВЕТ: Выделив один из параметров, можно настроить его с помощью линейки с полз...
Страница 61 - ЭКО РЕЖИМ
52 5. Использование экранного меню Настройка режима экономии [ЭКО РЕЖИМ] Эта опция включает или выключает ЭКО режим. При выборе [ВКЛ.] увеличивается срок работы лампы. При выборе [ВКЛ.] также снижается шум от вентилятора по сравнению с положением [ВЫКЛ.]. ЭКО РЕЖИМ Описание С о с т о я н и е и н д и...
Страница 62 - Для цвета меню возможны две опции: ЦВЕТ и МОНОХРОМНОЕ.
53 5. Использование экранного меню [МЕНЮ] Выбор значения параметра [ВЫБОР ЦВЕТА] Для цвета меню возможны две опции: ЦВЕТ и МОНОХРОМНОЕ. Переключение Вкл. / Выкл. Дисплея источника [ДИСПЛЕЙ ИСТОЧНИКА]. Эта опция служит для включения или выключения отображения названий входов, таких как КОМПЬЮТЕР, ВИД...
Страница 63 - является значением по умолчанию.; Выбор цвета или логотипа для фона с помощью параметра [ФОН]
54 5. Использование экранного меню Выбор значения параметра [ВРЕМЯ ПОКАЗА] Эта опция позволяет указать, через какое время после последнего нажатия какой-либо клавиши проектор должен выключить меню. Возможны значения [РУЧНОЙ РЕЖИМ], [АВТО 5 СЕК], [АВТО 15 СЕК] и [АВТО 45 СЕК]. [АВТО 45 СЕК] является ...
Страница 64 - ФРОНТАЛЬНАЯ СО СТОЛА
55 5. Использование экранного меню [УСТАНОВКА] Выбор ориентации проектора с помощью параметра [ОРИЕНТАЦИЯ] Служит для переориентировки изображения в соответствии с типом проецирования. Возможные опции: фронтальная со стола, тыльная с потолка, тыльная со стола и фронтальная с потолка. ФРОНТАЛЬНАЯ СО ...
Страница 65 - этого Вам нужно дать каждому проектору номер идентификатора.; Присвоение или изменение контроля ID; Откроется окно КОНТРОЛЬ ID.
56 5. Использование экранного меню Выбор значения параметра [СКОРОСТЬ КОММУНИКАЦИИ] Эта функция позволяет установить скорость передачи данных для компьютерного порта управления (D-Sub 9P). Он поддерживает скорость от 4800 до 19200 бит/с. Значение по умолчанию – 38400 бит/с. Выберите скорость передач...
Страница 66 - ростной режим и режим Большая высота.; Включение или отключения режима WXGA [РЕЖИМ WXGA]
57 5. Использование экранного меню [ОПЦИИ(1)] Выбор режима вентилятора [РЕЖИМ ВЕНТИЛЯТОРА] Этот параметр позволяет выбрать один из трех режимов скорости вращения вентилятора: режим Авто, высокоско - ростной режим и режим Большая высота. АВТО ................................................Скорость в...
Страница 67 - - Показ основного меню
58 5. Использование экранного меню Выключение звукового сигнала при нажатии кнопок и ошибках [ГУДОК] Эта функция отключает звуковой сигнал при нажатии кнопок или ошибках, когда выполняются следующие опера - ции. - Показ основного меню - Переключение источников- Восстановление данных при помощи [ВОСС...
Страница 68 - устанавливают в НОРМАЛЬНОЕ режим.
59 5. Использование экранного меню [ОПЦИИ(2)] Использование таймера выключения [ВЫКЛ ТАЙМЕР] 1. Выберите подходящее время от 30 минут до 16 часов: ВЫКЛ., 0:30, 1:00, 2:00, 4:00, 8:00, 12:00, 16:00.2. Нажмите кнопку ENTER на пульте дистанционного управления.3. Оставшееся время отсчитывается в обратно...
Страница 69 - или корпусе проектора для включения проектора.
60 5. Использование экранного меню Включение проектора с помощью сигнала компьютера [АВТО ВКЛ. ПИТ. (COMP.)] Если проектор находится в режиме ожидания, компьютерный сигнал с компьютера, подключенного к разъему входного сигнала COMPUTER IN, будет подаваться на проектор и одновременно проецировать ком...
Страница 70 - Сменная лампа
61 5. Использование экранного меню Описания и функции меню [ИНФ.] Служит для отображения состояния текущего сигнала и времени использования лампы. Описание настройки этого параметра – на трёх страницах (для NP215 – на четырёх). Информация приводится в следующем порядке: СОВЕТ: Нажатие кнопки HELP ...
Страница 73 - Техническое обслуживание; чистке корпуса и объектива, а также при замене лампы.; Чистка корпуса и объектива; спирты или разбавители.; Примечание по поводу чистки объектива; чтобы не поцарапать объектив.
64 6. Техническое обслуживание В данном разделе описаны простые процедуры по техническому обслуживанию, их следует придерживаться при чистке корпуса и объектива, а также при замене лампы. Чистка корпуса и объектива 1. Перед чисткой отключите электропитание устройства.2. Периодически очищайте корпу...
Страница 74 - Замена лампы; бражении и снижению его качества.
65 6. Техническое обслуживание Замена лампы Когда срок службы лампы закончится, индикатор LAMP на корпусе будет мигать красным цветом. Хотя лампа еще может продолжать работать, для обеспечения оптимальных эксплуатационных характеристик проектора ее следует заменить. После замены лампы не забудьте ...
Страница 75 - пытайтесь обойти эту блокировку.; Убедитесь, что корпус лампы достаточно
66 6. Техническое обслуживание 1. Снимите крышку лампы. (1) Открутите винт крышки лампы. • Винт крышки лампы не вынимается.(2) Надавите и снимите крышку лампы. 2. Снимите корпус лампы. (1) Выкручивайте три винта, удерживающих корпус лампы до тех пор, пока отвертка не начнет свободно прокручи - ватьс...
Страница 76 - Закажите такую лампу у продавца продукции марки NEC.
67 6. Техническое обслуживание 3. Установите новый корпус лампы. (1) Установите новый корпус лампы так, чтобы он вошел в разъем. ВНИМАНИЕ Не используйте других ламп, кроме запасной лампы NP13LP производства NEC. Закажите такую лампу у продавца продукции марки NEC. (2) Нажмите на верхнюю центральную ...
Страница 77 - Устранение неисправностей; Показания индикаторов; Индикатор Power; Защита от превышения допустимой температуры; Если это произошло, выполните следующие действия:
68 7. Приложение Устранение неисправностей Этот раздел поможет решить проблемы, которые могут возникать при подготовке к эксплуатации и в процессе эксплуатации проектора. Показания индикаторов Индикатор Power Состояние индикатора Состояние проектора Примечание Откл. Кабель питания отсоединён. – Ми...
Страница 78 - Типичные неисправности и способы их устранения (
69 7. Приложение Типичные неисправности и способы их устранения ( → раздел “Power/Status/Индикатор Lamp” на стр. 6 8 ) Неисправность Проверьте следующее: Проектор не включается или не выключается • Проверьте, подключен ли силовой кабель и нажата ли кнопка включения питания на корпусе проектора или п...
Страница 79 - Если изображение отсутствует или отображается неправильно.; ектору ноутбук не был выключен.
70 7. Приложение Если изображение отсутствует или отображается неправильно. • Питание подается на проектор и ПК. Убедитесь, что проектор и ноутбук были подключены друг к другу, когда проектор находился режиме ожидания, а ноутбук был включен. В большинстве случаев сигнал, исходящий от ноутбука, не во...
Страница 80 - Технические характеристики; Номер модели; Оптическая система; может немного снизиться.; Спецификации электронной системы
71 7. Приложение Технические характеристики В данном разделе приведены спецификации проектора NP215/NP210/NP115/NP110. Номер модели NP215/NP210/NP115/NP110 Оптическая система Проекционная система Один DLP™ чип (матрица 0,55», формат 4:3) Разрешение* 1 NP215/NP210: 1024 x 768 пикселейNP115/NP110: 8...
Страница 81 - Механические характеристики; Правила; Дополнительную информацию можно найти на сайтах:
72 7. Приложение Механические характеристики Положения для установки Ориентация: Фронтальная со стола, тыльная со стола, фронтальная с потолка, тыльная с потолка Размеры 12.2"(Ш) x 3.7 (В) x 9.7"(Г)310 мм (Ш) x 95 мм (В) x 247 мм (Г)(без выступающих частей) Чистый вес 5,5 фунта / 2,5 кг Факт...
Страница 83 - Предназначение штырьков входного разъема D-Sub COMPUTER; 5-штырьковый разъем D-Sub соединительного устройства; Уровень сигнала; Сигнал YCbCr
74 7. Приложение Предназначение штырьков входного разъема D-Sub COMPUTER 15-штырьковый разъем D-Sub соединительного устройства Уровень сигнала Видеосигнал: 0,7 Vp-p (аналоговый) Сигнал синхронизации: Уровень TTL 5 1 4 2 3 10 11 12 13 14 15 6 9 7 8 Сигнал RGB (аналоговый) Сигнал YCbCr 1 Красный 2 З...
Страница 84 - Перечень совместимых входных сигналов; Сигнал; технологии масштабирования.
75 7. Приложение Перечень совместимых входных сигналов По горизонтали (строчные импульсы): от 15 до 100 КГц (RGB: 24 КГц или более) По вертикали: от 50 до 120 Гц Сигнал Разрешение (Точек) Частота по вертикали: (КГц) Скорость обновления (Гц) VIDEO NTSC/PAL60 — 15,73 60,00 PAL/SECAM — 15,63 50,00 Со...
Страница 85 - Коды управления и кабельные соединения ПК; Коды управления ПК; Кабельные соединения; Протокол связи
76 7. Приложение Коды управления и кабельные соединения ПК Коды управления ПК Функция Кодирование данных ПИТАНИЕ ВКЛЮЧЕНО 02Н 00Н 00Н 00Н 00Н 02Н ПИТАНИЕ ОТКЛЮЧЕНО 02H 01H 00H 00H 00H 03H ВЫБОР ВХОДНОГО РАЗЪЕМА “COMPUTER” 02H 03H 00H 00H 02H 01H 01H 09H ВЫБОР ВХОДНОГО ВИДЕОСИГНАЛА 02H 03H 00H 00H ...
Страница 86 - Контрольный перечень возможных неисправностей; постоянно; Питание
77 7. Приложение Не работают кнопки на корпусе проектора (только в моделях, в которых предусмо- трена функция [БЛОК. ПАНЕЛИ УПРАВЛ.]) Не включается или отключена в меню функция [БЛОК. ПАНЕЛИ УПРАВЛ.].По-прежнему нет никаких изменений, несмотря на то, что кнопка EXIT была нажата и удерживалась в тече...