Страница 2 - Сведения о беспроводной локальной сети USB:; USB в стандартной комплектации не во всех регионах и странах.; ПРИМЕЧАНИЯ
1-ое издание, апрель 2009 Сведения о беспроводной локальной сети USB: Проекторы серии NP3250/NP2250/NP1250/NP3250W поставляются с устройством беспроводной локальной сети USB в стандартной комплектации не во всех регионах и странах. При необходимости работы через беспроводное соединение с проектором ...
Страница 3 - Важная информация; Предостережения относительно безопасности; Меры предосторожности; Осторожно! Лазерное излучение; ВНИМАНИЕ
Важная информация Эта этикетка находится на боковой стороне пульта дистанционного управления. Этот знак находится в верхней части пульта дистан- ционного управления. Предостережения относительно безопасности Меры предосторожности Внимательно прочтите это руководство перед использованием проектора NE...
Страница 4 - способна оказать содержащаяся в лампе ртуть.; Утилизация использованного изделия
Важная информация Законодательство Европейского Союза, применимое в каждой стране-участнице, требует, чтобы исполь- зуемые электрические или электронные изделия, обозначенные указанным слева знаком, утилизирова- лись отдельно от обычных бытовых отходов. К таким изделиям относятся проекторы, их элект...
Страница 5 - • Не устанавливайте проектор в следующих условиях:; Размещение проектора в горизонтальном положении
Важная информация Важные меры безопасности Эти инструкции по технике безопасности предназначены для обеспечения длительного срока службы проектора и предотвращения поражения электрическим током. Пожалуйста, внимательно прочитайте их и помните обо всех предостережениях. Установка • Не устанавливайте ...
Страница 6 - проектор длительное время.
v Важная информация Меры пожарной и электрической безопасности • Чтобы предотвратить накопление тепла внутри проектора, убедитесь, что он хорошо вентилируется и что венти- ляционные отверстия не заблокированы. Расстояние между проектором и стеной должно составлять не менее 4 дюймов (10 см). • Не дот...
Страница 8 - Информация о режиме работы на большой высоте; эксплуатации оптических компонентов, например лампы.; ОБ АВТОРСКИХ ПРАВАХ НА ОРИГИНАЛЬНЫЕ ПРОЕЦИРУЕМЫЕ ИЗОБРАЖЕНИЯ.; Предостережения касательно использования; привести к пожару или поражению электрическим током.; Внимание
v Информация о режиме работы на большой высоте • Если проектор используется на большой высоте (приблизительно 5500 футов/1600 метров или выше), установите для параметра [РЕЖИМ ВЕНТИЛЯТОРА] значение [БОЛЬШАЯ ВЫСОТА]. Если при использовании проектора на высоте приблизительно 5500 футов/1600 метров или...
Страница 9 - в локальной сети в пределах действия радиоволн.; • Передаваемое содержимое может быть перехвачено; можно снизить риск возникновения таких проблем.
v Важная информация Предостережения о безопасности при использовании оборудования беспроводной локальной сети В беспроводных локальных сетях для обмена данными между беспроводными точками доступа (компьютеры и т.д.) вместо кабелей используются радиоволны, которые обеспечивают преимущество свободного...
Страница 10 - Оглавление
v Оглавление Важная информация ....................................................................................................i 1. Введение .................................................................................................................... 1 Комплектация ........................
Страница 11 - Использование функции «Просмотр»
x Оглавление Выключение проектора .......................................................................................................................................................... 34 После использования .......................................................................................
Страница 12 - Использование экранного меню
x Оглавление Проецирование данных с медиа сервера (Просмотр) .......................................................................................................... 77 Настройка «Общий доступ к файлам мультимедиа» в Проигрывателе Windows Media 11 ....................................... 77Подклю...
Страница 13 - Использование дополнительных объективов
x Оглавление 8. Использование дополнительных объективов ........................................ 139 Таблица расстояний до проекции и размеров экрана для дополнительных объективов ................................................ 139 Регулируемый диапазон смещений объектива .........................
Страница 14 - Комплектация; торговому представителю.; Только для Северной Америки
1. Введение Комплектация Убедитесь, что в комплект входит все перечисленное ниже. Если какие-либо элементы отсутствуют, обратитесь к торговому представителю. Пожалуйста, сохраните оригинальную коробку и упаковочные материалы на случай, если вам понадобится перевозить проектор. OFF VIDEO S-VID EO V...
Страница 15 - Ознакомление с проектором; жится описание его функций и элементов управления.; Поздравляем с покупкой проектора!; • ЖК-дисплей с высоким разрешением и высокой яркостью
1. Введение Ознакомление с проектором В этой главе приводится ознакомительная информация о проекторе NP3250/NP2250/NP1250/NP3250W, а также содер- жится описание его функций и элементов управления. Поздравляем с покупкой проектора! Модель NP3250/NP2250/NP1250 – это современный проектор с разрешение...
Страница 16 - Об этом руководстве пользователя; ставляет для Вас интереса, его можно пропустить.
1. Введение • Возможно использование стандартных функций Сетевой проектор и Удаленный рабочий стол в операци- онной системе Windows Vista Можно управлять компьютером с операционной системой Windows Vista по сети при помощи проектора. Проектор поддерживает функции Сетевой проектор и Удаленный рабочий...
Страница 17 - Название деталей проектора; Передняя/верхняя часть
Переключатель питания После подключения силового кабеля, входящего в комп- лект поставки, в электрическую розетку и включения проектора с помощью переключателя питания индика- тор POWER загорается оранжевым цветом, и проектор переходит в режим ожидания. ( → стр. 23 ) LAM P STAT US POW ER ON /STAN D ...
Страница 18 - Нижняя часть; Переноска проектора; Всегда несите проектор за ручку.
1. Введение Нижняя часть Ручка для переноски Переноска проектора Всегда несите проектор за ручку. Прежде чем переносить проектор, убедитесь, что от него отсоединен силовой кабель и все остальные провода под- ключения к видеоисточнику. Во время переноски или хранения проектора закрывайте объектив кры...
Страница 19 - Блокировка ручки для переноски; Осторожно поставьте проектор на торец.
1. Введение Блокировка ручки для переноски 1. Осторожно поставьте проектор на торец. 2. Нажав на фиксатор, вытащите ручку вверх. 3. Нажмите фиксатор слева и справа, чтобы поставить ручку на место. • Чтобы убрать ручку, снова нажмите фиксаторы слева и справа и опустите ручку вниз.
Страница 20 - Важнейшие функции
1. Введение Важнейшие функции 1. Кнопка POWER ( ) (ON / STAND BY) ( → стр. 23 , 34 ) ПРИМЕЧАНИЕ: Чтобы включить проектор, нажмите эту кнопку и удерживайте нажатой ее не менее 2 секунд. Для выключения проектора нажмите эту кнопку дважды. 2. Индикатор POWER ( → стр. 23 , 34 , 144 ) 3. Индикатор STATUS...
Страница 21 - Функции панели разъемов; приведены типичные коды управления с ПК.
1. Введение Функции панели разъемов 1. Разъем COMPUTER 1 IN/Component (15-штырько- вый мини-разъем D-Sub) ( → стр. 14 , 16 ) AUDIO IN (Стереофоническое мини-гнездо) ( → стр. 14 , 15 , 17 ) 2. Разъемы COMPUTER 2 IN/Component (R/cr, G/Y, B/Cb, H, V) (BNC, 5 шт.) ( → стр. 14 ) AUDIO IN (Стереофоническо...
Страница 22 - Элементы пульта дистанционного управления; Загорается при нажатии какой-либо кнопки.
1. Введение Элементы пульта дистанционного управления 4. Светодиод Загорается при нажатии какой-либо кнопки. 5. Кнопка POWER ON ( → стр. 23 ) ПРИМЕЧАНИЕ: Чтобы включить проектор, нажмите эту кнопку и удерживайте нажатой ее не менее 2 секунд. 6. Кнопка POWER OFF ( → стр. 34 ) ПРИМЕЧАНИЕ: Для выключ...
Страница 23 - Установка элемента питания
0 1. Введение Установка элемента питания 1 Нажмите на фиксатор и сни- мите крышку, закрывающую элементы питания. 2 Установите новые элементы (AA). При установке элементов пита- ния соблюдайте их полярность (+/−). 3 Установите на место крышку и задвиньте ее до щелчка. ПРИМЕЧАНИЕ: Не используйте однов...
Страница 24 - Правила обращения с пультом дистанционного управления; • Обращайтесь с пультом дистанционного управления бережно.; REMOTE
1. Введение Правила обращения с пультом дистанционного управления • Обращайтесь с пультом дистанционного управления бережно. • Если на пульт дистанционного управления попадет влага, немедленно вытрите его насухо. • Берегите пульт от чрезмерно высоких температур и влажности. • Не нагревайте элементы ...
Страница 25 - Установка и подключение; Настройка экрана и проектора; Этот проектор прост в настройке и исполь-; IR
В этом разделе описаны процедуры настройки проектора и подключения персональных компьютеров, видео- и аудио источников. 2. Установка и подключение Настройка экрана и проектора Выбор месторасположения [NP3250/NP2250/NP1250] Чем дальше от экрана или стены будет установлен проектор, тем большим будет...
Страница 27 - Осуществление подключений; Подключение ПК или компьютера Macintosh; или работы его программы управления электропитанием.; Включение внешнего экрана компьютера; ADJUST на корпусе проектора.
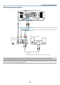
2. Установка и подключение Осуществление подключений Подключение ПК или компьютера Macintosh ПРИМЕЧАНИЕ: Подключать проектор к ноутбуку следует, когда проектор пребывает в режиме ожидания, а питание ноутбука отключено.В большинстве случаев сигнал, исходящий от ноутбука, воспринимается только при у...
Страница 28 - меню источников выберите пункт COMPUTER 3, после чего включите ПК.
WIRELESS USB(LAN) WIRELESS COMPUTER.3.(DVI-D).IN PHONE AUDIO.IN 2. Установка и подключение Во время просмотра цифрового сигнала DVI Для проецирования цифрового сигнала DVI необходимо подключить ПК к проектору с помощью кабеля передачи сигнала DVI (в комплект поставки не входит) перед тем, как будет ...
Страница 29 - емого аналогового или компонентного изображения.
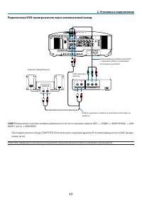
AUDIO IN WIRELESS USB(LAN) WIRELESS AUDIO OUT PHONE MONITOR OUT COMPUTER 1 IN ( или COMPUTER 2 IN / COMPONENT IN) 2. Установка и подключение Подключение внешнего монитора К проектору можно подключить отдельный внешний монитор для параллельного просмотра на мониторе проециру- емого аналогового или ко...
Страница 32 - ществить тремя способами:; Функция передачи изображений (с помощью WindowsVista)
Подключение к сети Стандартна модель NP3250/NP2250/NP1250/NP3250W оснащена портом ЛВС (RJ-45), через который можно подключаться к локальной сети с помощью кабеля ЛВС. Подключение к беспроводной ЛВС можно осуществить также через USB-блок для подключения к беспроводной локальной сети. Для подключения ...
Страница 33 - Пример подключения к ЛВС; (A) Пример подключения к проводной локальной сети; ПРИМЕЧАНИЕ: Используйте кабель ЛВС категории 5 или выше.; (Б) Пример подключения к беспроводной локальной сети
0 Пример подключения к ЛВС (A) Пример подключения к проводной локальной сети WIRELESS USB(LAN) WIRELESS LAN Сервер Концентратор Кабель ЛВС (в комплект поставки не входит) ПРИМЕЧАНИЕ: Используйте кабель ЛВС категории 5 или выше. 2. Установка и подключение (Б) Пример подключения к беспроводной локальн...
Страница 34 - Режим Ad Hoc соответствует стандарту IEEE802.11.; (В) Пример подключения к беспроводной локальной сети (Тип сети
2. Установка и подключение Для того, чтобы наладить прямую связь между персональными компьютерами и проекторами (например, по типу передачи между равноправными узлами), необходимо выбрать режим Ad Hoc. Из меню выберите [ВКЛ.] → [УСТАНОВКА(2)] → [СЕТЕВЫЕ НАСТРОЙКИ] → [БЕСПРОВОДНОЙ] → [СЛОЖНОЕ] → [ПОД...
Страница 35 - второй конец кабеля к электрической розетке.; продолжает оставаться нагретым.; О функции прямого выключения питания
2. Установка и подключение Присоединение силового кабеля, входящего в комплект поставки Подсоедините к проектору силовой кабель, входящий в комплект поставки. Сначала вставьте трехштырьковый штепсель силового кабеля в разъем AC IN проектора, после чего подсоедините второй конец кабеля к электрическо...
Страница 36 - Включение проектора; противном случае может повредиться проектор.
OFF VIDEO S-VIDEO VIEWER NETWORK COMPUTER COMPONENT ON SELECT POWER POWER MENU ENT E R EXI T 3 1 2 USBLAMPSTATUSPOWER ON/STAND BY SOURCE AUTO ADJUST 3D REFORM 3. Проецирование изображения (основная операция) В этом разделе описано, как включить проектор и спроецировать изображение на экран. Включе...
Страница 37 - Примечание об экране запуска (экран выбора языка меню); Для выбора языка меню выполните такие действия:; С помощью кнопки SELECT
OFF VIDEO S-VIDEO VIEWER NETWORK COMPUTER COMPONENT ON POWER POWER MENU ENT E R EXI T 3 1 2 SELECT 3. Проецирование изображения (основная операция) Примечание об экране запуска (экран выбора языка меню) После первого включения проектора отображается меню запуска. В нем можно выбрать для меню один из...
Страница 38 - Выбор источника сигнала; Автоматическое обнаружение сигнала; Использование пульта дистанционного управления; Выбор из списка источников
3. Проецирование изображения (основная операция) Выбор источника сигнала Выбор в качестве источника сигнала компьютера или видеооборудования Автоматическое обнаружение сигнала Нажмите и удерживайте кнопку SOURCE нажатой не менее 1 секунды; проектор бу- дет осуществлять поиск следующего доступного ...
Страница 39 - Регулировка размера и положения изображения; Коррекция трапециевидного искажения» на стр.
3. Проецирование изображения (основная операция) Для настройки размера и положения изображения можно использовать лимбы для смещения объектива, рычаги ножки для регулирования наклона проектора, рычаг масштабирования и колесико focus. Регулировка размера и положения изображения LAM P STAT US POW ER...
Страница 40 - Настройка положения проецируемого изображения; • Поверните лимб для смещения объектива.; Не поворачивайте его чрезмерно, иначе он может сломаться.
3. Проецирование изображения (основная операция) Настройка положения проецируемого изображения • Поверните лимб для смещения объектива. LAM P STATU S POW ER ON/S TAND BY SOUR CE AUTO ADJU ST 3D R EFOR M SELEC T USB SELEC T LENS S HIFT LEFT RIGHT DOWN UP W IR E L E S S W IR E L E S S LENS SHIFT LEFT ...
Страница 41 - • Для настройки фокуса поворачивайте колечко focus.; Колесико Focus; Рычаг масштабирования
3. Проецирование изображения (основная операция) Настройка фокуса (колечко Focus) • Для настройки фокуса поворачивайте колечко focus. Колесико Focus LAM P STAT US POW ER ON/S TAND BY SOUR CE AUTO ADJU ST 3D R EFOR M SELEC T USB LENS S HIFT LEFT RIGHT DOWN UP W IR E L E S S W IR E L E S S LENS RELEAS...
Страница 42 - Настройка ножки для регулирования наклона; Не дотрагивайтесь до выпускного вентиляционного отверстия во
Настройка ножки для регулирования наклона 1. Поднимите передний край проектора. ВНИМАНИЕ: Не дотрагивайтесь до выпускного вентиляционного отверстия во время настройки ножки для регулирования наклона, поскольку после включения проектор нагревается и продолжает оставаться нагретым во время периода охл...
Страница 43 - Коррекция трапециевидного искажения; Если проектор установлен под углом к экрану
0 1. Нажмите кнопку 3D REFORM на проекторе или пульте дистанцион- ного управления. На дисплее отобразится экран Основной принцип. 2. Нажмите кнопку SELECT , чтобы выбрать [ВЕРТИКАЛЬНОЕ] и затем с помощью кнопок SELECT или добейтесь параллельности левой и правой сторон проецируемого изображения...
Страница 45 - Автоматическая оптимизация цветовых оттенков изображения; Настройка изображения с помощью кнопки Auto Adjust; Автоматическая оптимизация цветовых оттенков изображения.; Увеличение и уменьшение громкости
3. Проецирование изображения (основная операция) Автоматическая оптимизация цветовых оттенков изображения Настройка изображения с помощью кнопки Auto Adjust Автоматическая оптимизация цветовых оттенков изображения. Для выполнения автоматической оптимизации цветовых оттенков изображения нажмите кно...
Страница 46 - Использование лазерной указки; • Не смотрите на лазерную указку, когда она включена.; Чтобы включить лазерную указку, нажмите и подержите кнопку LASER.; Настройка переключателя функций; Блокируйте лазер, если к прибору имеют доступ дети.
3. Проецирование изображения (основная операция) Использование лазерной указки Лазерная указка служит для привлечения внимания аудитории к красной точке, которую можно направить на любой предмет. ВНИМАНИЕ: • Не смотрите на лазерную указку, когда она включена. • Не направляйте лазерный луч на людей...
Страница 47 - Выключение проектора; Чтобы выключить проектор:; или кнопку POWER OFF на пульте дистанционного управления.; После использования
OFF VIDEO S-VIDEO VIEWER NETWORK COMPUTER COMPONENT ON SELECT POWER POWER MENU ENT E R EXI T 3 1 2 Выключение проектора Чтобы выключить проектор: 3. Проецирование изображения (основная операция) 1. Нажмите на кнопку POWER (ON/STAND BY) на корпусе проектора или кнопку POWER OFF на пульте дистанцион...
Страница 48 - Отключение изображения и звука; Повторное нажатие вернет изображение и звук.; Фиксация изображения; нажатие возобновит движение.; Увеличение и и передвижение изображения; При желании некоторую область можно увеличить до 400%.; Нажмите кнопку SELECT
FREEZE PIP LASER 3D REFORM AUTO ADJ. ASPECT HELP PICTURE PIC-MUTE LAMP MODE R-CLICK L-CLICK MOUSE VOLUME MAGNIFY PAGE UP DOWN NTER EXI T PIC-MUTE LASER 3D REFORM AUTO ADJ. ASPECT HELP PICTURE LAMP MODE R-CLICK L-CLICK MOUSEFREEZE PIP VOLUME MAGNIFY PAGE UP DOWN NTER EXI T 4. Функции удобства Отклю...
Страница 49 - Использование встроенной; Нажмите кнопку HELP на пульте дистанционного; Изменение режима лампы; или; состояние лампы не влияет даже изменение параметра [РЕЖИМ ЛАМПЫ].
4. Функции удобства OFF VIDEO S-VIDEO VIEWER NETWORK COMPUTER COMPONENT ON SELECT POWER POWER MENU 3 1 2 ENT ER EXI T Использование встроенной справочной информации Справочная информация доступна на английском, не- мецком и японском языках. 1. Нажмите кнопку HELP на пульте дистанционного управлени...
Страница 50 - Работа с меню с помощью USB-мыши; Использование USB-мыши
Работа с меню с помощью USB-мыши Курсор мыши При подключении к проектору USB-мыши на экране появится курсор. Если USB-мышью не пользуются в течение 10 секунд, курсор исчезнет. Настройка и регулировка дисплея Для выполнения настройки и регулировки можно выбрать какой-либо пункт меню и щелкнуть по нем...
Страница 51 - Использование дополнительного дистанционного приемника мыши; Подключение дистанционного приемника мыши к компьютеру; подключить дистанционный приемник мыши.; Подключение с использованием порта USB
4. Функции удобства Использование дополнительного дистанционного приемника мыши (NP01MR) Дополнительный дистанционный приемник мыши позволяет управлять функциями компьютерной мыши с пульта дистанционного управления. Он очень удобен для просмотра презентаций, созданных на компьютере. Подключение ди...
Страница 52 - Режим перетаскивания:; ментации к компьютеру или интерактивной справке.
4. Функции удобства Управление компьютерной мышью с пульта дистанционного управления Компьютерной мышью можно управлять с пульта дистанционного управления. Кнопка PAGE UP/DOWN ...................................служит для прокручивания зоны просмотра окна, а также для перехода к предыдущему или след...
Страница 53 - Коррекция горизонтального и вертикального трапециевидного; Краеугольная; Отобразится экран краеугольной коррекции.
0 Коррекция горизонтального и вертикального трапециевидного искажения [КРАЕУГОЛЬНАЯ] Функция 3D Reform используется для коррекции трапециевидного искажения, т.е. для удлинения или укорачивания верхнего/нижнего и правого/левого края изображения, чтобы оно стало прямоугольным. 4. Функции удобства Пр...
Страница 55 - был изменен, искажение будет необходимо корректировать заново.; Функция 3D Reform имеет такие диапазоны настройки:
4. Функции удобства * Максимальный угол можно получить при следующих условиях: • Используется стандартный объектив• Объектив смещен в центр Если объектив смещен, однако изображение все равно не отображается по центру, диапазон настройки можно увеличить или уменьшить. • Изображение проецируется в реж...
Страница 56 - Одновременно показывает два изображения; С помощью кнопки SELECT
4. Функции удобства 9 Одновременно показывает два изображения В данном проекторе имеется функция, которая позволяет просматривать одновременно два разных сигнала. Вы имеете два режима: Режим PIP (картинка в картинке) и режим Параллельно. Из меню можно выбрать [ВКЛ.] → [ОСНОВНОЙ] → [PIP/SIDE BY SIDE]...
Страница 57 - Просмотр двух изображений; Нажмите кнопку PIP на пульте дистанционного управления.
4. Функции удобства Просмотр двух изображений 1. Нажмите кнопку PIP на пульте дистанционного управления. Будет показан экран источников [PIP/SIDE BY SIDE ИСТ.]. 2. С помощью кнопки SELECT или выберите источник и нажмите кнопку ENTER. Будет показан экран КАРТИН. В КАРТ.(PIP) или ПАРАЛЛЕЛЬНО в зав...
Страница 61 - Проверка состояния функции безопасности; назначения ключевого слова» введите «1234».
4. Функции удобства Проверка состояния функции безопасности Чтобы узнать состояние функции безопасности, выключите и снова включите проектор. 1. Нажмите кнопку POWER (ON/STANDBY). Появится сообщение [ВЫКЛЮЧЕНИЕ / ВЫ УВЕРЕНЫ?]. После этого нажмите кнопку ENTER или повторно нажмите кнопку POWER (ON/ST...
Страница 62 - Отмена защиты; На экране отобразится меню.
Отмена защиты 1. Нажмите кнопку MENU. На экране отобразится меню. ПРИМЕЧАНИЕ: Сразу после включения проектора и отображения сообщения «Проектор заблокирован! Введите свой пароль.» внизу экрана при нажатии кнопки MENU будет отображен экран для ввода пароля. На данном этапе при нажатии кнопки MENU буд...
Страница 63 - Ограничение доступа к некоторым пунктам меню; У проектора имеется два уровня меню: СЛОЖНОЕ меню и ОСНОВНОЕ меню.; Вход в систему; Вход в систему проектора; Выход из системы; Выход из системы проектора
0 4. Функции удобства Ограничение доступа к некоторым пунктам меню Функция «Учетная запись» служит для управления доступом к пунктам меню в зависимости от уровня пользователя. У проектора имеется два уровня меню: СЛОЖНОЕ меню и ОСНОВНОЕ меню. СЛОЖНОЕ меню ............. В этом меню содержатся все д...
Страница 64 - Создание или добавление нового пользователя; Отобразится экран [УЧЕТНАЯ ЗАПИСЬ] для создания учетной записи.
4. Функции удобства Создание или добавление нового пользователя 1. Из меню выберите [ВКЛ.] → [УСТАНОВКА(2)] → [НАСТРОЙКИ БЕЗОПАСНОСТИ]. 2. Выберите [УЧЕТНАЯ ЗАПИСЬ]-[УСТАНОВКИ]. Отобразится экран [УЧЕТНАЯ ЗАПИСЬ]. 3. Выберите [СОЗДАТЬ]. Отобразится экран [УЧЕТНАЯ ЗАПИСЬ] для создания учетной записи....
Страница 65 - Удаление пользователя; Теперь пользователь удален.
4. Функции удобства Редактирование пользователя (изменение установок учетной записи) 1. Из меню выберите [ВКЛ.] → [УСТАНОВКА(2)] → [НАСТРОЙКИ БЕЗОПАСНОСТИ]. ПРИМЕЧАНИЕ: мы рекомендуем, чтобы изменением установок учетных записей занимался пользователь с учетной записью АДМИНИСТРАТОР. 2. Выберите [УЧЕ...
Страница 66 - Работа с помощью браузера HTTP; Обзор; Для доступа к функциям сервера HTTP укажите; Подготовка перед использованием; адрес для строки ввода будет иметь вид
L Работа с помощью браузера HTTP Обзор Благодаря функциям сервера HTTP можно управлять проектором через веб-браузер, не устанавливая специальное программное обеспечение. Используйте веб-браузер «Microsoft Internet Explorer 6.x» или более поздней версии. (В данном устройстве используется язык JavaScr...
Страница 67 - Структура сервера HTTP
Структура сервера HTTP POWER: служит для управления питанием проектора. ON .................................................. Питание включено. OFF ................................................ Питание выключено. LOGOFF: позволяет выйти из системы и вернуться к экрану входа в систему. VOLUME: слу...
Страница 68 - PROJECTOR STATUS: служит для отображения состояния проектора.
SOURCE SELECT: служит для переключения входных разъемов проектора. COMPUTER1 ............................... Переключение на разъем COMPUTER 1 IN. COMPUTER2 ............................... Переключение на разъем COMPUTER 2 IN. COMPUTER3 ............................... Переключение на разъем COMPUTER...
Страница 69 - Проецирование изображения с экрана компьютера через проектор; Операционная среда; (Примечание) Функция недоступна для Windows Vista Home Basic.
M Проецирование изображения с экрана компьютера через проектор по сети [СЕТЕВОЙ ПРОЕКТОР] Компьютером, основанным на Windows Vista, можно управлять по сети с помощью проектора. Проектор поддерживает функцию Сетевой проектор Windows Vista. Выбрав проектор, подключенный к той же сети, что и компьютер,...
Страница 71 - Отобразится сообщение «Хотите сохранить эти параметры?».; Проецирование изображений с сетевого проектора; В окне «Доступные проекторы» будет отображено «NP3250 Series».
4. Функции удобства 4. С помощью ползунка [Разрешение] измените разрешение на [РАЗРЕШЕНИЕ ЭКРАНА] экрана СЕТЕВОЙ ПРО- ЕКТОР. 5. Выберите [OK]. Отобразится сообщение «Хотите сохранить эти параметры?». 6. Выберите [Да]. Разрешение экрана Windows Vista изменено на [РАЗРЕШЕНИЕ ЭКРАНА], отображенное на э...
Страница 72 - Ссылка: Если на шаге 5 найти проектор не удается, выберите [; Завершение работы с сетевым проектором; Работа с сетевым проектором будет завершена.
4. Функции удобства 7. Посмотрите, какой пароль отображен на экране, спроецированном проектором.8. Введите пароль в поле ввода пароля, которое откроется после выполнения шага 3 на стр. 57. 9. Выберите [Подключить]. Запустится функция сетевого проектора, и откроется экран Windows Vista. • Если в случ...
Страница 73 - Управление компьютером по сети с помощью проектора [УДАЛЕН-; жение с экрана компьютера.; функция также доступна.
0 LAM P STATU S POW ER ON/ST AND BY SOU RCE AUTO ADJUS T 3D REFOR M SELEC T USB SELEC T L E N S S H IF T L E F T R IG H T D O W N U P W IREL ESS W IR E L E S S 4. Функции удобства N Управление компьютером по сети с помощью проектора [УДАЛЕН- НЫЙ РАБОЧИЙ СТОЛ] • Выбрав компьютер, подключенный к той ж...
Страница 75 - Система вернется к рабочему столу.; Запуск удаленного рабочего стола
4. Функции удобства 4. Выберите пункт [Просмотр состояния], отображаемый в окне синим цветом справа от пункта [Подклю- чение по локальной сети]. Откроется окно [Состояние - Подключение по локальной сети]. 5. Выберите [Сведения...]. Запишите значение, которое отобразится для «IPv4: IP-адрес» (xxx.xxx...
Страница 77 - Завершение работы с удаленным рабочим столом; Работа функции удаленного рабочего стола завершится.
Завершение работы с удаленным рабочим столом 1. С помощью беспроводной клавиатуры нажмите [Пуск] на экране рабочего стола, проецируемом проекто- ром. 2. Нажмите [X] в меню «Пуск» справа. Работа функции удаленного рабочего стола завершится. 3. С помощью кнопки SOURCE на проекторе выберите разъем вход...
Страница 78 - Оптимальное использование функции «Просмотр»; Функции
5. Использование функции «Просмотр» Оптимальное использование функции «Просмотр» Функции С помощью функции Просмотр можно просматривать слайды или видео файлы, сохраненные на запоминающем уст- ройстве USB проектора или в папке с общим доступом на компьютере, подключенном к сети. Функция ПРОСМОТР о...
Страница 79 - Сохранение данных на устройство USB-памяти; Использование программы ArcSoft MediaImpression
5. Использование функции «Просмотр» Поддерживаются видео файлы Метод сжатия/декодирования Расширение файла MPEG2 MP@ML .mpg Windows Media Video 9 .wmv ПРИМЕЧАНИЕ:• Видео файл размером больше, чем 720 × 576 пикселей (ширина × высота) воспроизводиться не будет.• Видео файлы, преобразованные при помощи...
Страница 80 - Управление функцией «Просмотр» с проектора (воспроизведение); Работа с меню программы «Просмотр»; Слайд и миниатюра; При выборе пункта ПРОСМОТР отображается один из двух экранов.; Панель управляющих элементов
5. Использование функции «Просмотр» Управление функцией «Просмотр» с проектора (воспроизведение) В данном разделе описан порядок работы по показу созданных слайдов или файлов фильмов. Проецирование слайдов («Просмотр») Подготовка: Сохраните файлы в формате JPEG или BMP (файлы в формате JPEG, BMP, ...
Страница 81 - и «Remote Desktop Connection».; Панель элементов управления
5. Использование функции «Просмотр» Показ фильма Подготовка: Сохраните файлы MPG на вставленном в компьютер запоминающем устройстве USB. Для отображения фильма 1. Нажмите кнопку SOURCE для выбора [ПРОСМОТР]. Появится окно функции «Просмотр». (В соответствии с заводской стандартной установкой, на экр...
Страница 82 - распознанных как слайды, в одной директории – около 250.; Экран миниатюр
5. Использование функции «Просмотр» ПРИМЕЧАНИЕ:• Появится символ [ ], если файл невозможно отобразить на экране миниатюр.• Появится символ «MPG» или «WMV», если файл невозможно отобразить на экране миниатюр. Подсветка ...............................................Указывает на то, что данная папка и...
Страница 83 - РЕЖИМ ВОСПРОИЗВЕДЕНИЯ:
0 5. Использование функции «Просмотр» Настройка опции для функции «Просмотр» РЕЖИМ ВОСПРОИЗВЕДЕНИЯ: РУЧНОЙ РЕЖИМ ............. Служит для выбора слайдов вручную, когда в качестве источника сигнала указана функция «Просмотр».АВТО ............................... Служит для автоматического воспроизведе...
Страница 84 - Меню МИНИАТЮРЫ; проектора. Чтобы закрыть меню МИНИАТЮРЫ, нажмите кнопку EXIT.; Выход из режима «Просмотр»; пульте дистанционного управления.
Меню МИНИАТЮРЫ Меню МИНИАТЮРЫ появляется после нажатия кнопки MENU на пульте дистанционного управления или корпусе проектора. Чтобы закрыть меню МИНИАТЮРЫ, нажмите кнопку EXIT. Меню МИНИАТЮРЫ содержит следующие команды: ВОСПРОИЗВЕДЕНИЕ ............. Воспроизведение в автоматическом или ручном режиме...
Страница 85 - Изменение логотипа фона; При помощи кнопки SELECT
5. Использование функции «Просмотр» Изменение логотипа фона С помощью функции «Просмотр» можно изменить логотип, отображаемый на фоне по умолчанию. ПРИМЕЧАНИЕ: Файл с логотипом должен иметь размер 256кб или меньше. Максимальное разрешение файла составляет 1024 × 768 в моделях NP3250/NP2250/NP1250 ...
Страница 86 - Проецирование данных из папки общего пользования (Просмотр); Подготовка; Подключение проектора к папке совместного доступа; Нажмите на кнопку VIEWER на дистанционном управлении.
5. Использование функции «Просмотр» Проецирование данных из папки общего пользования (Просмотр) Подготовка Проектора: Подсоедините проектор к локальной сети. Компьютера: Поместите файлы для проецирования в папку совместного пользования и запомните путь к папке. Запомните или запишите путь к папке ...
Страница 87 - рамме «СЕТЬ» до четырех папок совместного доступа.
5. Использование функции «Просмотр» 2. Выберите «СЕТЬ» с левой стороны экрана пиктограмм и нажмите кнопку MENU. Отобразится меню пиктограмм. Недоступные символы отображены серым цветом.• Чтобы закрыть экран пиктограмм, нажмите кнопку EXIT. 3. Выберите [ПОДКЛЮЧИТЬ] из меню пиктограмм и нажмите кнопку...
Страница 88 - Нажмите кнопку MENU во время отображения экрана пиктограмм.
5. Использование функции «Просмотр» Отображение изменений папки совместного доступа на экране пиктограмм. Если изменения касающиеся папки совместного доступа произошли после того, как проектор был подключен, используйте эту опцию для отображения обновленной информации на экране пиктограмм. 1. Нажмит...
Страница 90 - Проецирование данных с медиа сервера (Просмотр)
5. Использование функции «Просмотр» Проецирование данных с медиа сервера (Просмотр) Подготовка Проектора: Подсоедините проектор к локальной сети. Компьютера: Подготовьте графические файлы или видео-файлы для проецирования и настройте «Общий доступ к файлам мультимедиа» в Проигрывателе Windows Medi...
Страница 91 - Появится список доступных устройств.
5. Использование функции «Просмотр» 3. Выберите флажок «Открыть общий доступ к моим файлам мультимедиа» и затем выберите ОК. Появится список доступных устройств. 4. Выберите «NP3250 Series» и затем «Разрешить». К значку «NP3250 Series» будет добавлен флажок.• Название проектора «NP3250 Series» задан...
Страница 92 - Нажмите на кнопку VIEWER на дистанционном управлении.
5. Использование функции «Просмотр» Подключение проектора к медиа серверу Нажмите на кнопку VIEWER на дистанционном управлении. Запустится ПРОСМОТР. • Вы также можете запустить ПРОСМОТР, нажав несколько раз на проекторе кнопку SOURCE. ( → стр. 25 ) • Если открыт общий доступ к медиафайлам компьютера...
Страница 93 - Использование меню; Установки будут сохранены до следующих изменений.
0 Использование меню 1. Для отображения меню нажмите кнопку MENU на пульте дистанционного управления или корпусе проек- тора. ПРИМЕЧАНИЕ: Такие команды, как , ВВОД, ВЫХОД, расположенные в нижней части, отображают доступные для работы кнопки. 2. Для отображения подменю нажимайте кнопки SELECT ...
Страница 94 - Введение букв и цифр при помощи программной клавиатуры; для алфавита и специальных символов.; Во время использования пульта дистанцион-; Чтобы выбрать символ из строки, нажимайте; Во время использования мыши:; Наведите указатель на символ и щелкните его.
6. Использование экранного меню Использование СЛОЖНОГО и ОСНОВНОГО меню У проектора имеется два уровня меню: СЛОЖНОЕ меню и ОСНОВНОЕ меню. СЛОЖНОЕ меню ............. В этом меню содержатся все доступные меню и команды. К СЛОЖНОМУ меню могут иметь доступ пользователи с учетными записями АДМИНИСТРАТОР...
Страница 95 - Дерево меню; Меню
Дерево меню Меню Пункты меню ИСТ. КОМПЬЮТЕР 1, КОМПЬЮТЕР 2, КОМПЬЮТЕР 3, КОМПОНЕНТ, ВИДЕО, S-ВИДЕО, ПРОСМОТР, СЕТЬ, СПИСОК ВВОДА НАСТР. ИЗОБРАЖЕНИЕ РЕЖИМ СТАНДАРТНЫЙ, ПРОФЕССИОНАЛЬНЫЙ ПРЕДВАРИТ УСТАНОВКА 1 до 7 ПОДРОБНЫЕ УСТАНОВКИ ОБЩИЕ НАСТРОЙКИ ССЫЛКА ВЫС. ЯРК, ПРЕЗЕНТАЦИЯ, ВИДЕО, ФИЛЬМ, ГРАФИКА...
Страница 97 - Элементы меню; Окна меню и диалоговые окна обычно имеют такие элементы:; ционного управления, чтобы вызвать справку.
Элементы меню Линейка с ползунком Сплошной треугольник Подсветка Селективная кнопка Кнопка-флажок Кнопка «Отмена» Кнопка ОК Окна меню и диалоговые окна обычно имеют такие элементы: Подсветка .......................................Указывает выбранный пункт меню или параметр. Сплошной треугольник .....
Страница 100 - Служит для ввода названия сигнала. Можно ввести до 18 букв и цифр.
6. Использование экранного меню НАЗВАНИЕ ИСТОЧНИКА: Служит для ввода названия сигнала. Можно ввести до 18 букв и цифр. ВХОДНАЯ КЛЕММА: Служит для изменения входной клеммы. ЗАМКНУТЬ: Служит для установки невозможности удаления данного сигнала при выборе опции [УДАЛИТЬ ВСЁ]. После выбора [ЗАМКНУТЬ] из...
Страница 102 - Выбор режима коррекции гаммы цветов [ГАММА ПОПРАВКА]
6. Использование экранного меню [ПОДРОБНЫЕ УСТАНОВКИ] Данная функция предоставляет две страницы меню с более подробными установками. [ОБЩИЕ НАСТРОЙКИ] Выбор параметра ссылки [ССЫЛКА] Благодаря этой функции значения коррекции цвета или гаммы можно использовать в качестве справочных данных для оптимиз...
Страница 104 - Служит для ручной настройки параметров ЧАСЫ и ФАЗА.
6. Использование экранного меню [НАСТР. ИЗОБР] Настройка времени и фазы [ЧАСЫ/ФАЗА] Служит для ручной настройки параметров ЧАСЫ и ФАЗА. ЧАСЫ .............................. Используйте этот параметр для точной настройки компьютерного изображения или удаления каких-либо вертикальных полос, которые мог...
Страница 106 - RGB; Для ВИДЕО
6. Использование экранного меню Выбор аспектного отношения [AСПЕКТНОЕ ОТНОШЕНИЕ] Тип экрана – ЭКРАН 4:3 (ВИДЕО) Тип экрана – ШИРОКИЙ ЭКРАН (ВИДЕО) RGB Параметр Aспектное Отношение позволяет выбрать наилучший формат для отображения исходного изображения. Если выбрать для источника тип экрана ЭКРАН 4:...
Страница 107 - ВИДЕО
6. Использование экранного меню [NP3250/NP2250/NP1250] ВИДЕО НАПОЛНЕНИЕ 4:3 ФОКУС СЖАТИЕ ПОЧТОВЫЙ ЯЩИК ПОЧТОВЫЙ ЯЩИК ПОЧТОВЫЙ ЯЩИК ОКНО 4:3 4:3 4:3 ШИРОКИЙ ЭКРАН ШИРОКИЙ ЭКРАН AСПЕКТНОЕ ОТНОШЕНИЕ ЭКРАН 4:3 AСПЕКТНОЕ ОТНОШЕНИЕ ШИРОКИЙ ЭКРАН Уст рой ств о вв ода Си гнал RGB AСПЕКТНОЕ ОТНОШЕНИЕ AСПЕКТН...
Страница 109 - ПРИМЕЧАНИЕ: Эта функция не доступна для сигналов RGB.; Регулировка усиления контраста [УСИЛЕНИЕ КОНТРАСТА]; Настраивайте эту функцию до требуемого уровня усиления.
[ВИДЕО] Использование функции [СНИЖЕНИЕ ШУМА] Эта функция позволяет уменьшить зашумленность видеоизображения. СНИЖЕНИЕ СЛУЧАЙНОГО ШУМА.............Служит для снижения дрожания изображения. СНИЖЕНИЕ ШУМОВ ВИДЕО .....................Снижает уровень шумов, которые появляются по краям изображения во вре...
Страница 110 - Для включения/выключения эффекта трехмерного звучания.
6. Использование экранного меню [АУДИО] Управление звуком [ГРОМКОСТЬ/НЧ/ВЧ/БАЛАНС] Служит для регулировки громкости, уровня НЧ и ВЧ, левого и правого баланса динамика проектора и гнезда AUDIO OUT (стереофоническое мини-гнездо). СОВЕТ: [ГРОМКОСТЬ]• Если на экране нет никаких меню, то кнопки SELECT ...
Страница 111 - Вертикальное искажение можно корректировать вручную из меню. (
6. Использование экранного меню Описание и функции меню [ВКЛ.] [ОСНОВНОЙ] Выбор режима коррекции трапециевидного искажения [Основной принцип] С помощью этой функции можно корректировать трапециевидное искажение. При выборе этого пункта отображается меню параметров коррекции трапециевидного искажен...
Страница 112 - С помощью данной опции можно выбрать два режима: PIP и ПАРАЛЛЕЛЬНО.
6. Использование экранного меню Выбор режима краеугольной коррекции [КРАЕУГОЛЬНАЯ] С помощью этой опции можно корректировать трапециевидное искажение. При выборе этого пункта отображается экран краеугольной коррекции. ( → стр. 40 ) ПРИМЕЧАНИЕ: Когда выбраны пункты [ОСН ПРИНЦИП] или [ГЕОМЕТР. КОРРЕКЦ...
Страница 113 - цвет отличен от белого.; Выбор обычного или экономичного режима лампы [РЕЖИМ ЛАМПЫ]; с нормальным режимом.
00 6. Использование экранного меню использование функции коррекции цвета стены [ЦВЕТ СТЕНЫ] С помощью этой функции осуществляется быстрая коррекция цвета с целью адаптации изображения к экрану, чей цвет отличен от белого. Выбор обычного или экономичного режима лампы [РЕЖИМ ЛАМПЫ] Эта функция позволя...
Страница 114 - течение двух или больше недель, встроенные часы остановятся.
0 6. Использование экранного меню использование таймера выключения [ВЫКЛ ТАЙМЕР] 1. Выберите подходящее время от 30 минут до 16 часов: ВЫКЛ., 0:30, 1:00, 2:00, 4:00, 8:00, 12:00, 16:00.2. Нажмите кнопку ENTER на пульте дистанционного управления.3. Оставшееся время отсчитывается в обратном порядке.4....
Страница 115 - В окне ТАЙМЕР ПРОГРАММЫ, используя кнопку SELECT
0 6. Использование экранного меню Установите новый таймер программы 1. В окне ТАЙМЕР ПРОГРАММЫ, используя кнопку SELECT или , выберите пункт [УСТАНОВКИ], а затем нажмите кнопку ENTER. Откроется окно [СПИСОК ПРОГРАММ]. ПРИМЕЧАНИЕ: Если таймер программ включен, изменить настройки окна [СПИСОК ПРОГ...
Страница 116 - Активация таймера программы; Запрограммированные настройки будут изменены.; Изменение порядка выполнения программ; нажмите кнопку SELECT
0 4. Выберите [ОК] и нажмите кнопку ENTER. Настройка будет завершена. Снова откроется окно [СПИСОК ПРОГРАММ]. ПРИМЕЧАНИЕ: • Можно запрограммировать до 30 различных установок таймера.• Таймер программы работает на основе установленного времени, а не на основе программы.• Если программа, для которой н...
Страница 117 - Удаление программ
0 Удаление программ 1. В окне [СПИСОК ПРОГРАММ] выберите номер программы, которую нужно удалить, а затем нажмите кнопку SELECT . 2. Нажмите кнопку SELECT , чтобы выбрать пункт [УДАЛЕНИЕ]. 3. Нажмите кнопку ENTER. Откроется окно подтверждения. 4. Выберите [ДА] и нажмите кнопку ENTER. Программа бу...
Страница 118 - Выход из системы проектора [ВЫХОД ИЗ СИСТЕМЫ]; Для выхода из системы проектора выполните следующие шаги.
0 Выход из системы проектора [ВЫХОД ИЗ СИСТЕМЫ] С помощью этой функции можно выйти из системы проектора, не выключая его. Благодаря выходу из системы предупреждается работа с проектором пользователей без права доступа. Для выхода из системы проектора выполните следующие шаги. 1. Нажмите кнопку MENU ...
Страница 119 - Для цвета меню возможны две опции: цветной и монохромный.; Выбор значения параметра [ВРЕМЯ ПОКАЗА МЕНЮ]; является стандартным заводским значением.; Выбор цвета или логотипа для фона с помощью параметра [ФОН]
0 6. Использование экранного меню [МЕНЮ] Выбор значения параметра [ВЫБОР ЦВЕТА] Для цвета меню возможны две опции: цветной и монохромный. Включение/выключение функций [ДИСПЛЕЙ ИСТОЧНИКА], [ИНДИКАТОР СООБЩЕНИЯ], [ДИСПЛЕЙ ВРЕМЕНИ], [ДИСПЛЕЙ ID] ДИСПЛЕЙ ИСТОЧНИКА ....................Эта опция служит дл...
Страница 120 - ФРОНТАЛЬНАЯ СО СТОЛА
0 6. Использование экранного меню [УСТАНОВКА(1)] Выбор ориентации проектора с помощью параметра [ОРИЕНТАЦИЯ] Служит для переориентировки изображения в соответствии с типом проецирования. Имеет такие опции: фронтальная со стола, тыльная с потолка, тыльная со стола и фронтальная с потолка. ФРОНТАЛЬНАЯ...
Страница 122 - Отображается белый экран на экране компьютера.
0 6. Использование экранного меню Использование компенсации нескольких экранов [MULTI-SCREEN COMP.] Данная функция позволяет совмещать изображения проецируемые с нескольких параллельных проекторов. РЕЖИМ ........................... ВЫКЛ: Выключает эту функцию и возвращает к обычной яркости экрана. В...
Страница 123 - значенного для соединения с беспроводной ЛВС.
0 6. Использование экранного меню [УСТАНОВКА(2)] [СЕТЕВЫЕ НАСТРОЙКИ] Благодаря этой функции можно устанавливать различные настройки при использовании проектора в сети. ВНИМАНИЕ • Обратитесь за этими настройками к администратору сети.• Проекторы серии NP3250/NP2250/NP1250/NP3250W поставляются с устро...
Страница 124 - нажмите кнопку ENTER.
6. Использование экранного меню Для получения сообщений об ошибках или информации о времени до конца службы лампы по электронной почте: 1. На вкладке [ПОЧТА] выберите [ПОЧТОВОЕ ПРЕДУПРЕЖДЕНИЕ] и нажмите кнопку ENTER. Будет установлен флажок. 2. Установите [АДРЕС ОТПРАВИТЕЛЯ], [НАЗВАНИЕ СЕРВЕРА SMTP]...
Страница 125 - Использование виртуальной клавиатуры
[НАЗВАНИЕ ПРОЕКТОРА] Укажите уникальное название проектора. Нажмите , чтобы отобразить виртуальную клавиатуру, и введите назва-ние. Можно использовать до 16 буквенно-цифровых символов, знаков и символов. Введя название, выберите [ОК] и нажмите кнопку ENTER. ПРИМЕЧАНИЕ: На [НАЗВАНИЕ ПРОЕКТОРА] не пов...
Страница 126 - Вызов параметров из памяти:
6. Использование экранного меню [ПРОВОДНАЯ] ПРОФИЛИ (для порта LAN [RJ-45]): В памяти проектора можно хранить до двух настроек порта LAN (RJ-45). Выберите [ПРОФИЛЯ 1] или [ПРОФИЛЯ 2], а затем установите настройки для [DHCP] и других опций. Сделав это, выберите [ОК] и нажмите кнопку ENTER. Это позвол...
Страница 128 - которому имеется доступ.
6. Использование экранного меню [СЛОЖНОЕ] меню [ПОДКЛЮЧЕНИЕ] (необходимо только для беспроводной сети) ОБЗОР САЙТА: Отображает список доступных идентификаторов SSID для беспроводной ЛВС. Выберите идентификатор SSID, к которому имеется доступ. Чтобы выбрать SSID, выделите [SSID], с помощью кнопки SEL...
Страница 129 - ТИП ЗАЩИТЫ; Выберите режим шифрования для безопасной передачи.
6. Использование экранного меню [БЕЗОПАСНОСТЬ] (необходимо только для беспроводной сети) ТИП ЗАЩИТЫ Выберите режим шифрования для безопасной передачи. Когда в поле [ТИП ЗАЩИТЫ] выбрана позиция [WEP] или [ВЫКЛЮЧИТЬ]: Выберите эту опцию независимо от того, используется ли для шифрования ключ WEP (безо...
Страница 130 - Отобразится виртуальная клавиатура.
6. Использование экранного меню Использование виртуальной клавиатуры для ввода ключа шифрования 1. Выберите один из ключей – [КЛЮЧ 1], [КЛЮЧ 2], [КЛЮЧ 3] или [КЛЮЧ 4] – и нажмите кнопку ENTER. Отобразится виртуальная клавиатура. 2. С помощью кнопки SELECT выберите один ключ и нажмите кнопку ENT...
Страница 131 - ПОЧТОВОЕ ПРЕДУПРЕЖДЕНИЕ:
6. Использование экранного меню [ПОЧТА] ПОЧТОВОЕ ПРЕДУПРЕЖДЕНИЕ: Установка этого флажка включает функцию «Почтовое предупреждение». Благодаря этой опции, при использовании проводной или беспроводной ЛВС сообщение об ошибке доставляется на компьютер через электронную почту. Сообщение об ошибке будет ...
Страница 133 - Для назначения пароля:; БЛОКИРОВКА УЧЕТНОЙ ЗАПИСИ
0 6. Использование экранного меню [ВВОД] Для назначения пароля: ПРИМЕЧАНИЕ: можно назначить до 10 буквенно-цифровых символов. 1. Введите пароль. Выберите поле ввода [ВВЕДИТЕ ПАРОЛЬ] и нажмите кнопку ENTER. ( → стр. 81 ) Отобразится звездочка. Появится виртуальная клавиатура. С помощью виртуальной кл...
Страница 134 - безопасности доступна только после ввода пароля.
6. Использование экранного меню [БЕЗОПАСНОСТЬ] Функция безопасности позволяет защитить проектор таким образом, чтобы сигнал не проецировался без ввода паро- ля. Также существует возможность заблокировать проектор с помощью зарегистрированной памяти USB* в качестве ключа защиты. После регистрации пам...
Страница 135 - Вставьте устройство памяти USB в порт USB (тип А) проектора.; ключа используется устройство памяти USB).; Нажмите и удерживайте кнопку POWER не менее двух секунд.
6. Использование экранного меню Для регистрации устройства памяти USB в качестве ключа защиты. Подготовка: Вставьте устройство памяти USB в порт USB (тип А) проектора. 1. С помощью кнопки SELECT или выберите [ИСПОЛЬЗУЙТЕ ЗАЩИТНЫЙ КЛЮЧ] и нажмите кнопку ENTER. 2. С помощью кнопки SELECT или в...
Страница 136 - торное включение питания; Для удаления зарегистрированных данных памяти USB.; Информация на устройстве памяти USB будет удалена.
6. Использование экранного меню • До момента отключения питания (путем перевода главного переключателя питания в положение «О» или отсоединения силового кабеля) функция безопасности блокируется. Проверить защитный ключ или ввести пароль вас попросят в следующих случаях:(1) Если после выбора значения...
Страница 138 - Нажмите кнопку ID SET на пульте дистанционного управления.
6. Использование экранного меню Установка идентификатора проектора [КОНТРОЛЬ ID] ПРИМЕЧАНИЕ: Эта функция доступна только в том случае, если используется дополнительный пульт дистанционного управления (NP02RC). Данная функция не будет работать, если дистанционный пульт поставляется в комплекте с прое...
Страница 139 - Оптимизировать изображение RGB можно вручную.
6. Использование экранного меню [ОПЦИИ] Установка значения параметра [АВТО НАСТРОЙКА] С помощью этой функции можно установить режим Авто Настройка, при котором можно автоматически или вручную корректировать шум и стабильность изображения RGB. Автоматическая настройка может выполняться в двух режимах...
Страница 140 - Высокий и режим Большая высота.; Выбор формата сигнала с помощью параметра [ВЫБОР СИГНАЛА]
6. Использование экранного меню Включение функции [АВТО ВЫКЛ. ПИТАНИЯ] Когда включена эта опция, можно установить автоматическое выключение проектора (через указанное время — 5 мин., 10 мин., 20 мин., 30 мин.), если на всех входах сигнал отсутствует. Выбор высокоскоростного режима вращения вентилято...
Страница 141 - эта операция должна выполняться отдельно.; Настройка разъема MONITOR OUT [КЛЕММА ВЫХОДА]; нала подключен к разъему MONITOR OUT.
6. Использование экранного меню Выбор параметра [ЦВЕТОВАЯ СИСТЕМА] Эта функция позволяет выбирать стандарты видеосигналов вручную. Обычно выбирают [АBTO]. Выберите стандарт видеосигнала из раскрывающегося меню. Для разъемов Video и S-Video эта операция должна выполняться отдельно. Настройка разъема ...
Страница 142 - Информация приводится в следующем порядке:
6. Использование экранного меню Описания и функции меню [ИНФ.] Служит для отображения количества часов работы лампы, состояния текущего сигнала и настроек, а также настроек и версии СЕТИ. Информация приводится в следующем порядке: [ВРЕМЯ ИСПОЛЬЗОВАНИЯ] ОСТАТОЧН. РЕСУРС ЛАМПЫ (%) НАРАБОТКА ЛАМПЫ (H...
Страница 146 - точников следующим образом:
6. Использование экранного меню Описания и функции меню [ВОССТ.] Возврат заводских значений параметров Функция восстановления позволяет вернуть настройкам и установкам их заводские стандартные значения для ис- точников следующим образом: [ТЕКУЩИЙ СИГНАЛ] Возвращает настройкам текущего сигнала пред...
Страница 147 - Техническое обслуживание; при чистке фильтров и замене лампы.; Чистка или замена фильтра; положение «Откл.» и извлеките штепсель из розетки.; Для очистки воздушного фильтра:; Прочистите фильтр с помощью пылесоса через крышку фильтра.; Замените лампу перед заменой фильтров.
7. Техническое обслуживание В данном разделе описаны простые процедуры по техническому обслуживанию, которых следует придерживаться при чистке фильтров и замене лампы. Чистка или замена фильтра Губка воздушного фильтра не позволяет частицам пыли и грязи попасть внутрь проектора, поэтому данный эле...
Страница 148 - • Установите крышку фильтра на место и задвиньте ее до щелчка.; Чистка корпуса и объектива
7. Техническое обслуживание 2. Аккуратно отделите фильтр (губку) и замените его новым фильтром. 3. Повторная установка крышки фильтра. • Установите крышку фильтра на место и задвиньте ее до щелчка. 4. Подключите силовой кабель, входящий в комплект поставки, включите главный переключатель питания и в...
Страница 149 - Замена лампы; Запасная лампа и инструменты, необходимые для замены:
Замена лампы Когда срок службы лампы закончится, индикатор LAMP на корпусе будет мигать красным цветом. Хотя лампа еще может продолжать работать, для обеспечения оптимальных эксплуатационных характеристик проектора ее следует заменить. После замены лампы не забудьте обнулить счетчик часов работы л...
Страница 150 - бодно прокручиваться. Эти два винта не вынимаются.; Закажите такую лампу у продавца продукции марки NEC.
7. Техническое обслуживание 2. Отворачивайте два винта, удерживающих корпус лампы, пока крестообразная отвертка не начнет сво- бодно прокручиваться. Эти два винта не вынимаются. Возьмитесь за корпус лампы и снимите его. ПРИМЕЧАНИЕ: На кожухе находится блокировочное устройство, предохраняющее от пора...
Страница 151 - [СБРОС НАРАБОТКИ ЛАМПЫ], чтобы переустановить счетчики
LAM P STATUS POWER ON/STAND BY USB UP 1 2 LAM P STAT US POW ER ON/S TAND BY CE USB 7. Техническое обслуживание 5. Подключите силовой кабель, входящий в комплект поставки, включите главный переключатель питания и включите проектор. 6. И, наконец, выберите меню → [ВОССТ.] → [СБРОС НАРАБОТКИ ЛАМПЫ], чт...
Страница 152 - , где представлена информация об установке объектива.
8. Использование дополнительных объективов Существует пять дополнительных объективов для моделей NP3250/NP2250/NP1250/NP3250W. Информация, представ- ленная на этой странице, поможет приобрести объектив, соответствующий размеру экрана и расстоянию до проекции. См. стр. 142 , где представлена информац...
Страница 154 - Регулируемый диапазон смещений объектива
8. Использование дополнительных объективов Регулируемый диапазон смещений объектива Схема, представленная вверху справа, отображает расположение изображения в объективе. Объектив можно смещать в пределах затемненного участка, используя обычное проекционное положение в качестве отправной точки. Про...
Страница 155 - Извлеките существующий объектив из проектора.; Поверните объектив против часовой стрелки, сильно надавив до; Замена основного объектива дополнительным; поверхность объектива.
8. Использование дополнительных объективов PC CAR D LAM P STA TUS PO WE R SO UR CE AU TO AD JUS T 3D REF OR M ON /ST AN D B Y SE LEC T PC CAR D LAM P STA TUS PO WE R SO UR CE AU TO AD JUS T 3D REF OR M ON /ST AN D B Y LEFT RIGH T DOW N UP Извлеките существующий объектив из проектора. 1. Поверните об...
Страница 156 - Использование винта для защиты объектива от кражи; Поверните объектив по часовой стрелке.; Установка нового объектива; Вставьте объектив таким образом, чтобы желтый выступ
8. Использование дополнительных объективов Использование винта для защиты объектива от кражи Затяните винт для защиты от кражи, поставляемый вместе с проектором, в передней части дна проектора. Отверстие для винта, предназначенного для защиты объектива от кражи PC CAR D LAM P STA TUS PO WE R SO UR C...
Страница 157 - Устранение неисправностей; Показания индикаторов; Защита от перегрева; Если это случится, выполните нижеописанные действия.
9. Приложение Устранение неисправностей Этот раздел поможет решить проблемы, которые могут возникать при подготовке к эксплуатации и в процессе эксплуатации проектора. Показания индикаторов Индикатор электропитания Индикатор лампы Состояние индикатора Состояние проектора Примечание Выкл. Нормально...
Страница 159 - Если изображение отсутствует или отображается неправильно.; или переходите к следующему шагу.
9. Приложение Если изображение отсутствует или отображается неправильно. • Питание подается на проектор и ПК. Убедитесь, что подключение проектора к ноутбуку происходит, когда проектор пребывает в режиме ожидания, а ноутбук еще не включен.В большинстве случаев сигнал, исходящий от ноутбука, не воспр...
Страница 160 - Технические характеристики; Номер модели; Оптический
9. Приложение Технические характеристики В данном разделе содержится техническая информация об эксплуатационных характеристиках проектора. Номер модели NP3250/NP2250/NP1250/NP3250W Оптический ЖК-панель NP3250/NP2250/NP1250: Активная 0,8-дюймовая матрица экрана p-Si TFT с линзовой антенной решеткой...
Страница 161 - Механические характеристики; TÜV GS; Общие технические характеристики изделий серии NP01LM
9. Приложение Внешние элементы управления RS232, ИК, ЛВС, USB Синхронизационная совместимость Отдельная синхронизация / Композиционная синхронизация / Синхронизация по зеленому цвету Встроенные динамики 5 Вт × 2 Требования по питанию 100–240 В переменного тока, 50/60 Гц Потребляемый ток NP3250/NP325...
Страница 164 - Габаритные размеры корпуса
9. Приложение Габаритные размеры корпуса WIRELESS USB(LAN) WIRELESS 150,5/5,9" 358/14,1" 4,7/0,19" 168,3/6,63" 399/15,7" 3D REFORM SELECT MENU EXIT ENTER AUTO ADJUST SOURCE ON/STAND BY POWER STA TUS LAMP USB LENS.SHIFT LEFT RIGHT DO WN UP Единица измерения: мм/дюйм
Страница 165 - Размер экрана и проекционное расстояние; Использование графика; проектор находится в горизонтальном положении)
Размер экрана и проекционное расстояние Данный раздел следует использовать при принятии решения о расстояния до экрана и размере экрана. [NP3250/NP2250/NP1250] Согласно графику, доступные проекционные расстояния варьируются в диапазоне от 1,0 м/41,2 дюйма для 30-дюймо- вого экрана до 18 м/718 дюйм...
Страница 167 - Список размеров экрана; объектива
Список размеров экрана [NP3250/NP2250/NP1250] ПРИМЕЧАНИЕ: Величины в таблицах являются расчётными величинами и могут отличаться от действительных. Размер экрана и проекционное расстояние для проекции со стола при использовании стандартного объектива Следующий рисунок представляет собой пример исполь...
Страница 169 - Распределение контактов входного разъема D-Sub COMPUTER 1; Уровень сигнала; Номер контакта Сигнал RGB (аналоговый)
Распределение контактов входного разъема D-Sub COMPUTER 1 Миниатюрный 15-штырьковый разъем D-Sub Уровень сигнала Видеосигнал: 0,7 Vp-p (аналоговый) Сигнал синхронизации: Уровень TTL 11 15 12 14 13 6 5 4 3 2 1 10 7 9 8 9. Приложение Номер контакта Сигнал RGB (аналоговый) Сигнал YCbCr 1 Красный Синх...
Страница 170 - Перечень совместимых входных сигналов; отображаться с применением технологии масштабирования.
9. Приложение Перечень совместимых входных сигналов Сигнал Разрешение (точек) Частота по вертикали (КГц) Скорость обновления (Гц) VIDEO NTSC/PAL60 — * 15,73 59,94/60,00 PAL/SECAM — * 15,63 50,00 Совместимый с IBM 640 × 480 31,47 59,94 640 × 480 37,86 72,81 640 × 480 37,50 75,00 640 × 480 39,38 75,...
Страница 171 - Коды управления и кабельные соединения ПК; Коды управления ПК
9. Приложение Коды управления и кабельные соединения ПК Коды управления ПК Функция Кодирование данных ПИТАНИЕ ВКЛЮЧЕНО 02Н 00Н 00Н 00Н 00Н 02H ПИТАНИЕ ОТКЛЮЧЕНО 02Н 01Н 00Н 00Н 00Н 03H ВЫБОР ВХОДНОГО РАЗЪЕМА «COMPUTER 1» 02Н 03Н 00Н 00Н 02Н 01Н 01Н 09H ВЫБОР ВХОДНОГО РАЗЪЕМА «COMPUTER 2» 02Н 03Н 0...
Страница 172 - Кабельные соединения; Протокол связи
9. Приложение ПРИМЕЧАНИЕ 1: Контакты 1, 4, 6 и 9 не используются. ПРИМЕЧАНИЕ 2: Чтобы упростить кабельное соединение, соедините контакты «Request to Send» и «Clear to Send» на обоих концах кабеля. ПРИМЕЧАНИЕ 3: Для кабелей большой длины рекомендуется с помощью меню проектора установить скорость пере...
Страница 173 - Удаление и присоединение блока беспроводной локальной сети USB; правильном направлении.; Отсоединение Блока беспроводной локальной сети USB; Необходима крестовая отвертка.
0 9. Приложение Удаление и присоединение блока беспроводной локальной сети USB Важная информация • Блок беспроводной локальной сети USB состоит из двух модулей: модуля беспроводной локальной сети (USB) и соединяющего модуля. • Не вставляйте в порт блока беспроводной локальной сети USB другие USB-у...
Страница 174 - Подсоединение Блока беспроводной локальной сети USB
9. Приложение 3. Медленно извлеките заглушку или присоединенный блок беспроводной локальной сети USB. LAM P STAT US POW ER ON/ST AND BY SOUR CE AUTO ADJU ST 3D R EFOR M SELEC T USB WIRELESS WIRELESS WIRELESS WIRELESS Подсоединение Блока беспроводной локальной сети USB Необходима крестовая отвертка. ...
Страница 176 - Контрольный перечень возможных неисправностей; Частота случаев; всегда; Питание
В проектор не поступает изображение с ПК или видеооборудования. По-прежнему отсутствует изображение, несмотря на то, что сначала про- ектор был подключен к ПК, а затем запущен ПК.Обеспечение подачи исходящего сигнала с ноутбука в проектор. • Включить и отключить отображение изображения на внешнем ус...