Страница 2 - ПРИМЕЧАНИЯ
Ver. 2 2/16 • Apple, Mac, Mac OS, MacBook и iMac являются товарными знаками компании Apple Inc., зарегистрированными в США и других странах. • App Store является знаком обслуживания Apple Inc.• IOS является товарным знаком или зарегистрированным товарным знаком компании Cisco в США и других странах ...
Страница 3 - Важная информация; Предупреждения относительно безопасности; Меры предосторожности; ВНИМАНИЕ; Утилизация использованного изделия
i Важная информация Предупреждения относительно безопасности Меры предосторожности Перед эксплуатацией проектора NEC внимательно прочтите это руководство и храните его в удобном месте для ис-пользования в будущем. ВНИМАНИЕ Для отключения от сети электропитания обязательно выньте штепсель из розетки....
Страница 4 - ii
ii Важная информация Важные меры безопасности Эти инструкции по технике безопасности предназначены для обеспечения длительного срока службы проектора и предотвращения поражения электрическим током. Пожалуйста, внимательно прочитайте их о помните обо всех предостережениях. Установка • Не устанавливай...
Страница 5 - iii; Соблюдайте осторожность, когда поднимаете проектор.
iii Важная информация Меры пожарной и электрической безопасности • Чтобы предотвратить накопление тепла внутри проектора, убедитесь, что он хорошо вентилируется и что венти- ляционные отверстия не заблокированы. Расстояние между проектором и стеной должно составлять не менее 4 дюймов (10 см). • Не к...
Страница 6 - iv; проектор длительное время.; мягкого футляра может быть поврежден.; Замена лампы; лампа перегорела, осколки могут упасть вниз.
iv Важная информация • Выключайте проектор и отсоединяйте силовой кабель от электросети в случаях, если вы не планируете использовать проектор длительное время. • При использовании кабеля локальной сети: В целях безопасности не присоединяйте к разъему для внешних устройств провода, электрическое нап...
Страница 7 - плуатации оптических компонентов, например лампы.; ОБ АВТОРСКИХ ПРАВАХ НА ОРИГИНАЛЬНЫЕ ПРОЕЦИРУЕМЫЕ ИЗОБРАЖЕНИЯ.
v Важная информация Информация о режиме работы на большой высоте • Если проектор используется на большой высоте (приблизительно 4000 футов/1200 метров или выше), установите для параметра [РЕЖИМ ВЕНТИЛЯТОРА] значение [БОЛЬШАЯ ВЫСОТА]. Если при использовании проектора на высоте приблизительно 4000 фут...
Страница 8 - отсутствует на всех входах или не выполняются никакие операции.; Номер модели устройства беспроводной локальной сети
vi Важная информация Функция управления питанием Проектор имеет функции управления питанием. Для снижения потребляемой мощности функции управления питани-ем (1 и 2) являются заводскими установками, как показано ниже. Для управления проектором с внешнего устройства через LAN или соединение через посл...
Страница 9 - vii; Оглавление
vii Оглавление Важная информация ................................................................................................. i 1. Введение ...................................................................................................................1 ❶ Опись вложения ........................
Страница 10 - viii; Использование экранного меню
viii Оглавление ❺ Предупреждение несанкционированного использования проектора [БЕЗОПАСНОСТЬ] ....................................................................................................................................... 30 ❻ Просмотр 3D-изображений .............................................
Страница 11 - ix; Программное обеспечение поддержки пользователя
ix Оглавление Подключение входа HDMI ..................................................................................................................... 80Подключение документ-камеры ........................................................................................................ 81Подключе...
Страница 12 - Опись вложения
1 1. Введение ❶ Опись вложения Убедитесь, что упаковка содержит все нижеперечисленное. Если какие-либо элементы отсутствуют, обратитесь к торговому представителю.Пожалуйста, сохраните оригинальную коробку и упаковочные материалы на случай, если вам понадобится транс-портировать проектор. Проектор Пу...
Страница 13 - Ознакомление с проектором; Общие сведения; входа; Установка
2 1. Введение ❷ Ознакомление с проектором В этой главе приводится ознакомительная информация о проекторе, а также содержится описание его функций и элементов управления. Общие сведения • Однокристальный проектор DLP с высоким разрешением и высокой яркостью Название модели Панель DMD Разрешение Соотн...
Страница 14 - Энергосбережение; логией; Об этом руководстве пользователя
3 1. Введение Энергосбережение • 0,26 Вт (100–130 В перем. т.)/0,33 Вт (200–240 В перем. т.) в режиме ожидания с энергосберегающей техно- логией При выборе [НОРМАЛЬНОЕ] для [РЕЖИМ ОЖИДАНИЯ] в меню, проектор может перейти в энергосберегающий режим. НОРМАЛЬНОЕ: 0,26 Вт (100–130 В перем. т.)/0,33 Вт (2...
Страница 15 - Название деталей проектора; Лицевая сторона; Вставьте кончик ремешка в монтажное отверстие крышки объ-
4 1. Введение ❸ Название деталей проектора Лицевая сторона Дистанционный датчик ( → стр. 9 ) Диски смещения объектива (Гори- зонтально/Вертикально) ( → стр. 17 ) Крышка объектива Ножка для регулирования наклона( → стр. 20 ) Название моделиНазвание модели указано на нижней поверхности проектора Крышк...
Страница 16 - Тыльная сторона
5 1. Введение Индикаторы( → стр. 6 ) Элементы управления( → стр. 6 ) Фильтр вентиляционного входного отверстия( → стр. 113 , 123 ) Дистанционный датчик ( → стр. 9 ) Отверстие для защитной цепочки Присоедините устройство для за-щиты от кражи.В отверстие для защитной цепочки можно вставить провод или ...
Страница 17 - Элементы управления/Индикаторы; / Кнопки регулирования громкости
6 1. Введение Элементы управления/Индикаторы 7 9 11 10 2 3 4 6 8 1 5 1. Кнопка (ПИТАНИЕ) ( → стр. 12 , 24 ) 2. Индикатор ПИТАНИЕ ( → стр. 11 , 12 , 24 , 125 ) 3. Индикатор STATUS (СТАТУС) ( → стр. 125 ) 4. Индикатор LAMP (ЛАМПА) ( → стр. 125 ) 5. Кнопка ECO (ЭКО) ( → стр. 28 ) 6. Кнопка SOURCE (ИСТО...
Страница 18 - Функции панели разъемов; COMPUTER IN/ Компонентный входной разъем; приведены
7 1. Введение Функции панели разъемов 1. COMPUTER IN/ Компонентный входной разъем (миниатюрный разъем типа D с 15 контактами) ( → стр. 75 , 79 , 81 ) 2. Мини-джек COMPUTER AUDIO IN (Стерео мини) ( → стр. 75 , 79 ) 3. Разъем HDMI 1 IN (тип A) ( → стр. 75 , 76 , 80 ) 4. Разъем HDMI 2 IN (тип A) ( → ст...
Страница 19 - Название элементов пульта дистанционного контроля
8 1. Введение ❹ Название элементов пульта дистанционного контроля + 3 4 6 7 1 2 1016 17 15 14 9 5 8 13 303132 20 212628 29 25 24 23 22 27 33 19 18 12 11 1. Инфракрасный передатчик ( → стр. 9 ) 2. Кнопка POWER ON (ВКЛ.) ( → стр. 12 ) 3. Кнопка POWER STANDBY (ОЖИ- ДАНИЕ) ( → стр. 24 ) 4. Кнопка SOURCE...
Страница 20 - Установка элемента питания; Установите новые элементы; Правила обращения с пультом дистанционного контроля
9 1. Введение Установка элемента питания 1. Нажмите с усилием на крышку, закрывающую элементы пита-ния, и сдвиньте ее. 2. Установите новые элементы питания (AAA). При установке элементов питания соблюдайте их полярность (+/−). 3. Установите крышку над отсеком для элементов питания и задвинь-те ее до...
Страница 21 - Порядок проецирования изображения; - Автоматическая оптимизация сигнала компьютера (
10 В этом разделе описано, как включить проектор и спроецировать изображение на экран. ❶ Порядок проецирования изображения Шаг 1 • Подключение компьютера / Подсоединение силового кабеля ( → стр. 11 ) Шаг 2 • Включение проектора ( → стр. 12 ) Шаг 3 • Выбор источника ( → стр. 14 ) Шаг 4 • Настройка ра...
Страница 22 - Подключение компьютера/Подсоединение силового кабеля; Подсоедините прилагаемый силовой кабель к проектору.
11 2. Проецирование изображения (основная операция) ❷ Подключение компьютера/Подсоединение силового кабеля 1. Подключите компьютер к проектору. В этом разделе показано основное подключение к компьютеру. Для получения информации о других подключениях см. раздел «5. Установка и подключения» на стр. 69...
Страница 23 - Включение проектора; жение будет спроецировано на экран.
12 2. Проецирование изображения (основная операция) ❸ Включение проектора 1. Снимите крышку объектива. Когда ограничитель крышки объектива нажат, потяните его вперед и снимите. Ограничитель 2. Нажмите кнопку (ПИТАНИЕ) на корпусе проектора или кнопку POWER ON на пульте дистанционного кон-троля. Индик...
Страница 24 - Примечание об экране запуска (экран выбора языка меню); Для выбора языка меню выполните следующие действия:; С помощью кнопки
13 2. Проецирование изображения (основная операция) Примечание об экране запуска (экран выбора языка меню) После первого включения проектора отображается меню запуска. В этом меню можно выбрать один из 30 языков меню. Для выбора языка меню выполните следующие действия: 1. С помощью кнопки ▲ , ▼ , ◀ ...
Страница 25 - Выбор источника; Выбор компьютера или источника видеосигнала; • При отображении экрана ИСТОЧНИК нажимайте кнопку SOURCE (ИС-; Использование пульта дистанционного контроля
14 2. Проецирование изображения (основная операция) ❹ Выбор источника Выбор компьютера или источника видеосигнала ПРИМЕЧАНИЕ: Компьютер или иной источник видеосигнала, подключенный к проектору, должен быть включен. Автоматическое обнаружение сигнала Нажмите кнопку SOURCE (ИСТОЧНИК) один раз. Проекто...
Страница 26 - Выбор источника по умолчанию; На экране отобразится меню.
15 2. Проецирование изображения (основная операция) Выбор источника по умолчанию Вы можете указать какой-либо источник в качестве источника по умолчанию, и он будет отображаться каждый раз при включении проектора. 1. Нажмите кнопку MENU (МЕНЮ). На экране отобразится меню. 2. Дважды нажмите кнопку ▶ ...
Страница 27 - Регулировка размера и положения изображения; В этом разделе чертежи и кабели опущены для ясности.
16 2. Проецирование изображения (основная операция) ❺ Регулировка размера и положения изображения Чтобы настроить размер и положение изображения, используйте регулятор смещения объектива, ножку для регули-рования наклона, рычаг масштабирования/регулятор масштабирования и регулятор фокусировки. В это...
Страница 30 - Фокус; Используйте регулятор ФОКУС для получения наилучшего фокуса.; Масштабирование
19 2. Проецирование изображения (основная операция) Фокус Используйте регулятор ФОКУС для получения наилучшего фокуса. ПРИМЕЧАНИЕ:• Рекомендуется выполнять регулировку фокуса после выхода проектора из состояния, в котором проектор в течение 30 минут проецировал ИСПЫТАТЕЛЬНЫЙ ШАБЛОН. См. стр. 58 отно...
Страница 31 - Настройка наклона (ножка регулировки наклона); Настройка наклона влево и вправо.
20 2. Проецирование изображения (основная операция) Настройка наклона (ножка регулировки наклона) Настройка наклона влево и вправо. 1. Для настройки покрутите левую и правую ножки для регули- рования наклона. При поворачивании ножек для регулирования наклона они стано- вятся длиннее или короче. Наст...
Страница 32 - Коррекция трапецеидальных искажений [ТРАПЕЦИЯ]
21 2. Проецирование изображения (основная операция) ❻ Коррекция трапецеидальных искажений [ТРАПЕЦИЯ] Когда проектор не расположен точно перпендикулярно экрану, возникает трапецеидальное искажение. Для его уда-ления можно использовать функцию «Трапеция» — цифровую технологию, которая корректирует тра...
Страница 34 - Автоматическая оптимизация сигнала компьютера; Настройка изображения с помощью автонастройки; Увеличение или уменьшение громкости; Уровень звука из динамика или аудиовыхода можно настроить.
23 2. Проецирование изображения (основная операция) ❼ Автоматическая оптимизация сигнала компьютера Настройка изображения с помощью автонастройки Автоматическая оптимизация изображения компьютера. (КОМПЬЮТЕР)Для выполнения автоматической оптимизации компьютерного изображения нажмите кнопку AUTO ADJ ...
Страница 35 - Выключение проектора; Чтобы выключить проектор:; Сначала нажмите на кнопку
24 2. Проецирование изображения (основная операция) ❾ Выключение проектора Чтобы выключить проектор: 1. Сначала нажмите на кнопку (POWER) (ПИТАНИЕ) на корпусе проектора или кнопку STANDBY (ОЖИДАНИЕ) на пульте дистанционного контроля. Отобразится подтверждающее сообщение. • Отображенное подтверждающе...
Страница 36 - При перемещении проектора
25 2. Проецирование изображения (основная операция) ❿ При перемещении проектора Подготовка: Убедитесь, что питание проектора выключено. 1. Если установлена крышка кабеля, которая продается отдельно, снимите ее. ( → стр. 132 ) 2. Отсоедините силовой кабель. 3. Отсоедините остальные кабели. • Выньте з...
Страница 38 - Увеличение изображения; Увеличение изображения возможно до четырехкратного размера.
27 3. Полезные функции ❸ Увеличение изображения Увеличение изображения возможно до четырехкратного размера. ПРИМЕЧАНИЕ:• Максимальное увеличение может быть меньше четырехкратного в зависимости от сигнала. Чтобы сделать это: 1. Нажмите кнопку D-ZOOM (+), чтобы увеличить изображение. Для перемещения у...
Страница 39 - Изменение Эко режима/Проверка энергосберегающего эффекта; Описание
28 3. Полезные функции ❹ Изменение Эко режима/Проверка энергосберегающего эффекта Применение Эко режима [ЭКО РЕЖИМ] ЭКО РЕЖИМ (НОРМАЛЬНОЕ и ЭКО) увеличивает срок службы лампы, одновременно уменьшая потребление энергии и ограничивая выбросы CO 2 . Можно выбрать один из четырех режимов яркости лампы: ...
Страница 40 - Проверка энергосберегающего эффекта [ИЗМЕРЕНИЕ CO2]; с момента доставки до настоящего времени. Вы можете
29 3. Полезные функции Проверка энергосберегающего эффекта [ИЗМЕРЕНИЕ CO2] Данная функция демонстрирует энергосберегающий эффект, выраженный в уменьшении выбросов CO 2 (кг), когда для проектора устанавливается [ЭКО РЕЖИМ]. Эта функция называется [ИЗМЕРЕНИЕ СО2]. Возможны два сообщения: [УГЛЕРОДОСБЕР...
Страница 41 - Предупреждение несанкционированного использования; Чтобы активировать функцию безопасности:
30 3. Полезные функции ❺ Предупреждение несанкционированного использования проектора [БЕЗОПАСНОСТЬ] Можно установить пароль, чтобы предотвратить использование меню проектора неавторизованным пользователем. После установки пароля каждый раз при включении проектора будет отображаться экран для ввода п...
Страница 42 - Для включения проектора при включенной функции [БЕЗОПАСНОСТЬ]:
31 3. Полезные функции 7. Введите эту же комбинацию кнопок ▲▼◀▶ и нажмите кнопку ENTER (ВВОД). Отобразится экран подтверждения. 8. Выберите [ДА] и нажмите кнопку ENTER (ВВОД). Функция БЕЗОПАСНОСТЬ включена. Для включения проектора при включенной функции [БЕЗОПАСНОСТЬ]: 1. Нажмите кнопку POWER (ПИТАН...
Страница 43 - Чтобы отключить функцию БЕЗОПАСНОСТЬ:
32 3. Полезные функции Чтобы отключить функцию БЕЗОПАСНОСТЬ: 1. Нажмите кнопку MENU (МЕНЮ). На экране отобразится меню. 2. Выберите [ВКЛ.] → [УСТАНОВКА] → [БЕЗОПАСНОСТЬ] и нажмите кнопку ENTER (ВВОД). На экране отобразится меню ВЫКЛ./ВКЛ. 3. Выберите [ВЫКЛ.] и нажмите кнопку ENTER (ВВОД). Отобразитс...
Страница 44 - Просмотр 3D-изображений; смотра делайте перерыв продолжительностью не менее 15 минут.; Шаги для просмотра 3D-изображений на проекторе; подробной информации.; Экранное меню для 3D-изображений; Будет отображено экранное меню.
33 3. Полезные функции ❻ Просмотр 3D-изображений Проектор предоставляет возможность просмотра 3D-изображений пользователям, имеющим доступные в продаже затворные ЖК-очки. ВНИМАНИЕ Меры предосторожностиПеред просмотром обязательно ознакомьтесь с правилами техники безопасности, их можно найти в руково...
Страница 46 - Использование 3D-излучателя
35 3. Полезные функции Для просмотра 3D-изображений см. стр. 33 . Выберите [HDMI1], [HDMI2], [КОМПЬЮТЕР], [ВИДЕО] или [HDBaseT ]. ПРИМЕЧАНИЕ:• Максимальное расстояние для просмотра 3D изображений равно 10 м от поверхности экрана при следующих ограничениях: - Яркость проектора: 2000 люмен или больше-...
Страница 47 - Поиск и устранение неисправностей при просмотре 3D-изображений
36 3. Полезные функции Поиск и устранение неисправностей при просмотре 3D-изображений Если изображения не будут отображаться в 3D или 3D-изображения будут отображаться в формате 2D, проверьте следующую таблицу. Также см. руководство по эксплуатации, которое прилагается к 3D-контенту или к затворным ...
Страница 48 - Использование меню; Изменения сохраняются до следующей настройки.
37 4. Использование экранного меню ❶ Использование меню ПРИМЕЧАНИЕ: Во время проецирования чересстрочного видеоизображения экранное меню может отображаться некорректно. 1. Для отображения меню нажмите кнопку МЕНЮ на пульте дистанционного контроля или корпусе проектора. ПРИМЕЧАНИЕ: Такие команды, как...
Страница 49 - Окна меню и диалоговые окна обычно включают следующие элементы:; активен�
38 4. Использование экранного меню Элементы меню Линейка с ползунком Сплошной треугольник Вкладка Селективная кнопка Символ ЭКО режима Символ беспроводного со- единения Окна меню и диалоговые окна обычно включают следующие элементы: Подсветка �������������������������������������������������������Ук...
Страница 50 - Список пунктов меню; добавляется к пунктам основного меню.
39 4. Использование экранного меню ❷ Список пунктов меню Некоторые пункты меню недоступны в зависимости от источника входящего сигнала. Нижеперечисленные пункты меню относятся к расширенному меню. Отметка (B) добавляется к пунктам основного меню. См. стр. 88 относительно МЕНЮ APPS. Пункт меню По умо...
Страница 55 - Сохранение ваших пользовательских установок [ССЫЛКА]; Каждый режим рекомендуется для следующих целей:; Выбор размера экрана для DICOM SIM [РАЗМЕР ЭКРАНА]; Эта опция позволяет настроить желаемую цветовую температуру.; Настройка яркости и контраста [ДИНАМИЧЕСКИЙ КОНТРАСТ]
44 4. Использование экранного меню [ПОДРОБНЫЕ УСТАНОВКИ] Сохранение ваших пользовательских установок [ССЫЛКА] Данная функция позволяет сохранять пользовательские установки в [ПРЕДВАРИТ УСТАНОВКА 1] - [ПРЕДВАРИТ УСТАНОВКА 8].Сначала выберите основной режим предварительных настроек в меню [ССЫЛКА], а ...
Страница 56 - Служит для управления деталями изображения.
45 4. Использование экранного меню [КОНТРАСТ] Служит для настройки интенсивности изображения в соответствии с входящим сигналом. [ЯРКОСТЬ] Служит для настройки уровня яркости или интенсивности обратного растра. [РЕЗКОСТЬ] Служит для управления деталями изображения. [ЦВЕТ] Служит для увеличения или у...
Страница 57 - Служит для ручной настройки параметров ЧАСЫ и ФАЗА.
46 4. Использование экранного меню [НАСТР. ИЗОБР] Настройка часов и фазы [ЧАСЫ/ФАЗА] Служит для ручной настройки параметров ЧАСЫ и ФАЗА. ЧАСЫ ������������������������������ Используйте данный параметр для точной настройки компьютерного изображения или удаления каких-либо вертикальных полос, которые ...
Страница 58 - ДАННЫЕ] и восстановите настройки по умолчанию.
47 4. Использование экранного меню Настройка горизонтального/вертикального положения [ГОРИЗОНТАЛЬНО/ВЕРТИКАЛЬНОЕ] Служит для настройки положения изображения по горизонтали и вертикали. - Во время настройки [ЧАСЫ] и [ФАЗА] может происходить искажение изображения. Это не является неисправно- стью. - У...
Страница 60 - стандартное соотношение сторон для видеоисточника.; Включение функции снижения шума [СНИЖЕНИЕ ШУМА]
49 4. Использование экранного меню Пример изображения, когда автоматически определено правильное соотношение сторон [Сигнал компьютера] Соотношение сторон входящего сигнала 4:3 5:4 16:9 15:9 16:10 П р и м е р и з о б р а ж е н и я , к о гд а автоматически определено пра-вильное соотношение сторон P5...
Страница 61 - стр�
50 4. Использование экранного меню ❺ Описание и функции меню [ВКЛ.] [ОБЩИЕ НАСТРОЙКИ] Коррекция трапецеидальных искажений вручную [ТРАПЕЦИЯ] Вы можете вручную откорректировать трапецеидальные искажения по вертикали и горизонтали. Можно выбрать коррекцию [ГОРИЗОНТАЛЬНО] и [ВЕРТИКАЛЬНОЕ] (одновременно...
Страница 62 - ЭКО РЕЖИМ; АВТО ЗАТЕМНЕНИЕ; ЭКО НАСТРОЙКА
51 4. Использование экранного меню Использование функции коррекции цвета стены [ЦВЕТ СТЕНЫ] С помощью данной функции осуществляется быстрая коррекция цвета с целью адаптации изображения к экрану, цвет которого отличен от белого. Настройка различных параметров, относящихся к яркости лампы [ЭКО НАСТРО...
Страница 63 - титры в область экрана.; Использование таймера выключения [ВЫКЛ ТАЙМЕР]; Эта функция отображает меню инструментов. (
52 4. Использование экранного меню Настройка закрытого титра [ЗАКРЫТЫЙ ТИТР] С помощью этой опции можно настроить несколько режимов закрытого титра, которые обеспечивают наложение текста на изображение проектора в режимах Видео или S-Видео. ВЫКЛ� ����������������������������� Выбор этого параметра п...
Страница 64 - Для цвета меню возможны две опции: ЦВЕТ и МОНОХРОМНОЕ.; Включение / выключение отображения источника [ДИСПЛЕЙ ИСТОЧНИКА]; пульте дистанционного контроля�; Выбор времени отображения меню [ВРЕМЯ ПОКАЗА]
53 4. Использование экранного меню [МЕНЮ] Выбор значения параметра [ВЫБОР ЦВЕТА] Для цвета меню возможны две опции: ЦВЕТ и МОНОХРОМНОЕ. Включение / выключение отображения источника [ДИСПЛЕЙ ИСТОЧНИКА] Этот параметр включает и выключает отображение названия входящего источника, например: HDMI1, HDMI2...
Страница 65 - сообщения�
54 4. Использование экранного меню Выбор цвета или логотипа для фона [ФОН] Используйте эту функцию для отображения синего/черного экрана или логотипа, когда сигнал недоступен. Фоном по умолчанию является [СИНИЙ]. ПРИМЕЧАНИЕ: • Если [ДИСПЛЕЙ ИСТОЧНИКА] включен, то руководство по отсутствию сигнала, п...
Страница 66 - ФРОНТАЛЬНАЯ СО СТОЛА
55 4. Использование экранного меню [УСТАНОВКА] Выбор ориентации проектора с помощью параметра [ОРИЕНТАЦИЯ] Служит для переориентации изображения в соответствии с типом проецирования. Возможные опции: фронтальная со стола, тыльная с потолка, тыльная со стола и фронтальная с потолка. ФРОНТАЛЬНАЯ СО СТ...
Страница 68 - ID�; Присвоение или изменение контроля ID; Откроется экран КОНТРОЛЬ ID.
57 4. Использование экранного меню Установка идентификатора проектора [КОНТРОЛЬ ID] Вы можете управлять несколькими проекторами по отдельности и независимо при помощи пульта дистанционного контроля, имеющего функцию КОНТРОЛЬ ID. Если присвоить одинаковый идентификатор всем проекторам, то воз-можно л...
Страница 69 - Эта функция отображает меню сетевых настроек. (
58 4. Использование экранного меню Использование испытательного шаблона [ИСПЫТАТЕЛЬНЫЙ ШАБЛОН] Показывает испытательный шаблон для коррекции искажения на экране и фокусировки во время настройки проек-тора. Если в экранном меню выбирается [ИСПЫТАТЕЛЬНЫЙ ШАБЛОН], будет отображаться шаблон для настройк...
Страница 70 - близительно 1200 метров над уровнем моря или выше�; Включение или отключение режима WXGA [РЕЖИМ WXGA]
59 4. Использование экранного меню [ОПЦИИ(1)] Выбор режима вентилятора [РЕЖИМ ВЕНТИЛЯТОРА] Режим вентилятора позволяет установить скорость вращения встроенного охлаждающего вентилятора. АВТО ������������������������������� Скорость встроенного вентилятора подбирается автоматически в соответствии с т...
Страница 71 - для включения входящего аудиосигнала с КОМПЬЮТЕРА�; Включение звука клавиш и звука ошибок [ГУДОК]
60 4. Использование экранного меню Настройка HDMI1, HDMI2 или HDBaseT [УСТАНОВКИ HDMI] Выполните настройки для каждого видео уровня при подключении устройств HDMI и разъема ETHERNET/HDBaseT. ВИДЕО УРОВЕНЬ ������������� Выберите [АВТО] для автоматического определения уровня видео� Если автоматическое...
Страница 72 - устанавливается на проектор
61 4. Использование экранного меню [ОПЦИИ(2)] Выбор энергосбережения в режиме [РЕЖИМ ОЖИДАНИЯ] Проектор имеет два режима ожидания: [НОРМАЛЬНОЕ] и [ОЖИДАНИЕ СЕТИ].Режим НОРМАЛЬНОЕ — это режим, позволяющий установить проектор в состояние экономного потребления электро-энергии, в котором проектор потре...
Страница 73 - функцию в комбинации с функцией АВТО ВЫКЛ. ПИТАНИЯ.
62 4. Использование экранного меню Включение проектора с помощью сигнала компьютера [АВТО ВКЛ. ПИТ.] Если проектор находится в режиме ожидания, подача сигнала с компьютера или сигнала HDMI с компьютера, под-ключенного к разъему ввода COMPUTER IN, HDMI1 или HDMI2, включит проектор и одновременно начн...
Страница 74 - дущий или последний активный вход�; Настройка коэффициента углеродистого следа [РАСХОД УГЛЕРОДА]; $ ������������������������������������� Доллар США; Изменение настроек валюты и тарифа [ТАРИФ]
63 4. Использование экранного меню Выбор источника по умолчанию [ВЫБОР ФАБ УСТАН ИСТОЧ] Для проектора можно указать какой-либо из его входов в качестве источника по умолчанию, к которому он будет об-ращаться всякий раз при включении. ПОСЛЕДН ������������������������ В качестве источника по умолчанию...
Страница 75 - ВКЛ� �������������������������������� Включает режим 3D для выбранного входа�
64 4. Использование экранного меню [3D] Выбор входного разъема, подключенного к источнику 3D-изображений [HDMI1/HDMI2/КОМПЬЮТЕР/ВИДЕО/HDBaseT] [3D] Эта функция переключает режим 3D между ВКЛ. или ВЫКЛ. для каждого входа. ВКЛ� �������������������������������� Включает режим 3D для выбранного входа� П...
Страница 80 - Настройка экрана и проектора; Установка и подключения
69 ❶ Настройка экрана и проектора Используйте эту информацию для получения общей идеи вида размера экрана при установке в определенное поло-жение, какой размер экрана понадобится и какое расстояние потребуется для проецирования изображений нужного размера. Диапазон расстояния проецирования, в которо...
Страница 84 - Данный проектор оснащен функцией смещения объектива (
73 5. Установка и подключения Диапазон смещения объектива Данный проектор оснащен функцией смещения объектива ( → стр. 17 ) для настройки положения изображения с по- мощью регуляторов. Смещение объектива возможно в приведенном ниже диапазоне. ПРИМЕЧАНИЕ: • Если величина смещения объектива превышает ...
Страница 85 - Согласно «Таблице размеров экрана» (; ПРЕДУПРЕЖДЕНИЕ; мацией обратитесь к дилеру NEC.; Отражение изображения; на корпусе проектора или пульте дистанционного контроля. (
74 5. Установка и подключения (Пример) При использовании для проецирования на экран 150" [P502H/P452H] Согласно «Таблице размеров экрана» ( → стр. 71 ), H = 130,8"/332,1 см, V = 73,6"/186,8 см. Диапазон настройки в вертикальном направлении: проецируемое изображение можно передвигать ввер...
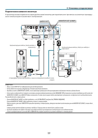
Страница 86 - Выполнение подключений; Подключение компьютера
75 5. Установка и подключения ❷ Выполнение подключений Подключение компьютера Компьютерные кабели и HDMI можно использовать для подключения к компьютеру. HDMI-кабель не включен в ком-плект проектора. Подготовьте подходящий кабель для соединения. ПРИМЕЧАНИЕ: Сигналы, которые поддерживает функция Plug...
Страница 87 - или корпусе проектора.; Предупреждения при использовании сигнала DVI; Если это произойдет, перезапустите компьютер.
76 5. Установка и подключения ПРИМЕЧАНИЕ: Проектор несовместим с выходами декодированного видеосигнала коммутатора NEC ISS-6020. ПРИМЕЧАНИЕ: Изображение может отображаться неправильно, если источник видео будет воспроизводиться через доступный в продаже преобразователь развертки. Причина обуславлива...
Страница 93 - Сетевые настройки также можно выбрать в меню APPS.; Пример подключения к локальной сети; Пример подключения к проводной локальной сети
82 5. Установка и подключения Подключение к проводной локальной сети Стандартная модель проектора оснащена портом Ethernet/HDBaseT (RJ-45) и портом LAN, через который можно под-ключаться к локальной сети с помощью кабеля LAN. Чтобы использовать соединение по локальной сети, необходимо установить нас...
Страница 94 - беспроводной локальной сети в порт USB.
83 5. Установка и подключения Подключение к беспроводной локальной сети (дополнительно: серия NP05LM) Устройство USB беспроводной локальной сети также предоставляет подключение к беспроводной локальной сети. Чтобы использовать соединение по беспроводной локальной сети, необходимо установить адрес IP...
Страница 95 - Установите крышку беспроводной локальной сети.; * Чтобы удалить устройство USB беспроводной локальной
84 5. Установка и подключения 4. Установите крышку беспроводной локальной сети. (1) Вставьте крючок на задней части крышки в паз проектора и закройте крышку беспроводной локальной сети. (2) Поверните винт по часовой стрелке, чтобы затянуть его. Паз Крючок * Чтобы удалить устройство USB беспроводной ...
Страница 99 - Возможности МЕНЮ APPS; ИНФОРМАЦИЯ
88 6. МЕНЮ APPS ❶ Возможности МЕНЮ APPS Стало возможно выбрать расширенные функции, указанные ниже, и различные настройки в МЕНЮ APPS.Для отображения МЕНЮ APPS, нажмите кнопку APPS на пульте дистанционного контроля или выберите [APPS] в каче-стве [ИСТ.] в меню на экране. ИНФОРМАЦИЯ Подробная информа...
Страница 100 - Miracast
89 6. МЕНЮ APPS ПРОСМОТР Выбор сохраненных изображений/видео и их отображение с помощью проектора. Данная функция доступна для следующего:(1) Память проектора: изображения и видео, временно сохраненные во внутренней памяти проектора.(2) Память USB: изображения и видео, сохраненные в памяти USB, подс...
Страница 101 - СЕТЕВЫЕ НАСТРОЙКИ
90 6. МЕНЮ APPS ФУНКЦИЯ ВЕБ-СЕРВЕРА ВЕБ-ОБМЕН Без использования специального программного обеспечения можно передавать изображения или файлы между про-ектором и компьютером по той же сети через доступ к веб-серверу проектора, используя веб-браузер. B A C D E Обмен файлами IMAGE EXPRESS UTILITY LITE ...
Страница 102 - Установите текущую дату и время проектора.; РЕЖИМ АДМИНИСТРАТОРА
91 6. МЕНЮ APPS ИНСТРУМЕНТЫ Выполните настройку для различных функций, таких как мышь, таймер программы, день и время, режим администра-тора и фабричная установка приложения. МЫШЬ Доступную в продаже USB-мышь можно использовать для управления МЕНЮ APPS. Выполните установку для исполь-зования. ТАЙМЕР...
Страница 103 - Программное обеспечение, включенное на компакт-диске; Служба загрузки и рабочая среда
92 7. Программное обеспечение поддержки пользователя ❶ Программное обеспечение, включенное на компакт-диске Названия и функции встроенного программного обеспечения Название программного обеспе-чения Функции Image Express Utility LiteImage Express Utility Lite для Mac • Это программное приложение исп...
Страница 104 - Проецирование экрана компьютера с проектора через; или карт памяти SD, без необходимости установки на компьютер. (; Функции программы Image Express Utility Lite
93 7. Программное обеспечение поддержки пользователя ❷ Проецирование экрана компьютера с проектора через локальную сеть (Image Express Utility Lite) С помощью приложения Image Express Utility Lite, которое содержится на прилагаемом компакт-диске NEC Projector, вы можете отправить изображение с монит...
Страница 105 - Отобразится окно меню.
94 7. Программное обеспечение поддержки пользователя Использование в среде WindowsШаг 1: Установите Image Express Utility Lite на компьютер. ПРИМЕЧАНИЕ:• Для установки или удаления программы учетная запись пользователя Windows должна обладать правами администратора. • Перед установкой закройте все р...
Страница 106 - тером можно управлять путем управления окном управления.
95 7. Программное обеспечение поддержки пользователя Шаг 2: Подсоедините проектор к локальной сети. Подключите проектор к локальной сети, следуя инструкциям «Подключение к проводной локальной сети» ( → стр. 82 ) и «Подключение к беспроводной локальной сети (Дополнительно: серия NP05LM)» ( → стр. 83 ...
Страница 107 - Просмотр файла «Справка» к приложению Image Express Utility Lite; • Отображение файла Справки для GCT во время работы приложения.
96 7. Программное обеспечение поддержки пользователя СОВЕТ: Просмотр файла «Справка» к приложению Image Express Utility Lite • Отображение файла Справки для Image Express Utility Lite во время работы приложения. Нажмите на [?] Иконка (справка) в окне панели управления. Отобразится экран Справки. • О...
Страница 108 - На рабочем столе отобразится иконка компакт-диска.; Шаг 2: Подсоедините проектор к локальной сети; На проекторе отобразится экран рабочего стола.; Просмотр справки для Image Express Utility Lite для Mac; • В меню щелкните «Справка»; Удаление программного обеспечения
97 7. Программное обеспечение поддержки пользователя Использование на MacШаг 1: Установите Image Express Utility Lite для Mac на компьютер 1. Вставьте входящий в комплект проектора NEC компакт-диск в привод CD-ROM компьютера Mac. На рабочем столе отобразится иконка компакт-диска. 2. Дважды кликните ...
Страница 109 - Проекция изображения под углом (инструментальные средства; Возможности инструментальных средств GCT; • Функция GCT предлагает следующие три способа
98 7. Программное обеспечение поддержки пользователя ❸ Проекция изображения под углом (инструментальные средства Geometric Correction Tool в приложении Image Express Utility Lite) Инструментальные средства Geometric Correction Tool (GCT ) позволяют корректировать искажения изображения, спроецированн...
Страница 110 - Поставьте отметку в поле «Use the multiple connection feature»
99 7. Программное обеспечение поддержки пользователя 2. Поставьте отметку в поле «Use the multiple connection feature» (использовать функцию множественного соединения) и затем очистите поле для отметки. 3. Нажмите кнопку «ОК». 4. Нажмите на иконку « » (Проецирование), а затем на кнопку « » (Выход). ...
Страница 111 - «Экспорт в проектор...» в
100 7. Программное обеспечение поддержки пользователя 9. Используйте мышку, чтобы щелкнуть по метке [ • ] угла, который хотите переместить. Активная в текущий момент метка [ • ] будет выделена красным цветом. (В предыдущем примере изображение диалоговых окон Windows опущено для простоты.) 10. Перета...
Страница 112 - Управление проектором через локальную сеть (PC Control Utility; Программа PC Control Utility Pro 5 совместима с Mac OS. (
101 7. Программное обеспечение поддержки пользователя ❹ Управление проектором через локальную сеть (PC Control Utility Pro 4/Pro 5) Используя утилиты «PC Control Utility Pro 4» и «PC Control Utility Pro 5», которые находятся на прилагаемом компакт-диске проектора NEC, можно управлять проектором с ко...
Страница 113 - «Стандартные»
102 7. Программное обеспечение поддержки пользователя СОВЕТ:Если окно меню не отобразилось, попробуйте выполнить следующую процедуру.Для Windows 7: 1. Нажмите «Пуск» в Windows.2. Нажмите «Все программы» → «Стандартные» → «Выполнить». 3. Введите имя привода компакт-дисков (например: «Q:\») и «LAUNCHE...
Страница 114 - «Система и безопасность»; Просмотр справки к PC Control Utility Pro 4; • Отображение файла справки, используя меню Пуск.
103 7. Программное обеспечение поддержки пользователя Шаг 2: Подсоедините проектор к локальной сети. Подключите проектор к локальной сети, следуя инструкциям «Подключение к проводной локальной сети» ( → стр. 82 ) и «Подключение к беспроводной локальной сети (Дополнительно: серия NP05LM)» ( → стр. 83...
Страница 115 - PC Control Utility Pro 5 запустится.
104 7. Программное обеспечение поддержки пользователя Использование на MacШаг 1: Установите PC Control Utility Pro 5 на компьютер 1. Вставьте входящий в комплект проектора NEC компакт-диск в привод CD-ROM компьютера Mac. На рабочем столе отобразится иконка компакт-диска. 2. Дважды кликните по иконке...
Страница 116 - • Отображение справки с помощью док-панели; Отобразится экран Справки.
105 7. Программное обеспечение поддержки пользователя СОВЕТ: Удаление программного обеспечения 1. Поместите папку «PC Control Utility Pro 5» в корзину.2. Поместите файл конфигурации PC Control Utility Pro 5 в корзину. • Файл конфигурации PC Control Utility Pro 5 находится в «/Users/<your user nam...
Страница 117 - Использование компьютерного кабеля (VGA) для; Экран виртуального дистанционного управления
106 7. Программное обеспечение поддержки пользователя ❺ Использование компьютерного кабеля (VGA) для управления проектором (Virtual Remote Tool) С помощью утилиты «Virtual Remote Tool», включенной в компакт-диск для проектора компании NEC, экран виртуального дистанционного управления (или панель инс...
Страница 118 - компьютера, чтобы использовать Virtual Remote Tool.; Шаг 1: Установите Virtual Remote Tool на компьютер
107 7. Программное обеспечение поддержки пользователя ПРИМЕЧАНИЕ:• Если на переключателе источника выбран [КОМПЬЮТЕР], экран виртуального дистанционного управления или панель инструментов будут отображены так же, как и экран компьютера. • Используйте входящий в комплект компьютерный кабель (VGA) для...
Страница 119 - Нажмите «Install Virtual Remote Tool» в окне меню.
108 7. Программное обеспечение поддержки пользователя 2 Нажмите «Install Virtual Remote Tool» в окне меню. Начнется установка. После завершения установки откроется окно приветствия. 3 Нажмите «Далее». Появится экран «END USER LICENSE AGREEMENT» (Лицензионное соглашение с конечным пользователем). Про...
Страница 120 - Появится окно Панели управления.; Шаг 2: Подсоедините проектор к компьютеру; ектора непосредственно с разъемом выхода монитора компьютера.
109 7. Программное обеспечение поддержки пользователя СОВЕТ: Удаление Virtual Remote Tool Подготовка:Выйдите из Virtual Remote Tool перед удалением. Чтобы удалить Virtual Remote Tool, учетная запись пользователя Windows должна быть с правами «Администратор» (Windows 8.1, Windows 8, Windows 7 и Windo...
Страница 121 - • Нажмите два раза на иконку; Запуск из меню пуска; Следуйте инструкциям на экранах
110 7. Программное обеспечение поддержки пользователя Шаг 3: Запустите Virtual Remote Tool Запуск с помощью иконки на рабочем столе • Нажмите два раза на иконку на рабочем столе Windows. Запуск из меню пуска • Щелкните [Пуск] → [Все программы] или [Программы] → [NEC Projector User Supportware] → [Vi...
Страница 122 - Просмотр помощи к Virtual Remote Tool; На экране отобразится всплывающее меню.
111 7. Программное обеспечение поддержки пользователя Выход из Virtual Remote Tool 1 Нажмите на иконку Virtual Remote Tool на панели задач. На экране отобразится всплывающее меню. 2 Нажмите на «Выход». Virtual Remote Tool закроется. Просмотр помощи к Virtual Remote Tool • Отображение файла помощи, и...
Страница 123 - Проецирование фотографий или документов, сохраненных на; Для Android
112 7. Программное обеспечение поддержки пользователя ❻ Проецирование фотографий или документов, сохраненных на смартфоне, через беспроводную локальную сеть (Wireless Image Utility) При использовании Wireless Image Utility возможно передавать фотографии и документы, сохраненные в устройствах, таких ...
Страница 124 - Техническое обслуживание; Чистка фильтров; Фильтр дискового колориметра:; фильтрах. Это может привести к возгоранию.
113 8. Техническое обслуживание В данном разделе описаны простые процедуры по техническому обслуживанию, которых следует придерживаться при чистке фильтров, проекционного окна, корпуса, а также для замены лампы и фильтров. ❶ Чистка фильтров Фильтры закрепляются в двух местах в данном проекторе.Фильт...
Страница 125 - Выключите подачу питания и выньте вилку из сетевой ро-; Вычистите пылесосом всю пыль из фильтра (A) и корпуса
114 8. Техническое обслуживание 1. Выключите подачу питания и выньте вилку из сетевой ро- зетки. 2. Нажмите на выступ в нижней части корпуса фильтра и вынь- те его. • Если для чистки вы переворачиваете проектор вверх дном, как показано на иллюстрации, пожалуйста, подложите коврик, например из ткани,...
Страница 126 - Вставьте корпус фильтра в корпус проектора.
115 8. Техническое обслуживание 5. Установите очищенный фильтр (A) в корпус фильтра. • Установите прорезную часть Фильтра (A), соответствующую выступающей части, в корпус фильтра. Выступ Вырез 6. Вставьте корпус фильтра в корпус проектора. Убедитесь, что корпус фильтра вставлен в правильной ориента-...
Страница 127 - Очистка объектива; чтобы не поцарапать и не повредить поверхность стекла.; проекционном окне. Это может привести к возгоранию.
116 8. Техническое обслуживание ❷ Очистка объектива • Перед чисткой отключите электропитание проектора.• Не царапайте и не пачкайте проекционное окно, так как оно изготовлено из стекла.• Используйте воздуходувный вентилятор или бумагу для очистки проекционного окна проектора и следите за тем, чтобы ...
Страница 128 - Чистка корпуса; Если он сильно загрязнен, используйте слабое чистящее средство.
117 8. Техническое обслуживание ❸ Чистка корпуса Выключите проектор и выньте силовой кабель из розетки, прежде чем чистить его.• Используйте сухую мягкую ткань, чтобы стереть пыль с корпуса. Если он сильно загрязнен, используйте слабое чистящее средство. • Никогда не используйте сильные чистящие сре...
Страница 129 - Замена лампы и фильтров; Для заказа сменной лампы укажите тип лампы.; Порядок замены лампы и фильтров; Сбросьте время наработки лампы и время наработки фильтров (
118 8. Техническое обслуживание ❹ Замена лампы и фильтров Когда истекает срок службы лампы, индикатор LAMP на корпусе будет мигать красным и появится сообщение «ИСТЕКАЕТ СРОК ЭКСПЛУАТАЦИИ ЛАМПЫ. ПОЖАЛУЙСТА, ЗАМЕНИТЕ ЛАМПУ И ФИЛЬТР.» (*). Хотя лампа еще может продолжать работать, для обеспечения опти...
Страница 130 - • Винт крышки лампы не вынимается.
119 8. Техническое обслуживание Чтобы заменить лампу и фильтр (B): 1. Снимите крышку лампы. (1) Ослабьте винт крышки лампы • Винт крышки лампы не вынимается. (2) Надавите и снимите крышку лампы. a b 2. Извлеките корпус фильтра. Прижмите ручку на корпусе филь- тра и потяните ее в направлении, указанн...
Страница 131 - (2) Очистите пыль и загрязнения внутри и снаружи фильтра с по-
120 8. Техническое обслуживание (2) Очистите пыль и загрязнения внутри и снаружи фильтра с по- мощью пылесоса. (3) Установите новый фильтр (B) в корпус фильтра. 4. Снимите корпус лампы. (1) Ослабляйте три винта, закрепляющие корпус лампы, до тех пор, пока крестообразная отвертка не начнет свободно п...
Страница 132 - (3) Закрепите лампу в предназначенном для нее месте с помощью
121 8. Техническое обслуживание 5. Установите новый корпус лампы. (1) Установите новый корпус лампы так, чтобы он вошел в разъем. (2) Нажмите на верхнюю центральную часть корпуса лампы, чтобы закрепить его. (3) Закрепите лампу в предназначенном для нее месте с помощью трех винтов.• Убедитесь, что ви...
Страница 134 - Нажмите на выступ в нижней части корпуса фильтра и вынь-; Очистите пыль и загрязнения внутри и снаружи корпуса филь-
123 8. Техническое обслуживание Чтобы заменить фильтр (A): ПРИМЕЧАНИЕ: • Перед заменой фильтров удалите пыль и грязь с корпуса проектора. • Проектор является точным прибором. Во время замены фильтров не допускайте попадания в проектор пыли и грязи.• Не мойте фильтры водой и мылом. Мыло и вода повред...
Страница 135 - Вставьте корпус фильтра в корпус проектора.; Чтобы сбросить время наработки лампы и время наработки фильтров:; [СБРОС ВРЕМЕНИ НАРАБОТКИ ЛАМПЫ] и обнулите время наработки лампы.
124 8. Техническое обслуживание 4. Установите новый фильтр (A) в корпус фильтра. • Установите прорезную часть Фильтра (A), соответствующую выступающей части, в корпус фильтра. Выступ Вырез 5. Вставьте корпус фильтра в корпус проектора. Убедитесь, что корпус фильтра вставлен в правильной ориента- ции...
Страница 136 - Устранение неисправностей; Показания индикаторов; Индикатор ПИТАНИЕ
125 9. Приложение ❶ Устранение неисправностей Этот раздел поможет решить проблемы, которые могут возникать при подготовке к эксплуатации и в процессе экс-плуатации проектора. Показания индикаторов Индикатор ПИТАНИЕ Состояние индикатора Состояние проектора Примечание ВЫКЛ� Главный переключатель питан...
Страница 137 - Защита от перегрева
126 9. Приложение Защита от перегрева Если температура внутренней части проектора становится слишком высокой, лампа выключится автоматически, а индикатор состояния начнет мигать (2 цикл: горит и не горит).Если это произошло, выполните следующие действия:• После остановки охлаждающих вентиляторов отк...
Страница 138 - Типичные неисправности и способы их устранения; Неисправность
127 9. Приложение Типичные неисправности и способы их устранения ( → «Индикатор POWER/STATUS/LAMP» на стр. 125 .) Неисправность Проверьте следующее Не включается или выключается • Проверьте, подключен ли силовой кабель и нажата ли кнопка включения питания на корпусе проектора или пульте дистанционно...
Страница 139 - Если изображение отсутствует или отображается неправильно.; ноутбук еще не включен.
128 9. Приложение Неисправность Проверьте следующее Не работает пульт дис- танционного контроля • Установите новые батареи.( → стр� 9 ) • Убедитесь, что между вами и проектором нет каких-либо препятствий. • Станьте на расстоянии 7 м или ближе от проектора. ( → стр� 9 ) Светится или мигает индикатор ...
Страница 140 - Технические характеристики
129 9. Приложение ❷ Технические характеристики В данном разделе содержится техническая информация об эксплуатационных характеристиках проектора. Название модели NP-P502H NP-P502W NP-P452H NP-P452W Метод 1-чиповый DLP-тип Технические характеристики главных деталей Панель DMD Размер 0,65" (соотнош...
Страница 141 - Спецификация на продукцию может изменяться без уведомления.
130 9. Приложение Название модели NP-P502H NP-P502W NP-P452H NP-P452W HDBaseT Видеовход Насыщенный цвет (глубина цвета): поддерживает 8/10/12 битКолориметрия: поддержка RGB, YCbCr444 и YCbCr422 Поддержка LipSync, HDCP (*4) , 3D Аудиовход Частота дискретизации: 32/44,1/48 кГцОтбор проб бит: 16/20/24 ...
Страница 142 - Габаритные размеры корпуса
131 9. Приложение 81 (3,2) 68 (2,7) 175 (6,9) 200 (7,9) 5 (0,2) 362 (14,3) 302 (11,9) 306 (12) 139 (5,5) 150 (5,9) 130 (5,1) 129 (5,1) 91 (3,6) ❸ Габаритные размеры корпуса Единица измерения: мм (дюйм) Центр объектива
Страница 143 - Прикрепление дополнительной крышки кабеля (NP09CV); Установка крышки кабеля; Совместите левое и правое отверстие под крепежные
132 9. Приложение ❹ Прикрепление дополнительной крышки кабеля (NP09CV) Закончив выполнение подключений, прикрепите крышку кабеля в комплекте, чтобы должным образом скрыть кабели. ВНИМАНИЕ: • Обязательно затяните винты после установки крышки кабеля. В противном случае крышка кабеля может отсо- единит...
Страница 144 - Снятие крышки кабеля; • Когда устройство закреплено на потолке, удерживайте,
133 9. Приложение Снятие крышки кабеля 1. Ослабляйте винты крышки, пока крестообразная отверт- ка не начнет свободно прокручиваться, затем снимите крышку. • Когда устройство закреплено на потолке, удерживайте, чтобы не уронить крышку кабеля. • Винты не вынимаются.
Страница 145 - Назначения контактов и названия сигналов главных разъемов; Разъем COMPUTER IN (миниатюрный разъем типа D с 15 контактами)
134 9. Приложение ❺ Назначения контактов и названия сигналов главных разъемов Разъем COMPUTER IN (миниатюрный разъем типа D с 15 контактами) Подключение и уровень сигнала каждого контакта 5 1 4 2 3 10 11 12 13 14 15 6 9 7 8 Уровень сигнала Видеосигнал: 0,7 В от пика до пика (аналоговый)Сигнал синхро...
Страница 146 - Протокол связи
135 9. Приложение Порт Ethernet/HDBaseT/LAN (RJ-45) 1 2 3 4 5 6 7 8 № контакта Сигнал 1 TxD+/HDBT0+ 2 TxD−/HDBT0− 3 RxD+/HDBT1+ 4 Отсоединение/HDBT2+ 5 Отсоединение/HDBT2− 6 RxD−/HDBT1− 7 Отсоединение/HDBT3+ 8 Отсоединение/HDBT3− Порт USB (тип А) 1 3 2 4 № контакта Сигнал 1 В питания 2 D− 3 D+ 4 Заз...
Страница 147 - Список совместимых входных сигналов; Аналоговый RGB
136 9. Приложение HDMI Сигнал Разрешение (точек) Соотношение сторон Скорость обнов- ления (Гц) VGA 640 × 480 4:3 60 SVGA 800 × 600 4:3 60 XGA 1024 × 768 4:3 60 WXGA 1280 × 768 * 2 15:9 60 1280 × 800 * 2 16:10 60 1366 × 768 16:9 60 Quad-VGA 1280 × 960 4:3 60 SXGA 1280 × 1024 5:4 60 SXGA+ 1400 × 1050 ...
Страница 148 - Коды управления ПК и кабельное соединение; Коды управления ПК
137 9. Приложение ❼ Коды управления ПК и кабельное соединение Коды управления ПК Функция Кодирование данных ПИТАНИЕ ВКЛЮЧЕНО 02Н 00Н 00Н 00Н 00Н 02Н ПИТАНИЕ ОТКЛЮЧЕНО 02H 01H 00H 00H 00H 03H ВЫБОР ВХОДА КОМПЬЮТЕРА 02H 03H 00H 00H 02H 01H 01H 09H ВЫБОР ВХОДА HDMI 1 02H 03H 00H 00H 02H 01H 1AH 22H ВЫБ...
Страница 149 - Обновление программного обеспечения; поддерживает соединение беспроводной локальной сети.
138 9. Приложение ❽ Обновление программного обеспечения Используя веб-браузер на компьютере, загрузите обновленное программное обеспечение для проектора с нашего веб-сайта и установите его на проектор посредством проводного соединения локальной сети. ПРИМЕЧАНИЕ:• Специальный веб-браузер позволяет об...
Страница 151 - Контрольный перечень возможных неисправностей; постоянно; Питание; Прочее
140 9. Приложение ❾ Контрольный перечень возможных неисправностей Перед тем как обратиться к своему торговому представителю или сервисному персоналу, сверьтесь с данным перечнем и убедитесь, что необходимость ремонта имеется также и на основании информации раздела «Устранение неисправно-стей» руково...
Страница 153 - ЗАРЕГИСТРИРУЙТЕ ВАШ ПРОЕКТОР! (для жителей Соединенных
142 9. Приложение ❿ ЗАРЕГИСТРИРУЙТЕ ВАШ ПРОЕКТОР! (для жителей Соединенных Штатов, Канады и Мексики) Пожалуйста, найдите время, чтобы зарегистрировать ваш новый проектор. Это приведет к активации ограниченной гарантии на детали, работу и сервисную программу InstaCare.Посетите наш веб-сайт по адресу ...