Страница 2 - ПРИМЕЧАНИЯ
Ver. 1 6/15 • Apple, Mac, Mac OS, MacBook и iMac являются товарными знаками компании Apple Inc., зарегистрированными в США и других странах. • App Store является знаком обслуживания Apple Inc.• IOS является товарным знаком или зарегистрированным товарным знаком компании Cisco в США и других странах ...
Страница 3 - Важная информация; Предупреждения относительно безопасности; Меры предосторожности; ВНИМАНИЕ; Утилизация использованного изделия
i Важная информация Предупреждения относительно безопасности Меры предосторожности Перед эксплуатацией проектора NEC внимательно прочтите это руководство и храните его в удобном месте для ис-пользования в будущем. ВНИМАНИЕ Для отключения от сети электропитания обязательно выньте штепсель из розетки....
Страница 4 - ii; • Не устанавливайте проектор в следующих условиях:
ii Важная информация Важные меры безопасности Эти инструкции по технике безопасности предназначены для обеспечения длительного срока службы проектора и предотвращения возгорания и поражения электрическим током. Пожалуйста, внимательно прочитайте их и обратите внимание на все предупреждения. Установк...
Страница 5 - iii; причиной ухудшения зрения.
iii Важная информация Меры пожарной и электрической безопасности • Не закрывайте вентиляционные отверстия проектора. Также не располагайте бумагу, ткань или другие мягкие пред- меты под проектором. Данное действие может привести к возгоранию. Установите проектор в месте, где вокруг него будет достат...
Страница 6 - iv; которых может оказаться чрезмерным.; мягкого футляра может быть поврежден.; Правила обращения с пультом дистанционного управления
iv Важная информация В целях безопасности не присоединяйте к разъему для внешних устройств провода, электрическое напряжение которых может оказаться чрезмерным. ВНИМАНИЕ • Убедитесь, что винты хорошо затянуты после установки крышки кабеля. В противном случае крышка кабеля может отсоединиться от прое...
Страница 7 - производительности модуля освещения.; Предостережение относительно безопасности лазера; может вызвать опасное радиоактивное излучение.
v Важная информация Модуль освещения 1. Данное изделие оснащено световым модулем, содержащим несколько лазерных диодов, в качестве источника освещения. 2. Эти лазерные диоды запечатаны в модуле освещения. Техническое обслуживание или сервис не требуется для производительности модуля освещения. 3. Ко...
Страница 9 - vii
vii Важная информация Об авторских правах на оригинальные проецируемые изображения: Обратите внимание, что использование этого проектора с целью получения прибыли или привлечения внимания публики в таких местах, как кафе или гостиница, а также сжатие или расширение изображения на экране при помощи с...
Страница 10 - viii; отсутствует на всех входах или не выполняются никакие операции.; Номер модели устройства беспроводной локальной сети
viii Важная информация Функция управления питанием Проектор имеет функции управления питанием. Для снижения потребляемой мощности функции управления пита-нием (1 и 2) являются фабричными предустановками, как показано ниже. Для управления проектором с внешнего устройства через LAN или соединение чере...
Страница 11 - ix; Оглавление
ix Оглавление Важная информация ................................................................................................. i 1. Введение ...................................................................................................................1 ❶ Опись вложения .........................
Страница 12 - Использование экранного меню
x Оглавление Проверка энергосберегающего эффекта [ИЗМЕРЕНИЕ CO2] ................................................ 29 ❺ Предупреждение несанкционированного использования проектора [БЕЗОПАСНОСТЬ] .............................................................................................................
Страница 13 - xi; Программное обеспечение поддержки пользователя
xi Оглавление Подключение компонентного входа ................................................................................................ 77Подключение входа HDMI ..................................................................................................................... 78Подключение ...
Страница 14 - Опись вложения
1 1. Введение ❶ Опись вложения Убедитесь, что упаковка содержит все нижеперечисленное. Если какие-либо элементы отсутствуют, обратитесь к торговому представителю.Пожалуйста, сохраните оригинальную коробку и упаковочные материалы на случай, если Вам понадобится транс-портировать проектор. Проектор Пу...
Страница 15 - Ознакомление с проектором; Общие настройки; Источник света · Яркость
2 1. Введение ❷ Ознакомление с проектором В этом разделе приводится ознакомительная информация о Вашем новом проекторе, а также содержится описание его функций и элементов управления. Общие настройки • Однокристальный проектор DLP с высоким разрешением и высокой яркостью Название модели Панель DMD Р...
Страница 17 - Название деталей проектора; Передний; Вставьте кончик ремешка в монтажное отверстие крышки объ-
4 1. Введение ❸ Название деталей проектора Передний Вентиляционное (входное) от- верстие ( → стр. 113 ) Смещение крышки объектива ( → стр. 17 ) Крышка объектива Ножка для регулирования наклона( → стр. 20 ) Вентиляционное (входное) от-верстие( → стр. 113 ) Дистанционный датчик( → стр. 9 ) Кольцо фоку...
Страница 18 - Задняя часть
5 1. Введение Элементы управления( → стр. 6 ) Дистанционный датчик ( → стр. 9 ) Встроенный слот безопасности ( )* Крышка беспроводной локальной сети ( → стр. 81 ) Ввод переменного тока Подсоедините поставляемый трех- контактный штепсель силового ка- беля здесь и вставьте другой конец в рабочую розет...
Страница 19 - Элементы управления/Индикаторы
6 1. Введение Элементы управления/Индикаторы 7 9 11 10 2 3 4 6 8 1 5 1. Кнопка (POWER) (ПИТАНИЕ) ( → стр. 12 , 24 ) 2. Индикатор POWER (ПИТАНИЕ) ( → стр. 11 , 12 , 24 , 115 ) 3. Индикатор STATUS (СТАТУС) ( → стр. 115 ) 4. Индикатор LIGHT (ОСВЕЩЕНИЕ) ( → стр. 115 ) 5. Кнопка ЭКО ( → стр. 28 ) 6. Кноп...
Страница 20 - Функции панели разъемов; COMPUTER IN/ Компонентная входная клемма; приведены типичные коды
7 1. Введение Функции панели разъемов 1. COMPUTER IN/ Компонентная входная клемма (миниатюрный разъем типа D с 15 контактами) ( → стр. 73 , 77 , 79 ) 2. Мини-гнездо КОМПЬЮТЕР АУДИОВХОД (стерео мини) ( → стр. 73 , 77 ) 3. Разъем HDMI 1 IN (тип A) ( → стр. 73 , 74 , 78 ) 4. Разъем HDMI 2 IN (тип A) ( ...
Страница 21 - Название элементов пульта дистанционного контроля; Кнопка CLEAR
8 1. Введение ❹ Название элементов пульта дистанционного контроля + 3 4 6 7 1 2 1016 17 15 14 9 5 8 13 303132 20 212628 29 25 24 23 22 27 33 19 18 12 11 1. Инфракрасный передатчик ( → стр. 9 ) 2. Кнопка POWER ON ( → стр. 12 ) 3. Кнопка POWER STANDBY ( → стр. 24 ) 4. Кнопка SOURCE (ИСТОЧНИК) ( → стр....
Страница 22 - Установка элемента питания; Установите новые элементы; Правила обращения с пультом дистанционного контроля; новлена крышка кабелей, которая продается отдельно.; Диапазон работы беспроводного пульта дистанционного контроля
9 1. Введение Установка элемента питания 1. Нажмите на крышку, закрыва- ю щ у ю э л е м е н т ы п и т а н и я , и сдвиньте ее. 2. Установите новые элементы (AAA). При установке элементов питания соблюдайте их поляр-ность (+/−). 3. Ус т а н о в и т е к р ы ш к у н а д о т - секом для элементов питани...
Страница 23 - Порядок проецирования изображения; - Автоматическая оптимизация сигнала компьютера (
10 В этом разделе описано, как включить проектор и спроецировать изображение на экран. ❶ Порядок проецирования изображения Шаг 1 • Подключение компьютера / Подсоединение силового кабеля ( → стр. 11 ) Шаг 2 • Включение проектора ( → стр. 12 ) Шаг 3 • Выбор источника ( → стр. 14 ) Шаг 4 • Настройка ра...
Страница 24 - Подключение компьютера / Подсоединение силового кабеля; Подсоедините прилагаемый силовой кабель к проектору.
11 2. Проецирование изображения (основная операция) ❷ Подключение компьютера / Подсоединение силового кабеля 1. Подключите компьютер к проектору. В этом разделе показано основное подключение к компьютеру. Для получения информации о других подключениях см. «5. Установка и подключения» на стр. 73 . По...
Страница 25 - Включение проектора; ПРЕДУПРЕЖДЕНИЕ; жение будет спроецировано на экран.
12 2. Проецирование изображения (основная операция) ❸ Включение проектора ПРЕДУПРЕЖДЕНИЕ Проектор является источником мощного освещения. При включении питания убедитесь, что в диапазоне проеци-рования никто не смотрит в объектив. 1. Снимите крышку объектива. Когда ограничитель крышки объектива нажат...
Страница 26 - Примечание на экране запуска (экран выбора языка меню); Для выбора языка меню выполните следующие действия:; С помощью кнопки
13 2. Проецирование изображения (основная операция) Примечание на экране запуска (экран выбора языка меню) После первого включения проектора отображается меню запуска. В этом меню можно выбрать один из 30 языков меню. Для выбора языка меню выполните следующие действия: 1. С помощью кнопки ▲ , ▼ , ◀ ...
Страница 27 - Выбор источника; Выбор компьютера или источника видеосигнала; • При отображении экрана ИСТ. нажмите кнопку ИСТ. несколько раз,; Использование пульта дистанционного контроля
14 2. Проецирование изображения (основная операция) ❹ Выбор источника Выбор компьютера или источника видеосигнала ПРИМЕЧАНИЕ: Компьютер или иной источник видеосигнала, подключенный к компьютеру, должен быть включен. Автоматическое обнаружение сигнала Нажмите кнопку SOURCE (ИСТОЧНИК) один раз. Проект...
Страница 28 - Выбор источника по умолчанию; На экране отобразится меню.
15 2. Проецирование изображения (основная операция) Выбор источника по умолчанию Вы можете указать какой-либо источник в качестве источника по умолчанию, и он будет отображаться каждый раз при включении проектора. 1. Нажмите кнопку МЕНЮ. На экране отобразится меню. 2. Дважды нажмите кнопку ▶ для выб...
Страница 29 - Регулировка размера и положения изображения; В этом разделе чертежи и кабели опущены для ясности.
16 2. Проецирование изображения (основная операция) ❺ Регулировка размера и положения изображения Чтобы настроить размер и положение изображения, используйте регулятор сдвига объектива, ножку для регулирования наклона, рычаг изменения фокусного расстояния/кольцо масштабирования и кольцо фокусировки....
Страница 30 - Откройте ограничитель крышки, нажав его вперед.
17 2. Проецирование изображения (основная операция) Настройка положения проецируемого изображения по вертикали (Смещение объектива) ВНИМАНИЕ Выполняйте настройку, стоя сзади или сбоку от проектора. Если во время настройки находиться перед проектором, сильный свет, направленный в глаза, может нарушит...
Страница 31 - Вставьте 2 (два) крючка крышки в пазы проектора, затем закройте
18 2. Проецирование изображения (основная операция) ПРИМЕЧАНИЕ:• Регуляторы можно повернуть более чем на один полный оборот, но положение проекции может смещаться только в пределах диапазона, показанного на следующей странице. Не прилагайте усилий для поворота регуляторов. Это может повредить регуля...
Страница 32 - Фокус; Масштабирование
19 2. Проецирование изображения (основная операция) Фокус Используйте кольцо ФОКУСИРОВКИ для получения наилучшего фокуса. Кольцо фокусировки Масштабирование Поверните рычаг масштабирования по часовой стрелке или против часовой стрелки. Рычаг масштабирования
Страница 33 - Настройка наклона (ножка регулировки наклона); Настройка наклона влево и вправо.; выпасть из проектора.
20 2. Проецирование изображения (основная операция) Настройка наклона (ножка регулировки наклона) Настройка наклона влево и вправо. 1. Для настройки покрутите левую и правую ножки для регули- рования наклона. При поворачивании ножек для регулирования наклона они стано- вятся длиннее или короче. Наст...
Страница 34 - Коррекция трапецеидальных искажений [ТРАПЕЦИЯ]; На экране отобразится экран «Трапеция».; • Более короткую сторону проецируемого изображения используйте
21 2. Проецирование изображения (основная операция) ❻ Коррекция трапецеидальных искажений [ТРАПЕЦИЯ] Когда проектор не расположен точно перпендикулярно экрану, возникает трапецеидальное искажение. Для его удаления можно использовать функцию «Трапеция» - цифровую технологию, которая регулирует трапец...
Страница 36 - Автоматическая оптимизация сигнала компьютера; Настройка изображения с помощью кнопки Автонастройка; Увеличение или уменьшение громкости; Уровень звука из динамика или аудиовыхода можно настроить.
23 2. Проецирование изображения (основная операция) ❼ Автоматическая оптимизация сигнала компьютера Настройка изображения с помощью кнопки Автонастройка Автоматическая оптимизация изображения компьютера. (КОМПЬЮТЕР)Для выполнения автоматической оптимизации компьютерного изображения нажмите кнопку АВ...
Страница 37 - Выключение проектора; Чтобы выключить проектор:; Сначала нажмите на кнопку
24 2. Проецирование изображения (основная операция) ❾ Выключение проектора Чтобы выключить проектор: 1. Сначала нажмите на кнопку (POWER) (ПИТАНИЕ) на корпусе проектора или кнопку STANDBY на пульте дис-танционного контроля. Отобразится подтверждающее сообщение. • Отображенное подтверждающее сообщени...
Страница 38 - При перемещении проектора
25 2. Проецирование изображения (основная операция) ❿ При перемещении проектора Подготовка: Убедитесь, что питание проектора выключено. 1. Если установлена крышка кабеля, которая продается отдельно, снимите ее. ( → стр. 122 ) 2. Отсоедините силовой кабель. 3. Отсоедините остальные кабели. • Выньте з...
Страница 40 - Увеличение изображения; Увеличение изображения возможно до четырехкратного размера.
27 3. Удобные функции ❸ Увеличение изображения Увеличение изображения возможно до четырехкратного размера. ПРИМЕЧАНИЕ:• Максимальное увеличение может быть меньше четырехкратного в зависимости от сигнала. Чтобы сделать это: 1. Нажмите кнопку D-ZOOM (+), чтобы увеличить изображение. Для перемещения ув...
Страница 41 - Изменение Эко-режима/Проверка энергосберегающего эффекта; проектора снижаются.
28 3. Удобные функции ❹ Изменение Эко-режима/Проверка энергосберегающего эффекта Применение Эко-режима [ЭКО РЕЖИМ] Когда [ЭКО РЕЖИМ] [РЕЖИМА ИСТОЧНИКА СВЕТА] установлен на [ЭКО1] или [ЭКО2], яркость и звук при работе умень-шаются. Кроме того, энергопотребление снижается, а выбросы СО 2 проектора сни...
Страница 42 - Проверка энергосберегающего эффекта [ИЗМЕРЕНИЕ CO2]; с момента доставки до настоящего времени. Вы можете
29 3. Удобные функции Проверка энергосберегающего эффекта [ИЗМЕРЕНИЕ CO2] Данная функция демонстрирует энергосберегающий эффект, выраженный в уменьшении выбросов CO 2 (кг), когда [ЭКО РЕЖИМ] проектора установлен на [ЭКО 1] или [ЭКО2]. Эта функция называется [ИЗМЕРЕНИЕ СО2]. Возможны два сообщения: [...
Страница 43 - Предупреждение несанкционированного использования; Чтобы активировать функцию безопасности:
30 3. Удобные функции ❺ Предупреждение несанкционированного использования проектора [БЕЗОПАСНОСТЬ] Можно установить пароль, чтобы предотвратить использование меню проектора неавторизованным пользователем. После установки пароля каждый раз при включении проектора будет отображаться экран для ввода па...
Страница 44 - Для включения проектора при включенной функции [БЕЗОПАСНОСТЬ]:
31 3. Удобные функции 7. Введите эту же комбинацию кнопок ▲▼◀▶ и нажмите кнопку ENTER (ВВОД). Отобразится экран подтверждения. 8. Выберите [ДА] и нажмите кнопку ENTER (ВВОД). Функция БЕЗОПАСНОСТЬ включена. Для включения проектора при включенной функции [БЕЗОПАСНОСТЬ]: 1. Нажмите кнопку POWER (ПИТАНИ...
Страница 45 - Чтобы отключить функцию БЕЗОПАСНОСТЬ:
32 3. Удобные функции Чтобы отключить функцию БЕЗОПАСНОСТЬ: 1. Нажмите кнопку МЕНЮ. На экране отобразится меню. 2. Выберите [ВКЛ.] → [УСТАНОВКА] → [БЕЗОПАСНОСТЬ] и нажмите кнопку ENTER (ВВОД). На экране отобразится меню ВЫКЛ./ВКЛ. 3. Выберите [ВЫКЛ.] и нажмите кнопку ENTER (ВВОД). Отобразится экран ...
Страница 46 - Просмотр 3D изображений; смотра делайте перерыв продолжительностью не менее 15 минут.; Шаги для просмотра 3D-изображений на проекторе; более подробной информации.; Экранное меню для 3D изображений; Будет отображено экранное меню.
33 3. Удобные функции ❻ Просмотр 3D изображений Проектор предоставляет возможность просмотра 3D изображений пользователям, имеющим доступные в продаже затворные ЖК-очки. ВНИМАНИЕ Меры предосторожностиПеред просмотром обязательно ознакомьтесь с правилами техники безопасности, их можно найти в руковод...
Страница 48 - Использование 3D излучателя; Подключите 3D излучатель к разъему 3D СИНХРОНИЗАЦИЯ проектора.
35 3. Удобные функции Для просмотра 3D изображений см. стр. 33 . Выберите [HDMI1], [HDMI2], [КОМПЬЮТЕР], [ВИДЕО] или [HDBaseT ]. ПРИМЕЧАНИЕ:• Максимальное расстояние для просмотра 3D изображений равно 10 м/394 дюймам от поверхности экрана при следующих ограничениях: - Яркость проектора: 2 000 люмено...
Страница 49 - Поиск и устранение неисправностей при просмотре 3D изображений
36 3. Удобные функции Поиск и устранение неисправностей при просмотре 3D изображений Если изображения не будут отображаться в 3D или 3D изображения будут отображаться в формате 2D, проверьте сле-дующую таблицу. Также см. руководство по эксплуатации, которое прилагается к 3D контенту или к Вашим затв...
Страница 50 - Использование меню; Изменения сохраняются до следующей настройки.
37 4. Использование экранного меню ❶ Использование меню ПРИМЕЧАНИЕ: Во время проецирования чересстрочного видеоизображения экранное меню может отображаться некорректно. 1. Для отображения меню нажмите кнопку МЕНЮ на пульте дистанционного контроля или корпусе проектора. ПРИМЕЧАНИЕ: Такие команды, как...
Страница 51 - Окна меню и диалоговые окна обычно включают следующие элементы:; активен�
38 4. Использование экранного меню Элементы меню Скользящая полоса Сплошной треугольник Вкладка Селективная кнопка Символ ЭКО режима Символ беспроводного со- единения Окна меню и диалоговые окна обычно включают следующие элементы: Подсветка �������������������������������������������������������Указ...
Страница 52 - Список пунктов меню; добавляется к пунктам основного меню.
39 4. Использование экранного меню ❷ Список пунктов меню Некоторые пункты меню недоступны в зависимости от источника входящего сигнала. Нижеперечисленные пункты меню относятся к расширенному меню. Отметка (B) добавляется к пунктам основного меню. См. стр. 88 относительно МЕНЮ APPS. Пункт меню По умо...
Страница 57 - Сохранение Ваших пользовательских установок [ССЫЛКА]; Каждый режим рекомендуется для следующих целей:; Выбор размера экрана для DICOM SIM [РАЗМЕР ЭКРАНА]; Эта опция позволяет настроить цветовую температуру.; Настройка яркости и контраста [ДИНАМИЧЕСКИЙ КОНТРАСТ]
44 4. Использование экранного меню [ПОДРОБНЫЕ УСТАНОВКИ] Сохранение Ваших пользовательских установок [ССЫЛКА] Данная функция позволяет сохранять пользовательские установки в [ПРЕДВАРИТ УСТАНОВКА 1] - [ПРЕДВАРИТ УСТА-НОВКА 7].Сначала выберите основной режим предварительных настроек в меню [ССЫЛКА], а...
Страница 58 - Служит для управления деталями изображения.
45 4. Использование экранного меню [КОНТРАСТ] Служит для настройки интенсивности изображения в соответствии с входящим сигналом. [ЯРКОСТЬ] Служит для настройки уровня яркости или интенсивности обратного растра. [РЕЗКОСТЬ] Служит для управления деталями изображения. [ЦВЕТ] Служит для увеличения или у...
Страница 59 - Служит для ручной настройки параметров ЧАСЫ и ФАЗА.
46 4. Использование экранного меню [НАСТР. ИЗОБР] Настройка часов и фазы [ЧАСЫ/ФАЗА] Служит для ручной настройки параметров ЧАСЫ и ФАЗА. ЧАСЫ ������������������������������ Используйте данный параметр для точной настройки компьютерного изображения или удаления каких-либо вертикальных полос, которые ...
Страница 60 - ДАННЫЕ] и восстановите настройки по умолчанию.
47 4. Использование экранного меню Настройка горизонтального/вертикального положения [ГОРИЗОНТАЛЬНО/ВЕРТИКАЛЬНОЕ] Служит для настройки положения изображения по горизонтали и вертикали. - Во время настройки [ЧАСЫ] и [ФАЗА] может происходить искажение изображения. Это не является неисправно- стью. - У...
Страница 62 - стандартное соотношение сторон для видеоисточника.; Включение функции снижения шума [СНИЖЕНИЕ ШУМА]
49 4. Использование экранного меню Пример изображения, когда автоматически определено правильное соотношение сторон [Сигнал компьютера] Соотношение сторон входящего сигнала 4:3 5:4 16:9 15:9 16:10 П р и м е р и з о б р а ж е н и я , к о гд а автоматически определено пра-вильное соотношение сторон [В...
Страница 63 - стр�
50 4. Использование экранного меню ❺ Описание и функции меню [ВКЛ.] [ОБЩИЕ НАСТРОЙКИ] Коррекция трапецеидальных искажений вручную [ТРАПЕЦИЯ] Вы можете вручную откорректировать трапецеидальные искажения по вертикали и горизонтали. Можно выбрать (одновременно регулируемую) коррекцию [ГОРИЗОНТАЛЬНО] и ...
Страница 64 - «4 Изменение Эко-режима/Проверка энергосберегающего эффекта».; Цвет не будет зафиксирован.
51 4. Использование экранного меню Использование функции коррекции цвета стены [ЦВЕТ СТЕНЫ] Эта функция позволяет выполнить быструю коррекцию цвета для адаптации изображения к экрану, чей цвет отличен от белого. [РЕЖИМ ИСТОЧНИКА СВЕТА] Регулировка настроек энергосбережения и яркости каждого проектор...
Страница 65 - или закрытый титр в область экрана.; Использование таймера выключения [ВЫКЛ ТАЙМЕР]; Эта функция отображает меню инструментов. (
52 4. Использование экранного меню Настройка закрытого титра [ЗАКРЫТЫЙ ТИТР] С помощью этой опции можно настроить несколько режимов закрытого титра, которые обеспечивают наложение текста на изображение проектора в режимах Видео или S-Видео. ВЫКЛ� ����������������������������� Выбор этого параметра п...
Страница 66 - Для цвета меню возможны две опции: ЦВЕТ и МОНОХРОМНОЕ.; Выбор цвета или логотипа для фона с помощью параметра [ФОН]; зависимо от этого выбора.
53 4. Использование экранного меню [МЕНЮ] Выбор цвета меню [ВЫБОР ЦВЕТА] Для цвета меню возможны две опции: ЦВЕТ и МОНОХРОМНОЕ. Вкл. / Выкл. Дисплея источника [ДИСПЛЕЙ ИСТОЧНИКА] Этот параметр включает и выключает отображение названия входящего источника, например, HDMI1, HDMI2, КОМ-ПЬЮТЕР, ВИДЕО, H...
Страница 67 - ФРОНТАЛЬНАЯ СО СТОЛА
54 4. Использование экранного меню [УСТАНОВКА] Выбор ориентации проектора с помощью параметра [ОРИЕНТАЦИЯ] Служит для переориентации изображения в соответствии с типом проецирования. Возможные опции: фронтальная со стола, тыльная с потолка, тыльная со стола и фронтальная с потолка. АВТОКогда светово...
Страница 69 - Присвоение или изменение контроля ID; Откроется экран КОНТРОЛЬ ID.
56 4. Использование экранного меню Установка идентификатора проектора [КОНТРОЛЬ ID] Вы можете управлять несколькими проекторами по отдельности и независимо при помощи пульта дистанционного контроля, имеющего функцию КОНТРОЛЬ ID. Если присвоить одинаковый идентификатор всем проекторам, то воз-можно л...
Страница 70 - Эта функция отображает меню сетевых настроек. (
57 4. Использование экранного меню Использование испытательного шаблона [ИСПЫТАТЕЛЬНЫЙ ШАБЛОН] Отображает тест.шабл. для коррекции искажения на экране и фокусировки во время настройки проектора. При выборе в экранном меню [ТЕСТ.ШАБЛ.] будет отображен шаблон для коррекции. В случае обнаружения искаже...
Страница 71 - близительно 5500 футов/1700 метров над уровнем моря или выше�; Включение или отключение режима WXGA [РЕЖИМ WXGA]
58 4. Использование экранного меню [ОПЦИИ(1)] Выбор режима вентилятора [РЕЖИМ ВЕНТИЛЯТОРА] Параметр «Режим вентилятора» позволяет выбрать скорость вращения встроенного охлаждающего вентилятора. АВТО ������������������������������� Встроенные вентиляторы работают автоматически с переменной скоростью ...
Страница 72 - для включения входящего аудиосигнала с КОМПЬЮТЕРА�; Включение звука клавиш и звука ошибок [ГУДОК]
59 4. Использование экранного меню Настройка HDMI1, HDMI2 или HDBaseT [УСТАНОВКИ HDMI] Выполните настройки для каждого видео уровня при подключении устройств HDMI и разъема ETHERNET/HDBaseT. ВИДЕО УРОВЕНЬ ������������� Выберите [АВТО] для автоматического определения уровня видео� Если автоматическое...
Страница 73 - устанавливается на проектор
60 4. Использование экранного меню [ОПЦИИ(2)] Выбор энергосбережения в режиме [РЕЖИМ ОЖИДАНИЯ] Проектор имеет два режима ожидания: [НОРМАЛЬНОЕ] и [ОЖИДАНИЕ СЕТИ].Нормальный режим - это режим, позволяющий установить проектор в состояние экономного потребления электро-энергии, в котором он потребляет ...
Страница 74 - функцию в сочетании с функцией АВТО ВЫКЛ. ПИТАНИЯ.
61 4. Использование экранного меню Включение проектора с помощью сигнала компьютера [АВТО ВКЛ. ПИТ.] Если проектор находится в режиме ожидания, подача сигнала с компьютера или сигнала HDMI с компьютера, под-ключенного к разъему ввода COMPUTER IN, HDMI1 или HDMI2, включит проектор и одновременно начн...
Страница 75 - дущий или последний активный вход�
62 4. Использование экранного меню Выбор источника по умолчанию [ВЫБОР ФАБ УСТАН ИСТОЧ] Для проектора можно указать какой-либо из его входов в качестве источника по умолчанию, к которому он будет об-ращаться всякий раз при включении. ПОСЛЕДН ������������������������ В качестве источника по умолчанию...
Страница 76 - ВКЛ� �������������������������������� Включает режим 3D для выбранного входа�
63 4. Использование экранного меню [3D] Выбор входного разъема для источника 3D изображений [HDMI1/HDMI2/КОМПЬЮТЕР/ВИДЕО/HDBaseT] [3D] Эта функция переключает режим 3D между ВКЛ. или ВЫКЛ. для каждого входа. ВКЛ� �������������������������������� Включает режим 3D для выбранного входа� ПРИМЕЧАНИЕ:Что...
Страница 77 - Измените настройку, если Вы плохо видите 3D изображения.
64 4. Использование экранного меню [ИНВЕРСИЯ L/R] Измените настройку, если Вы плохо видите 3D изображения. НЕИНВЕРТНЫЙ ��������������� Нормальная настройка�ИНВЕРСИЯ ���������������������� Изменяет порядок отображения изображений для левого глаза и правого глаза� ПРИМЕЧАНИЕ:• Когда параметром [ИНВЕРС...
Страница 80 - Настройка экрана и проектора; Установка и подключение
67 ❶ Настройка экрана и проектора Используйте для получения общей идеи вида размера экрана при установке в определенное положение, какой размер экрана понадобится и какое расстояние потребуется для проецирования изображений нужного размера. Диапазон расстояния проецирования, в котором возможна фокус...
Страница 84 - Данный проектор оснащен функцией смещения объектива (
71 5. Установка и подключение Диапазон сдвига объектива Данный проектор оснащен функцией смещения объектива ( → стр. 17 ) для настройки положения изображения с по- мощью регуляторов. Смещение объектива возможно в приведенном ниже диапазоне. ПРИМЕЧАНИЕ: • Если величина сдвига объектива превышает пока...
Страница 85 - Согласно таблице размеров экрана (; мацией обратитесь к дилеру NEC.; Отражение изображения; на корпусе проектора или пульте дистанционного контроля. (
72 5. Установка и подключение (Пример) При использовании для проецирования на экране 150" [P502HL] Согласно таблице размеров экрана ( → стр. 70 ), H = 332,1 см, V = 186,8 см. Диапазон настройки в вертикальном направлении: проецируемое изображение можно передвигать вверх на 0,62 × 186,8 см ≈ 115 ...
Страница 86 - Выполнение подключений; Подключение компьютера
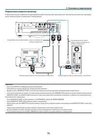
73 5. Установка и подключение ❷ Выполнение подключений Подключение компьютера Компьютерные кабели и HDMI можно использовать для подключения к компьютеру. HDMI кабель не включен в ком-плект проектора. Подготовьте подходящий кабель для соединения. ПРИМЕЧАНИЕ: Сигналы, которые поддерживает функция Plug...
Страница 87 - Включение внешнего дисплея компьютера; Предупреждения при использовании сигнала DVI; Если это произойдет, перезапустите компьютер.
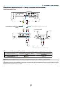
74 5. Установка и подключение ПРИМЕЧАНИЕ: Проектор несовместим с выходами декодированного видеосигнала коммутатора NEC ISS-6020. ПРИМЕЧАНИЕ: Изображение может отображаться неправильно, если источник видео будет воспроизводиться через доступный в продаже преобразователь развертки. Причина обуславлива...
Страница 93 - Сетевые настройки также можно выбрать в меню APPS.; Пример подключения к локальной сети; Пример подключения к проводной локальной сети
80 5. Установка и подключение Подключение к проводной локальной сети Стандартная модель проектора оснащена портом Ethernet/HDBaseT (RJ-45) и портом LAN, через который можно под-ключаться к локальной сети с помощью кабеля LAN. Чтобы использовать соединение по локальной сети, необходимо установить нас...
Страница 94 - беспроводной локальной сети USB в порт USB.
81 5. Установка и подключение Подключение к беспроводной локальной сети (дополнительно: серия NP05LM) Устройство беспроводной локальной сети USB также предоставляет подключение к беспроводной локальной сети. Чтобы использовать соединение по беспроводной локальной сети, необходимо установить адрес IP...
Страница 95 - Вставьте модуль беспроводной локальной сети в порт USB; * Чтобы удалить устройство беспроводной локальной сети
82 5. Установка и подключение 3. Вставьте модуль беспроводной локальной сети в порт USB (беспроводная локальная сеть) стороной, содержащей инди-катор, направленный вверх. • Медленно продвиньте блок беспроводной локальной сети влево и вправо, вверх и вниз, проверяя слот вставки по мере вставки модуля...
Страница 100 - Размер отверстия для винтов (измерение по центру): 200 × 250 мм; Справочные чертежи
87 5. Установка и подключение Конструкция и производственные условия для подставки Обратитесь к поставщику услуг по установке для разработки и производства индивидуальной подставки, которая будет использоваться для проецирования в портретной ориентации. Убедитесь, что следующие условия соблюдаются п...
Страница 101 - Возможности МЕНЮ APPS; ИНФОРМАЦИЯ
88 6. МЕНЮ APPS ❶ Возможности МЕНЮ APPS Стало возможно выбрать расширенные функции, указанные ниже, и различные настройки в МЕНЮ APPS.Для отображения МЕНЮ APPS, нажмите кнопку APPS на пульте дистанционного контроля или выберите [APPS] в каче-стве [ИСТ.] в меню на экране. ИНФОРМАЦИЯ Подробная информа...
Страница 102 - Miracast
89 6. МЕНЮ APPS ПРОСМОТР Используется для выбора сохраненного изображения или видео и его проецирования с проектора. Можно исполь-зовать три нижеуказанных типа.(1) Память проектора: изображения и видео, временно сохраненные во внутренней памяти проектора.(2) Память USB: изображения и видео, сохранен...
Страница 103 - СЕТЕВЫЕ НАСТРОЙКИ
90 6. МЕНЮ APPS ФУНКЦИЯ ВЕБ-СЕРВЕРА ВЕБ-ОБМЕН Без использования специального программного обеспечения можно передавать изображения или файлы между про-ектором и компьютером по той же сети через доступ к веб-серверу проектора, используя веб-браузер. B A C D E Обмен файлами IMAGE EXPRESS UTILITY Позво...
Страница 105 - Программное обеспечение, включенное на компакт-диске; Служба загрузки и рабочая среда
92 7. Программное обеспечение поддержки пользователя ❶ Программное обеспечение, включенное на компакт-диске Названия и функции встроенного программного обеспечения Название программного обеспе-чения Функции Image Express Utility LiteImage Express Utility Lite для Mac • Это программное приложение исп...
Страница 106 - Проецирование экрана компьютера с проектора через; или карт памяти SD, без необходимости установки на Ваш компьютер. (; Функции Image Express Utility Lite
93 7. Программное обеспечение поддержки пользователя ❷ Проецирование экрана компьютера с проектора через локальную сеть (Image Express Utility Lite) С помощью приложения Image Express Utility Lite, которое содержится на прилагаемом компакт-диске NEC Projector, Вы можете отправить изображение с монит...
Страница 107 - Отобразится окно меню.
94 7. Программное обеспечение поддержки пользователя Использование в среде WindowsШаг 1: Установите Image Express Utility Lite на компьютер. ПРИМЕЧАНИЕ:• Для установки или удаления программы учетная запись пользователя Windows должна обладать правами администратора. • Перед установкой закройте все р...
Страница 108 - тером можно управлять путем управления окном управления.
95 7. Программное обеспечение поддержки пользователя Шаг 2: Подсоедините проектор к локальной сети. Подключите проектор к локальной сети, следуя инструкциям «Подключение к проводной локальной сети» ( → стр. 80 ) и «Подключение к беспроводной локальной сети (Дополнительно: серия NP05LM)» ( → стр. 81 ...
Страница 109 - Просмотр файла «Помощь» к приложению Image Express Utility Lite; • Отображение файла Справки GCT во время ее работы.
96 7. Программное обеспечение поддержки пользователя ПОДСКАЗКА: Просмотр файла «Помощь» к приложению Image Express Utility Lite • Отображение файла Справки Image Express Utility Lite во время ее работы. Нажмите на [?] Иконка (справка) в окне панели управления. Отобразится экран Справки. • Отображени...
Страница 110 - На рабочем столе отобразится иконка компакт-диска.; Шаг 2: Подсоедините проектор к локальной сети; лицензионного соглашения», а затем нажмите «OK».; Просмотр справки о Image Express Utility Lite для Mac; • В меню щелкните «Справка»; Удаление программного обеспечения
97 7. Программное обеспечение поддержки пользователя Использование на MacШаг 1: Установите Image Express Utility Lite для Mac на компьютер 1. Вставьте входящий в комплект NEC Projector компакт-диск в привод CD-ROM компьютера Mac. На рабочем столе отобразится иконка компакт-диска. 2. Дважды кликните ...
Страница 111 - Проекция изображения под углом (инструментальные средства; Возможности инструментальных средств GCT; • Функция GCT предлагает следующие три способа
98 7. Программное обеспечение поддержки пользователя ❸ Проекция изображения под углом (инструментальные средства Geometric Correction Tool приложения Image Express Utility Lite) Инструментальные средства Geometric Correction Tool (GCT ) позволяют корректировать искажения изображения, спроецированног...
Страница 112 - Нажмите на иконку «
99 7. Программное обеспечение поддержки пользователя 3. Нажмите кнопку «ОК». 4. Нажмите на иконку « » (Проецирование), а затем на кнопку « » (Выход). 5. Нажмите «Да».6. Запустите Image Express Utility Lite снова. 7. Нажмите на иконку « » (изображение), а затем на кнопку « ». После этого отобразится ...
Страница 113 - коррекции изображения.
100 7. Программное обеспечение поддержки пользователя 10. Перетащите выделенную метку [ • ] в точку, подходящую для коррекции изображения. • Если нажать кнопку мыши в каком-либо месте в пределах экрана, то метка [ • ], расположенная к данному месту ближе осталь- ных, займет положение курсора мыши. 1...
Страница 114 - Управление проектором через локальную сеть (PC Control Utility; PC Control Utility Pro 5 является совместимой с Mac OS программой. (
101 7. Программное обеспечение поддержки пользователя ❹ Управление проектором через локальную сеть (PC Control Utility Pro 4/Pro 5) Используя утилиты «PC Control Utility Pro 4» и «PC Control Utility Pro 5», которые находятся на прилагаемом компакт-диске NEC Projector, можно управлять проектором с ко...
Страница 115 - «Стандартные»
102 7. Программное обеспечение поддержки пользователя ПОДСКАЗКА:Если окно меню не отобразилось, попробуйте выполнить следующую процедуру.Для Windows 7: 1. Нажмите «Пуск» в Windows.2. Нажмите «Все программы» → «Стандартные» → «Выполнить». 3. Введите имя привода компакт-дисков (например: «Q:\») и «LAU...
Страница 116 - «Система и безопасность»; Просмотр справки к PC Control Utility Pro 4; • Отображение файла справки, используя меню Пуск.
103 7. Программное обеспечение поддержки пользователя Шаг 2: Подсоедините проектор к локальной сети. Подключите проектор к локальной сети, следуя инструкциям «Подключение к проводной локальной сети» ( → стр. 80 ) и «Подключение к беспроводной локальной сети (Дополнительно: серия NP05LM)» ( → стр. 81...
Страница 117 - PC Control Utility Pro 5 запустится.
104 7. Программное обеспечение поддержки пользователя Использование на MacШаг 1: Установите PC Control Utility Pro 5 на компьютер 1. Вставьте входящий в комплект NEC Projector компакт-диск в привод CD-ROM компьютера Mac. На рабочем столе отобразится иконка компакт-диска. 2. Дважды кликните по иконке...
Страница 118 - • Отображение справки с помощью док; Отобразится экран Справки.
105 7. Программное обеспечение поддержки пользователя ПОДСКАЗКА: Удаление программного обеспечения 1. Поместите папку «PC Control Utility Pro 5» в корзину.2. Поместите файл конфигурации PC Control Utility Pro 5 в корзину. • Файл конфигурации PC Control Utility Pro 5 находится в «/Users/<your user...
Страница 119 - Использование компьютерного кабеля (VGA) для; Экран виртуального дистанционного управления
106 7. Программное обеспечение поддержки пользователя ❺ Использование компьютерного кабеля (VGA) для управления проектором (Virtual Remote Tool) С помощью утилиты «Virtual Remote Tool», включенной в компакт-диск для проектора компании NEC, экран виртуального дистанционного управления (или панель инс...
Страница 120 - компьютера, чтобы использовать Virtual Remote Tool.; Шаг 1: Установите Virtual Remote Tool на компьютер
107 7. Программное обеспечение поддержки пользователя ПРИМЕЧАНИЕ:• Если на переключателе источника выбран [КОМПЬЮТЕР], экран виртуального дистанционного управления или панель инструментов будут отображены так же, как и экран компьютера. • Используйте входящий в комплект компьютерный кабель (VGA) для...
Страница 121 - Нажмите «Install Virtual Remote Tool» в окне меню.
108 7. Программное обеспечение поддержки пользователя 2 Нажмите «Install Virtual Remote Tool» в окне меню. Начнется установка. После завершения установки откроется окно приветствия. 3 Нажмите «Далее». Появится экран «END USER LICENSE AGREEMENT». Прочитайте внимательно лицензионное соглашение с конеч...
Страница 122 - Появится окно Панели управления.; Шаг 2: Подсоедините проектор к компьютеру; ектора непосредственно с разъемом выхода монитора компьютера.
109 7. Программное обеспечение поддержки пользователя ПОДСКАЗКА: Удаление Virtual Remote Tool Подготовка:Выйдите из Virtual Remote Tool перед удалением. Чтобы удалить Virtual Remote Tool, учетная запись пользователя Windows должна быть с правами «Администратор» (Windows 8.1, Windows 8, Windows 7 и W...
Страница 123 - • Нажмите два раза на пиктограмму; Запуск из меню запуска; Следуйте инструкциям на экранах
110 7. Программное обеспечение поддержки пользователя Шаг 3: Запустите Virtual Remote Tool Запуск с помощью пиктограммы на рабочем столе • Нажмите два раза на пиктограмму на рабочем столе Windows. Запуск из меню запуска • Щелкните [Пуск] → [Все программы] или [Программы] → [NEC Projector User Suppor...
Страница 124 - Просмотр помощи к Virtual Remote Tool; На экране отобразится всплывающее меню.
111 7. Программное обеспечение поддержки пользователя Выход из Virtual Remote Tool 1 Нажмите на иконку Virtual Remote Tool на панели задач. На экране отобразится всплывающее меню. 2 Нажмите на «Выход». Virtual Remote Tool закроется. Просмотр помощи к Virtual Remote Tool • Отображение файла помощи, и...
Страница 125 - Проецирование фотографий или документов, сохраненных на; Для Android
112 7. Программное обеспечение поддержки пользователя ❻ Проецирование фотографий или документов, сохраненных на смартфоне через беспроводную локальную сеть (Wireless Image Utility) При использовании Wireless Image Utility возможно передавать фотографии и документы, сохраненные через разъемы смартфон...
Страница 126 - Техническое обслуживание; Очистка объектива; верхность пластикового объектива.; может привести к пожару.
113 8. Техническое обслуживание ❶ Очистка объектива • Перед чисткой отключите проектор.• Проектор оснащен пластиковым объективом. Используйте доступный на рынке очиститель для пластиковых объ- ективов. • Не поцарапайте и не повредите поверхность объектива, так как ее очень легко поцарапать.• Никогда...
Страница 127 - Очистка корпуса; Если он сильно загрязнен, используйте мягкое чистящее средство.
114 8. Техническое обслуживание ❷ Очистка корпуса Выключите проектор и отключите его от сети перед очисткой.• Используйте сухую мягкую ткань, чтобы стереть пыль с корпуса. Если он сильно загрязнен, используйте мягкое чистящее средство. • Никогда не используйте сильные чистящие средства, такие как ра...
Страница 128 - Устранение неисправностей; Показания индикаторов
115 9. Приложение ❶ Устранение неисправностей Этот раздел поможет решить проблемы, которые могут возникать при подготовке к эксплуатации и в процессе экс-плуатации проектора. Показания индикаторов Индикатор POWER (ПИТАНИЕ) Состояние индикатора Состояние проектора Примечание Выкл� Главный переключате...
Страница 129 - Защита от превышения допустимой температуры
116 9. Приложение Защита от превышения допустимой температуры Если температура внутренней части проектора становится слишком высокой, световые модули будут выключены автоматически, а индикатор состояния начнет мигать (2 цикла вкл. и выкл.).Если это произошло, выполните следующие действия:• После ост...
Страница 130 - Типичные неисправности и способы их устранения; Неисправность
117 9. Приложение Типичные неисправности и способы их устранения ( → «Индикатор ПИТАНИЕ/СТАТУС/ОСВЕЩЕНИЕ» на стр. 115 .) Неисправность Проверьте эти пункты Не включается или выключается • Проверьте, подключен ли силовой кабель и нажата ли кнопка включения питания на корпусе проектора или пульте дист...
Страница 131 - Если изображение отсутствует или отображается неправильно.; а ноутбук был выключен.
118 9. Приложение Неисправность Проверьте эти пункты Не работает пульт дис- танционного контроля • Установите новые батареи.( → стр� 9 ) • Убедитесь, что между Вами и проектором нет каких-либо препятствий. • Станьте на расстоянии в 22 фута (7 м) от проектора. ( → стр� 9 ) • Датчик пульта дистанционн...
Страница 132 - Технические характеристики
119 9. Приложение ❷ Технические характеристики В данном разделе содержится техническая информация о производительности проектора. Название модели NP-P502HL NP-P502WL Метод 1 чип DLP типа Технические характеристики главных деталей Панель DMD Размер 0,65" (соотношение сторон: 16:9) 0,65" (соот...
Страница 133 - Спецификация на продукцию может изменяться без уведомления.
120 9. Приложение Название модели NP-P502HL NP-P502WL Порт Ethernet/HDBaseT RJ-45 × 1, поддерживает BASE-TX Разъем вывода 3D СИНХРОНИЗАЦИЯ 5 В / 10 мА, синхронизированный вывод сигнала для использования 3D Клеммы управления Разъем RS-232C (Управление ПК) Разъем D-Sub 9-штырьковый × 1 Встроенный дина...
Страница 134 - Габаритные размеры корпуса
121 9. Приложение 469 (18,5) 94 (3,7) 250 (9,8) 365 (14,4) 200 (7,9) 89 (3,5) 92 (3,6) 20 (0,8) 137 (5,4) 370 (14,6) ❸ Габаритные размеры корпуса Единица измерения: мм (дюйм) Центр объектива
Страница 135 - Прикрепление дополнительной крышки кабелей (NP08CV); Установка крышки кабеля; Выровняйте два выступа на краю крышки кабеля с углу-
122 9. Приложение ❹ Прикрепление дополнительной крышки кабелей (NP08CV) Закончив выполнение подключений, прикрепите крышку кабеля в комплекте, чтобы должным образом скрыть кабели. ВНИМАНИЕ: • Обязательно затяните винты после установки крышки кабеля. В противном случае крышка кабеля может отсо- едини...
Страница 136 - Снятие крышки кабеля; ка не начнет свободно прокручиваться.
123 9. Приложение Снятие крышки кабеля 1. Ослабляйте винты крышки, пока крестообразная отверт- ка не начнет свободно прокручиваться. • При свисании с потолка удерживайте так, чтобы не уронить крышку кабелей. • Винты не могут быть удалены. 2. Снимите крышку кабеля. (1) Поверните немного вниз так, что...
Страница 137 - Назначения контактов и названия сигналов главных разъемов; Разъем COMPUTER IN (миниатюрный разъем типа D с 15 контактами)
124 9. Приложение ❺ Назначения контактов и названия сигналов главных разъемов Разъем COMPUTER IN (миниатюрный разъем типа D с 15 контактами) Подключение и уровень сигнала каждого контакта 5 1 4 2 3 10 11 12 13 14 15 6 9 7 8 Уровень сигнала Видеосигнал: 0,7 Vp-p (аналоговый)Сигнал синхронизации: уров...
Страница 138 - Протокол связи
125 9. Приложение T-порт Ethernet/HDBaseT/LAN (RJ-45) 1 2 3 4 5 6 7 8 № контакта Сигнал 1 TxD+/HDBT0+ 2 TxD−/HDBT0− 3 RxD+/HDBT1+ 4 Отсоединение/HDBT2+ 5 Отсоединение/HDBT2− 6 RxD−/HDBT1− 7 Отсоединение/HDBT3+ 8 Отсоединение/HDBT3− Порт USB (тип А) 1 3 2 4 № контакта Сигнал 1 ШИНА V 2 D− 3 D+ 4 Зазе...
Страница 139 - Список совместимых сигналов ввода; Аналоговый RGB
126 9. Приложение HDMI Сигнал Разрешение (точек) Соотношение сторон Частота обновле- ния (Гц) VGA 640 × 480 4:3 60 SVGA 800 × 600 4:3 60 XGA 1024 × 768 4:3 60 WXGA 1280 × 768 * 1 15:9 60 1280 × 800 * 1 16:10 60 1366 × 768 16:9 60 Quad-VGA 1280 × 960 4:3 60 SXGA 1280 × 1024 5:4 60 SXGA+ 1400 × 1050 4...
Страница 140 - Коды управления и кабельные соединения ПК; Коды управления ПК
127 9. Приложение ❼ Коды управления и кабельные соединения ПК Коды управления ПК Функция Кодирование данных ПИТАНИЕ ВКЛЮЧЕНО 02Н 00Н 00Н 00Н 00Н 02Н ПИТАНИЕ ОТКЛЮЧЕНО 02H 01H 00H 00H 00H 03H ВЫБОР ВХОДНОГО РАЗЪЕМА «COMPUTER» 02H 03H 00H 00H 02H 01H 01H 09H ВЫБОР ВХОДНОГО РАЗЪЕМА HDMI 1 02H 03H 00H 0...
Страница 141 - Обновить программное обеспечение; Это не поддерживает соединение беспроводной локальной сети.
128 9. Приложение ❽ Обновить программное обеспечение Используя веб-браузер на компьютере, загрузите обновленное программное обеспечение для проектора с нашего веб-сайта и установите его на проектор посредством проводного соединения локальной сети. ПРИМЕЧАНИЕ:• Специальный веб-браузер позволяет обнов...
Страница 143 - Контрольный перечень возможных неисправностей; постоянно; Питание; Прочее
130 9. Приложение ❾ Контрольный перечень возможных неисправностей Перед тем, как обратиться к местному продавцу данной продукции или сервисному персоналу, сверьтесь с данным перечнем и убедитесь, что необходимость ремонта имеется также и на основании информации раздела «Устранение неисправностей» ру...
Страница 145 - Сертификат качества ТСО
132 9. Приложение ❿ Сертификат качества ТСО Некоторые модели этой серии имеют сертификат качества ТСО. Все сертифицированные модели имеют марку ТСО на маркировочной табличке (в нижней части продукта). Для просмотра списка наших сертифицированных проекторов и их сертификатов качества ТСО, (только на ...
Страница 146 - ЗАРЕГИСТРИРУЙТЕ ВАШ ПРОЕКТОР! (для жителей Соединенных
133 9. Приложение ⓫ ЗАРЕГИСТРИРУЙТЕ ВАШ ПРОЕКТОР! (для жителей Соединенных Штатов, Канады и Мексики) Пожалуйста, найдите время, чтобы зарегистрировать Ваш новый проектор. Это приведет к активации ограниченной гарантии на детали, работу и сервисную программу InstaCare.Посетите наш веб-сайт по адресу ...