Страница 2 - ПРИМЕЧАНИЯ
3-е издание, Январь 2011 • Macintosh, Mac OS X и PowerBook являются товарными знаками компании Apple Inc., зарегистрированными в США и других странах. • Microsoft, Windows, Windows Vista, Internet Explorer, .NET Framework, и PowerPoint являются зарегистрированными торговыми знаками или торговыми зна...
Страница 3 - Важная информация; Предостережения относительно безопасности; Меры предосторожности; ВНИМАНИЕ; Утилизация использованного изделия
i Важная информация Предостережения относительно безопасности Меры предосторожности Перед эксплуатацией проектора NEC внимательно ознакомьтесь с этим руководством и храните его в доступном месте для будущих справок. ВНИМАНИЕ Для отключения от сети электропитания обязательно выньте штепсель из розетк...
Страница 4 - ii; Важные меры безопасности; • Не устанавливайте проектор в следующих условиях:; Размещение проектора в горизонтальном положении
Важная информация ii Важные меры безопасности Эти инструкции по технике безопасности предназначены для обеспечения длительного срока службы проектора и предотвращения поражения электрическим током. Пожалуйста, внимательно прочитайте их о помните обо всех предостережениях. Установка • Не устанавливай...
Страница 5 - iii; Меры пожарной и электрической безопасности; Соблюдайте осторожность, когда поднимаете проектор.
Важная информация iii Меры пожарной и электрической безопасности • Чтобы предотвратить накопление тепла внутри проектора, убедитесь, что он хорошо вентилируется и что вентиляционные отверстия не заблокированы. Расстояние между проектором и стеной должно составлять не менее 4 дюймов (10 см). • Не кас...
Страница 6 - iv; Замена лампы; Характеристики лампы
Важная информация iv • Прежде чем переносить проектор, отсоедините силовой и все остальные кабели.• Выключайте проектор и отсоединяйте силовой кабель от электросети перед чисткой корпуса или заменой лампы.• Выключайте проектор и отсоединяйте силовой кабель от электросети в случаях, если вы не планир...
Страница 7 - эксплуатации оптических компонентов, например лампы.; ОБ АВТОРСКИХ ПРАВАХ НА ОРИГИНАЛЬНЫЕ ПРОЕЦИРУЕМЫЕ ИЗОБРАЖЕНИЯ.
Важная информация v Информация о режиме работы на большой высоте • Если проектор используется на большой высоте (приблизительно 5500 футов/1600 метров или выше), установите для параметра [РЕЖИМ ВЕНТИЛЯТОРА] значение [БОЛЬШАЯ ВЫСОТА]. Если при использовании проектора на высоте приблизительно 5500 фут...
Страница 8 - Оглавление
vi Оглавление Важная информация .................................................................................................i 1. Введение .................................................................................................................. 1 1 Комплектация ............................
Страница 9 - vii
Оглавление vii Предупреждение несанкционированного использования проектора [БЕЗОПАСНОСТЬ] .................................................. 30 Управление функциями мыши компьютера с пульта дистанционного управления проектора через кабель USB (функция удаленной мыши) ...............................
Страница 10 - viii
Оглавление viii [ОПЦИИ(1)] ...................................................................................................................................................................... 97[ОПЦИИ(2)] ................................................................................................
Страница 11 - ix
Оглавление ix Отображение изображений или видео с проектора через локальную сеть (Image Express Utility 2.0) ............................ 165 Функции Image Express Utility 2.0 .............................................................................................................................
Страница 12 - Комплектация; торговому представителю.
1 Проектор 1. Введение 1 Комплектация Убедитесь, что в комплект входит все перечисленное ниже. Если какие-либо элементы отсутствуют, обратитесь к торговому представителю. Пожалуйста, сохраните оригинальную коробку и упаковочные материалы на случай, если вам понадобится перевоз - ить проектор. Силово...
Страница 13 - Знакомство с проектором; Поздравляем с покупкой проектора!; • Измерение CO2
2 1. Введение Знакомство с проектором В этой главе приводится ознакомительная информация о проекторе, а также содержится описание его функций и элементов управления. Поздравляем с покупкой проектора! Этот проектор — один из самых лучших современных проекторов. Проектор позволяет проецировать точны...
Страница 14 - Об этом руководстве пользователя
3 1. Введение • Механизм вертикального сдвига объектива обеспечивает гибкость установки Сдвиг объектива можно настроить вручную, поворачивая диск в верхней части проектора. • Входной порт HDMI обеспечивает прием цифрового сигнала Вход HDMI работает с HDCP-совместимыми цифровыми сигналами. Вход HDMI ...
Страница 15 - Название деталей проектора; Передняя/верхняя часть
4 1. Введение Название деталей проектора Передняя/верхняя часть Элементы управления ( → стр. 6 ) Регулятор сдвига объектива (вер- тикальный) ( → стр. 18 ) Объектив Дистанционный датчик ( → стр. 9 ) Вентиляционное (входное) отвер- стие / крышка фильтра ( → стр. 143 , 150 ) Регулятор зума ( → стр. 2...
Страница 16 - Открытие и закрытие крышки объектива; Сдвиньте крышку объектива влево, чтобы открыть объектив.; Задняя часть
5 1. Введение Открытие и закрытие крышки объектива Сдвиньте крышку объектива влево, чтобы открыть объектив. Чтобы закрыть объектив, сдвиньте крышку объектива вправо. ПРИМЕЧАНИЕ: • Крышка объектива работает во взаимодействии с функцией AV mute. Закрытие крышки объектива приведет к отключению изображе...
Страница 17 - Элементы на верхней части проектора; Индикатор STATUS
6 1. Введение Элементы на верхней части проектора 1/2 5 6 4 7 8 11 9 3 10 1. Кнопка (Питание) ( → стр. 14 , 25 ) 2. Индикатор POWER ( → стр. 13 , 14 , 25 , 192 ) 3. Индикатор STATUS ( → стр. 192 ) 4. Индикатор LAMP ( → стр. 147 , 192 ) 5. Кнопка ECO ( → стр. 28 ) 6. Кнопка SOURCE ( → стр. 1 6 ) 7. К...
Страница 18 - Элементы панели разъемов; COMPUTER 1 IN/ Компонентный входной разъем; ственных программ на стр.
7 1. Введение Элементы панели разъемов 1 2 3 5 6 13 12 8 7 11 14 9 10 4 1. COMPUTER 1 IN/ Компонентный входной разъем (Mini D-Sub 15 Pin) ( → стр. 132 , 13 6 , 157 ) 2. COMPUTER 1 AUDIO IN Mini Jack (Stereo Mini) ( → стр. 132 , 134 , 13 6 ) 3. COMPUTER 2 IN / Компонентный входной разъем (Mini D-Sub ...
Страница 19 - Элементы пульта дистанционного управления; Кнопка; ЭКО; соединен к компьютеру.
8 1. Введение Элементы пульта дистанционного управления 3 7 5 6 1 2 1015 16 14 17 9 4 8 13 293031 19 202527 28 24 18 23 22 21 26 32 12 11 1. Инфракрасный передатчик ( → стр. 9 ) 2. Кнопка POWER ON ( → стр. 14 ) 3. Кнопка POWER OFF ( → стр. 25 ) 4, 5, 6. Кнопка COMPUTER 1/2/3 ( → стр. 1 6 ) (Кнопка...
Страница 21 - Служба загрузки обновлений
10 1. Введение Рабочая среда для программного обеспечения, содержащегося на CD-ROM Названия и функции комплекта программного обеспечения Название программного обеспе - чения Функции Virtual Remote Tool Это приложение используется для управления включением и выключением питания и выбором источника ...
Страница 22 - Операционная среда
11 1. Введение Операционная среда Системные требования для Image Express Utility Lite. Информацию о системных требованиях для других программ, см. в справке к соответствующей программе. Поддерживаемые ОС Windows 7 Домашняя базовая Windows 7 Домашняя расширенная Windows 7 Профессиональная Windows 7 М...
Страница 23 - Порядок проецирования изображения; - Автоматическая оптимизация сигнала компьютера (
12 В этом разделе описано, как включить проектор и спроецировать изображение на экран. 1 Порядок проецирования изображения Шаг 1 • Подключение компьютера / Подсоединение силового кабеля ( → стр. 13 ) Шаг 2 • Включение проектора ( → стр. 14 ) Шаг 3 • Выбор источника( → стр. 16 ) Шаг 4 • Регулировка р...
Страница 24 - Подключение компьютера / Подсоединение силового кабеля; затем подключите кабель к сети питания.
13 2. Проецирование изображения (основные операции) Подключение компьютера / Подсоединение силового кабеля 1. Подключите компьютер к проектору. В данном разделе описывается основной тип подключения к компьютеру. Для получения информации о других под- ключениях см. раздел «6. Установка и подключени...
Страница 25 - Включение проектора; Сдвиньте крышку объектива влево, чтобы открыть
14 2. Проецирование изображения (основные операции) Режим ожидания Мигает Питание включено Светится оранжевым Мигает синим Светится синим Включение проектора 1. Сдвиньте крышку объектива влево, чтобы открыть объектив. 2. Нажмите кнопку (ПИТАНИЕ) на корпусе проектора или кнопку POWER ON на пульте д...
Страница 26 - Примечание об экране запуска (экран выбора языка меню); Для выбора языка меню выполните следующие действия:; С помощью кнопки
15 2. Проецирование изображения (основные операции) Примечание об экране запуска (экран выбора языка меню) После первого включения проектора отображается меню запуска. В меню можно выбрать для меню один из 27 язы - ков. Для выбора языка меню выполните следующие действия: 1. С помощью кнопки , , ...
Страница 27 - Выбор источника сигнала; Выбор компьютера или источника видеосигнала; На экране отобразится меню.
16 2. Проецирование изображения (основные операции) Выбор источника сигнала Выбор компьютера или источника видеосигнала ПРИМЕЧАНИЕ. Компьютер (или другое устройство, передающее видеосигнал), подсоединенный к про - ектору, должен быть включен. Автоматическое обнаружение сигнала Нажмите кнопку SOURC...
Страница 28 - Регулировка размера и положения изображения
17 2. Проецирование изображения (основные операции) Регулировка размера и положения изображения Чтобы настроить размер и положение картинки, используйте кольцо фокусировки объектива, ножку для регулирования наклона, регулятор зума или регулятор фокуса. В этом разделе схемы и кабели не указаны, что...
Страница 29 - Поверните регулятор сдвига объектива.; Проецирование фронтальное со стола
18 2. Проецирование изображения (основные операции) Настройка положения проецируемого изображения по вертикали (Сдвиг объектива) Поверните регулятор сдвига объектива. В данном руководстве пользователя максимальное верхнее положение объектива принимается в качестве «нормаль - ного положения». ПРИМЕЧА...
Страница 30 - Регулятор FOCUS используется для настройки фокусировки.
19 2. Проецирование изображения (основные операции) Проецирование фронтальное с потолка [P420X/P350X] [P350W] Фокус Регулятор FOCUS используется для настройки фокусировки. Высота проекции Высота проекции Диапазон вертикального сдвига (0 – 0,5V) Диапазон вертикального сдвига (0 – 0,6V) Регулятор фоку...
Страница 32 - Настройка ножки для регулирования наклона; настройки ножки для регулирования наклона, так как при включении; • Не используйте ножку для регулирования наклона не по назначе; Настройка наклона изображения влево и вправо [Задняя; • Поверните заднюю ножку.
21 2. Проецирование изображения (основные операции) 2 1 3 Ножка для регулирова- ния наклона Рычаг ножки для регулирования наклона Настройка ножки для регулирования наклона 1. Поднимите передний край проектора. ВНИМАНИЕ : Не дотрагивайтесь до выходного вентиляционного отверстия во время настройки нож...
Страница 33 - Коррекция вертикальных трапецеидальных искажений вручную; трапецеидальных искажений вручную, выполните следующие шаги.; Настройка при помощи кнопок на корпусе; или
22 2. Проецирование изображения (основные операции) Коррекция вертикальных трапецеидальных искажений вручную Если экран наклонен вперед или назад, трапецеидальные искажения увеличиваются. Чтобы выполнить коррекцию трапецеидальных искажений вручную, выполните следующие шаги. ПРИМЕЧАНИЕ: • Максималь...
Страница 34 - Настройка с помощью пульта дистанционного управления; Появится панель настройки трапецеидального искажения.
23 2. Проецирование изображения (основные операции) Настройка с помощью пульта дистанционного управления 1. Нажмите кнопку KEYSTONE. Появится панель настройки трапецеидального искажения. 2. Используйте кнопку или для исправления трапецеидального искажения. Настройте так, чтобы боковые стороны бы...
Страница 35 - Автоматическая оптимизация сигнала компьютера; Настройка изображения с помощью кнопки Auto Adjust; Увеличение или уменьшение громкости; Громкость динамика можно изменять.
24 2. Проецирование изображения (основные операции) Автоматическая оптимизация сигнала компьютера Настройка изображения с помощью кнопки Auto Adjust Автоматическая оптимизация изображения компьютера. (КОМПЬЮТЕР1/КОМПЬЮТЕР2) Нажмите кнопку AUTO ADJ. для выполнения автоматической оптимизации компьют...
Страница 36 - Выключение проектора; Чтобы выключить проектор:; Сначала нажмите на кнопку; время нормальной работы проектора.
25 2. Проецирование изображения (основные операции) Выключение проектора Чтобы выключить проектор: 1. Сначала нажмите на кнопку (ПИТАНИЕ) на корпусе проектора или кнопку ВЫКЛЮЧЕНИЕ на пульте дис - танционного управления. Появится сообщение [ВЫКЛЮЧЕНИЕ / ВЫ УВЕРЕНЫ ? / СЕАНС СОКРАЩЕНИЯ ВЫБРОСА CO2 ...
Страница 37 - После использования; Чтобы закрыть объектив, сдвиньте крышку объектива вправо.
26 2. Проецирование изображения (основные операции) После использования Подготовка: Убедитесь, что проектор выключен. 1. Отсоедините силовой кабель. 2. Отсоедините остальные кабели. • Выньте запоминающее устройство USB, если оно вставлено в проектор. 3. Задвиньте ножку для регулирования наклона, е...
Страница 38 - Отключение изображения и звука; нажатие возобновит движение.; Увеличение картинки; Увеличение картинки возможно до четырехкратного размера.
27 1 Отключение изображения и звука Нажмите кнопку AV-MUTE, чтобы отключить изображение и звук на корот - кое время. Повторное нажатие вернет изображение и звук.Энергосберегающая функция проектора будет работать 10 секунд по - сле выключения изображения. В результате уменьшится потребляемая мощность...
Страница 39 - Изменение ЭКО режима / Проверка энергосберегающего; ПРИМЕЧАНИЕ: градация яркости может быть менее заметна в за
28 3. Полезные функции Изменение ЭКО режима / Проверка энергосберегающего эффекта [ЭКО РЕЖИМ] ЭКО РЕЖИМ (ЭКО1) увеличивает срок службы лампы, одновременно уменьшая потребление энергии и ограничивая выбросы CO 2 . Можно выбрать один из трех режимов яркости лампы: [ВЫКЛ.], [АВТО ЭКО] и [ЭКО1]. [ЭКО ...
Страница 40 - Проверка энергосберегающего эффекта [ИЗМЕРЕНИЕ СО2]; БЕРЕЖЕНИЕ] показывает общее значение уменьшения выброса CO
29 3. Полезные функции ПРИМЕЧАНИЕ: • [ЭКО РЕЖИМ] можно изменять через меню. Выберите [ВКЛ.] → [ОБЩИЕ НАСТРОЙКИ] → [ЭКО РЕЖИМ ]. • Остаточный ресурс лампы и наработку лампы можно проверить в меню [ВРЕМЯ ИСПОЛЬЗОВАНИЯ]. Выберите [ИНФ.] → [ВРЕМЯ ИСПОЛЬЗОВАНИЯ]. • Проектор находится в состоянии [ЭКО1] в...
Страница 41 - Предупреждение несанкционированного использования; Чтобы включить функцию безопасности:
30 3. Полезные функции Предупреждение несанкционированного использования проектора [БЕЗОПАСНОСТЬ] Для проектора с помощью меню можно установить пароль, чтобы избежать несанкционированного доступа. Если па - роль установлен, при включении проектора будет открываться окно для ввода пароля. Проециров...
Страница 43 - Чтобы отключить функцию БЕЗОПАСНОСТЬ:
32 3. Полезные функции Чтобы отключить функцию БЕЗОПАСНОСТЬ: 1. Нажмите кнопку MENU. На экране отобразится меню. 2. Выберите [ВКЛ.] → [УСТАНОВКА] → [БЕЗОПАСНОСТЬ] и нажмите кнопку ENTER. На экране отобразится меню ВЫКЛ./ВКЛ.. 3. Выберите [ВЫКЛ.] и нажмите кнопку ENTER. Появится окно ПАРОЛЬ БЕЗОПАСНО...
Страница 44 - Управление функциями мыши компьютера с пульта; Кнопка PAGE
33 3. Полезные функции Управление функциями мыши компьютера с пульта дистанционного управления проектора через кабель USB (функция удаленной мыши) Встроенная функция удаленной мыши позволяет управлять функциями мыши компьютера с помощью входящего в комплект пульта дистанционного управления, когда ...
Страница 45 - Проецирование изображения экрана компьютера по кабелю USB; • Откройте крышку объектива проектора.
34 3. Полезные функции Проецирование изображения экрана компьютера по кабелю USB (USB ОТОБРАЖЕНИЕ) При подключении проектора к компьютеру с помощью доступного на рынке кабеля USB (совместимого с техниче - скими характеристиками USB 2.0) можно передавать изображение на мониторе компьютера на проекц...
Страница 46 - * Когда подсоединен кабель USB, «HTTP Server» выбрать нельзя.
35 3. Полезные функции 5. Начните работу с окном управления. (1) (ИСТ.) ................. Выбирает входящий источник для проектора. (2) (Изображение) . Включает и выключает функции AV-MUTE (отключение изображения), FREEZE (Стоп-кадр) и Geometric Correction Tool (GCT). (3) (Звук) ................ Вкл...
Страница 47 - Управление проектором с помощью браузера HTTP; Общий обзор; будут посланы по электронной почте.; Подготовка перед началом работы
36 3. Полезные функции Управление проектором с помощью браузера HTTP Общий обзор Функция сервера HTTP осуществляет следующие настройки и процессы: 1. Настройки для проводной/беспроводной сети (NETWORK SETTINGS) Для использования беспроводной локальной сети, необходим дополнительный USB модуль бесп...
Страница 48 - Управление адресом для работы через браузер; сети можно получить, указав; PROJECTOR ADJUSTMENT; POWER: служит для управления питанием проектора.
37 3. Полезные функции Управление адресом для работы через браузер В качестве реального адреса, вводимого в строке ввода адреса при работе с проектором через браузер, можно ис - пользовать имя хоста, если это имя, соответствующее IP-адресу проектора, было зарегистрировано сетевым админи - стратором ...
Страница 50 - WIRED или WIRELESS
39 3. Полезные функции СЕТЕВЫЕ НАСТРОЙКИ • SETTINGS WIRED или WIRELESS SETTING Настройки проводной или беспроводной локальной сети. APPLY Применение настроек проводной или беспроводной локальной сети. DHCP ON Автоматическое назначение IP адреса, маски подсети и шлюза проектору DHCP сер - вером. DHCP...
Страница 51 - проводной локальной сети.
40 3. Полезные функции SSID Введите идентификатор (SSID) беспроводной локальной сети. Установка соединения возможна только с узлами, SSID которых совпадает с SSID вашей беспроводной ло - кальной сети. SITE SURVEY Отображает список доступных SSID. Выберите SSID сети, к которой у вас есть доступ. ТИП ...
Страница 53 - • NETWORK SERVICE; ПРИМЕЧАНИЕ: Если Вы забыли пароль, обратитесь за помощью к дилеру.; • CRESTRON
42 3. Полезные функции • NETWORK SERVICE PJLink PASSWORD Установка пароля для PJLink*.Длина пароля не более 32 символов. Запомните свой пароль. Если Вы все же забыли пароль, обратитесь к дилеру. HTTP PASSWORD Установка пароля для сервера HTTP. Длина пароля не более 10 символов. AMX BEACON Включение ...
Страница 54 - Проецирование изображения экрана компьютера по сети с; Настройки проектора для работы в качестве сетевого проектора; Откроется окно МЕНЮ ПРИЛОЖЕНИЯ. Переходите к шагу 3.
43 3. Полезные функции Проецирование изображения экрана компьютера по сети с помощью проектора [NETWORK PROJECTOR] Выбрав проектор, подключенный к сети, в которой работает ваш компьютер, есть возможность передавать изображение с экрана компьютера на проекционный экран по сети. Не требуется подключ...
Страница 56 - Проецирование изображения с помощью сетевого проектора; В области «Доступные проекторы» появится «P420 Series»
45 3. Полезные функции Проецирование изображения с помощью сетевого проектора 1. Нажмите [Пуск] на рабочем столе Windows 7.2. Нажмите [Все программы].3. Нажмите [Стандартные].4. Нажмите [Подключить к сетевому проектору]. Когда появится окно [Разрешить подключение к сетевому проектору], нажмите [Да]....
Страница 57 - Выход из режима сетевого проектора; Режим сетевого проектора отключен.
46 3. Полезные функции 7. Введите пароль в поле ввода пароля, выполнив действия, описанные в шаге 3 на стр. 44 . 8. Нажмите [Подключить]. Теперь проектор работает в качестве сетевого, и изображение с экрана Windows 7 воспроизводится проекто- ром.• Если разрешение экрана Вашего компьютера отличается ...
Страница 58 - Использование проектора для управления компьютером через; тера на проекционный экран по сети.; беспроводной клавиатуры и мыши.
47 3. Полезные функции Использование проектора для управления компьютером через сеть [REMOTE DESKTOP] • Если компьютер и проектор находятся в одной сети, есть возможность передавать изображение с экрана компью - тера на проекционный экран по сети. Затем с помощью клавиатуры можно управлять работой...
Страница 59 - Настройка пароля для учетной записи Windows 7; К записи «Администратор» добавлена запись [Защищена паролем].; Настройка удаленного доступа
48 3. Полезные функции Настройка пароля для учетной записи Windows 7 ПОДСКАЗКА: Если для учетной записи пароль уже установлен, пропустите шаги 1 – 9. 1. Нажмите [Пуск] на рабочем столе Windows 7.2. Нажмите [Панель управления].3. Зайдите в [Учетные записи пользователей] и нажмите [Добавление или удал...
Страница 60 - Запуск режима УДАЛЕННЫЙ РАБОЧИЙ СТОЛ; Откроется окно СЕТЬ. Переходите к шагу 3.
49 3. Полезные функции 4. Нажмите [Просмотр состояния], который отобразиться голубым в правой части окна [Подключение по локальной сети]. Появится окно [Состояние подключения по локальной сети]. 5. Нажмите [Сведения...]. Запишите значение для «Адрес IPv4 IP» (xxx.xxx.xxx.xxx). 6. Нажмите [Закрыть].7...
Страница 62 - Выход из режима УДАЛЕННЫЙ РАБОЧИЙ СТОЛ; Работа в режиме удаленного рабочего стола закончена.
51 3. Полезные функции Выход из режима УДАЛЕННЫЙ РАБОЧИЙ СТОЛ 1. С помощью беспроводной клавиатуры нажмите [Пуск] на рабочем столе, спроецированном на экран. 2. Нажмите на символ [X], расположенный справа от меню Пуск. Работа в режиме удаленного рабочего стола закончена. 3. Нажмите кнопку ИСТ. на пр...
Страница 63 - Использование режима «Просмотр»; Возможности режима ПРОСМОТР; Поддерживаемые графические форматы; Требования к воспроизведению:
52 4. Использование режима «Просмотр» ❶ Возможности режима ПРОСМОТР В режиме ПРОСМОТР есть возможность просматривать слайды или видео, сохраненные на устройстве USB (подключив устройство USB к проектору) или находящиеся на компьютере в папке с общим доступом (компьютер должен быть подключенным к сет...
Страница 64 - формы и примечания – не будут отображаться.; Поддерживаемые файлы в формате PowerPoint
53 4. Использование режима «Просмотр» ПРИМЕЧАНИЕ: • Видео файлы, конвертируемые в формат, который проектор не поддерживает, не воспроизводятся. В этом случае символ, указывающий, что воспроизведение невозможно, не появится.• Файлы с защитой Digital Rights Management(DRM) не воспроизводятся.• Некотор...
Страница 65 - - Коррекция трапецеидального искажения с помощью кнопок
54 4. Использование режима «Просмотр» Информация относительно папки с общим доступом и медиа-сервера • Файлы, находящиеся в папке с общим доступом или на медиа-сервере, могут не воспроизводиться, если на ком - пьютере установлены антивирусные программы и средства защиты. • Откройте перечисленные дал...
Страница 66 - Подготовка материалов для презентации; • Информацию о поддерживаемых форматах файлов см. на стр.; • Использование команды печати; справку к Adobe Acrobat.
55 4. Использование режима «Просмотр» ❷ Подготовка материалов для презентации 1. Создайте материалы для презентации и сохраните их на своем компьютере в поддерживаемом формате файлов. • Информацию о поддерживаемых форматах файлов см. на стр. 77 . • Перед самой презентацией проверьте, отображается ли...
Страница 67 - Показ изображений с запоминающего устройства USB; Этот раздел объясняет основные принципы работы режима ПРОСМОТР.; Начало работы режима «Просмотр»; Вставьте запоминающее устройство USB в порт USB
56 4. Использование режима «Просмотр» ❸ Показ изображений с запоминающего устройства USB Этот раздел объясняет основные принципы работы режима ПРОСМОТР. Для объяснения используется порядок работы для случая, когда панель инструментов режима ПРОСМОТР имеет на - стройки по умолчанию. Подготовка: Перед...
Страница 68 - Воспользуйтесь кнопками
57 4. Использование режима «Просмотр» 4. Нажмите кнопку ▶ , чтобы выбрать «USB1», и нажмите кнопку ENTER. Откроется окно миниатюр «USB1». ПОДСКАЗКА:• Для получения более подробной информации об окне миниатюр см. стр. 6 2 . 5. Воспользуйтесь кнопками ▲▼◀ или ▶ , чтобы выбрать значок. • Символ → (стре...
Страница 69 - • Файл видео
58 4. Использование режима «Просмотр» • Файл видео Начнет воспроизводиться файл видео. По окончанию воспроизведения экран станет черным. На- жмите кнопку ВЫХОД, чтобы вернуться к окну миниатюр.• При нажатии кнопки ENTER появится панель элементов управления видео, с помощью которых можно выполнить па...
Страница 70 - работает следующим образом:; Выход из режима ПРОСМОТР
59 4. Использование режима «Просмотр» • Индексный файл (расширение:.idx) • Индексный файл, конвертированный с помощью Viewer PPT Converter 3.0, появится на экране миниатюр. На экране миниатюр появятся только папки и файлы в формате JPEG, конвертированные с помощью Viewer PPT Converter 3.0. • Для выб...
Страница 71 - Отображает список устройств, подсоединенных к проектору.; Операции меню; • Воспользуйтесь кнопкой; Операция для окна со списком устройств; , чтобы переместить курсор на список устройств.
60 4. Использование режима «Просмотр» Названия и функции окна «Просмотр» Режим «Просмотр» имеет три окна: окно со списком устройств, окно миниатюр и окно слайдов. • Окно со списком устройств Отображает список устройств, подсоединенных к проектору. Операции меню • Воспользуйтесь кнопкой ▼ или ▲ для п...
Страница 72 - Функции
61 4. Использование режима «Просмотр» Функции Название Описание REFRESH Отображает дополнительные медиа-серверы в окне списка устройств. ОПЦИИ Отображается меню ОПЦИИ. SLIDE SETTING Выполняет настройку слайдов. ( → стр. 6 5 ) MOVIE SETTING Выполняет настройку файлов видео. ( → стр. 66 ) AUTO PLAY SE...
Страница 73 - Операция меню
62 4. Использование режима «Просмотр» • Окно миниатюр Отображает список папок, миниатюр и значков в устройстве, выбранном в окне со списком устройств. Операция меню • Воспользуйтесь кнопкой ▼ или ▲ для перемещения курсора вверх или вниз. Выберите элемент меню и на - жмите кнопку ENTER, чтобы отобраз...
Страница 74 - Работа панели элементов управления
63 4. Использование режима «Просмотр» • Окно слайдов (неподвижные изображения / видео) Воспроизводит файл, выбранный из списка миниатюр или значков.• Для получения информации о работе с файлами Microsoft PowerPoint и Adobe PDF см. стр. 58 . Работа панели элементов управления • Панель элементов управ...
Страница 75 - Функции панели элементов управления для видео
64 4. Использование режима «Просмотр» Функции панели элементов управления для видео Название Описание ПРЕД Переход к началу файла видео. • Переход к началу предыдущего файла видео при нажатии непосредственно после начала воспроизведения. УСК-НАЗАД Ускоренная перемотка файла видео назад примерно на 7...
Страница 77 - при поиске оно обнаруживалось первым.
66 4. Использование режима «Просмотр» • НАСТРОЙКИ ВИДЕО Настраивает функции для файла видео. Название Опции Описание РАЗМЕР ЭКРАНА BEST FIT Показ изображения с его соотношением сторон в максимальном разрешении проектора. РЕАЛЬНЫЙ РАЗМЕР Показ изображения в реальном размере. ПОВТОР OFF Включает и вык...
Страница 79 - Воспроизведение данных, находящихся в папке с общим; Подготовка; Запомните или запишите путь, он понадобится для работы.; Подключение проектора к папке с общим доступом; Нажмите кнопку VIEWER на пульте дистанционного управления.
68 4. Использование режима «Просмотр» ❹ Воспроизведение данных, находящихся в папке с общим доступом ЛВС Папка с общим доступом Беспроводная ЛВС Проектор Папка с общим до- ступом Подготовка Проектор: подсоедините проектор к сети. Компьютер: сохраните файлы для демонстрации в папке с общим доступом и...
Страница 81 - Нажмите кнопку
70 4. Использование режима «Просмотр» 6. Выйдите из режима настройки. Нажмите кнопку ▼ , чтобы выбрать [OK], и нажмите кнопку ENTER. Окно [SHARED FOLDER] закроется. • Если появится сообщение об ошибке, значит Ваши настройки неправильны. Попробуйте еще раз.
Страница 83 - Отображение данных при использовании медиа сервера; Включение функции «Media Sharing» для Windows Media Player 11; Откроется диалоговое окно «Media Sharing».
72 4. Использование режима «Просмотр» ❺ Отображение данных при использовании медиа сервера ЛВС Медиа сервер Медиа сервер Беспроводная ЛВС Медиа сервер Проектор Подготовка Проектор: подсоедините проектор к сети. Компьютер: подготовьте для проецирования файлы с изображениями или видеофайлы и включите ...
Страница 84 - Отметьте «Share my media» в чекбоксе и нажмите OK.
73 4. Использование режима «Просмотр» 3. Отметьте «Share my media» в чекбоксе и нажмите OK. Отобразится список доступных устройств. 4. Выберите «P420 Series», а затем – «Принять». На значок «p420 Series» будет поставлена галочка. • «p420 Series» — имя проектора, назначенное в меню [СЕТЕВЫЕ НАСТРОЙКИ...
Страница 85 - Появится окно «Разрешить всем медиа-устройствам».
74 4. Использование режима «Просмотр» Настройка функции «Media Sharing» для Windows Media Player 12 1. Запустите Windows Media Player 12. 2. Выберите меню «Поток», а затем выберите «Автоматически разрешать устройствам воспроизводить мое мультимедиа». Появится окно «Разрешить всем медиа-устройствам»....
Страница 86 - Нажмите кнопку VIEWER на пульте дистанционного управления.
75 4. Использование режима «Просмотр» Подключение проектора к медиа серверу Нажмите кнопку VIEWER на пульте дистанционного управления. VIEWER начнет работу. • Чтобы запустить ПРОСМОТР другим способом, нажмите несколько раз кнопку SOURCE на корпусе проектора. ( → стр. 1 6 ) • После этого начнется пои...
Страница 88 - Ограничения отображаемых файлов; помощью прикладной программы на компьютере.; Некоторые ограничения для файлов PowerPoint; по величине или ширине, вызывая искажения разметки слайда.; Некоторые ограничения для PDF файлов
77 4. Использование режима «Просмотр» ❻ Ограничения отображаемых файлов Режим «Просмотр» позволяет отобразить файл PowerPoint или файл PDF в упрощенном виде. Все же, вследствие упрощения отображения, фактическое отображение может отличаться от воспроизводимого с помощью прикладной программы на компь...
Страница 89 - Использование экранного меню; Использование меню; на пульте
78 5. Использование экранного меню 1 Использование меню ПРИМЕЧАНИЕ: Во время проецирования чересстрочного видеоизображения экранное меню может отображаться некорректно. 1. Для отображения меню нажмите кнопку MENU на пульте дистанционного управления или корпусе проек - тора. ПРИМЕЧАНИЕ:Такие команды,...
Страница 90 - Элементы меню; Окна меню и диалоговые окна обычно включают следующие элементы:; соответствующее ей меню.
79 5. Использование экранного меню Элементы меню Регулятор с ползунком Треугольник Вкладка Переключатель Символ большой высоты Символ ЭКО режима Символ беспроводного соединения Окна меню и диалоговые окна обычно включают следующие элементы: Подсветка ..................................................
Страница 91 - Пункты меню
80 5. Использование экранного меню Пункты меню Некоторые пункты меню недоступны в зависимости от источника входящего сигнала. Пункт меню По умолчанию Опции ИСТ. КОМПЬЮТЕР1 * КОМПЬЮТЕР2 * HDMI * ВИДЕО * S-ВИДЕО * ПРОСМОТР * СЕТЬ * ДИСПЛЕЙ USB * НАСТР. ИЗОБРАЖЕНИЕ ПРЕДВАРИТ УСТАНОВКА * 1–7 ПОДРОБНЫЕ...
Страница 93 - «4 Использование режима ПРОСМОТР»)
82 5. Использование экранного меню Меню Описания и Функции [ИСТ.] КОМПЬЮТЕР 1 и 2 Служит для выбора компьютера, подключенного к входному разъему КОМПЬЮТЕР 1 или КОМПЬЮТЕР 2 на проекто - ре. ПРИМЕЧАНИЕ: Когда компонентный входящий сигнал подается на вход COMPUTER 1 IN или COMPUTER 2 IN, выберите со...
Страница 95 - Каждый режим рекомендуется для следующих целей:; Выбор размера экрана для DICOM SIM [РАЗМЕР ЭКРАНА]; Эта опция позволяет настроить цветовую температуру.; Настройка яркости и контраста [ДИНАМИЧЕСКИЙ КОНТРАСТ]
84 5. Использование экранного меню [ОБЩИЕ НАСТРОЙКИ]Сохранение Ваших пользовательских установок [ССЫЛКА] Данная функция позволяет сохранять Ваши пользовательские установки в [ПРЕДВАРИТ УСТАНОВКА 1] - [ПРЕДВАРИТ УСТАНОВКА 7]. Сначала выберите основной режим предварительных настроек в меню [ССЫЛКА], а...
Страница 96 - Подчеркивает детали изображения.
85 5. Использование экранного меню [КОНТРАСТ] Служит для настройки интенсивности изображения в соответствии с входящим сигналом. [ЯРКОСТЬ] Служит для настройки уровня яркости или интенсивности обратного растра. [РЕЗКОСТЬ] Подчеркивает детали изображения. [ЦВЕТ] Служит для увеличения или уменьшения у...
Страница 97 - Служит для ручной настройки параметров ТАКТ/ФАЗА.
86 5. Использование экранного меню [НАСТР. ИЗОБР] Настройка тактовых импульсов и фазы [ТАКТ/ФАЗА] Служит для ручной настройки параметров ТАКТ/ФАЗА. ТАКТ ................................ Используйте данный параметр для точной настройки компьютерного изображения или удаления вертикальных полос, которы...
Страница 100 - сторон для рассматриваемого источника.
89 5. Использование экранного меню Пример изображения, когда автоматически определено подходящее соотношение сторон P420X/P350X [Сигнал компьютера] Соотношение сторон входящего сигнала 4:3 5:4 16:9 15:9 16:10 П р и м е р и з о б р а же н и я , ко гд а автоматически определено под - ходящее соотношен...
Страница 102 - Вертикальное искажение можно корректировать вручную. (
91 5. Использование экранного меню Описание и функции меню [ВКЛ.] [ОБЩИЕ НАСТРОЙКИ] Коррекция вертикальных трапецеидальных искажений вручную [ТРАПЕЦИЯ] Вертикальное искажение можно корректировать вручную. ( → стр. 22 ) ПОДСКАЗКА: Выделив один из параметров и нажав кнопку ENTER, можно настроить его...
Страница 103 - которого отличается от белого.; Настройка энергосберегающего режима [ЭКО РЕЖИМ]; CO
92 5. Использование экранного меню Использование функции коррекции цвета стены [ЦВЕТ СТЕНЫ] С помощью данной функции осуществляется быстрая коррекция цвета с целью адаптации изображения к экрану, цвет которого отличается от белого. ПРИМЕЧАНИЕ: Если выбрать опцию [БЕЛАЯ ДОСКА], яркость лампы уменьшае...
Страница 104 - на изображение проектора в режимах Видео или S-Видео.; Использование таймера выключения [ВЫКЛ ТАЙМЕР]; Для цвета меню возможны две опции: ЦВЕТ и МОНОХРОМНОЕ.; Включение / выключение отображения источника [ДИСПЛЕЙ ИСТОЧНИКА]; отображаться не будет.
93 5. Использование экранного меню Настройка субтитров [ЗАКРЫТЫЙ ТИТР] С помощью этой опции можно установить несколько режимов субтитров, которые обеспечивают наложение текста на изображение проектора в режимах Видео или S-Видео. ВЫКЛ. ............................. Выбор этого параметра приводит к в...
Страница 105 - Чтобы закрыть сообщение, нажмите кнопку EXIT.; Выбор времени отображения меню [ВРЕМЯ ПОКАЗА]; является значением по умолчанию.
94 5. Использование экранного меню Включение/выключение (ВКЛ. /ВЫКЛ.) идентификатора элемента управления [ДИСПЛЕЙ ID] ДИСПЛЕЙ ID .................... Эта опция служит для включения/выключения номера ID, который отображается при нажатии кнопки ID SET на пульте дистанци- онного управления. Включение/в...
Страница 106 - ФРОНТАЛЬНАЯ СО СТОЛА
95 5. Использование экранного меню [УСТАНОВКА] Выбор ориентации проектора с помощью параметра [ОРИЕНТАЦИЯ] Параметр служит для переориентировки изображения в соответствии с типом проецирования. Возможные опции: фронтальная со стола, тыльная с потолка, тыльная со стола и фронтальная с потолка. ФРОНТА...
Страница 107 - потребуется уменьшить — это зависит от оборудования).; Установка идентификатора проектора [КОНТРОЛЬ ID]; нужно присвоить каждому проектору идентификационный номер.; Присвоение или изменение контроля ID; Откроется окно КОНТРОЛЬ ID.
96 5. Использование экранного меню Выбор скорости коммуникаций [СКОРОСТЬ КОММУНИКАЦИИ] Эта функция позволяет установить скорость передачи данных для порта PC Control (D-Sub 9P). Он поддерживает ско - рость от 4800 до 38400 бит/с. Значение по умолчанию — 38400 бит/с. Выберите скорость передачи, подхо...
Страница 108 - ростной режим и режим Большая высота.
97 5. Использование экранного меню Использование тестового образца [ИСПЫТАТЕЛЬНЫЙ ШАБЛОН] Отображает тестовый образец для проверки искажения изображения во время настройки проектора. Нажмите кнопку ENTER, чтобы открыть окно тестового образца, нажмите кнопку EXIT, чтобы закрыть его и перейти в меню. ...
Страница 109 - сигнала с COMPUTER 2.; Звуковой сигнал выполнения операций или ошибки [ГУДОК]; или выполнение некоторых операций, перечисленных далее.
98 5. Использование экранного меню Выбор формата сигнала [ВЫБОР СИГНАЛА] [КОМПЬЮТЕР1], [КОМПЬЮТЕР2] Позволяет выбрать значение [КОМПЬЮТЕР1] или [КОМПЬЮТЕР2] для источника RGB, например, компьютера, или зна - чение [КОМПОНЕНТ] для источника компонентного видеосигнала, например, DVD-проигрывателя. Обы...
Страница 111 - или корпусе проектора для включения проектора.; Выбор источника по умолчанию [ВЫБОР ФАБ УСТАН ИСТОЧ]; будет обращаться всякий раз при включении.
100 5. Использование экранного меню Включение проектора с помощью сигнала компьютера [АВТО ВКЛ. ПИТ. (COMP1) ] Если проектор находится в режиме ожидания, сигнал с компьютера, подключенного к входному разъему COMPUTER1 IN, будет включать проектор и одновременно проецировать компьютерное изображение. ...
Страница 112 - Содержится следующая информация:; Запасная лампа
101 5. Использование экранного меню Описания и функции меню [ИНФ.] Служит для отображения состояния текущего сигнала и времени использования лампы. Опция включает шесть страниц. Содержится следующая информация: ПОДСКАЗКА: Нажатие кнопки HELP на пульте дистанционного управления показывает элементы ...
Страница 115 - Могут быть сброшены все параметры,; ЗА ИСКЛЮЧЕНИЕМ ТАКИХ; Сброс показаний наработки лампы [СБРОС ВРЕМЕНИ НАРАБОТКИ ЛАМПЫ]; нужно сбрасывать время использования фильтра.
104 5. Использование экранного меню Описания и функции меню [ВОССТ.] Восстановление установок по умолчанию [ВОССТ.] Функция ВОССТ. позволяет вернуть настройкам и установкам значения по умолчанию для источника (всех источников), кроме следующих: [ТЕКУЩИЙ СИГНАЛ] Возвращает настройкам текущего сигна...
Страница 116 - Меню приложений; страница; IMAGE EXPRESS UTILITY; использования Image Express Utility.; DESKTOP CONTROL UTILITY; обходимые для использования Desktop Control Utility.
105 5. Использование экранного меню ❾ Меню приложений Когда [СЕТЬ] выбрано из меню [ИСТ.], появится меню приложения [МЕНЮ ПРИЛОЖЕНИЯ]. Меню приложения позволяет установить User Supportware, настройки сети (СЕТЕВЫЕ НАСТРОЙКИ) и инструменты (ИНСТРУМЕНТЫ). Приложение User Supportware содержится на вход...
Страница 117 - использования сетевого проектора.; ПОДКЛЮЧЕНИЕ К УДАЛЕННОМУ РАБОЧЕМУ СТОЛУ
106 5. Использование экранного меню СЕТЕВОЙ ПРОЕКТОР Здесь показана информация о названии проектора, разрешении и сети (проводной/беспроводной), необходимые для использования сетевого проектора. Используйте эту информацию для настройки компьютера. ПОДКЛЮЧЕНИЕ К УДАЛЕННОМУ РАБОЧЕМУ СТОЛУ Здесь можно ...
Страница 118 - Подсказка для установки соединения по локальной сети; Чтобы подключиться к серверу DHCP:
107 5. Использование экранного меню СЕТЕВЫЕ НАСТРОЙКИ Важно:• Об этих настройках проконсультируйтесь со своим сетевым администратором.• При использовании подключения по проводной локальной сети, подсоедините кабель локальной сети (кабель Ethernet) к порту локальной сети (RJ-45) про - ектора. ( → стр...
Страница 121 - могут быть доступными для посторонних лиц.
110 5. Использование экранного меню ОБЗОР САЙТА Отображает список доступных SSID. Выберите SSID, к которому Вы можете осуществить доступ. Чтобы выбрать SSID, выделите [SSID] и используйте ВЫБОР → , чтобы выбрать [OK] и нажмите кнопку ENTER. .............................. Точка доступа беспроводной л...
Страница 122 - ВЫБОР КЛЮЧА; • Максимальное количество знаков; Опция
111 5. Использование экранного меню Когда [WEP(64bit)] или [WEP(128bit)] выбрано для [ТИП ЗАЩИТЫ] ВЫБОР КЛЮЧА Выбирает один из WEP ключей из четырех ниже представленных ключей. КЛЮЧ1, КЛЮЧ2, КЛЮЧ3, КЛЮЧ4 Введите ключ WEP. • Максимальное количество знаков Опция Буквенно-цифровой (ASCII) Шестнадцатери...
Страница 123 - Подготовка перед выполнением настройки; ровой сертификат на проектор.; Порядок установки
112 5. Использование экранного меню [АУТЕНТИФИКАЦИЯ] (необходима только для беспроводной сети) Необходимо выполнить настройки для использования WPA-EAP или WPA2-EAP. Подготовка перед выполнением настройки Выберите беспроводную локальную сеть, совместимую с WPA-EAP или WPA2-EAP аутентификацией и уста...
Страница 124 - Появится список «SSID».
113 5. Использование экранного меню 4. Выберите [ОБЗОР САЙТА] и нажмите кнопку ENTER. Появится список «SSID». 5. Выберите подсоединяемый SSID, а затем выберите [OK]. И наконец, нажмите кнопку ENTER. • Выберите SSID, для которого установлены WPA-PSK или WPA2-PSK.• Выберите [ИНФРАСТРУКТУРА ( )] для [Т...
Страница 125 - раздел «Руководство по установке проводной и беспроводной сети».
114 5. Использование экранного меню 11 . Выберите закладку [ПРОВЕРКА]. Отобразится страница [ПРОВЕРКА]. Выберите [EAP-TLS] или [PEAP-MSCHAPv2] для [ТИП EAP]. Пункты настройки зависят от типа EAP. Смотрите таблицу ниже. Тип EAP Пункт настройки Примечание EAP-TLS Имя пользователя 1 до 32 символов Серт...
Страница 126 - Установка цифрового сертификата; нающем устройстве USB и нажмите кнопку ENTER.
115 5. Использование экранного меню 13. Выберите [СЕРТИФИКАТ КЛИЕНТА] и нажмите кнопку ENTER. Отобразится список файлов (экран миниатюр).• Для дополнительной информации по работе с экраном миниатюр, см. «4. Использование режима Просмотр» в «Руководстве пользователя» (PDF). • Чтобы вернуться на стран...
Страница 127 - устройстве USB и нажмите кнопку ENTER.; Очистка цифрового сертификата, который установлен на проекторе; Выберите [ОЧИСТИТЬ СЕРТИФИКАТЫ] в нижнем левом углу экрана
116 5. Использование экранного меню 17. На экране миниатюр выберите цифровой сертификат (формат файла DER), сохраненный на запоминающем устройстве USB и нажмите кнопку ENTER. • Выберите здесь корневой CA сертификат. Выбранный цифровой сертификат будет установлен на проекторе. 18. После завершения не...
Страница 128 - • Длина пароля не более 32 символов.
117 5. Использование экранного меню 15. После окончания настройки имени пользователя выберите поле [ПАРОЛЬ] и нажмите кнопку ENTER. Отобразится экран ввода символов (виртуальная клавиатура). Установите пароль. • Длина пароля не более 32 символов. 16. После окончания настройки пароля выберите поле [C...
Страница 132 - Ниже приведен пример сообщения, которое посылается с
121 5. Использование экранного меню ПОЧТОВОЕ ПРЕДУПРЕЖДЕНИЕ (только меню РАСШИРЕННОЕ) ПОЧТОВОЕ ПРЕДУПРЕ - ЖДЕНИЕ С помощью данной функции Вы получите сообщение на ком - пьютер о сроке замене лампы или сообщениях об ошибках по электронной почте, используя проводную или беспроводную локальную сеть. По...
Страница 135 - в определенное время.; Настройка нового таймера программы; На экране ТАЙМЕР ПРОГРАММЫ используйте кнопку SELECT
124 5. Использование экранного меню ТАЙМЕР ПРОГРАММЫ Данная опция включает/выключает проектор и изменяет видео сигналы, а также автоматически выбирает режим ЭКО в определенное время. ПРИМЕЧАНИЕ: • Перед использованием [ТАЙМЕРА ПРОГРАММЫ] убедитесь, что установлена функция [ДАТА И ВРЕМЯ]. ( → страниц...
Страница 136 - до тех пор, пока выключение не станет возможным.
125 5. Использование экранного меню ФУНКЦИЯ ........................ Выберите функцию для выполнения. Выбор [ПИТАНИЕ] позволит включать или выключать проектор с помощью настроек [СЛОЖНЫЕ УСТАНОВКИ]. Выбор [ИСТ.] позволит выбрать источник видео с помощью настроек [СЛОЖНЫЕ УСТАНОВКИ]. Выбор [ЭКО РЕЖИМ...
Страница 137 - Активация таймера программы; Удаление программ; кнопку SELECT
126 5. Использование экранного меню Активация таймера программы 1. Выберите [РАЗРЕШИТЬ] на экране [ТАЙМЕР ПРОГРАММЫ] и нажмите кнопку ENTER. [РАЗРЕШИТЬ] активируется. 2. Выберите [OK] и нажмите кнопку ENTER. Экран [ТАЙМЕР ПРОГРАММЫ] поменяется на [ИНСТРУМЕНТЫ]. ПРИМЕЧАНИЕ: • Очищение [РАЗРЕШИТЬ] заб...
Страница 138 - 4 часа и во время запуска проектора.; МЫШЬ
127 5. Использование экранного меню ДАТА И ВРЕМЯ Вы можете настроить текущее время, месяц, дату и год. ПРИМЕЧАНИЕ: У проектора есть встроенные часы. После выключения главного питания часы будут работать в течение примерно 2 недель. После выключения главного питания на 2 недели или более, встроенные ...
Страница 139 - Установка и подключение; Настройте экран и проектор.; Настройка экрана и проектора; Выбор месторасположения; чтобы приблизительно оценить подходящее расположение.
128 6. Установка и подключение 3 2 1 В этом разделе описаны процедуры настройки проектора и подключения видео- и аудио источников. Этот проектор прост в настройке и использовании. Однако перед началом работы следует выполнить следующие действия: z Настройте экран и проектор. x Подключите компьютер и...
Страница 141 - ПРИМЕЧАНИЕ. Значения в таблицах являются расчетными величи
130 6. Установка и подключение C α B D Расстояние до проекции и размер экрана Далее приведены данные для правильного размещения проектора относительно экрана. По таблице можно опреде - лить, на каком расстоянии следует установить проектор. Таблица расстояний B = Расстояние по вертикали между проекци...
Страница 143 - ПРИМЕЧАНИЕ. Для подключения к видео порту ком; Подключение; Включение внешнего экрана компьютера
132 6. Установка и подключение COMPUTER 1 IN AUDIO IN HDMI IN USB(PC) Компьютерный кабель (VGA) (входит в ком- плект поставки) Подключается к разъему mini D-Sub 15-pin на проекторе. Если используется кабель передачи сигнала длиннее кабеля, входящего в комплект поставки, рекомендуется исполь- зовать ...
Страница 144 - ПРИМЕЧАНИЕ: Во время просмотра цифрового сигнала DVI
133 6. Установка и подключение • После включения проектора выберите имя источника для соответствующего входного разъема. Входной разъем Кнопка SOURCE на корпусе про - ектора Кнопка на пульте дистанционно - го управления COMPUTER 1 IN КОМПЬЮТЕР 1 (КОМПЬЮТЕР 1) COMPUTER 2 IN КОМПЬЮТЕР 2 (КОМПЬЮТЕР 2) ...
Страница 145 - мого компьютерного аналогового изображения.
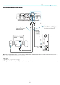
134 6. Установка и подключение Подключение внешнего монитора К проектору можно подключить отдельный внешний монитор для параллельного просмотра на мониторе проецируе - мого компьютерного аналогового изображения. ПРИМЕЧАНИЕ: • Последовательное подключение невозможно.• В то время, когда подключено зву...
Страница 148 - Подключение к разъему HDMI
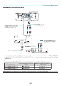
137 6. Установка и подключение AUDIO IN L R AUDIO OUT L R VIDEO OUT HDMI OUT S-VIDEO VIDEO HDMI Output HDMI HD MI HDMI IN Подключение к разъему HDMI Вы можете подключить HDMI выход DVD плеера, HDD плеера, Blu-ray плеера или ноутбука типа PC к разъему HDMI IN проектора. ПРИМЕЧАНИЕ: Разъем HDMI IN под...
Страница 149 - мощью сетевого кабеля.; Пример подключения к локальной сети; Пример подключения к проводной локальной сети
138 6. Установка и подключение Подключение к проводной локальной сети Проектор оборудован LAN портом (RJ-45), который предоставляет возможность подключения к локальной сети с по - мощью сетевого кабеля. Чтобы использовать соединение по локальной сети, необходимо произвести настройку локальной сети в...
Страница 151 - Пример подключения к беспроводной локальной сети
140 6. Установка и подключение Пример подключения к беспроводной локальной сети (Тип сети → Инфраструктура) ПК с подключенной картой беспроводной локальной сети ПК со встроенным модулем беспроводной локальной сети Проводная локальная сеть Точка доступа беспро- водной локальной сети USB модуль беспро...
Страница 152 - Заранее приготовьте крестообразную отвертку.
141 6. Установка и подключение Заранее приготовьте крестообразную отвертку. 1. Нажмите кнопку POWER, чтобы выключить проектор и уста - новить его в режим ожидания, затем отсоедините силовой кабель. 2. Снимите крышку порта USB (LAN). Ослабьте винт, удерживающий крышку. • Винт не вынимается. 3. Аккура...
Страница 153 - кабеля питания, что может стать причиной пожара.; Установка крышки кабеля; • Будьте внимательны, не зажмите кабели между крышкой и проектором.; Демонтаж крышки кабеля; свободно прокручиваться
142 6. Установка и подключение Установка крышки кабеля (NP01CV) (в комплект поставки не входит) Крышка кабеля (NP01CV) используется для закрытия кабелей (приобретается дополнительно). Крышка кабеля NP01CV предусмотрена для P420X, P350X и P350W. ВНИМАНИЕ: • После установки крышки кабеля, убедитесь, ч...
Страница 154 - Техническое обслуживание; Чистка фильтров; чтобы освободить корпус фильтра, и выньте его.
143 7. Техническое обслуживание В данном разделе описываются простые процедуры технического обслуживания, которые необходимо выполнять для поддержания чистоты фильтров, объектива, корпуса, а также для замены лампы и фильтров. 1 Чистка фильтров Фильтрующий элемент воздушного фильтра не позволяет част...
Страница 155 - С помощью пылесоса удалите пыль с внутренних элемен
144 7. Техническое обслуживание (2) Выдвиньте левый конец каждого фильтрующего элемента и выньте два ячеистых фильтрующих элемента грубой очистки (большой и маленький). • Большой фильтрующий элемент нельзя вынуть, надавли- вая на правый край. 4. С помощью пылесоса удалите пыль с внутренних элемен - ...
Страница 156 - Вставьте собранный фильтр обратно в корпус проекто
145 7. Техническое обслуживание 7. Вставьте собранный фильтр обратно в корпус проекто - ра. Убедитесь, что корпус фильтра установлен правильной сто- роной. 8. Установите крышку фильтра обратно на корпус проек - тора. Вставьте две защелки на верхней стороне крышки фильтра в пазы на корпусе и нажмите ...
Страница 157 - Чистка объектива; верхность пластикового объектива.; Чистка корпуса; Если он сильно загрязнен, используйте мягкое чистящее средство.; результате к его неисправности.
146 7. Техническое обслуживание Чистка объектива • Перед чисткой отключите электропитание устройства.• У проектора пластиковый объектив. Используйте доступный на рынке очиститель для пластиковых объективов.• Не поцарапайте и не повредите поверхность объектива, так как ее очень легко испортить.• Ни...
Страница 158 - Замена лампы и фильтров; поражение электрическим током.; Порядок замены лампы и фильтров; Замените лампу
147 7. Техническое обслуживание Замена лампы и фильтров Когда срок службы лампы достигает конца, индикатор LAMP на корпусе начинает мигать красным цветом и появляется сообщение «ИСТЕКАЕТ СРОК ЭКСПЛУАТАЦИИ ЛАМПЫ. ПОЖАЛУЙСТА, ЗАМЕНИТЕ ЛАМПУ И ФИЛЬТР. » (*). Хотя лампа еще может продолжать работать, ...
Страница 159 - пытайтесь обойти эту блокировку.; Прежде чем снимать корпус лампы, убе
148 7. Техническое обслуживание 2. Снимите корпус лампы. (1) Ослабьте два винта, удерживающих корпус лампы, пока крестообразная отвертка не начнет свободно прокру - чиваться. • Эти два винта не вынимаются. • На корпусе находится блокировочное устройство, предохраняющее от поражения электрическим ток...
Страница 160 - На этом замена лампы заканчивается.; Установите крышку отсека лампы на место.
149 7. Техническое обслуживание На этом замена лампы заканчивается. Теперь приступайте к замене фильтра. ПРИМЕЧАНИЕ: Если продолжать использовать проектор еще в течение 100 часов после окончания срока службы лампы, проектор не сможет включиться и отобразить меню.Если такое произойдет, нажмите и удер...
Страница 161 - В комплекте с запасной лампой поставляются четыре фильтра.
150 7. Техническое обслуживание Чтобы заменить фильтры: В комплекте с запасной лампой поставляются четыре фильтра. Ячеистый фильтрующий элемент (с крупной сеткой): большой и маленький (крепятся с наружной стороны корпуса фильтра) Гофрированный фильтрующий элемент (с мелкой сеткой): большой и маленьк...
Страница 162 - Удалите пыль с корпуса фильтра и крышки фильтра.; На этом замена фильтра завершена.; Чтобы сбросить время наработки лампы и время наработки фильтров:; [СБРОС ВРЕМЕНИ НАРАБОТКИ ЛАМПЫ] и обнулите время наработки лампы.
151 7. Техническое обслуживание (2) Выдвиньте левый конец каждого фильтрующего элемента и выньте два ячеистых фильтрующих элемента грубой очистки (большой и маленький). • Большой фильтрующий элемент нельзя вынуть, надавливая на правый край. 4. Удалите пыль с корпуса фильтра и крышки фильтра. Почисти...
Страница 163 - Установка программного обеспечения; Установка для программного обеспечения Windows; Windows Vista и Windows XP.
152 8. User Supportware Установка программного обеспечения Установка для программного обеспечения Windows Программное обеспечение за исключением Image Express Utility 2 for Mac поддерживают работу с ОС Windows 7, Windows Vista и Windows XP. ПРИМЕЧАНИЕ: • Чтобы установить или удалить любую программ...
Страница 164 - Начнется установка.; Деинсталляция программного обеспечения; • Для Windows 7/Windows Vista; • Для Windows XP; Появится окно Панели управления.
153 8. User Supportware 2 В окне меню выберите программу, которую хотите установить. Начнется установка. • Следуйте инструкциям на экранах программы установки, чтобы завершить установку. СОВЕТ: Деинсталляция программного обеспечения Подготовка: Перед деинсталляцией необходимо выйти из программы. Что...
Страница 165 - Установка для программного обеспечения Macintosh; Image Express Utility 2 for Mac поддерживает работу с Mac OS X.; • Деинсталляция программного обеспечения
154 8. User Supportware Установка для программного обеспечения Macintosh Image Express Utility 2 for Mac поддерживает работу с Mac OS X. 1 Вставьте входящий в комплект компакт-диск NEC Projector в привод CD-ROM компьютера. Отобразится окно меню. 2 Дважды кликните по пиктограмме CD-ROM.3 Дважды кликн...
Страница 166 - Использование компьютерного кабеля (VGA) для управления; можно увидеть на мониторе компьютера.; Функции управления; Виртуальный пульт дистанционного управления
155 8. User Supportware Использование компьютерного кабеля (VGA) для управления проектором (Virtual Remote Tool) С помощью утилиты «Virtual Remote Tool» виртуальный пульт дистанционного управления (или панель инструментов) можно увидеть на мониторе компьютера. Эта функция поможет Вам выполнять так...
Страница 167 - Шаг 1: Установите Virtual Remote Tool на компьютер; Отобразится окно меню.
156 8. User Supportware Шаг 1: Установите Virtual Remote Tool на компьютер ПРИМЕЧАНИЕ: • Чтобы установить Virtual Remote Tool, учетная запись пользователя Windows должна иметь права «Администратора» (Windows 7, Windows Vista и Windows XP). • Перед началом установки Virtual Remote Tool закройте все р...
Страница 168 - Нажмите «Пуск», а затем «Панель управления».; Подсоедините проектор к компьютеру; Проектор находится в режиме ожидания.
157 8. User Supportware СОВЕТ: Деинсталляция программного обеспечения Подготовка: Перед деинсталляцией необходимо выйти из программы. Чтобы деинсталлировать программу, учетная запись пользо - вателя Windows должна быть с правами «Администратор» (Windows 7 и Windows Vista) или с правами «Администрато...
Страница 169 - • Кликните два раза по пиктограмме; Запуск из меню «Пуск»; Следуйте указаниям на экранах
158 8. User Supportware Запустите Virtual Remote Tool Запуск с помощью пиктограммы на рабочем столе • Кликните два раза по пиктограмме на рабочем столе компьютера. Запуск из меню «Пуск» • Нажмите на [Пуск] → [Все программы] или [Программы] → [NEC Projector User Supportware] → [Virtual Remote Tool] →...
Страница 170 - Выход из Virtual Remote Tool; Просмотр помощи к Virtual Remote Tool; • Отображение помощи с помощью панели задач.; Нажмите на пиктограмму Virtual Remote Tool; • Отображение помощи с помощью меню Пуск.; Tool», затем «Virtual Remote Tool Помощь» в указанном порядке.
159 8. User Supportware Выход из Virtual Remote Tool 1 Нажмите на пиктограмму Virtual Remote Tool на панели задач. На экране отобразится меню. 2 Нажмите «Exit». Virtual Remote Tool закроется. Просмотр помощи к Virtual Remote Tool • Отображение помощи с помощью панели задач. 1 Нажмите на пиктограмму ...
Страница 171 - Express Utility Lite.; Функции Image Express Utility Lite; • Передача изображения; ческое подключение компьютера к проектору.; Шаг 1: Установите Image Express Utility Lite на компьютер.
160 8. User Supportware Отображение экрана Вашего компьютера с проектора через локальную сеть (Image Express Utility Lite) Использование приложения Image Express Utility Lite позволяет отправить изображение с монитора компьютера на проектор по кабелю USB или по проводной или беспроводной локальной...
Страница 172 - Подключите проектор к локальной сети.; Запустите Image Express Utility Lite.
161 8. User Supportware СОВЕТ:Если окно меню не отобразилось, попробуйте выполнить следующую процедуру.Для Windows 7: 1. Нажмите «Пуск» в Windows.2. Нажмите на «Все программы» → «Приложения» → «Выполнить». 3. Введите имя привода CD-ROM (например: «Q:\») и «LAUNCHER.EXE» в поле «Имя». (пример: Q:\LAU...
Страница 173 - Справка программного приложения Image Express Utility Lite
162 8. User Supportware 3. Выберите проектор, который Вы хотите подключить, и нажмите «Connect». Отобразится окно выбора цели. 4. Отметьте подключаемые проекторы «галочкой» и нажмите «Connect». • При отображении одного или нескольких проекторов, находясь в меню проектора, выберите [ИНФ.] → [БЕСПРО- ...
Страница 174 - Возможности GCT; Parameters Correction:; Проецирование изображения с угловой позиции (GCT); Нажмите на пиктограмму «
163 8. User Supportware Проецирование изображения с угловой позиции (Geometric Correction Tool в Image Express Utility Lite) Функция Geometric Correction Tool (GCT) позволяет корректировать искажения изображений при проецировании с угловой позиции. Возможности GCT • У инструмента GCT есть три функ...
Страница 176 - Отображение изображений или видео с проектора через; Функции Image Express Utility 2.0; проводной или беспроводной локальной сети.; сжатия NEC; Использование функции «Easy Connection»*
165 8. User Supportware Отображение изображений или видео с проектора через локальную сеть (Image Express Utility 2.0) Функции Image Express Utility 2.0 • Использование Image Express Utility 2.0 позволяет отправлять изображения с экрана компьютера на проектор по проводной или беспроводной локально...
Страница 177 - Подключение проектора к локальной сети.
166 8. User Supportware • Проецируемые изображения можно передавать на компьютеры и сохранять на них. При использовании режима встречи «Meeting Mode» проецируемые изображения можно отправлять на компью - теры всех участников (посетителей) «Встречи». Полученные изображения можно сохранить на своем ко...
Страница 178 - • Подключение к проектору; вают данную функцию. После этого откроется окно «Projector List».
167 8. User Supportware Основные принципы работы с Image Express Utility 2.0 В данном разделе приводятся три примера работы с Image Express Utility 2.0. (1) Передача изображений на проектор(2) Ведение конференции(3) Участие в конференции Отправка изображений на проектор • Подключение к проектору 1 П...
Страница 179 - Поставьте отметку (; • Передача изображений
168 8. User Supportware 4 Поставьте отметку ( ) напротив проектора, который планируете подключить, и кликните мышью на [Connect]. Если в списке нет названия проектора, которые необходимо подключить, или оно скрыто, кликните мышью на [Update]. Click 4 -1 Click 4 -2 Проектор отобразит экран Вашего ком...
Страница 180 - • Остановка или возобновление передачи изображений; • Окончание передачи изображений; Кликните мышью по пиктограмме проектора (
169 8. User Supportware • Остановка или возобновление передачи изображений Передачу изображения с экрана компьютера на проектор можно приостановить или возобновить. 1 Кликните мышью по пиктограмме проектора ( ) на панели задач Windows. На экране отобразится всплывающее меню. 2 Нажмите [Stop Sending]...
Страница 181 - Ведение конференций; • Ведение конференций; • Демонстрация файла участникам конференции.
170 8. User Supportware Ведение конференций • Ведение конференций 1 Выполните шаги 1–4 в этапе «Подключение проектора» раздела «Отправка изображений на проектор» ( → страница 167 ). Проектор отобразит экран Вашего компьютера. • Демонстрация файла участникам конференции. ПРИМЕЧАНИЕ: Чтобы представить...
Страница 182 - • Окончание конференции; Участие в конференции; • Участие в конференциях; вают данную функцию. После этого откроется окно «Meeting List».
171 8. User Supportware 5 Выберите папку, чтобы сохранить файлы для презентации участникам, и нажмите на [OK]. Файл в выбранной папке будет отражен в списке файлов для передачи. 6 Нажмите [Download]. Файл будет представлен участникам. ПРИМЕЧАНИЕ: Если компьютер подключен к проектору, рабочий экран к...
Страница 183 - дить проектор, отобразится в окне посетителя.
172 8. User Supportware 3 Кликните мышью по Названию встречи, чтобы принять в ней участие, затем кликните мышью на [Connect]. Click 3 Компьютер подключится к выбранной конференции, и отобразится окно посетителя. Если ведущий презентации выбирает пункт «Отправить на ПК или проектор», изображение, кот...
Страница 184 - • Сохранение полученных изображений; На экране отобразится панель памяток.; Изображение в окне посетителя будет сохранено.
173 8. User Supportware • Сохранение полученных изображений 1 Кликните мышью на [Memo] в окне посетителя. На экране отобразится панель памяток. Memo pane Click 2 Click 1 2 Кликните мышью на [Save Image] в окне посетителя. Изображение в окне посетителя будет сохранено. • Сохраненное изображение добав...
Страница 185 - • Загрузка файла для демонстрации; Откроется окно «File Transfer».; Окно «File Transfer» закроется.
174 8. User Supportware • Загрузка файла для демонстрации 1 Кликните мышью на [File Transfer] в окне посетителя. Откроется окно «File Transfer». Click 1 2 Выберите файл для загрузки и нажмите [Download]. Начнется загрузка. Прогресс загрузки отображается в левом нижнем углу окна. 3 По окончании загру...
Страница 186 - • Изменение ведущего презентации; В приведенном ниже примере выбрана настройка «Not Approved».; • Выход из конференции; Выйдите из конференции и Image Express Utility 2.0.
175 8. User Supportware • Изменение ведущего презентации Для изменения ведущего презентации можно задать три типа настроек: «Not Approved», «Approved» и «Changing Prohibited» (их может выбирать только ведущий презентации). В приведенном ниже примере выбрана настройка «Not Approved». • Кликните мышью...
Страница 187 - Функции Desktop Control Utility 1.0; В ОС Windows XP нажмите на [Панель управления]
176 8. User Supportware Использование проектора для управления компьютером через локальную сеть (Desktop Control Utility 1.0) Использование Desktop Control Utility 1.0 позволяет дистанционно управлять Вашим компьютером, который находится на некотором расстоянии от проектора, через сеть (проводную ...
Страница 188 - Использование проектора для управления экраном компьютера
177 8. User Supportware Использование проектора для управления экраном компьютера ВАЖНО:• При работе с Windows 7/Windows Vista перед использованием Desktop Control Utility 1.0 следует отключить контроль учетной записи пользователя. В ОС Windows Vista функция «Контроль учетной записи пользователя» пр...
Страница 189 - • Работа на компьютере; Отобразится окно «Startup password settings».
178 8. User Supportware • Работа на компьютере 1 В меню Windows нажмите на [Пуск] → [Все программы] → [NEC Projector User Supportware] → [Desktop Control Utility 1.0] → [Desktop Control Utility 1.0] в указанном порядке. Отобразится окно «Selection Of Network Connections». Здесь отображен перечень се...
Страница 191 - • Эксплуатация проектора (подключение компьютера); Подключите к проектору доступную в продаже мышь с USB разъемом.; Включите проектор.
180 8. User Supportware • Эксплуатация проектора (подключение компьютера) 1 Подключите к проектору доступную в продаже мышь с USB разъемом. USB 2 Включите проектор. Заранее задайте настройки для подключения проектора по локальной сети. 3 Нажмите кнопку SOURCE на корпусе проектора. Отобразится список...
Страница 193 - • Эксплуатация проектора (управление экраном рабочего стола); дистанционного управления.
182 8. User Supportware 10 Кликните мышью по целевому объекту соединения, затем [OK]. Появится экран рабочего стола компьютера в целевом месте соединения. • Эксплуатация проектора (управление экраном рабочего стола) Управление отображенным экраном рабочего стола можно осуществлять с помощью USB-мыши...
Страница 194 - • Эксплуатация проектора (отключение соединений); Нажмите кнопку EXIT, пока отображается экран рабочего стола.
183 8. User Supportware <1> <2> <3> <4> <1> (пиктограмма разрыва соединения) ........................................................Разрывает соединение с компьютером. <2> (пиктограмма Shift) ....При перемещении выделения курсором на данную пиктограмму и нажатии ...
Страница 195 - • Управление проектором (выход из Desktop Control Utility 1.0); Кликните мышью по пиктограмме [
184 8. User Supportware • Управление проектором (выход из Desktop Control Utility 1.0) 1 Кликните мышью по пиктограмме [ ] проектора на панели задач, пока отображается экран рабочего стола. 2 Нажмите [Exit]. Desktop Control Utility 1.0 подготовится к работе. 3 Нажмите кнопку EXIT на корпусе проектор...
Страница 196 - • Отображение Помощи во время работы с PC Control Utility Pro 4.
185 8. User Supportware Управление проектором через локальную сеть (PC Control Utility Pro 4) Использование программы «PC Control Utility Pro 4» позволяет управлять проектором с компьютера через локальную сеть. Функции управления Питание Вкл./Выкл., выбор сигнала, фиксирование изображения, отключе...
Страница 197 - Преобразование файлов PowerPoint в слайды (Viewer PPT; «Все программы»
186 8. User Supportware Преобразование файлов PowerPoint в слайды (Viewer PPT Converter 3.0) Использование функции Viewer PPT Converter 3.0 позволяет преобразовывать файлы PowerPoint в файлы JPEG. Преоб - разованные файлы в формате JEPG и индексные файлы (.idx) можно сохранять на запоминающем устр...
Страница 199 - Функции Image Express Utility 2; Запоминающее устройство
188 8. User Supportware Отображение экрана Вашего компьютера Mac с проектора через локальную сеть (Image Express Utility 2 for Mac) Использование входящего в комплект приложения Image Express Utility 2 for Mac позволяет отправить изображение с монитора компьютера Мас на проектор по кабелю USB или ...
Страница 200 - ) на панели меню Macintosh, затем кликните на «Включить AirPort».; Если статус AirPort не отображается на панели меню (; Кликните на меню Apple (
189 8. User Supportware Работа с Image Express Utility 2 Подключение к проектору 1 Убедитесь, что проектор включен.2 Кликните по статусу AirPort ( ) на панели меню Macintosh, затем кликните на «Включить AirPort». Статус AirPort изменится на « » или « ». • Типы и значение статуса AirPort ...AirPort: ...
Страница 201 - Отобразится окно «Архитектура».
190 8. User Supportware 3 Дважды кликните по пиктограмме «Image Express Utility 2» в папке «Image Express Utility 2». • При первом запуске программы появится окно «License Agreement». Внимательно прочитайте соглашение на экране и нажмите на кнопку «Я принимаю условия лицензионного со- глашения», зат...
Страница 202 - Остановка / Повторная передача изображения; • Остановка передачи изображения; Передача изображения будет приостановлена.; • Повторная передача изображения; Передача изображения будет возобновлена.; Выход из программы Image Express Utility 2; Image Express Utility 2 закроется .
191 8. User Supportware Остановка / Повторная передача изображения • Остановка передачи изображения 1 Нажмите на [Tools] на панели меню, затем на [Stop Sending]. Передача изображения будет приостановлена. • Повторная передача изображения 1 Нажмите на [Tools] на панели меню, затем на [Start Sending]....
Страница 203 - Устранение неисправностей; Показания индикаторов; Индикатор Power; Защита от превышения допустимой температуры; Если это произошло, выполните следующие действия:
192 9. Приложение 1 Устранение неисправностей Этот раздел поможет решить проблемы, которые могут возникать при подготовке к эксплуатации и в процессе экс - плуатации проектора. Показания индикаторов Индикатор Power Состояние индикатора Состояние проектора Примечание Откл. Главный переключатель питан...
Страница 204 - Типичные неисправности и способы их устранения
193 9. Приложение Типичные неисправности и способы их устранения ( → раздел «Power/Status/Индикатор Lamp» на стр. 192 ) Неисправность Проверьте следующее: Проектор не включается или не выключается • Проверьте, подключен ли силовой кабель и нажата ли кнопка включения питания на корпусе проектора или ...
Страница 205 - Если изображение отсутствует или отображается неправильно.; ектору ноутбук не был выключен.
194 9. Приложение Если изображение отсутствует или отображается неправильно. • Питание подается на проектор и ПК. Убедитесь, что проектор и ноутбук были подключены друг к другу, когда проектор находился режиме ожидания, а ноутбук был включен. В большинстве случаев сигнал, исходящий от ноутбука, не в...
Страница 206 - Технические характеристики; Номер модели
195 9. Приложение Технические характеристики В данном разделе содержится техническая информация об эксплуатационных характеристиках проектора. Номер модели P420X/P350X/P350W Оптический P420X P350X P350W ЖК-панель 0,63 дюймовый ЖК-экран с линзовой антенной решеткой малого размера (Аспектное от-ноше...
Страница 207 - Дополнительную информацию можно найти на сайтах:
196 9. Приложение Потребление электроэнер-гии ЭКО РЕЖИМ ВЫКЛ.ВЫКЛ. 358 Вт (100-130 B)/343 Вт (200-240 B) 311 Вт (100-130 B)/302 Вт (200-240 B) 358 Вт (100-130 B)/343 Вт (200-240 B) ЭКО1 РЕЖИМ 271 Вт (100-130 B)/264 Вт (200-240 B) 239 Вт (100-130 B)/236 Вт (200-240 B) 271 Вт (100-130 B)/264 Вт (200-2...
Страница 208 - Габаритные размеры корпуса
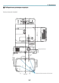
197 9. Приложение 71,8–76,5 (2,8–3) 398 (15,7) 115 (4,5) 282 (11,1) 11,5 (0,5) 175 (6,9) 24 (0,9) 33,8 (1,3) 130 (5,1) 150 (5,9) 200 (7,9) 134 (5,3) Габаритные размеры корпуса Центр объ- ектива Центр объектива Отверстия для установки под потолком Единица измерения: мм (дюйм)
Страница 209 - Предназначение штырьков входного разъема D-Sub COMPUTER; 5-штырьковый разъем D-Sub соединительного устройства; Уровень сигнала
198 9. Приложение Предназначение штырьков входного разъема D-Sub COMPUTER 15-штырьковый разъем D-Sub соединительного устройства Уровень сигнала Видеосигнал: 0,7 Vp-p (аналоговый) Сигнал синхронизации: Уровень TTL 5 1 4 2 3 10 11 12 13 14 15 6 9 7 8 COMPUTER 1 IN ПРИМЕЧАНИЕ: для DDC/CI требуются 12...
Страница 210 - Перечень совместимых входных сигналов; отображаться при помощи технологии Advanced AccuBlend.; Аналоговый RGB
199 9. Приложение Перечень совместимых входных сигналов ПРИМЕЧАНИЕ: • Изображение с более высоким или низким разрешением, чем собственное разрешение проектора (P420X/P350X: 1024 × 768 / P350W: 1280 × 800), будет отображаться при помощи технологии Advanced AccuBlend. • Синхронизация по зеленому и к...
Страница 211 - Коды управления и кабельные соединения ПК; Коды управления ПК; Протокол связи
200 9. Приложение Коды управления и кабельные соединения ПК Коды управления ПК Функция Кодирование данных ПИТАНИЕ ВКЛЮЧЕНО 02Н 00Н 00Н 00Н 00Н 02Н ПИТАНИЕ ОТКЛЮЧЕНО 02H 01H 00H 00H 00H 03H ВЫБОР ВХОДНОГО РАЗЪЕМА «COMPUTER 1» 02H 03H 00H 00H 02H 01H 01H 09H ВЫБОР ВХОДНОГО РАЗЪЕМА «COMPUTER 2» 02H 0...
Страница 212 - Контрольный перечень возможных неисправностей; постоянно; Питание
201 9. Приложение Не работают кнопки на корпусе проектора (только в моделях, в которых предусмо- трена функция [БЛОК. ПАНЕЛИ УПРАВЛ.]) Не включается или отключена в меню функция [БЛОК. ПАНЕЛИ УПРАВЛ.].По-прежнему нет никаких изменений, несмотря на то, что кнопка EXIT была нажата и удерживалась в теч...
Страница 214 - TravelCare Guide; TravelCare - a service for international travelers
203 9. Приложение TravelCare Guide TravelCare - a service for international travelers На данное устройство действует уникальная международная гарантия и ремонтное обслуживание NEC «TravelCare». For more information on TravelCare service, visit our website (in English only). http://www.nec-display....