Страница 2 - ПРИМЕЧАНИЯ
© NEC Viewtechnology, Ltd. 2006 Первое издание, март 2006 • IBM является торговой маркой или зарегистрированной торговой маркой “International Business Machines Corporation”.• Macintosh, Mac OS X и PowerBook являются торговыми марками “Apple Computer, Inc.”, зарегистрированными в США и других страна...
Страница 3 - Важная информация; Внимательно прочитайте эту информацию, чтобы избежать проблем.; Меры безопасности; Меры предосторожности; ВНИМАНИЕ; ОСТОРОЖНО; ВНИМАНИЮ ЖИТЕЛЕЙ ШТАТА КАЛИФОРНИЯ:
Важная информация Данный знак предупреждает пользователя, что неизолированное напряжение в устройстве может быть достаточным для удара электрическим током. Поэтому опасно касаться любые детали внутри устройства. Данный знак предупреждает пользователя о наличии важной информации, касающейся эксплуата...
Страница 7 - повреждению проектора.; Замена лампы
ВНИМАНИЕ Всегда переносить проектор за ручку для переноски. Перед переноской убедитесь, что ручка заблокирована.Как заблокировать ручку, см. “Для блокировки ручки переноса” на странице 6. Не использовать наклонную опору в целях, отличных от первоначально назначенных. Неправильное использование, напр...
Страница 8 - СОДЕРЖАНИЕ
СОДЕРЖАНИЕ Важная информация .......................................................................................................... i 1. Введение ............................................................................................................................ 1 Комплектация .............
Страница 11 - Комплектация; частей свяжитесь с продавцом.
1. Введение 1. Введение Комплектация Убедитесь в наличии всего перечисленного в списке комплекта поставки. При отсутствии каких-либо частей свяжитесь с продавцом. Пожалуйста, сохраняйте упаковку и упаковочные материалы на случай возможной транспортировки проектора в дальнейшем. Проектор Пульт дистан...
Страница 12 - Введение о проекторе; простого в настройке и использовании проектора.
1. Введение Введение о проекторе В данном разделе представлен проектор NP2000/NP1000, описаны основные ключевые особенности и управление. Поздравляем Вас с покупкой проектора Проектор NP2000/NP1000 - это современный XGA проектор, обеспечивающий увеличенное изображение. При помощи проектора NP2000/NP...
Страница 13 - О данном руководстве пользователя; можете его пропустить.
1. Введение Разрешенное для свободной загрузки ПО “Software Geometric Correction Tool 3.0”. Исправляет геометрию изображения, проецирумеого на цилиндрический, сферический или угловой экран через последовательное соединение. Дополнительную информацию можно получить, посетив: США : http://www.necvisua...
Страница 14 - Название деталей проектора; и принадлежит Kensington Microware Inc.; Вид сзади
1. Введение Название деталей проектора Вид спереди/сверху Данный разъем безопасности поддерживает систему безопасности MicroSaver®. MicroSver® - зарегистрированная торговая марка Kensington Microware Inc. Логотип является торговой маркой и принадлежит Kensington Microware Inc. Циферблат смещения лин...
Страница 15 - Вид снизу; Винт предупреждения кражи линз; Ручка для переноски; Переноска проектора; Всегда переносить проектор за ручку.
1. Введение Вид снизу Винт предупреждения кражи линз (страница 116) Ручка для переноски Переноска проектора Всегда переносить проектор за ручку. Перед переноской проектора убедиться, что шнур питания и все прочие провода, подключаемые к источникам видеосигнала, отсоединены. При переноске проектора, ...
Страница 16 - Для блокировки ручки переноса
1. Введение Для блокировки ручки переноса 1. Осторожно установить проектор на торцовую часть. 2. Потянуть вверх ручку для переноски при нажатом вниз зажиме. 3. Нажать вниз левую и правую защелки для фиксации ручки для переноски на месте. • Для возврата ручки в прежнее положение, нажмите левую и прав...
Страница 17 - Особенности верхней части; AUTO ADJUST; D REFORM; ПРИМЕЧАНИЕ: Для включения проектора нажмите и
1. Введение Особенности верхней части 1. Кнопка POWER (ON / STAND BY) (→ страница 24, 35) 2. Индикатор POWER ( ) (→ страница 24, 35,117) 3. Индикатор STATUS (→ страница 117) 4. Индикатор LAMP (→ страница 110,117) 5. Индикатор доступа PC CARD (→ страница 21, 22) 6. Кнопка SOURCE 7. Кнопка AUTO ADJUST...
Страница 18 - Функции клеммной панели; это не влияет на работу проектора.
1. Введение Функции клеммной панели Действительный вид клеммной панели может незначительно отличать от показанного на рисунке, но это не влияет на работу проектора. 1. Разъем COMPUTER 1 IN/Component (15-штырьковый Mini D-Sub) (→ страница 13,15) AUDIO IN (Стерео миниджек) (→ страница 13,14,16) 2. Раз...
Страница 19 - Название частей пульта дистанционного управления; Лазерный указатель; ПРИМЕЧАНИЕ: Для включения проектора; * Не смотреть на включенный лазерный указатель.
1. Введение Название частей пульта дистанционного управления 1. Лазерный указатель 2. Инфракрасный передатчик 3. Разъем Remote jack (→ страница 11) 4. Светодиод Мерцает при нажатии любой кнопки.5. Кнопка POWER ON (→ страница 24) ПРИМЕЧАНИЕ: Для включения проектора нажмите и удерживайте кнопку POWER ...
Страница 21 - а другой - к джеку ДУ пульта дистанционного управления.; REMOTE
Важная информация Использование дистанционного управления при проводном управлении Подключите один конец поставляемого провода дистанционного управления к миниджеку REMOTE, а другой - к джеку ДУ пульта дистанционного управления. ПРИМЕЧАНИЕ: Подключение провода дистанционного управления к миниджеку R...
Страница 22 - Установка и подключения; ПРИМЕЧАНИЕ: Перед переноской проектора; Установка экрана и проектора; Выбор положения
2. Установка и подключения В данном разделе описана установка проектора и подключение проектора к ПК, источникам видео- или аудиосигнала. Установка и использование проектора не представляют никаких сложностей. Но перед тем как начать, следует сначала сделать следующее: 1. 2. 3. ПРИМЕЧАНИЕ: Перед пер...
Страница 23 - Подключения; Подключение к ПК или компьютеру Macintosh; питание которого уже включено.; Включение внешнего дисплея компьютера; + F8 для переключения посредством выбора на внешнем дисплее.; Перед подсоединением выключить компьютер и проектор.
2. Установка и подключения Подключения Подключение к ПК или компьютеру Macintosh ПРИМЕЧАНИЕ: При использовании персонального ноутбука убедиться, что проектор подключается к ноутбуку, когда проектор находится в режиме ожидания, а питание ноутбука выключено. В большинстве случаев выходной сигнал от но...
Страница 24 - приведет к отсутствию картинки. В таком случае, перезапустите ПК.; Назначение технологии HDCP/HDCP; Аудио кабель (не входит
2. Установка и подключения Просмотр цифрового сигнала DVI Для проецирования цифрового сигнала DVI убедитесь, что ПК и проектор соединены при помощи сигнального кабеля DVI-D (не поставляется), перед включением ПК или проектора. Сначала включите проектор и выберите DVI (DIGITAL) из меню источника пере...
Страница 25 - имеющийся в продаже SCART кабель.
COMPUTER 1 IN 2. Установка и подключения Подключение выхода SCART (RGB) Перед подключением: Для данного подключения требуются особый SCART адаптер (ADP-SC1) и имеющийся в продаже SCART кабель. Из меню выберите [Setup] → [Options] → [Signal Select] → [Computer 1] → [Scart]. SCART - это типичный европ...
Страница 26 - • Соединение последовательно-приоритетной цепочкой невозможно.
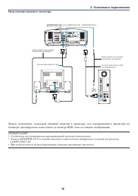
AUDIO IN VGA signal cable 2. Установка и подключения Подключение внешнего монитора (или COMPUTER 2 IN / COMPONENT IN) Аудио кабель (не входит в комплект поставки) Аудио кабель (не входит в комплект поставки) Сигнальный кабель VGA Сигнальный кабель VGA (поставляется) Можно подключить отдельный внешни...
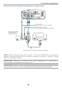
Страница 27 - Кабель составного сигнала RCA x 3; DVD плейер; Аудио кабель (не входит в комплект поставки)
AUDIO IN L R AUDIO OU T L R Componen t Y C b Cr COMPONENT IN AUDIO IN 2. Установка и подключения Подключение DVD плейера к составному выходу Кабель составного сигнала RCA x 3 (не входит в комплект поставки) Аудиооборудование DVD плейер Аудио кабель (не входит в комплект поставки) СОВЕТ: Составной си...
Страница 28 - Видео кабель
2. Установка и подключения Подключение видеомагнитофона или проигрывателя лазерных дисков Видео кабель S-Video (не входит в комплект поставки) Аудиооборудование Видеомагнитофон / Проигрыватель лазерных дисков Видео кабель (не входит в комплект поставки) Аудио кабель (не входит к комплект поставки) С...
Страница 29 - передача изображения.; Функция управления проектором; от проектора через сеть. Имеются два следующих метода:; Функция передачи изображения; изображения или слайды на экран. Имеются два следующих метода:; Пример подключения к локальной сети; (A) Пример подключения к проводной локальной сети; Сервер
LAN 2. Установка и подключения Подключение к сети В типовую поставку NP2000/NP1000 входит порт локальной сети (RJ-45), обеспечивающий подключение по локальной сети с использование сетевого кабеля. Размещение дополнительно поставляемой платы локальной беспроводной сети (NWL-100*) в разъем PC карты пр...
Страница 30 - (Б) Пример подключения к беспроводной локальной сети
2. Установка и подключения (Б) Пример подключения к беспроводной локальной сети (NetworkType → Mode: Infrastructure) ПК с вставленной платой беспроводной локальной сети Проводная локальная сеть ПК со встроенной функцией беспроводной локальной сети Плата беспроводной локальной сети (поставляется допо...
Страница 31 - В разъем PC CARD вставляется заглушка на время; Вставка PC карты; Как только карта вставлена полностью, выскакивает; PC карта; подождите 30 секунд и снова включите его.
ON/ STAN D BY SOU RCE AUTO ADJ UST 3D REFO RM SELE CT ON/ STAN D BY SOU RCE AUTO ADJ UST 3D REFO RM 2. Установка и подключения Вставка и удаление PC карты Для вставки дополнительно поставляемой плате NEC для беспроводной локальной сети или PC карты памяти (также называемой в данном руководстве PC ка...
Страница 32 - В разъем PC карты можно вставить только карту PCMCIA Type II.; Кнопка выброса
2. Установка и подключения Удаление PC карты 1. 2. 3. 4 . 5. Блокировка PC карты Поставляемая блокировка PC карты предотвращает выброс PC карты или дополнительно поставляемой платы для беспроводной локальной сети во время работы. Винт для блокировки PC карты устанавливается под разъемом PC карты с з...
Страница 33 - Подключите поставляемый шнур питания к проектору.; О прямом включении питания; снабженной кнопокой и выключателем.; Убедиться, что штыри полностью вставлены; К стенной розетке
2. Установка и подключения Подключение поставляемого шнура питания Подключите поставляемый шнур питания к проектору. Сначала подключите трехштырьковый разъем поставлемого шнура питания к входу AC IN проектора, и затем другую вилку поставляемого шнура питания в стенную розетку. О прямом включении пит...
Страница 34 - Включение проектора; повреждения проектора.
1.• 2. • 3. • В данном резделе описано включение проектора и способ проецирования картинки на экран. Включение проектора ПРИМЕЧАНИЕ: • • • Снимите крышку объектива. Не пытайтесь снять крышку объектива, дергая за шнур. Это может привести к повреждениям. Для включения основного питания на проекторе пе...
Страница 35 - Примечание по экрану запуска (экран выбора языка меню); Используйте кнопку SELECT для выбора одного; индикатор POWER мерцает зеленым.
3. Проецирование изображения (Основные приниципы) Примечание по экрану запуска (экран выбора языка меню) При первом включении проектора нужно войти в меню Startup. Данное меню дает возможность выбрать один из 21 языков меню.Для выбора языка меню выполните следующие пошаговые операции: 1. Используйте...
Страница 36 - Выбор источника сигнала; Выбор компьютера и видеоисточника; eo” (видеомагнитофон или проигрыватель лазерных дисков),; Автоматическое определение сигнала
3. Проецирование изображения (Основные приниципы) Выбор источника сигнала Выбор компьютера и видеоисточника Выбор из списка источников Нажмите и быстро отпустите кнопку SOURCE на корпусе проектора для отображения перечня источников. При каждом нажатии кнопки SOURCE источник входного сигнала меняется...
Страница 37 - Регулировка размера и положения изображения; расположено выше регулируемого диапазона смещения линз.
Регулировка размера и положения изображения Для регулировки размера и положения изображения используйте циферблаты смещения линз, ручки регулирования ножек наклона, ручку увеличения/уменьшения или фокусировочное кольцо. 3. Проецирование изображения (Основные приниципы) Регулировка положения проециру...
Страница 38 - Регулировка положения проецируемого изображения; • Поверните циферблаты смещения линз.
28 3. Проецирование изображения (Основные приниципы) Регулировка положения проецируемого изображения • Поверните циферблаты смещения линз. ПРИМЕЧАНИЕ: Циферблат смещения линз LEFT-RIGHT не может быть повернуть на полоборота или более. Не поворачивать циферблат дальше, это может привести к его повреж...
Страница 39 - Регулировка фокуса (фокусировочное кольцо); • Повернуть фокусировочное кольцо для регулировки фокуса.
3. Проецирование изображения (Основные приниципы) Регулировка фокуса (фокусировочное кольцо) • Повернуть фокусировочное кольцо для регулировки фокуса. Точная регулировка размера изображения (ручка увеличения/уменьшения) • Поверните ручку увеличения/уменьшения для настройки изображения на экране Фоку...
Страница 40 - Регулировка опоры наклона; Не старайтесь задеть выход вентиляции во время регулировки
2 PC CA RD L A MP ST AT US PO WE R SO UR CE AU T O AD J U ST 3 D RE F O RM ON / ST AN DB Y SE L E CT PC CA RD L A MP ST AT US PO WE R SO UR CE AU T O AD J U ST 3 D RE F O RM ON / ST AN DB Y 1 2 LEN SS HIF T LEF T RIG HT DOW N UP 3. Проецирование изображения (Основные приниципы) Регулировка опоры нак...
Страница 41 - Коррекция трапецеидального искажения; трапецеидальных искажений.; Рамка экрана
3. Проецирование изображения (Основные приниципы) Коррекция трапецеидального искажения Если проектор не точно перпендикулярен плоскости экрана, возникает трапецеидальное искажение. Для исправления такого искажения можно использовать функцию “Keystone”, цифровую технологию, позволяющую отрегулировать...
Страница 43 - Регулировка изображения при помощи автоматической настройки; Автоматическая оптимизация изображения RGB; Увеличение/уменьшение громкости; Можно настроить громкость звука из динамика; Увеличение громкости
3. Проецирование изображения (Основные приниципы) Автоматическая оптимизация изображения RGB Регулировка изображения при помощи автоматической настройки Автоматическая оптимизация изображения RGB Нажмите кнопку Auto Adjust для автоматической оптимизации изображения RGB. Данная настройка необходима п...
Страница 44 - Использование лазерного указателя; ОСТОРОЖНО:
3. Проецирование изображения (Основные приниципы) Использование лазерного указателя Для привлечения внимания аудитории к объектам можно использовать лазер (с красной точкой). ОСТОРОЖНО: • Не смотреть на включенный лазерный указатель. • Не нацеливать луч лазера на человека. • Не позволять детям играт...
Страница 45 - Выключение проектора; отображения изображений.; После подготовки к использованию
3. Проецирование изображения (Основные приниципы) Выключение проектора Чтобы выключить проектор: 1. 2. 3. О прямом включении питания Проектор имеет функцию, называемую “прямое выключение питания”. Данная функция позволяет выключить проектор (даже во время проецирования изображения) при помощи панели...
Страница 46 - Удобные возможности; Выключение изображения и звука; Даже если изображение выключено, меню все равно остается на; Остановка картинки; Изображение остановлено, но исходнео видео все еще; Увеличение и перемещение изображения; приводит к увеличению изображения.; Изменение режима лампы; Нажмите кнопку ENTER. Или нажмите кнопку SELECT ► для; Нормальный
4. Удобные возможности Выключение изображения и звука Для кратковременного выключения изображения и звука нажмите кнопку PIC-MUTE. Нажмите эту кнопку повторно для восстановления изображения и звука. СОВЕТ: Даже если изображение выключено, меню все равно остается на экране. Остановка картинки Нажмите...
Страница 47 - Получение встроенной помощи; Используйте кнопку SELECT или для прокрутки; Показать помощь Выйти из помощи
4. Удобные возможности Получение встроенной помощи Можно получить содержанеи помощи на английском, немецком и японском языках. 1. Нажмите кнопку HELP на пульте ДУ. • • 2. Используйте кнопку SELECT или для прокрутки области просмотра. 3. Нажмите кнопку EXIT. • Экран помощи закроется. Показать помощь ...
Страница 48 - Использование USB мыши; ПРИМЕЧАНИЕ: Существуют некоторые марки USB; Работа с меню при помощи USB мыши; USB
4. Удобные возможности Использование USB мыши Использование USB мыши обеспечивает плавную работу. Можно использовать имеющиеся в продаже USB мыши. ПРИМЕЧАНИЕ: Существуют некоторые марки USB мышей, не поддерживаемых проектором. ПРИМЕЧАНИЕ: Не пытайтесь вставить разъем USB мыши в порт локальной сети (...
Страница 49 - Использование дополнительного приемника удаленной мыши; на компьютере презентаций.; Подключение приемника удаленной мыши к компьютеру; Компьютер
4. Удобные возможности Использование дополнительного приемника удаленной мыши Дополнительно поставляемый приемник удаленной мыши позволяет управлять функциями мыши компьютера при помощи дистанционного управления. Это является большим удобством для созданных на компьютере презентаций. Подключение при...
Страница 50 - Можно управлять мышью компьютера при помощи пульта ДУ.; О режиме перетаскивания:; кнопки SELECT
4. Удобные возможности Управление мышью компьютера при попощи пульта ДУ Можно управлять мышью компьютера при помощи пульта ДУ. Кнопка PAGE UP/DOWN.........прокручивает область просмотра окна или переходит на предыдущий или следующий слайд в презентации PowerPoint на компьютере. Кнопка SELECT ..........
Страница 51 - Коррекция горизонтального и вертикального трапецеидального; Угловое искажение; Отобразится экран настройки углового смещения.; Проецируемое изображение; На рисунке показана
4. Удобные возможности Коррекция горизонтального и вертикального трапецеидального искажения (углового искажения) Используйте функцию 3D Reform для коррекции (трапецеидального) искажения, делая верхнюю или нижнюю и левую или правую сторону экрана длинее или короче так, чтобы изображение имело прямоуг...
Страница 52 - Используйте кнопку SELECT; Экран
4. Удобные возможности 7. Используйте кнопку SELECT для перемещения проецируемого изображения, как показано на примере. 8. Нажмите кнопку ENTER. 9. Используйте кнопку SELECT для выборка другой иконки, указывающей в нужном направлении. На экране настройки углового искажения выберите [Exit] или нажмит...
Страница 53 - смещения станет доступной.
4. Удобные возможности Диапазоны регулировки 3D Reform: Горизонтальный Вертикальный Угловое искажение Макс. примерно +/– 35° Макс. примерно +/– 40° Трапецеидальное искажение Макс. примерно +/– 27° * При следующих условиях достигается максимальный угол: • Использование стандартного набора линз • Линз...
Страница 54 - Создание рисунков от руки на проецируемом изображении (Chalk
4. Удобные возможности Создание рисунков от руки на проецируемом изображении (Chalk - Board) Функция ChalkBoard позволяет писать и рисовать сообщения на проецируемом изображении. ПРИМЕЧАНИЕ: Выбор другого источника сигнала выключает функцию ChalkBoard. ПРИМЕЧАНИЕ: Функция ChalkBoard доступна только ...
Страница 55 - Предотвращение неразрешенного использования проектора; Первое задание пароля; Отобразится меню.
4. Удобные возможности Предотвращение неразрешенного использования проектора Назначение пароля предотвращает неразрешенное использование проектора. Первое задание пароля 1. Нажмите кнопку MENU. Отобразится меню. 2. Нажмите кнопку SELECT ► для выделения подменю [Setup] и нажмите кнопку ENTER. Выделит...
Страница 56 - Нажмите кнопку ENTER для отображения экрана Security.
4. Удобные возможности 4. Нажмите кнопку SELECT четыре раза для выделения [Security]. 5. Нажмите кнопку ENTER для отображения экрана Security. 6. Нажмите кнопку SELECT один раз для выделения поля ввода Keyword и нажмите кнопку ENTER. Программная клавиатура будет отображаться.
Страница 57 - •В пароле не используйте пробелы.
4. Удобные возможности 7. Введите пароль, содержащий буквы и цифры, рпи попомщи программной клавиатуры. Например, для ввода “1234” следовать шагам с 7-1 по 7-4 далее. ПРИМЕЧАНИЕ: • Запишите пароль. •В пароле не используйте пробелы. 7-1. Выделите цифру “1” и нажмите кнопку ENTER. В поле ввода Keyword...
Страница 58 - Проектор выключится.
4. Удобные возможности Проверка включения защиты Выключите и снова включите проектор для проверки включения функции защиты. 1. Нажмите кнопку POWER (ON/STANDBY). Появится сообщение [Выключение/Вы уверены?] Нажмите кнопку ENTER, кнопку POWER (ON/STANDBY) или снова кнопку POWER OFF. Лампа выключается,...
Страница 59 - Появится экран ввода Keyword
4. Удобные возможности Отключение защиты 1. Нажмите кнопку MENU. Отобразится меню. ПРИМЕЧАНИЕ: Сразу после включения проектора и появления сообщения “Projector is locked! Enter your keyword.” в нижней части экрана, нажмите кнопкк MENU для отображения поля ввода Keyword. В это время нажатие кнопки ME...
Страница 60 - Использование браузера HTTP; Обзор; отклика выключите и затем снова включите проектор.; Подготовка перед использованием
4. Удобные возможности Использование браузера HTTP Обзор Использование функций сервера HTTP позволяет управлять проектором через веб-браузер без установки специального программного обеспечения. Пожалуйста, убедитесь в использовании веб- браузера “Microsoft Internet Explorer 4.x” или более старшей ве...
Страница 62 - Выбор источника: Переключаются входные разъемы проектора.
4. Удобные возможности Выбор источника: Переключаются входные разъемы проектора. Computer1.....................Переключение на разъем COMPUTER 1 IN. Computer2.....................Переключение на разъем COMPUTER 2 IN. Computer3.....................Переключение на разъем COMPUTER 3 IN. Component.........
Страница 63 - Использование проектора для работы с подключенным к сети; доступа третьей стороны к данным или информации.; Зал совещаний
4. Удобные возможности Использование проектора для работы с подключенным к сети компьютером (Desktop Control Utility 1.0) Установка программы “Desktop Control Utility 1.0” с прилагаемого CD диска “Программное обеспечение поддержки №3” позволяет управлять компьютером при помощи проектора посредством ...
Страница 64 - на CD диске “Программное обеспечение поддержки No3”.
4. Удобные возможности Операции на компьютере 1. Подключите компьютер к локальной сети и выполните необходимые настройки. 2. Установите “Desktop Control Utility 1.0” на компьютер. * Указания по установке и использованию программного обеспечения см. “Руководство пользователя программного обспечения п...
Страница 65 - Щелкните иконку ввода пароля
4. Удобные возможности Операции с проектором - Подключение к компьютеру 1. Выполните настройку локальной сети на проекторе. Выполните настройку локальной сети на [Setup] → [Installation] → [LAN Mode] в меню. ( → страница 89) 2. Подключите имеющуюся в продаже USB мышт к проектору. ( → страница 38) 3....
Страница 66 - дистанционного управления.; Операции с проектором - Использование рабочего стола
4. Удобные возможности 9. Введите пароль, записанный в шаге 6 раздела “Операции на компьютере”.10. Введите пароль и щелкните [OK]. Окно ввода пароля закроется.11. Щелкните иконку поиска ПК ( ). Появится окно поиска ПК. 12. Щелкните [OK]. Появится окно выбора соединения. • Для поиска по введенному IP...
Страница 67 - Нажмите кнопку MENU во время отображения рабочего стола.; Операции с проектором - Выход из режима работы с рабочим столом; Появляется всплывающее меню.
4. Удобные возможности Следующие операции доступны только при помощи кнопок на корпусе проектора или на пульте дистанционного управления. Иконка Disco nnect... Иконка Shift ........... Иконка Ctrl ............. Иконка Esc ............. Операции с проектором - Разрыв соединения 1. Нажмите кнопку MENU...
Страница 68 - Использование программы просмотра; Список основных возможностей функции Viewer; Особенности монитора; • Простое переключение слайдов; Простые вспомогательные программы (для компьютера); пользователя программного обеспечения поддержки No3”.
5. Использование программы просмотра Список основных возможностей функции Viewer Особенности монитора Функция Viewer позволяет просматривать слайды, хранящиеся на PC карте памяти (в данном руководстве - PC карте) или USB памяти, через проектор. Даже при отсутствии компьютера презентацию можно провес...
Страница 69 - Сохранение данных на PC карту или USB запоминающее устройство; Использование Ulead Photo Explorer 8.0; запоминающее устройство.
5. Использование программы просмотра Сохранение данных на PC карту или USB запоминающее устройство Существует два способа для сохранения данных на PC карту или USB запоминающее устройство. Использование Ulead Photo Explorer 8.0 Установите Ulead Photo Explorer 8.0 с прилагаемого CD диска “Программное...
Страница 70 - Использование функции просмотра с проектора (воспроизведение); проецируемых проектором.; Проецирование слайдов (Программа просмотра); • Можно использовать кнопку VIEWER на пульте ДУ для выбора [Viewer].; Работа с меню Viewer; карте или USB запоминающего устройства, вставленного в проеткор.
5. Использование программы просмотра Использование функции просмотра с проектора (воспроизведение) В данном разделе описаны действия по показу созданных слайдов при помощи функции просмотра проектора. Также существует возможность создавать слайды напрямую из изображений, проецируемых проектором. Про...
Страница 71 - Количество; Элементы окна Viewer
5. Использование программы просмотра Выделение...............Указывает выбранную папку или диск. Список папок ...........Указывает папки, имеющиеся на PC карте или USB запоминающим устройством. Информация............ Укзывает информацию о выбранном файле или папке. Папка: название папки, дата создан...
Страница 72 - ПРИМЕЧАНИЕ: Данная настройка не доступна для следующих папок:
5. Использование программы просмотра Настройка параметра для Viewer Play mode (Режим воспроизведения): Manual (Ручной)....................Ручной просмотр слайда, если Viewer выбран в качестве источника. Auto (Автомат.).........Автоматическое вопроизведение, если Viewer выбран в качестве источника. I...
Страница 73 - * Для переключения на другой входной сигнал есть две возможности:; Просмотр цифровых изображений; соблюдении следующих условий:
5. Использование программы просмотра Выход из программы просмотра Для входа из Viewer переключитесь на другой входной сигнал, например, Computer 1, Computer 2, Computer 3, Component, Video, S-Video или LAN. * Для переключения на другой входной сигнал есть две возможности: * Нажмите кнопку COMPUTER 1...
Страница 74 - Изменение фонового логотипа; Можно изменить фоновый логотип с помощью параметра “Viewer”.
3. Используйте кнопку для выбора [Thumbnails] и затем нажмите кнопку ENTER. Появится экран миниатюр. 5. Использование программы просмотра Изменение фонового логотипа Можно изменить фоновый логотип с помощью параметра “Viewer”. ПРИМЕЧАНИЕ: Размер файла должен быть 256K кБ или менее. Не подходят форма...
Страница 75 - Использование экранного меню; Использование меню; проектора; Изменения сохраняются до следующей настройки.
6. Использование экранного меню Использование меню 1. Нажать кнопку MENU на пульте дистанционного управления или на корпусе проектора для отображения меню. ПРИМЕЧАНИЕ: Команды, как , ENTER, EXIT, в серой строке указывают необходимые для работы кнопки. 2. Нажать кнопки SELECT на пульте дистанционного...
Страница 76 - Меню; Структура дерева меню; Таким фоном обозначены
6. Использование экранного меню Меню Пункт Структура дерева меню Таким фоном обозначены основные пункты меню. Серым цветом обозначены заводские настройки по умолчанию.
Страница 78 - Элементы меню; ДУ для отображения помощи.
6. Использование экранного меню Элементы меню Окна меню или диалоговые окна обычно состоят из следующих элементов: Выделение Указывает выбранное меню или пункт. Указатель прокрутки Указывает дальнейшие возможные варианты. Выделенный указатель показывает активный пункт меню. Вкладка Указывает группу ...
Страница 79 - необходим для составного сигнала.; Component; или проигрывателю лазерных дисков.; Viewer
6. Использование экранного меню Описание и функции меню [Источник] Computer 1 и 2 Выберите компьютер, подключенный к разъему входного сигнала COMPUTER 1 или COMPUTER 2. ПРИМЕЧАНИЕ: Дополнительный составной кабель (Составной кабель VorADP-CV1), который необходим для составного сигнала. Computer 3 (RG...
Страница 80 - Ввод текущего проецируемого сигнала в “Список записей”
6. Использование экранного меню [Entry list] Используйте кнопки SELECT на пульте дистанционного управления или на корпусе проектора для выбора сигнала и нажмите кнопку ENTER пульта дистанционного управления или на корпусе проектора для отображения экрана [Edit entry command]. Ввод текущего проецируе...
Страница 82 - можно установить настраиваемые пользовательские настройки
6. Использование экранного меню Описание и функции меню [Adjust (Настройка)] [Picture (Изображение)] [Mode (Режим)] Данная функция позволяет определить каким образом можно сохранить установки для [Detail Settings] пункта меню [Preset] для каждого ввода. Стандартный: Сохраняет установки для каждого п...
Страница 83 - жает действительную цветовую температуру.
6. Использование экранного меню [Detail Settings (Подробные настройки)] Расположены на трех страницах в меню, обеспечавая выполнение более подробных настроек. [General] Выбор ссылочных установок [Reference] Данный параметр позволяет использовать коррекцию цвета или значения гаммы как ссылочные данны...
Страница 85 - Позволяет вручную настроить такт и фазу.
6. Использование экранного меню [Image Options (Параметры изображения)] Настройка такта и фазы [Clock/Phase] Позволяет вручную настроить такт и фазу. Clock......... Phase........... Используйте данный пункт для точной регулировки компьютерного изображения или для удаления любых вертикальных полос, к...
Страница 87 - вверху и внизу
6. Использование экранного меню Выбор характеристического отношения [Aspect Ratio] Характеристическое отношение позволяет выбирать наилучший режим отношения для воспроизведения изображения источника. При выборе типа экрана 4:3 для источника, отображаются следующие выделенные пункты: 4:3................
Страница 88 - Выбор вертикальных кромок [Vertical Enhancer]; Выбор чересстрочной или построчной развертки [Deinterlace]; Проецируется сигнал с чересстрочной разверткой.
6. Использование экранного меню [Video (Видео)] Включение/выключение 3-хмерного разделения [3D Y/C Separation] Данная функция включает и выключает параметр 3-хмерного разделения. Off (Выкл)............................Выключить функцию. On (Вкл)...Неподвижное.....Рекомендуется для неподвижных изображ...
Страница 89 - ПРИМЕЧАНИЕ: Данная функция недоступна для Viewer или LAN.
6. Использование экранного меню Выбор режима телефильма [Telecine] Используйте понижающую коррекцию 3:2 для уменьшения вибрации и искажения видео. ПРИМЕЧАНИЕ: Данный параметр доступен только когда включен режим [Deinterlace] и выбран сигнал SDTV. Off..................................... On 2-2/2-3 A...
Страница 90 - Изменения сохранятся даже после выключения проектора.; Выбор режима углового режима [Cornerstone]
6. Использование экранного меню Описание и функции меню [Setup] [Basic] Выбор режима трапецеидального режима [Keystone] Данный параметр позволяет корректировать трапецеидальное искажение. При выборе данного пункта отображается меню установки режима “Keystone”. Можно корректировать вертикальное искаж...
Страница 91 - режим энергосбережения”.
6. Использование экранного меню Использование поправки на цвет стены [Wall Color] Данная функция применима для быстрой настройки коррекции цветов аппаратуры, где материал экрана не белый. Доступными являются следующие девять параметров. Установка режима лампы на “Нормальный” или “Энергосбережение” [...
Страница 92 - Можно выбрать цвет меню.; Выбор меню отображения времени [Display Time]
6. Использование экранного меню [Menu] Выбор меню цвета [Color Select] Можно выбрать цвет меню. Включение / выключение источника отображения, сообщений и времени [Display Select] Source (Источник).......... Message (Сообщение)... Time (Время).................. ПРИМЕЧАНИЕ: Источник и текущее время от...
Страница 93 - • Изменение данных логотипа на PC карте или USB памяти.
6. Использование экранного меню Установка пароля [Menu Lock] / [Logo Lock] Пароль может быть установлен на проектор для избежания использования им посторонним лицом. При выборе [Menu Lock] изменение режима меню из основного в улучшенный выводит на входной экран пароль. При выборе [Logo Lock] выполне...
Страница 94 - отформатированные в файловой системе NTFS.
6. Использование экранного меню [Security] Функция безопасности позволяет защитить проектор так, чтобы проектор не смог проецировать сигнал без ввода пароля. Также существует возможность блокировки проектора с помощью зарегистрированной PC карты* или USB памяти* в качестве защитного ключа. Как тольк...
Страница 95 - Данные PC карты начнут считываться проектором.; запоминающего устройствав качестве защитного ключа).; и удерживайте кнопку POWER в течение как минимум двух секунд.
6. Использование экранного меню Регистрация PC карты или USB запоминающего устройства в качестве защитного ключа. Подготовка : Вставьте PC карту в разъем PC карт проектора или вставьте USB запоминающее устройство в USB порт (тип A) данного проектора. 1. Используйте кнопку SELECT или для выбора [Use ...
Страница 96 - для выбора окна списка.; Использование PJLink
6. Использование экранного меню Удаление данных зарегистрированной PC карты. 1. Используйте кнопку SELECT или для выбора [Delete] и затем используйте кнопку SELECT для выбора окна списка. 2. Используйте кнопку SELECT или для выбора информации на PC карте или USB запоминающем устройстве, которое необ...
Страница 97 - Проектор поддерживает все команды Класса 1 по PJLink.
6. Использование экранного меню ПРИМЕЧАНИЕ: Что такое PJLink? PJLink представляет собой стандартизацию протокола, используемую для управления проекторами от различных производителей. Данный стандартный протокол основан Japan Business Machine и In - formation System Industries Association (JBMIA) в 2...
Страница 98 - при выборе типа экрана 16:9.
6. Использование экранного меню Выбор характеристического отношения и положения на экране [Screen] Тип экрана................Выберите один из двух параметров: Экран 4:3 или 16:9 на используемом экране. См. также [Aspect Ratio]. (→ страница 77) Положение................Данный параметр позволяет настр...
Страница 99 - дополнительно поставляемой платы беспроводной локальной сети.
[LAN Mode] Установка режима LAN Данный параметр позволяет настроить различные пункты меню при использовании проектора в локальной сети. ОСТОРОЖНО Рекомендации по подключению к локальной сети Для настройки проектора к подключению к сети используйте порт LAN (RJ-45) или дополнительно поставляемую плат...
Страница 100 - и введите 12 цифр.; туры; для отображения программной клавиатуры и введите 12 цифр.
6. Использование экранного меню Для получения сообщения об ошибке или информации об оставшемся сроке службы лампы посредством электронной почты: 1. 2. Для выполнения [Easy Connection] используйте Image Express Utility 2.0: Режим [Easy Connection] может сократить ненадежные установки локальной сети, ...
Страница 101 - беспроводной локальной сети.
6. Использование экранного меню [PC Card] Профили (для PC карты): Для простого выполнения подключения беспроводной локальной сети используйте Image Express Util- ity 2.0, выберите [Easy Connection]. В памяти проектора может храниться до двух установок дополнительно поставляемой платы беспроводной ло...
Страница 102 - которому возможен доступ.
6. Использование экранного меню Расширенное меню [Advanced] [Network Type] (только для беспроводных сетей) Site Survey: Отображает список доступных SSID для беспроводной локальной сети на месте. Выберите SSID, к которому возможен доступ. Для выбора SSID, выделите [SSID] и, используя SELECT ►, выбери...
Страница 103 - доступа беспроводной сети.
6. Использование экранного меню [WEP] (только для беспроводных сетей) Выберите данный параметр с использованием ключа WEP (Wired Equivalent Privacy) для кодирования или без такого ключа. Используйте кодировку для определения ключа WEP. Disable (Откл)... 64bit................... 128bit..................
Страница 104 - использовать до 60 букв и цифр.
6. Использование экранного меню Использование программной клавиатуры для ввода ключа кодировки 1. Выбрать один из ключей [Key 1], [Key 2], [Key 3] и [Key 4] и нажать кнопку ENTER. Отображается программная клавиатура. 2. Используйте кнопку SELECT для выбора одного ключа и нажмите кнопку ENTER. 3. Пос...
Страница 105 - Установка флажок включает параметр “Alert Mail”.
6. Использование экранного меню [Mail] Alert Mail (Предупреждающее сообщение): Установка флажок включает параметр “Alert Mail”. Данный параметр уведомляет компьютер об сообщении об ошибке через электронную почту, используя беспроводную или проводную сеть. Сообщение об ошибке появится, когда лампа пр...
Страница 106 - Встроенные часы не останавливаются в режиме ожидания проектора.; Включение или выключение датчика ДУ [Remote Sensor]
6. Использование экранного меню [Projector Name] (Имя проектора) Укажите уникальное имя проектора. Нажмите для отображения программной клавиатуры и введите имя. Можно использовать до 16 букв и цифр. После ввода имени выберите [OK] и нажмите кнопку ENTER. Использование программной клавиатуры 1 до 0 и...
Страница 107 - Можно вручную оптимизировать RGB изображение.; Включение функции “Управление питанием” [Power Management]
6. Использование экранного меню [Options] (Параметры) Установка автонастройки [Auto Adjust] Данная функция устанавливает режим автонастройки таким образом, чтобы изображение RGB настраивалось автоматически или в ручную на шум и устойчивость. Можно выполнить автоматическую настройку двумя способами: ...
Страница 108 - Установка разъема MONITOR OUT [OUT Terminal]; выходным из разъема MONITOR OUT в режиме ожидания.; являются выходящими для разъема MONITOR OUT.
6. Использование экранного меню Выбор формата сигнала [Signal Select] Computer 1/2 Component Выберите тип сигнала от коннекторов COMPONENT (Y, Cb/Pb, Cr/Pr). Component...........Выбирает составной сигнал. Video....................Выбирает составной сигнал, такой как Y/Cb/Cr или Y/Pb/Pr. ПРИМЕЧАНИЕ: ...
Страница 109 - Данный параметр отображает ChalkBoard панель инструментов.; Использование таймера выключения [Off Timer]; Оставшееся время отсчитывается в обратном направлении.; Использование программного таймера [Program Timer]; Можно запрограммировать до 14 различных установок таймера.
6. Использование экранного меню [Tools] Выбор функции Chalk Board [ChalkBoard] Данный параметр отображает ChalkBoard панель инструментов. Функция ChalkBoard позволяет писать и рисовать сообщения на проецируемом изображении. (→ стр. 44) ПРИМЕЧАНИЕ:Функция ChalkBoard доступна только при использовании ...
Страница 110 - дольше, то встроенные часы останавливаются.; Установка программного таймера
6. Использование экранного меню ПРИМЕЧАНИЕ: • До выполнения настроек программного таймера убедитесь, что параметр [Date, Time Preset] установлен. (→ страница 96) • Убедитесь, что проектор находиться в режиме ожидания при включенном главном переключателе питания. • Проектор имеет встроенные часы. Час...
Страница 111 - Установится режим рабочего или нерабочего времени.; Активация программного таймера; Установки времени будут активированы.; установка времени.; Изменение программных установок; которую необходимо создать, и нажмите кнопку ENTER.
6. Использование экранного меню 5. Установка параметра активации. • Используйте кнопку SELECT или для выбора [Active] и нажмите кнопку ENTER. Поставьте флажок в окне [Active]. 6. Завершить настройки. • Используйте кнопку SELECT или для выбора кнопки [OK] и нажмите кнопку ENTER. Установится режим раб...
Страница 112 - для USB мыши. Выберите желаемые установки:
6. Использование экранного меню Удалить программные установки 1. 2. Установка курсора мыши, кнопки и чувствительности [Mouse] Данный параметр позволяет изменить установки USB мыши. Установки параметра доступны только для USB мыши. Выберите желаемые установки: Курсор мыши......................Курсор ...
Страница 113 - сети. Диалоговое окно состоит из семи страниц.
6. Использование экранного меню Описание и функции меню [Information] Отображает отработанные часы лампы и проектора, состояние текущего сигнала и установки локальной сети. Диалоговое окно состоит из семи страниц. Содержание страниц: [Usage Time] (Время использования) Lamp life Remaining (Оставшееся...
Страница 114 - Horizontal Frequency (Горизонтальная частота)
6. Использование экранного меню [Source Page1] (Источник - страница 1) Input Terminal (Входная клемма) Video Type (Тип видео) Entry No (Номер ввода). Signal Type (Тип сигнала) Source Name (Имя источника) [Source Page2] (Источник - страница 2) Horizontal Frequency (Горизонтальная частота) Sync Type (...
Страница 117 - могут быть сброшены.; Обнуление счетчика времени работы лампы [Clear Lamp Hours]; Сброс времени лампы до нуля.; Сброс счетчика времени работы фильтра [Clear Filter Hours]; Сброс времени использования фильтра до нуля.
6. Использование экранного меню Описание и функции меню [Reset] Возвращение к заводским настройкам по умолчанию Функция сброса позволяет изменять настройки и установки до заводских для источников следующими способами: [Current Signal] (Текущий сигнал) Возврат настроек текущего сигнала к заводским на...
Страница 118 - Очистка или замена фильтра; Подготовка; одном комплекте с заменяемой лампой.
7. Обслуживание В данном разделе описаны процедуры, которые необходимо выполнять в случае фильтров и замены лампы. Очистка или замена фильтра Губка фильтра предотвращает попадание пыли и грязи внутрь проектора и должна очищаться каждые 100 часов работы (или чаще в условиях повышенного загрязнения). ...
Страница 119 - Чистка корпуса и линз; или растворы, такие как спирт или растворитель.
7. Обслуживание 2. Аккуратно снять фильтр (губку) и заменить на новый. Фильтр закреплен при помощи самоклеящейся ленты. Снять предохраняющую бумагу перед использованием. 3. Снова установить крышку с новым фильтром. • Завести крышку корпуса до щелчка. 4. Подключить кабель питания, включить главный вы...
Страница 121 - электрическим током. Не пытаться сорвать данную блокировку.; Необходимо сделать заказ через продавца NEC.
7. Обслуживание 2. Ослабить два винта, с помощью которых закреплен корпус лампы до состояния, когда крестообразная отвертка начнет свободно вращаться. Два винта не снимать. Снять корпус лампы, придерживая его. ПРИМЕЧАНИЕ: На кожухе имеется блокировка предотвращения опасности удара электрическим токо...
Страница 123 - Использование дополнительных линз; Таблица расстояний перемещения и размеров экрана для; Пример: Расстояние от экрана 100” с линзами NP03ZL
8. Использование дополнительных линз Для NP2000/NP1000 применяются пять дополнительных линз. См. информацию, описанную на данной странице, для покупки соответствующихлинз для размера вашего экрана и расстояние перемещения. См. стр. 115 по установке линз. Таблица расстояний перемещения и размеров экр...
Страница 124 - Настраиваемый диапазон перемещения линз
8. Использование дополнительных линз Настраиваемый диапазон перемещения линз Верхняя правая диаграмма показывает расположение изображения в линзе. Линза может быть перемещена в затемненной области как показано, используя нормальное положение проецирования как исходную точку. Проектор имеет параметр ...
Страница 125 - Использование набора дополнительных линз; Замена набора дополнительных линз; Снять установленные линзы с проектора.; Установить новые линзы; Вставить линзы с желтым выступом на верхней части.; Повернуть линзы против часовой стрелки при одновременном
LEF T RIG HT 8. Использование набора дополнительных линз Замена набора дополнительных линз ОСТОРОЖНО • • • • • • • Снять установленные линзы с проектора. 1. 2. Установить новые линзы 1. Вставить линзы с желтым выступом на верхней части. 2. Повернуть линзы по часовой стрелке. Повернуть линзы до щелчк...
Страница 126 - Затянуть поставляемый противосъемный винт на корпусе снизу.
8. Использование набора дополнительных линз Чтобы предотвратить снятие линз, необходимо использовать противосъемный винт. Затянуть поставляемый противосъемный винт на корпусе снизу. Отверстие под противосъемный винт для линз на корпусе установки
Страница 127 - оиск и устранение неисправностей; использовании проектора.; Индикатор питания
9. Приложение П оиск и устранение неисправностей Данный раздел поможет решить проблемы, с которыми можно столкнуться при установке или использовании проектора. Сообщения индикатора Индикатор питания Состояние индикатора Состояние проектора Примечание Не светится Питание отключено - Мерцающий свет Зе...
Страница 128 - Общие проблемы и их решения; Для более подробной информации обращайтесь к продавцу.
9. Приложение Общие проблемы и их решения (- “Питание/Состояние/Индикатор лампы” на стр. 117) Проблема Проверить следующие пункты Не включается • Проверить, подключен ли шнур питания и включена ли кнопка питания на корпусе или пульт дистанционного управления. (→ стр. 23, 24) • Убедиться, что крышка ...
Страница 130 - Технические характеристики; Номер модели
9. Приложение Технические характеристики Данный раздел содержит технические данные о проекторе. Номер модели Оптические Разрешение ЖК-панели Набор стандартных линз Лампа Световой выход Степень контрастности (полностью белый : полностью черный) Размер изображения (Стандартные линзы) Параметры линз Эл...
Страница 132 - Размеры корпуса
9. Приложение Размеры корпуса Единицы измерения: мм/дюйм 150.5/5.9" 358/14.1" 4.7/0.19" 168.3/6.63" 399/15.7" 3D R EF OR M SE LE CT ME NU E X I T EN TE R AU TO A DJ US T SO UR CE ON /S TAN D BY PO WE R ST AT US LA MP PC C AR D LEN S SHI FT LEF T RIG HT DO WN UP
Страница 133 - Использование схемы; Например для 100” экрана:; Размер экрана и проекционное расстояние; Расстояние перемещения; При повороте на угол 10° в ширину; Вертикальное расстояние; Опора проектора; Вертикальное перемещение линз: максимальная высота; Ширина; экра
40 30 60 80 100 120 150 200 240 300 400 500 2 4 14 16 18 20 22 12 10 8 6 (m) 2 4 14 16 18 20 22 12 10 8 6 (m) (Tele) 2 0 4 6 8 10 (m) Использование схемы Например для 100” экрана: Проекционное расстояние приблизительно равно 3,1 м (122”) в соответствии с верхней схемой. Нижняя схема показывает, что ...
Страница 134 - набора линз; Перечень размеров экрана; Высота
L m Размер экрана и проекционное расстояние панели экрана при использовании стандартного набора линз На следующих чертежах показан пример использования панели экрана. Положение горизонтальной проекции: Линзы центрированы с лева на право Положение вертикальной проекции: См. таблицу ниже. 9. Приложени...
Страница 135 - Конфигурация разъемов входного разъема D-Sub COMPUTER 1
9. Приложение Конфигурация разъемов входного разъема D-Sub COMPUTER 1 Разъем Mini D-Sub (15 штырьковый) Уровень сигнала Видео сигнал: 0,7 Vp-p (аналоговый) Сигнал синхронизации: Уровень TTL № пина Сигнал RGB (Аналоговый) Сигнал YCbCr 1 Красный Cr 2 Зеленый или синхронизирован на зеленый Y 3 Синий Cb...
Страница 136 - Перечень совместимого входного сигнала; x 768) отображается с помощью продвинутой AccuBlend.
0 0 . 0 6 3 7 . 5 1 – C S T N 0 0 . 0 5 3 6 . 5 1 – L A P – 0 6 L A P D VES A 640 D IBM 640 D MA C 640 D VES A 640 D VES A 640 D IBM 640 D VES A 640 D VES A 800 D VES A 800 D VES A 800 D VES A 800 D VES A 800 D MA C 832 D VES A 1024 D VES A 1024 D MA C 1024 D VES A 1024 D VES A 1024 D VES A 1152 D S...
Страница 137 - Коды управления ПК и подключение кабелей; Коды управления ПК; Функция Программный код; NPUT SELECT COMPUTER 3; Letterbox; Подключение кабелей; Протокол обмена
Коды управления ПК и подключение кабелей Коды управления ПК Функция Программный код POWER ONPOWER OFFINPUT SELECT COMPUTER 1 INPUT SELECT COMPUTER 2 I NPUT SELECT COMPUTER 3 INPUT SELECT COMPONENTINPUT SELECT VIDEOINPUT SELECTS-VIDEO INPUT SELECT VIEWERPICTURE MUTE ONPICTURE MUTE OFFSOUND MUTE ONSOU...
Страница 138 - Использование программной клавиатуры; до 0 и символы; на любой части клавиатуры кроме кнопок.
9. Приложение Разъем управления ПК (D-SUB 9P) ПРИМЕЧАНИЕ 1: Штыри 1, 4, 6 и 9 не используются.ПРИМЕЧАНИЕ 2: Перемычка для “Запрос на передачу” и “Разрешение на передачу” на обоих концах кабеля для упрощения соединения кабелей. ПРИМЕЧАНИЕ 3: Для запуска длинных кабелей рекомендуется установить скорос...
Страница 139 - Лист проверок по поиску и устранению неисправностей; Частота появления; Питание
9. Приложение Лист проверок по поиску и устранению неисправностей До обращения к продавцу или обслуживающему персоналу, проверить следующий лист, чтобы убедиться в необходимости ремонта согласно разделу “Поиск и устранение неисправностей” данного руководства. Приведенный ниже лист проверок поможет р...
Страница 140 - Ниже необходимо подробно описать возникшую проблему.; Проектор; Среда установки
9. Приложение Ниже необходимо подробно описать возникшую проблему. Информация по применению и окружающей среде, где используется проектор Проектор Номер модели: Серийный номер: Дата покупки: Время работы лампы (часов): Режим лампы: Нормальный Энергосбережение Информация по входному сигналу: Горизонт...
Страница 141 - Руководство по переноске
9. Приложение Руководство по переноске TravelCare - услуга для международных путешественников Данный продукт отвечает требованиям “TravelCare”, уникальной гарантии. Пожалуйста, обратите внимание, что область действия Trav- elCare частично отличается от области действия гарантии, предоставляемой вмес...
Страница 142 - В Азии и на Среднем Востоке; ПРИМЕЧАНИЕ: В странах, назвния которых отмечены
9. Приложение В Азии и на Среднем Востоке NEC Viewtechnology, Ltd. Адрес: 686-1, Nishioi, Oi-Machi, Ashigarakami-Gun, Kanagawa 258-0017, Japan Телефон: +81 465 85 2369 Факс: +81 465 85 2393 Адрес электронной почты: support_pjweb@nevt.nee.co.jp Адрес веб-сайта: http://www.nec-pj.com (Область обслужив...
Страница 143 - КОМУ: NEC или авторизованный сервсиный центр NEC:; Лист приложения к программе обслуживания TravelCare
9. Приложение Дата: / / , Р-1/ , КОМУ: NEC или авторизованный сервсиный центр NEC: ОТ: _______________________________________________________________________________ (Компания и фамилия с подписью) Уважаемые господа, Я хотел бы использовать программу обслуживания TravelCare на основании прилагаемог...
Страница 144 - Условие программы обслуживания TravelCare
9. Приложение Условие программы обслуживания TravelCare Конечный пользователь должен понимать следующее условие программы обслуживания TravelCare и заполнить необходимую информацию в листе приложения. 1. Условия обслуживания: Существует три типа обслуживания. Конечный пользователь должен понимать сл...