Страница 2 - Microsoft Corporation в Соединённых Штатах и/или других странах.; ПРИМЕЧАНИЯ
1-е издание, Июль 2008 г. • IBM является товарным знаком или зарегистрированным товарным знаком компании International Business Machines Corporation.• Macintosh, Mac OS X и PowerBook являются товарными знаками компании Apple Inc., зарегистрированными в США и других странах. • Microsoft, Windows, Win...
Страница 3 - Важная информация; Предостережения относительно безопасности; Меры предосторожности; ОБСЛУЖИВАЮЩЕМУ ПЕРСОНАЛУ.; ВНИМАНИЕ; Утилизация использованного изделия
Важная информация Предостережения относительно безопасности Меры предосторожности Внимательно прочтите это руководство перед использованием проектора NEC NP600G/NP500G/NP400G/NP500WG и сохраните руководство для получения справок в будущем. ВНИМАНИЕ Для отключения от сети электропитания обязательно в...
Страница 4 - • Не устанавливайте проектор в следующих условиях:; Размещение проектора в горизонтальном положении
Важная информация Важные меры безопасности Эти инструкции по технике безопасности предназначены для обеспечения длительного срока службы проектора и предотвращения поражения электрическим током. Пожалуйста, внимательно прочитайте их о помните обо всех предостережениях. Установка • Не устанавливайте ...
Страница 5 - светового луча и вентиляционного отверстия.
Важная информация Меры пожарной и электрической безопасности • Чтобы предотвратить накопление тепла внутри проектора, убедитесь, что он хорошо вентилируется и что вентиляционные от- верстия не заблокированы. Расстояние между проектором и стеной должно составлять не менее 4 дюймов (10 см). • Не касай...
Страница 6 - футляра может быть поврежден.; Замена лампы; • Чтобы заменить лампу, следуйте инструкциям, приведенным на стр.; Характеристики лампы
Важная информация v ВНИМАНИЕ • Не используйте наклонные ножки в целях, для которых они не предназначены. Неправильное использование, например зажатие наклонных ножек или подвешивание на стену, может привести к повреждению проектора. • Не отсылайте проектор в мягком футляре через службу доставки посы...
Страница 8 - Оглавление
v Оглавление Важная информация .......................................................................................................i 1. Введение ...................................................................................................................... 1 Комплектация ...................
Страница 9 - Использование экранного меню
Оглавление v Выключение проектора ...........................................................................................................................32 По завершении использования ...............................................................................................................
Страница 10 - Комплектация
Силовой кабель(US: 7N080229)(EU: 7N080015) Кабель сигнала VGA(7N520052) Мягкий футляр(24BS7582) Компакт-дискРуководство пользователя(7N951211) Только для Северной Америки Регистрационная картаОграниченная гарантия Только для стран Европы Гарантийная политика Краткое руководство по настройке(7N8P8811...
Страница 11 - Ознакомление с проектором; Поздравляем с покупкой проектора!; Не пытайтесь прикрепить проектор к потолку самостоятельно.; Проектор оснащен следующими функциональными возможностями:; • Быстрый запуск и прямое выключение питания; Разъем RJ-45 является стандартной функцией.; • ЖК-дисплей с высоким разрешением и высокой яркостью
1. Введение Ознакомление с проектором В этой главе приводится ознакомительная информация о проекторе, а также содержится описание его функций и элементов управления. Поздравляем с покупкой проектора! Этот проектор - один из самых лучших современных проекторов. Проектор позволяет проецировать точны...
Страница 12 - Об этом руководстве пользователя
1. Введение • Шесть режимов предварительных настроек изображения для установок изображения и цвета, настраиваемых поль- зователем Каждый режим предварительных настроек изображения можно изменить в соответствии со своими потребностями и сохра-нить. • Предупреждение несанкционированного использования ...
Страница 13 - Название деталей проектора; Передняя/верхняя часть
1. Введение SEL ECT MEN U EXIT EN TE R STA TUS LAM P AUT OAD J. SOU RCE FOC US STA TU S LA MP AU TO AD J. SO UR CE SE LE CT ME NU EX IT EN TE R FOC US Название деталей проектора Передняя/верхняя часть * Этот слот безопасности поддерживает систему безопасности MicroSaver ®. Задняя часть Рычаг масшт...
Страница 14 - Важнейшие функции; / Кнопки регулирования громкости
1. Введение Важнейшие функции 1. Кнопка (POWER) ( → стр. 22 , 32 ) 2. Индикатор POWER ( → стр. 22 , 32 , 75 ) 3. Индикатор STATUS ( → стр. 75 ) 4. Индикатор LAMP ( → стр. 72 , 75 ) 5. Кнопка SOURCE ( → стр. 24 ) 6. Кнопка AUTO ADJ. Кнопка ( → стр. 31 ) 7. Кнопка MENU ( → стр. 45 ) 8. SELECT / К...
Страница 15 - Функции панели разъемов; приведены типичные коды
1. Введение Функции панели разъемов 6 8 7 3 3 2 1 5 4 9 10 1. COMPUTER 1 IN/ Компонентный входной разъем (Mini D-Sub 15 Pin) ( → стр. 13 , 16 , 18 ) 2. Разъем COMPUTER 2 (DVI-I) IN (29-штырьковый) (совмес- тимый с HDCP) ( → стр. 15 , 16 ) 3. Мини-гнездо AUDIO IN (стереофоническое мини-гнездо) ( → ст...
Страница 16 - Элементы пульта дистанционного управления; Инфракрасный передатчик; Кнопка LAMP MODE; дистанционный приемник мыши.
1. Введение Элементы пульта дистанционного управления 1. Инфракрасный передатчик ( → стр. 8 ) 2. Кнопка POWER ON ( → стр. 22 ) 3. Кнопка POWER OFF ( → стр. 32 ) 4. Кнопка MAGNIFY (+)(–) ( → стр. 34 ) 5. Кнопка PIC-MUTE ( → стр. 34 ) 6. Кнопка PAGE UP/DOWN* ( → стр. 39 , 40 ) 7. Кнопка MENU ( → стр...
Страница 17 - Правила обращения с пультом дистанционного управления
1. Введение SELECT M E N U EX IT EN TE R S TA T U S L A M P A U TO A D J. S O U R C E FOCUS 30° 30° 30° 30° Правила обращения с пультом дистанционного управления • Обращайтесь с пультом дистанционного управления бережно.• Если на пульт дистанционного управления попала влага, немедленно вытрите его н...
Страница 18 - Установка и подключение; Настроить экран и проектор.; Настройка экрана и проектора; Выбор месторасположения; TER
SEL ECT ME NU EXIT EN TER STA TUS LAM P AU TOA DJ. SO UR CE FO CU S 2. Установка и подключение В этом разделе описаны процедуры настройки проектора и подключения видео- и аудио источников.Этот проектор прост в настройке и использовании. Однако перед началом работы следует выполнить следующие действи...
Страница 19 - Используйте их для расчетов на практике.
0 2. Установка и подключение [NP500WG] Чем дальше от экрана или стены будет установлен проектор, тем большим будет изображение. Изображение минимального раз-мера (приблизительно 21 дюйм/0,53 м по диагонали) получится при размещении проектора на расстоянии около 28 дюймов/0,7 м от стены или экрана. Н...
Страница 20 - Таблица расстояний; B = вертикальное расстояние между центром объектива
2. Установка и подключение Расстояние до проекции и размер экрана На приведенном ниже рисунке показано правильное размещение проектора относительно экрана. По таблице можно определить, на каком расстоянии следует установить проектор. Таблица расстояний B = вертикальное расстояние между центром объек...
Страница 21 - ПРЕДУПРЕЖДЕНИЕ; * Крепить проектор к потолку должен квалифицированный; Отражение изображения
2. Установка и подключение ПРЕДУПРЕЖДЕНИЕ * Крепить проектор к потолку должен квалифицированный персонал. За дополнительной информацией обратитесь к дилеру NEC. * Не пытайтесь установить проектор самостоятельно.• Всегда устанавливайте проектор для работы на твердой и ровной поверхности. Падение прое...
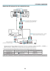
Страница 22 - Подключение других устройств; или работы программного обеспечения для управления питанием.; Включение внешнего экрана компьютера
2. Установка и подключение COMPUTER 1 IN AUDIO IN PHONE Подключение других устройств ПРИМЕЧАНИЕ: Подключать проектор к ноутбуку следует, когда проектор пребывает в режиме ожидания, а питание ноутбука отключено.В большинстве случаев выходной сигнал ноутбука не включается в случае подключения ноутбу...
Страница 24 - Во время просмотра цифрового сигнала DVI
2. Установка и подключение COMPUTER 2 (DVI-I) IN PHONE AUDIO IN Во время просмотра цифрового сигнала DVI Для проецирования цифрового сигнала DVI необходимо подключить ПК к проектору с помощью кабеля DVI (в комплект поставки не входит) перед тем, как будет включен ПК и проектор. Включите проектор и и...
Страница 25 - Одновременное использование двух аналоговых входов COMPUTER
2. Установка и подключение COMPUTER 1 IN COMPUTER 2 (DVI-I) IN ПРИМЕЧАНИЕ: Если адаптер стандарта DVI в VGA не будет использоваться длительное время, отсоедините его от проектора. В противном случае может повредиться соответствующий разъем проектора. Одновременное использование двух аналоговых входо...
Страница 26 - Подключение внешнего монитора
2. Установка и подключение AUDIO IN PHONE MONITOR OUT (COMP 1) AUDIO OUT Подключение внешнего монитора К проектору можно подключить отдельный внешний монитор для параллельного просмотра на мониторе проецируемого компью-терного аналогового изображения. ПРИМЕЧАНИЕ:• Последовательное подключение невозм...
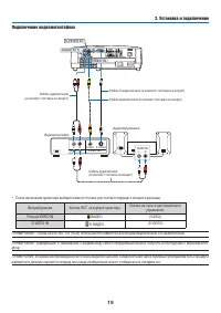
Страница 28 - Подключение видеомагнитофона; Входной разъем
2. Установка и подключение AUDIO IN L R AUDIO OUT L R VIDEO OUT S-VIDEO VIDEO S-VIDEO IN AUDIO IN VIDEO IN Подключение видеомагнитофона • После включения проектора выберите имя источника для соответствующего входного разъема. Входной разъем Кнопка ИСТ. на корпусе проектора Кнопка на пульте дистанцио...
Страница 29 - Подключение к сети; Пример подключения к проводной локальной сети
0 2. Установка и подключение Подключение к сети Стандартная модель проектора оснащена портом проводной локальной сети (RJ-45), через который можно подключаться к локальной сети с помощью кабеля проводной локальной сети. При использовании кабеля проводной локальной сети можно указать настройки сети и...
Страница 30 - Присоединение силового кабеля, входящего в комплект поставки
2. Установка и подключение SEL ECT MEN U EXIT EN TER STA TUS LAM P AUT OAD J. SOU RCE FOC US STATUS LAMP AUTO ADJ. SOURCE Присоединение силового кабеля, входящего в комплект поставки Подсоедините к проектору силовой кабель, входящий в комплект поставки.Сначала вставьте штепсель силового кабеля в раз...
Страница 31 - Включение проектора; Для подачи питания на проектор передвиньте главный пере-
3. Проецирование изображения (основные операции) ( → стр. 75 ) В этом разделе описано, как включить проектор и спроецировать изображение на экран. Включение проектора ПРИМЕЧАНИЕ:• У проектора имеется два переключателя питания: главный переключатель питания и кнопка (POWER) (а на пульте дистан- цио...
Страница 32 - Примечание об экране запуска (экран выбора языка меню); Для выбора языка меню выполните следующие действия:
3. Проецирование изображения (основные операции) 1. С помощью кнопки SELECT , , или выберите для меню один из 21 языка. 2. Нажмите кнопку ENTER, чтобы подтвердить выбор. После этого можно перейти к работе с меню.При желании язык меню можно выбрать позже. ( → [ЯЗЫК] на стр. 47 , 59 ) ENTER. E...
Страница 33 - Выбор источника; Выбор компьютера или источника видеосигнала; Выбор из списка источников; КОМПЬЮТЕР1; Использование пульта дистанционного управления; На экране отобразится меню.
3. Проецирование изображения (основные операции) Выбор источника Выбор компьютера или источника видеосигнала ПРИМЕЧАНИЕ: Компьютер или иной источник видеосигнала, подключенный к компьютеру, должен быть включен. Выбор из списка источников Нажмите и сразу же отпустите кнопку SOURCE на корпусе проект...
Страница 34 - Регулировка размера и положения изображения; В этом разделе чертежи и кабели не указаны для большей ясности.
3. Проецирование изображения (основные операции) Регулировка размера и положения изображения Для настройки размера и положения изображения можно использовать ножку для регулирования наклона или колесико фокуси-рования. В этом разделе чертежи и кабели не указаны для большей ясности. Настройка угла ...
Страница 35 - Настройка ножки для регулирования наклона; рычаг ножки на передней панели проектора.; Настройка наклона изображения влево и вправо [Задняя ножка]; Сохраните прокладку для будущего использования.
3. Проецирование изображения (основные операции) Ножка для регулирова-ния наклона Рычаг ножки для регулирования наклона STA TU S LA MP AU TO AD J. SO UR CE SE LE CT ME NU EX IT EN TE R FO CU S 2 1 STA TU S LA MP AU TOA DJ. SO UR CE SELE CT ME NU EX IT EN TE R FO CU S 3 4 SELE CT ME NU EXIT ENT ER ST...
Страница 36 - Масштабирование; Колесико FOCUS используется для настройки фокусировки.
3. Проецирование изображения (основные операции) STA TU S LA MP AU TO AD J. SO UR CE SE LE CT ME NU EX IT EN TE R FO CU S FOCUS STA TU S LA MP AU TO AD J. SO UR CE SE LE CT ME NU EX IT EN TE R FO CU S FOCUS Масштабирование Рычаг ZOOM используется для настройки размера изображения на экране. Фокус Ко...
Страница 37 - Коррекция трапециевидного искажения; Нажмите кнопку SELECT; Для выполнения коррекции нажимайте SELECT
3. Проецирование изображения (основные операции) Коррекция трапециевидного искажения Коррекция трапециевидного искажения Если экран наклонен в вертикальной плоскости, становится заметным трапециевидное искажение. Чтобы откорректировать тра-пециевидное искажение, выполните следующие действия. ПРИМЕ...
Страница 38 - Настройка при помощи пульта дистанционного управления
3. Проецирование изображения (основные операции) Настройка при помощи пульта дистанционного управления 1. Нажмите кнопку MENU. На экране отобразится меню. 2. Нажмите кнопку SELECT , выберите [ВКЛ.] и нажмите кнопку ENTER. Отобразится экран [ОБЩИЕ НАСТРОЙКИ]. 3. Нажмите кнопку SELECT и выберите п...
Страница 39 - Настройка при помощи функции Авто Осн Принцип
0 3. Проецирование изображения (основные операции) Настройка при помощи функции Авто Осн Принцип Функция коррекции Авто Осн Принцип служит для коррекции вертикального трапециевидного искажения изображения, проецируемого на экран. Никаких специальных действий не требуется. Просто разместите проектор ...
Страница 40 - Автоматическое обнаружение сигнала компьютера; Настройка изображения с помощью кнопки Auto Adjust; Увеличение или уменьшение громкости; СОВЕТ: Когда меню не отображаются, кнопки SELECT; Громкость динамика можно изменять.
3. Проецирование изображения (основные операции) Автоматическое обнаружение сигнала компьютера Настройка изображения с помощью кнопки Auto Adjust Автоматическая оптимизация изображения компьютера.Для выполнения автоматической оптимизации компьютерного изображения нажмите кнопку AUTO ADJ.Эта коррек...
Страница 41 - Выключение проектора; Чтобы выключить проектор:
3. Проецирование изображения (основные операции) Выключение проектора Чтобы выключить проектор: 1. Нажмите на кнопку (POWER) на корпусе проектора или кнопку POWER OFF на пульте дистанционного управления. Появится сообщение [ВЫКЛЮЧЕНИЕ / ВЫ УВЕРЕНЫ ?]. 2. После этого нажмите кнопку ENTER или повтор...
Страница 42 - По завершении использования
3. Проецирование изображения (основные операции) По завершении использования Подготовка: Убедитесь, что питание проектора выключено. 1. Отсоедините силовой кабель. 2. Отсоедините остальные кабели. 3. Сложите ножку для регулирования наклона, если она была выдвинута. 4. Закройте объектив крышкой. 5....
Страница 43 - Увеличение картинки возможно до четырехкратного размера.
Отключение изображения и звука Нажмите кнопку PIC-MUTE, чтобы отключить изображение и звук на короткое время. Повторное нажатие вернет изображение и звук. ПРИМЕЧАНИЕ:• Даже при выключенном изображении меню останется на экране.• Можно отключить звук, подаваемый из гнезда AUDIO OUT (стереофоническое...
Страница 44 - Изменение режима лампы
4. Функции удобства 2. Нажмите кнопку SELECT . Область увеличенного изображения будет перемещаться 3. Нажмите кнопку MAGNIFY (-). При каждом нажатии MAGNIFY (-) изображение будет уменьшаться. ПРИМЕЧАНИЕ: • Изображение будет увеличено или уменьшено по центру экрана.• Если открыть меню, текущее у...
Страница 45 - Чтобы активировать функцию безопасности:
4. Функции удобства Предупреждение несанкционированного использования проектора [БЕЗОПАСНОСТЬ] Можно установить пароль, чтобы предотвратить несанкционированное использование проектора. Каждый раз при включении про-ектора будет отображаться экран для ввода пароля. Проецирование изображения будет во...
Страница 46 - Для включения проектора при включенной функции [БЕЗОПАСНОСТЬ]:
4. Функции удобства 7. Введите комбинацию из тех же самых четырех кнопок SELECT и нажмите кнопку ENTER. Откроется окно подтверждения. 8. Выберите [ДА] и нажмите кнопку ENTER. Функция БЕЗОПАСНОСТЬ активирована. Для включения проектора при включенной функции [БЕЗОПАСНОСТЬ]: Если проектор включен ...
Страница 48 - Использование дополнительного дистанционного приемника мыши; Подключение дистанционного приемника мыши к компьютеру; Подключение с использованием терминала USB
4. Функции удобства Использование дополнительного дистанционного приемника мыши (NP01MR) Дополнительный дистанционный приемник мыши позволяет управлять функциями компьютерной мыши с пульта дистанционного управления. Он очень удобен для просмотра презентаций, созданных на компьютере. Подключение ди...
Страница 49 - Режим перетаскивания:
0 4. Функции удобства Управление компьютерной мышью с пульта дистанционного управления Компьютерной мышью можно управлять с пульта дистанционного управления. Кнопка PAGE UP/DOWN: служит для прокручивания зоны просмотра окна, а также для перехода к предыдущему или следу-ющему слайду в программе Power...
Страница 50 - Настройка с помощью браузера HTTP; Обзор; В этом случае обратитесь к своему сетевому администратору.; Подготовка перед началом работы
4. Функции удобства Настройка с помощью браузера HTTP Обзор Подключив проектор к сети, можно устанавливать настройки почтового предупреждения ( → стр. 43 ), а также управлять проектором при помощи компьютера в сети.Чтобы управлять проектором через веб-браузер, необходимо установить специальную про...
Страница 51 - Параметры сети
42 4. Функции удобства Параметры сети http://<IP-адрес проектора> /index.html DHCP...................................... В. результате. включения. этой. опции. сервер. DHCP. автоматически. назначает. проектору. IP-адрес.. Отключение.этой.опции.позволяет.зарегистрировать.IP-адрес.или.номер.подс...
Страница 52 - Настройка почтового предупреждения; проверьте правильность адреса получателя
4. Функции удобства Настройка почтового предупреждения http://<IP-адрес проектора>/lanconfig.html Благодаря этой опции, при использовании проводной ЛВС сообщение об ошибке доставляется на компьютер через электронную почту. Сообщение об ошибке будет доставлено, если срок службы лампы проектора ...
Страница 54 - Использование меню; расположенные в нижней части, отображают доступные для работы
Использование меню ПРИМЕЧАНИЕ: Во время проецирования чересстрочного видеоизображения экранное меню может отображаться некорректно. 1. Для отображения меню нажмите кнопку MENU на пульте дистанционного управления или корпусе проектора. ПРИМЕЧАНИЕ: Такие команды, как ENTER, EXIT, , расположенн...
Страница 55 - Элементы меню; Окна меню и диалоговые окна обычно включают следующие элементы:; данный параметр активен.
5. Использование экранного меню Элементы меню Окна меню и диалоговые окна обычно включают следующие элементы: Подсветка .....................................Указывает выбранный пункт меню или параметр. Сплошной треугольник ...............Указывает на возможность дальнейшего выбора. Подсвеченный тр...
Страница 56 - Пункты меню
5. Использование экранного меню Пункты меню Некоторые пункты меню недоступны в зависимости от источника входящего сигнала. Пункт меню По умолчанию Опции ИСТ. КОМПЬЮТЕР1 * КОМПЬЮТЕР2(ЦИФРОВ.) * КОМПЬЮТЕР2(АНАЛОГОВ.) * ВИДЕО * S-ВИДЕО * НАСТР. ИЗОБРАЖЕНИЕ ПРЕДВАРИТ УСТАНОВКА * 1-6 ПОДРОБНЫЕ УСТАНОВК...
Страница 60 - Выбор режима коррекции гаммы цветов [ГАММА ПОПРАВКА]; Каждый режим рекомендуется для следующих целей:
5. Использование экранного меню [ОБЩИЕ НАСТРОЙКИ]Сохранение Ваших пользовательских установок [ССЫЛКА] Данная функция позволяет сохранять Ваши пользовательские установки в [ПРЕДВАРИТ УСТАНОВКА 1] - [ПРЕДВАРИТ УСТАНОВКА 6].Сначала выберите основной режим предварительных настроек в меню [ССЫЛКА], а зат...
Страница 61 - Служит для ручной настройки параметров Часы и Фаза.
5. Использование экранного меню [ВОССТ.] Установки и настройки, выполненные в меню [ИЗОБРАЖЕНИЕ], примут исходные заводские значения, за исключением номера предварительных установок и параметра [ССЫЛКА] на экране [ПРЕДВАРИТ УСТАНОВКА].Параметры и настройки в меню [ПОДРОБНЫЕ УСТАНОВКИ] на экране [ПРЕ...
Страница 62 - восстановите настройки по умолчанию.
5. Использование экранного меню Настройка горизонтального/вертикального положения [ГОРИЗОНТАЛЬНО/ВЕРТИКАЛЬНОЕ] Служит для настройки положения изображения по горизонтали и вертикали. - Во время настройки [ЧАСЫ] и [ФАЗА] может происходить искажение изображения. Это не является неисправностью.- Установ...
Страница 63 - Выбор значения параметра [AСПЕКТНОЕ ОТНОШЕНИЕ]; следующая страница
5. Использование экранного меню Выбор значения параметра [AСПЕКТНОЕ ОТНОШЕНИЕ] Термин “аспектное соотношение” обозначает соотношение ширины и высоты проецируемого изображения.Проектор автоматически определяет входящий сигнал и отображает его в соответствующем аспектном отношении.• В этой таблице ото...
Страница 66 - Вертикальное искажение можно корректировать вручную. (
5. Использование экранного меню Описание и функции меню [ВКЛ.] [ОБЩИЕ НАСТРОЙКИ] Включение автокоррекции трапецеидальных искажений [АВТО ОСН ПРИНЦИП] Данная функция позволяет определять угол наклона проектора и автоматически корректировать вертикальные искажения.Чтобы включить функцию АВТО ОСН ПРИ...
Страница 67 - Использование функции коррекции цвета стены [ЦВЕТ СТЕНЫ]; Описание; Настройка закрытого титра [ЗАКРЫТЫЙ ТИТР]
5. Использование экранного меню Использование функции коррекции цвета стены [ЦВЕТ СТЕНЫ] С помощью данной функции осуществляется быстрая коррекция цвета с целью адаптации изображения к экрану, чей цвет отличен от белого. ПРИМЕЧАНИЕ: Если выбрать пункт [БЕЛАЯ ДОСКА], можно уменьшить яркость лампы. Вы...
Страница 68 - Для экранных инструкций можно выбрать один из 21 языка.; Выбор цвета или логотипа для фона с помощью параметра [ФОН]; ID на пульте дистанционного управления.
5. Использование экранного меню Выбор языка меню [ЯЗЫК] Для экранных инструкций можно выбрать один из 21 языка. ПРИМЕЧАНИЕ: На данную установку не влияет даже выбор в меню параметра [ВОССТ.]. [МЕНЮ] Выбор значения параметра [ВЫБОР ЦВЕТА] Для цвета меню возможны две опции: ЦВЕТ и МОНОХРОМНОЕ. Выбор з...
Страница 69 - Выбор ориентации проектора с помощью параметра [ОРИЕНТАЦИЯ]; ФРОНТАЛЬНАЯ СО СТОЛА
0 5. Использование экранного меню [УСТАНОВКА] Выбор ориентации проектора с помощью параметра [ОРИЕНТАЦИЯ] Служит для переориентировки изображения в соответствии с типом проецирования. Возможные опции: фронтальная со стола, тыльная с потолка, тыльная со стола и фронтальная с потолка. ФРОНТАЛЬНАЯ СО С...
Страница 70 - Выбор значения параметра [СКОРОСТЬ КОММУНИКАЦИИ]
5. Использование экранного меню Блокировка кнопок на корпусе проектора с помощью параметра [БЛОК. ПАНЕЛИ УПРАВЛ.] С помощью данной опции можно включать или выключать функцию «БЛОК. ПАНЕЛИ УПРАВЛ.». ПРИМЕЧАНИЕ:• Функция «БЛОК. ПАНЕЛИ УПРАВЛ.» не влияет на функции дистанционного управления.• Когда пан...
Страница 71 - установки КОНТРОЛЬ ID.; Присвоение или изменение контроля ID; Откроется окно КОНТРОЛЬ ID.
5. Использование экранного меню Установка идентификатора проектора [КОНТРОЛЬ ID](Доступна только при использовании дополнительного пульта дистанционного управления NP02RC) Вы можете управлять несколькими проекторами по отдельности и независимо при помощи пульта дистанционного управления, имеющего фу...
Страница 72 - Выбор значения параметра [АВТО НАСТРОЙКА]
5. Использование экранного меню [ОПЦИИ(1)] Выбор значения параметра [АВТО НАСТРОЙКА] С помощью этой функции можно установить режим Авто Настройка, при котором можно автоматически или вручную корректиро-вать шум и стабильность сигнала компьютера. Автоматическая настройка может выполняться в двух режи...
Страница 73 - Выбор формата сигнала с помощью параметра [ВЫБОР СИГНАЛА]
5. Использование экранного меню Выбор формата сигнала с помощью параметра [ВЫБОР СИГНАЛА] [КОМПЬЮТЕР1], [КОМПЬЮТЕР2(АНАЛОГОВ.)]Позволяет выбрать значение [КОМПЬЮТЕР1] или [КОМПЬЮТЕР2(АНАЛОГОВ.)] для источника RGB, например, компьютера, или значение [КОМПОНЕНТ] для источника компонентного видеосигнал...
Страница 74 - Использование таймера выключения [ВЫКЛ ТАЙМЕР]
5. Использование экранного меню [ОПЦИИ(2)] Использование таймера выключения [ВЫКЛ ТАЙМЕР] 1. Выберите подходящее время от 30 минут до 16 часов: ВЫКЛ., 0:30, 1:00, 2:00, 4:00, 8:00, 12:00, 16:00.2. Нажмите кнопку ENTER на пульте дистанционного управления.3. Оставшееся время отсчитывается в обратном п...
Страница 75 - • Эта функция не будет доступна при следующих условиях:
5. Использование экранного меню Включение проектора с помощью сигнала компьютера [АВТО ВКЛ. ПИТ. (COMP1)] Если проектор находится в режиме ожидания, компьютерный сигнал с компьютера, подключенного к разъему входного сигнала COMPUTER1 IN, будет подаваться на проектор и одновременно проецировать компь...
Страница 76 - Сменная лампа
5. Использование экранного меню Описания и функции меню [ИНФ.] Служит для отображения состояния текущего сигнала и времени использования лампы. Для настройки этого параметра четыре страницы. Информация приводится в следующем порядке: СОВЕТ: Нажатие кнопки HELP на пульте дистанционного управления п...
Страница 78 - Сброс сетевых настроек [СЕТЕВЫЕ НАСТРОЙКИ]
5. Использование экранного меню Описания и функции меню [ВОССТ.] Возврат заводских значений параметров [ВОССТ.] Функция ВОССТАНОВЛЕНИЕ позволяет вернуть настройкам и установкам их стандартные заводские значения для всех источников, кроме следующих: [ТЕКУЩИЙ СИГНАЛ]Возвращает настройкам текущего си...
Страница 79 - Техническое обслуживание; Чистка или замена фильтров; Прочистите фильтр с помощью пылесоса через крышку фильтра.
0 6. Техническое обслуживание В данном разделе описаны простые процедуры по техническому обслуживанию, которых следует придерживаться при чистке фильтров и замене лампы. Чистка или замена фильтров Губка воздушного фильтра не позволяет частицам пыли и грязи попасть внутрь проектора, поэтому данный ...
Страница 80 - • Вставьте крышку фильтра до щелчка.; Чистка корпуса и объектива; не поцарапать объектив.
6. Техническое обслуживание 3. Повторно установите новую крышку фильтра (2 точки). • Вставьте крышку фильтра до щелчка. 4. Обнулите показания времени эксплуатации фильтра. Для переустановки времени эксплуатации фильтра выберите в меню пункт [ВОССТ.], а затем [СБРОС НАРАБОТКИ ФИЛЬТРА].( → стр. 69 для...
Страница 81 - Запасная лампа и инструменты, необходимые для замены:
6. Техническое обслуживание Замена лампы Когда срок службы лампы закончится, индикатор LAMP на корпусе будет мигать красным цветом. Хотя лампа еще может продолжать работать, для обеспечения оптимальных эксплуатационных характеристик проектора ее следует заменить. После замены лампы не забудьте обн...
Страница 83 - [СБРОС НАРАБОТКИ ЛАМПЫ], чтобы переустановить счетчики времени
6. Техническое обслуживание 3. Установите новый корпус лампы. (1) Установите новый корпус лампы так, чтобы он вошел в разъем. ВНИМАНИЕ Не используйте других ламп, кроме запасной лампы NP07LP производства NEC.Закажите такую лампу у продавца продукции марки NEC. (2) Нажмите на верхнюю центральную част...
Страница 84 - Устранение неисправностей; Показания индикаторов; Индикатор Power; Защита от превышения допустимой температуры
7. Приложение Устранение неисправностей Этот раздел поможет решить проблемы, которые могут возникать при подготовке к эксплуатации и в процессе эксплуатации проектора. Показания индикаторов Индикатор Power Состояние индикатора Состояние проектора Примечание Откл. Главный переключатель питания нахо...
Страница 86 - Если изображение отсутствует или отображается неправильно.; или перейдите к следующему шагу)
7. Приложение Если изображение отсутствует или отображается неправильно. • Питание подается на проектор и ПК. Убедитесь, что проектор и ноутбук были подключены друг к другу, когда проектор находился режиме ожидания, а ноутбук был включен. В большинстве случаев сигнал, исходящий от ноутбука, не воспр...
Страница 87 - Технические характеристики; Номер модели; Оптический
7. Приложение Технические характеристики В данном разделе содержится техническая информация об эксплуатационных характеристиках проектора. Номер модели NP600G/NP500G/NP400G/NP500WG Оптический NP600G/NP500G/NP400G NP500WG ЖК-панель NP600G/NP500G : 0,63 дюймовый ЖК-экран с линзовой антенной решеткой...
Страница 88 - Механические характеристики; Спецификация на продукцию может изменяться без уведомления.
7. Приложение Цветопередача 16,7 млн. цветов одновременно, полноцветное изображение Совместимые сигналы**** Аналоговый: VGA/SVGA/XGA/WXGA/WXGA+/SXGA/SXGA+/UXGA 480i/480p/576i/576p/720p/1080i Цифровой: VGA/SVGA/XGA/WXGA/SXGA Ширина полосы частот видеосигнала RGB: 80 МГц (макс.) Разрешающая способност...
Страница 89 - Габаритные размеры корпуса
0 7. Приложение SELECT MENU EXI T EN TE R STAT US LAMP AUTO ADJ. SOURCE FOCUS 263 (10,4") 78 (3,1") 108,5 (4,3" ) 55,3 (2,2") 76 (3,0") 308 (12,1") Габаритные размеры корпуса Центр объектива Центр объектива Единица измерения: мм (дюйм)
Страница 90 - Предназначение штырьков входного разъема D-Sub COMPUTER; 5-штырьковый разъем D-Sub соединительного устройства; Сигнал YCbCr
7. Приложение Предназначение штырьков входного разъема D-Sub COMPUTER 15-штырьковый разъем D-Sub соединительного устройства Уровень сигналаВидеосигнал: 0,7 Vp-p (аналоговый)Сигнал синхронизации: Уровень TTL 5 1 4 2 3 10 11 12 13 14 15 6 9 7 8 * Поддерживается только входное соединительное устройст...
Страница 91 - Перечень совместимых входных сигналов
7. Приложение Перечень совместимых входных сигналов По горизонтали (строчные импульсы): от 15 до 100 КГц (RGB: 24 КГц или более)По вертикали: от 50 до 120 Гц Сигнал Разрешение (Точек) Частота по вертикали: (КГц) Скорость обновления (Гц) VIDEO NTSC - * 15,7 59,9 PAL - * 15,6 50,0 PAL60 - * 15,7 60,...
Страница 92 - Коды управления и кабельные соединения ПК; Коды управления ПК; Кабельные соединения; Протокол связи
7. Приложение Коды управления и кабельные соединения ПК Коды управления ПК Функция Кодирование данных ПИТАНИЕ ВКЛЮЧЕНО 02Н 00Н 00Н 00Н 00Н 02Н ПИТАНИЕ ОТКЛЮЧЕНО 02H 01H 00H 00H 00H 03H ВЫБОР ВХОДНОГО РАЗЪЕМА “COMPUTER 1” 02H 03H 00H 00H 02H 01H 01H 09H ВЫБОР ВХОДНОГО РАЗЪЕМА “COMPUTER 2” (цифровой...
Страница 93 - Контрольный перечень возможных неисправностей; постоянно; Питание
7. Приложение Контрольный перечень возможных неисправностей Перед тем, как обратиться к местному продавцу данной продукции или сервисному персоналу, сверьтесь с данным перечнем и убе-дитесь, что необходимость ремонта имеется также и на основании информации раздела “Устранение неисправностей” руков...