Материнские платы GIGABYTE GA MA790GP UD3H - инструкция пользователя по применению, эксплуатации и установке на русском языке. Мы надеемся, она поможет вам решить возникшие у вас вопросы при эксплуатации техники.
Если остались вопросы, задайте их в комментариях после инструкции.
"Загружаем инструкцию", означает, что нужно подождать пока файл загрузится и можно будет его читать онлайн. Некоторые инструкции очень большие и время их появления зависит от вашей скорости интернета.

- 8 -
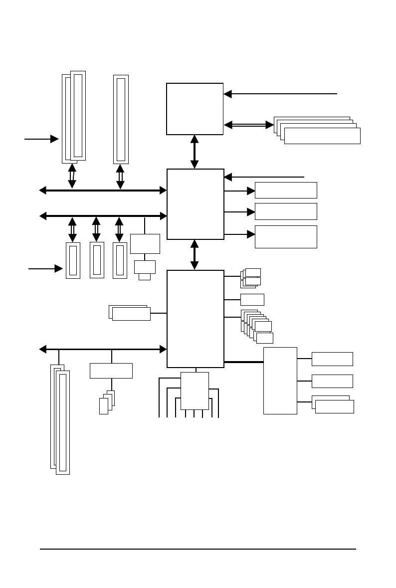
Block Diagram
(Note 1)
Whether 1066 MHz or above memory speed is supported depends on the CPU being used.
(Note 2)
Simultaneous output for DVI-D and HDMI is not supported.
(Note 3)
For optimum performance, if only one PCI Express graphics card is to be installed, be sure to install it in the PCIEX16_1
slot. The PCIEX8_1 slot shares bandwidth with the PCIEX16_1 slot. When PCIEX8_1 is populated with a PCI Express
graphics card, the PCIEX16_1 slot will operate at up to x8 mode.
CPU CLK+/-(200 MHz)
Hyper Transport 3.0
3 PCI Express x1
PCI Express Bus
AMD 790GX
DDR2 1200(O.C.)/1066
(Note 1)
/
800/ MHz
DIMM
Dual Channel Memory
6 SATA 3Gb/s
ATA-133/100/66/33
IDE Channel
x 1
PCIe CLK
(100 MHz)
PCIe CLK
(100 MHz)
LPC BUS
PCI Express x16
AMD SB750
12 USB Ports
GFX CLK (100 MHz)
D-Sub
DVI-D or HDMI
(Note 2)
2 PCI
PCI Bus
3 IEEE 1394a
TSB43AB23
RJ45
RTL8111C
LAN
F l o p p y
COM Port
PS/2 KB/Mouse
IT8718
1 PCI Express x16
(Note 3)
x 1
x 1
x 8
2 PCI Express x8
(Note 3)
Dual BIOS
x 1 6
or
DDR3 SidePort
M e m o r y
x 1
Line Out
MIC
CODEC
Line In
S/PDIF In
S/PDIF Out
Side Speaker Out
Center/Subwoofer Speaker Out
Surround Speaker Out
AM3/AM2+/AM2
C P U