Материнские платы GIGABYTE GA 8AENXP Dual Graphic - инструкция пользователя по применению, эксплуатации и установке на русском языке. Мы надеемся, она поможет вам решить возникшие у вас вопросы при эксплуатации техники.
Если остались вопросы, задайте их в комментариях после инструкции.
"Загружаем инструкцию", означает, что нужно подождать пока файл загрузится и можно будет его читать онлайн. Некоторые инструкции очень большие и время их появления зависит от вашей скорости интернета.

- 7 -
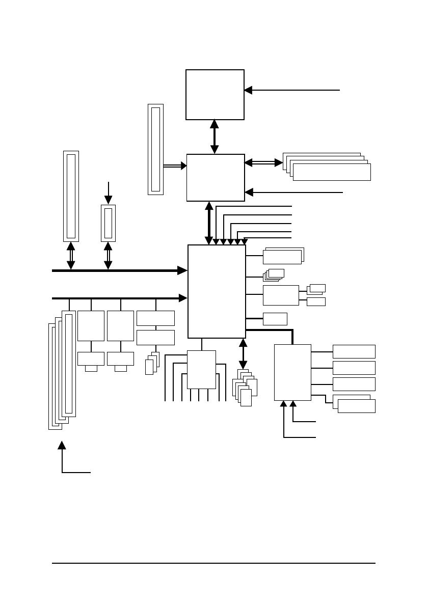
Block Diagram
Line-Out
MIC
LGA775
Processor
CPUCLK+/-(266/200/133MHz)
33MHz
Host
Interface
Intel
925XE
MCH
MCHCLK (266/200/133MHz)
66MHz
48MHz
DDRII 711/600
(Note)
/533/400MHz DIMM
24MHz
33MHz
IT8712
4 Serial ATA
ATA33/66/100 IDE Channels
Intel
ICH6R
14.318MHz
Dual BIOS
CODEC
Line-In
PCICLK
(33MHz)
3 PCI
PCI Bus
Marvell
8001
RJ45
3 IEEE1394b
SPDIF In
SPDIF Out
PCI Express x 1 Bus
8 USB
Ports
Dual Channel Memory
Floppy
PS/2 KB/Mouse
LPT Port
COM Port
TSB82AA2
TSB81BA3
2 Serial ATA II
PDC20779
Side Speaker Out
Center/Subwoofer Speaker Out
Surround Speaker Out
(Note) To use a DDRII 711 memory module on the motherboard, you must install a 1066MHz FSB
processor and overclock in BIOS.
To use a DDRII 600 memory module on the motherboard, you must install an 800MHz FSB
processor and overclock in BIOS.
Marvell
8001
RJ45
LAN1
LAN2
PCIE_16_1
1 PCI Express x 1 Port
PCI-ECLK
(100MHz)
PCI-ECLK
(100MHz)
PCIE_16_2
PCI-ECLK
(100MHz)
PCIE_1
ATA33/66/100/133
IDE Channels
100MHz