Материнские платы GIGABYTE GA 785GMT USB3 rev1 - инструкция пользователя по применению, эксплуатации и установке на русском языке. Мы надеемся, она поможет вам решить возникшие у вас вопросы при эксплуатации техники.
Если остались вопросы, задайте их в комментариях после инструкции.
"Загружаем инструкцию", означает, что нужно подождать пока файл загрузится и можно будет его читать онлайн. Некоторые инструкции очень большие и время их появления зависит от вашей скорости интернета.

Органы управления и разъемы
Руководство пользователя MG20XU/MG20/MG16XU/MG16/MG12XU/MG12
20
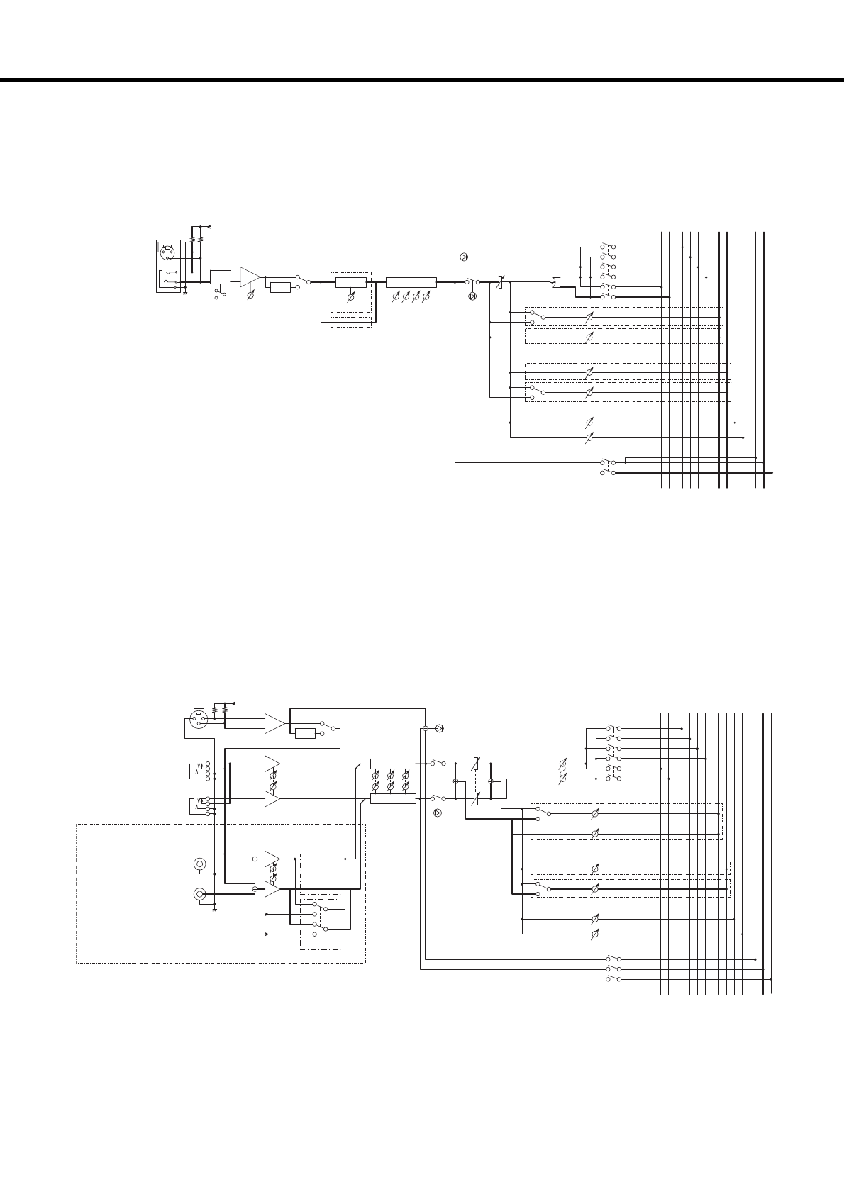
Каналы моновхода
Каналы моно-/стереовхода
HPF
LOW
MID
HIGH
3-Stage EQ
MID f (*)
COMP
PEAK
ON (CH Fader)
PAN
STEREO L
STEREO R
PFL L
PFL R
PAD OFF
[-60dBu – -16dBu]
PAD ON
[-34dBu – +10dBu]
GROUP 2
GROUP 1
GROUP 3 (*)
GROUP 4 (*)
ST
1-2
3-4 (*)
PFL CTRL
PAD
HA
26dB
GAIN
HPF
MG20XU/MG20 : CH1–12
MG16XU/MG16 : CH1–8
MG12XU/MG12 : CH1–4
PHANTOM
80Hz
MG20XU/MG20 : CH1–8
MG16XU/MG16 : CH1–8
MG12XU/MG12 : CH1–4
MG20XU/MG20 : CH9–12
COMP
PFL
(*) Only MG20XU, MG20, MG16XU and MG16
AUX2/FX, AUX2
AUX1
AUX3 (*)
AUX4/FX, AUX4 (*)
PRE
AUX1
MG20XU/MG20/MG16XU/MG16
MG12XU/MG12
PRE
AUX2
MG12XU/MG12
MG20XU/MG20/MG16XU/MG16
AUX3 (*)
AUX4/FX, AUX4 (*)
AUX1PRE
AUX2/FX, AUX2
HPF
LO
W
MI
D
H
IGH
3-Stage EQ
PEAK
ON
(ST CH Fader)
ST
EREO L
ST
EREO R
PFL L
PF
L R
GR
OUP 2
GR
OUP 1
GR
OUP 3 (
*)
GR
OUP 4 (
*)
ST
1-2
3-4 (*)
PF
L CTRL
HA
HPF
MG20XU/MG20 : CH13/14–19/20
MG16XU/MG16 : CH9/10,11/12
MG12XU/MG12 : CH5/6,7/8
PHANTOM
80Hz
PFL
HA
USB-PLAY-L
USB-PLAY-R
MIC [-60dBu – -16dBu]
L/MONO [-34dBu – +10dBu]
R [-34dBu – +10dBu]
HA
MG20XU/MG20 : CH13/14,15/16
MG16XU/MG16 : CH9/10,11/12
MG12XU/MG12 : CH5/6,7/8
L [-34dBu – +10dBu]
R [-34dBu – +10dBu]
MG20XU/MG20 : CH17/18,19/20
HA
HA
MG20XU : CH17/18
MG20 :
CH17/18
CH19/20
MG20XU : CH19/20
3-Stage EQ
GAIN
GAIN
PAN/BAL
Only MG20XU and MG20
AUX2/FX, AUX2
AU
X1
AU
X3 (*)
(*) Only MG20XU, MG20, MG16XU and MG16
AUX4/FX, AUX4 (
*)
PRE
AUX1
MG20XU/MG20/MG16XU/MG16
MG12XU/MG12
AUX1PRE
PRE
AUX2
MG12XU/MG12
MG20XU/MG20/MG16XU/MG16
AUX3 (*)
AUX4/FX, AUX4 (*)
LINE/USB
AUX2/FX, AUX2
Содержание
- 6 Эксплуатация и обслуживание; Разъемы; Информация; Об этом руководстве; Номер модели
- 7 Содержание; Шаг 5. Использование встроенных
- 8 Основные возможности; D-PRE и высококачественные операционные усилители
- 9 Краткое руководство по эксплуатации; Шаг 1. Подготовка источника питания; микшерный пульт
- 10 Шаг 4. Подача звука на динамики; каждого используемого канала.; ) на индикаторе уровня лишь; используемого канала.; Настройка тембра и уровня
- 11 Использование реверберации и задержки
- 12 Настройка; Примеры настройки; Усиление звучания для концертного выступления; Лицевая панель; Задняя панель
- 13 Для мероприятий и вечеринок
- 14 Органы управления и разъемы; Передняя панель; Блок встроенных эффектов (только для моделей XU)
- 15 Главный блок
- 16 Блок входных каналов; Гнезда моновхода; Гнезда стереовхода
- 19 Переключатель назначения шины; Фейдеры каналов
- 20 Каналы моновхода
- 22 Блок встроенных эффектов; Экран
- 27 Блок питания
- 28 Функция ослабления
- 29 Поиск и устранение неисправностей; Отсутствие звука; ШАГ 1. Подключения и поток сигналов
- 30 ШАГ 2. Настройка переключателей и органов управления; Проверка общего баланса
- 31 Другие неисправности
- 32 Приложение; Общие характеристики
- 33 Программы эффектов
- 34 Список гнезд и разъемов
- 35 Установка в стойку; Меры предосторожности при установке; Процедура монтажа; При помощи отвертки ослабьте винты по; Установите модуль в стойку и закрепите его.
- 36 Предметный указатель