Магнитолы Hyundai Electronics H-CMD2000 - инструкция пользователя по применению, эксплуатации и установке на русском языке. Мы надеемся, она поможет вам решить возникшие у вас вопросы при эксплуатации техники.
Если остались вопросы, задайте их в комментариях после инструкции.
"Загружаем инструкцию", означает, что нужно подождать пока файл загрузится и можно будет его читать онлайн. Некоторые инструкции очень большие и время их появления зависит от вашей скорости интернета.

36
37
Управление устройством
Управление устройством
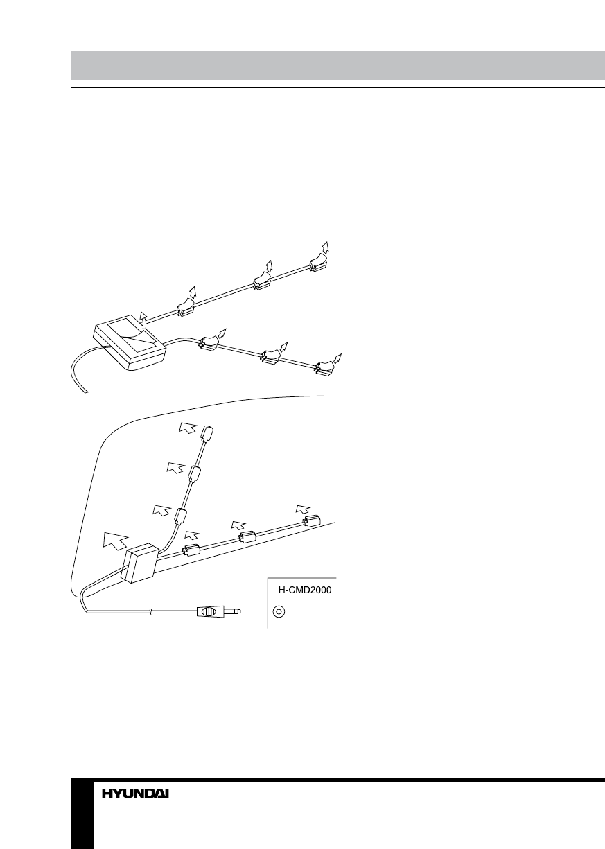
Внутрисалонная автомобильная пас-
сивная ТВ-антенна для мультимедийного
DVD-ресивера H-CMD2000
A
B
B
B
B
B
B
Заднее стекло
3.5 мм
Установка
Рекомендуется доверить установку антенны специалистам.
Антенну следует крепить на заднее стекло автомобиля. Оптимальным для установки
расстоянием от кромки стекла до антенны считается не менее 5 см. Перед установкой ан-
тенны определите место ее фиксации в автомобиле, обеспечивающее наилучший прием.
Обезжирьте поверхность, к которой
Вы хотите прикрепить антенну. Отде-
лите защитные подложки от элемен-
тов (A) и (B).
Закрепите антенну на поверхности
стекла. Подсоедините штекер антенны
к соответствующему разъему DVD-
ресивера.
Технические характеристики
Диапазон принимаемых
МВ: 48.5 – 223 мГц
ТВ-частот
ДМВ: 470 – 870 мГц
Коэффициент усиления
3 дБ
Выходное сопротивление 75 Ом
Рабочая температура
-40
0
C ~ +85
0
C
Температура хранения
-40
0
C ~ +90
0
C
Содержание
- 25 Уважаемый покупатель!; Установка/Подключение
- 26 ков с изображениями; Общая информация; Обращение с компакт-дисками
- 27 Утилизация изделия
- 28 • Убедитесь, что источник питания и
- 29 Установка
- 31 Подключение парковочного провода
- 32 Подключение; • Независимо от размера динамиков,; Использование разъема ISO; Для подключений без разъемов ISO
- 33 Номер; Разъем A
- 34 Элементы управления; При нажатии кнопки RESET все
- 35 Пульт дистанционного управления
- 36 Внутрисалонная автомобильная пас-
- 37 Основные операции
- 38 Вход AUX
- 39 Операции с радио
- 40 Операции с ТВ-тюнером
- 44 Меню управления для CD; При воспроизведении нажмите на центр; дисков с изображениями; Нажмите на сенсорную кнопку для; Операции с USB/картой памяти
- 45 Настройка DVD
- 46 Язык; • Язык. Выберите язык отображения; Аудио; настройте тональность.; Видео; На этой странице Вы можете отрегули-
- 48 Руководство по устранению; Неисправность
- 49 Технические характеристики