Магнитолы Alpine INA-W910R - инструкция пользователя по применению, эксплуатации и установке на русском языке. Мы надеемся, она поможет вам решить возникшие у вас вопросы при эксплуатации техники.
Если остались вопросы, задайте их в комментариях после инструкции.
"Загружаем инструкцию", означает, что нужно подождать пока файл загрузится и можно будет его читать онлайн. Некоторые инструкции очень большие и время их появления зависит от вашей скорости интернета.

103
-RU
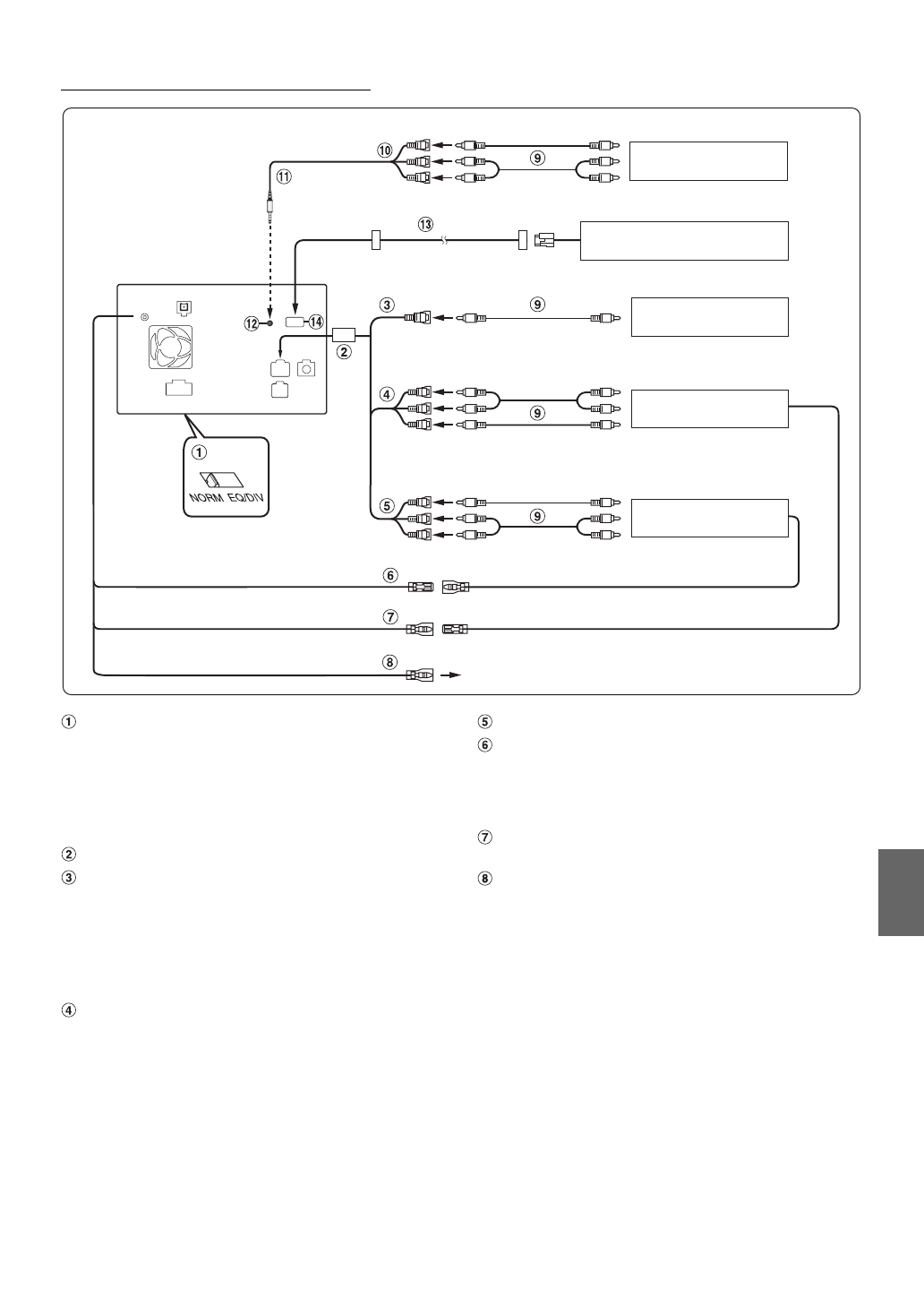
При подключении внешнего оборудования
К разъему видеовыхода
Переключатель систем
При подключении эквалайзера или аудиопроцессора
через Ai-NET переместите два переключателя в
положение EQ/DIV. Если процессор не подключен,
оставьте переключатели в положении NORM.
•
Перед изменением положения переключателя не забудьте
выключить питание устройства.
Входной разъем камеры AUX I/O
Выходной разъем RCA камеры (CAMERA IN)
(желтый)
Используется при подключении камеры с выходным
разъемом RCA.
•
Задайте значение “RCA” в разделе “Настройка входа
камеры” (стр. 48) при подключении камеры с помощью
выходного разъема RCA.
Разъемы аудио/видео выходов (AUX OUTPUT)
Используется при подключении дополнительного
монитора и т. д.
Разъемы видео/аудиовходов (AUX INPUT)
Выход дистанционного управления (белый/
коричневый)
Подключите этот выход к входу дистанционного
управления. Этот разъем используется для вывода
управляющих сигналов дистанционного управления.
Вход дистанционного управления (белый/
коричневый)
Разъем для камеры заднего вида (оранжевый/
белый)
Используется при подключении камеры заднего хода.
Подключите к положительному контакту лампы заднего
хода автомобиля. Эта лампа загорается при переводе
рычага переключения передач в положение заднего
хода (R).
Если соединение выполнено правильно, то каждый раз,
когда рычаг переключения передач устанавливается в
положение заднего хода (R), автоматически включается
изображение с камеры заднего вида.
К разъему видеовхода
К разъему аудиовыхода
DVE-5027 и т.д.
(продается отдельно)
Задний монитор
(продается отдельно)
(белый/коричневый)
REMOTE OUT
REMOTE IN
(белый/коричневый)
(белый/коричневый)
REMOTE IN
REMOTE OUT
(белый/коричневый)
REVERSE
Используется при подключении камеры заднего
вида.
ТВ-тюнер
(продается отдельно)
К разъему видеовыхода
(оранжевый/белый)
К разъему аудиовыхода
Прямая камера заднего вида
HCE-C117D и т.д. (продается отдельно)
К разъему видеовыхода
Камера с видеовыходом
RCA (продается отдельно)
К разъему аудиовхода
Содержание
- 3 РУССКИЙ; МЕРЫ ПРЕДОСТОРОЖНОСТИ; Диски, воспроизводимые на этом; Приступая к работе
- 4 Настройки DVD-проигрывателя
- 6 Установка и соединения
- 7 Инструкция по эксплуатации; ПРЕДОСТАВЛЕНИЕ ЛИЦЕНЗИИ НА; МЕРЫ
- 10 Пункты по обеспечению безопасности; ПРЕДУПРЕЖДЕНИЕ
- 11 НЕ РАЗБИРАТЬ И НЕ ИЗМЕНЯТЬ.; ВНИМАНИЕ
- 13 Принадлежности для дисков; Диски, воспроизводимые; Воспроизводимые диски
- 14 ALL
- 15 Терминология дисков; Заглавие; Обращение с USB-накопителями
- 17 Комплектация
- 18 Загрузка/извлечение диска
- 19 Что означает информация на; Работа с сенсорной панелью TOUCH PANEL
- 20 Прослушивание радио; Радио
- 21 Работа RDS
- 23 Воспроизведение; Повторное воспроизведение
- 24 случайной последовательности); Нажмите кнопку; Коснитесь кнопки
- 25 Терминология
- 26 Воспроизведение диска; Отображение экрана режима DVD
- 27 В случае отображения экрана меню
- 28 Остановка воспроизведения; Отображение экрана главного меню
- 29 Перемотка вперед/назад; Замедленное воспроизведение
- 31 Переключение угла просмотра; вниз
- 32 Переключение из меню диска
- 33 Настройка звука
- 36 Сохранение настроек в памяти; Функция поиска
- 37 Режим штатного CD-проигрывателя; поддерживающего MP3/чейнджера
- 38 Настройка; Изменение настроек языка
- 39 Настройка языка звукового сопровождения; Изменение настройки цифрового выхода
- 41 Изменение настроек экрана ТВ
- 42 Отображение информации о диске DivX; Настройка источника
- 43 Настройка режима поиска USB; Настройка радио; USB Search
- 44 Настройка дисплея; Операция настройки Visual EQ
- 45 Настройка подсветки дисплея; Изменение цвета фона шрифта
- 46 Общие настройки; Отображение времени; Изменение шрифта
- 47 Операции с системными настройками; Настройка кода безопасности; Системные настройки; Переключение функции датчика ДУ
- 48 Настройка входа камеры
- 49 Переключение системы входного видеосигнала; Настройка вывода изображения; Настройка цифрового выхода
- 50 Настройка режима MultEQ
- 54 Информация о временной коррекции; Находясь в точке прослушивания (кресло; левое сидение
- 56 Настройка внешнего аудиопроцессора; Работа с внешним
- 57 Настройка регулировки низких частот
- 58 Настройка кроссовера
- 59 Регулировка фазы; Настройки параметрического эквалайзера; Настройка динамиков
- 60 Настройка Dolby Digital
- 61 Настройка перед использованием; Настройка уровня DVD
- 62 Настройка BLUETOOTH; Операция настройки BLUETOOTH
- 64 Функция телефона Hands-Free; Завершение вызова; Функция повторного набора; Операция переключения вызовов; О функции телефона Hands-Free
- 65 Журнал вызовов
- 66 Голосовой набор номера
- 71 Работа с устройством TUE-T200DVB; Управление CD-чейнджером; Операции с
- 72 на пульте дистанционного управления; Функция BANK (только режим; Переносной
- 74 Воспроизведение в случайном; Поиск нужной композиции; Поиск по информации тега
- 75 Выбор нужной папки
- 76 Подсоединение iPod/iPhone
- 77 Настройка управления iPod; Поиск по имени исполнителя
- 78 Выберите требуемого исполнителя.; Поиск композиции в альбоме исполнителя; Функция прямого поиска
- 80 VOLUME; Пульт
- 82 Замена батарей; О дисках DVD; Информация
- 83 Dolby Digital; Dolby Pro Logic II; Уровни рейтинга (защита от просмотра детьми)
- 89 Индикация для DVD/Video CD
- 91 Индикаторы в режиме iPod; Индикация режима BLUETOOTH; Технические характеристики; МОНИТОР
- 93 Чтобы правильно использовать устройство, перед; Предупреждение
- 94 Установка; Угол установки
- 96 Установка антенны GPS; Прокладка кабеля антенны GPS; Подсоединение удлинительного кабеля USB (в комплекте)
- 97 Калибровка при подключении к
- 98 Соединения
- 101 Пример системы
- 102 Переключатель систем
- 104 Declaration of Conformity



