Котел Vaillant eloBLOCK VE 12 12 кВт, одноконтурный - инструкция пользователя по применению, эксплуатации и установке на русском языке. Мы надеемся, она поможет вам решить возникшие у вас вопросы при эксплуатации техники.
Если остались вопросы, задайте их в комментариях после инструкции.
"Загружаем инструкцию", означает, что нужно подождать пока файл загрузится и можно будет его читать онлайн. Некоторые инструкции очень большие и время их появления зависит от вашей скорости интернета.

Электроподключение
20
Руководство по монтажу и техобслуживанию eloBLOCK 0020094388_03
5
5.7
Подключение реле сброса нагрузки
Внешнее реле сброса нагрузки может управлять мощностью
электрического настенного отопительного аппарата в зависимости
от загруженности электросети здания.
В случае перегрузки электрической сети (например, стиральной
машиной, электрической плитой, чайником и т.п.) мощность
электрического настенного отопительного аппарата автоматически
снижается.
1
10
2
3
4
5
6
7
8
9
7
8
1
2
3
4
5
6
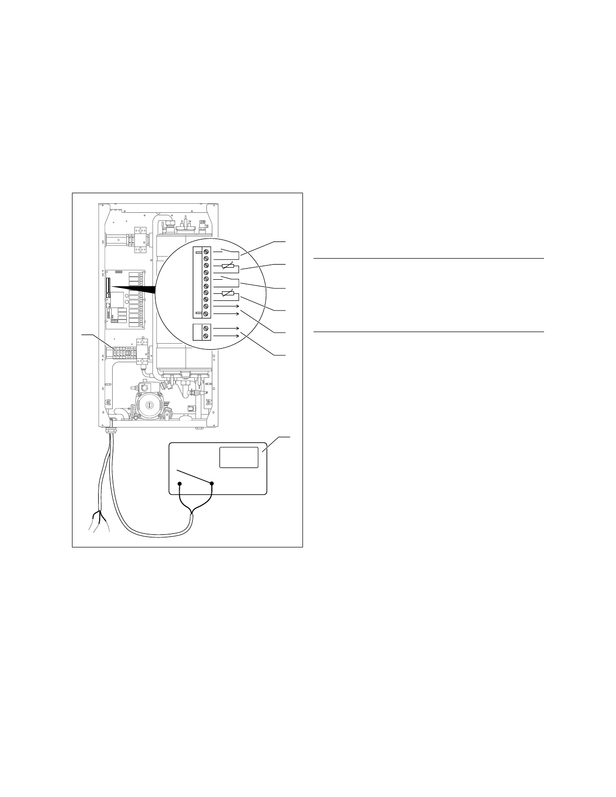
5.5 Выводы на штекерных соединениях K8 и K9
Легенда
1 Вывод комнатного регулятора температуры, K8 (1, 2)
2 Вывод датчика температуры наружного воздуха, K8 (3, 4)
3 Вывод для контакта имеющегося на месте реле сброса нагрузки,
K8 (5, 6)
4 Вывод датчика NTC (ёмкостный водонагреватель), K8 (7, 8)
5 Вывод каскадной схемы K8 (9, 10)
6 Вывод термостата (ёмкостный водонагреватель), K9
7 Комнатный регулятор температуры
8 Основная клеммная колодка
Контакт имеющегося на месте реле сброса нагрузки подключается
к выводам 5 и 6 на штекерном соединении K8 (
¬
Рис. 5.2 – 5.4
).
5.8
Подсоединение внешнего сигнализатора для
индикации неисправностей или внешнего насоса
Если ёмкостный водонагреватель не подключён, то Вы можете
подсоединить или сигнализатор для индикации неисправностей
отопительного аппарата или внешний насос к штекерному
соединению K2.
Чтобы подсоединить сигнализатор, действуйте следующим образом:
>
Соедините сигнализатор посредством резьбовой клеммы (AKZ
950/3 или сравнимой) с выводами „L“ и „N“ штекерного
соединения K2.
>
Установите параметр „
d.26
“ на „
1
“.
Если на отопительном аппарате имеется ошибка F.xx, то выдаётся
сигнал.
b
Осторожно!
Опасность материального ущерба, если внеш-
ний и внутренний насос работают в различ-
ных направлениях!
>
Следите за тем, чтобы смонтировать внешний
насос в правильном направлении.
Чтобы подсоединить внешний насос, действуйте следующим
образом:
>
Соедините внешний насос посредством резьбовой клеммы (AKZ
950/3 или сравнимой) с выводами „L“ и „N“ штекерного
соединения K2.
>
Соедините защитный провод внешнего насоса с выводом
заземления на основной клеммной колодке (
8, рис. 5.5
).
>
Установите параметр „
d.26
“ на „
2
“.
5.9
Каскадное включение
(только для eloBLOCK VE 24, VE 28)
Если мощность одного аппарата недостаточна для компенсации
тепловых потерь в здании, можно подключить дополнительный аппа-
рат серии 24 или 28 кВт.
Для осуществления упомянутого каскадного включения соедините на
штекерном соединении K8 контакты 9 и 10 управляющего бытового
аппарата с контактами 1 и 2 управляемого дополнительного аппа-
рата. Если Вы намереваетесь управлять каскадной схемой при
помощи регулятора температуры в помещении, то соедините управ-
ляющие контакты регулятора температуры в помещении с контак-
тами 1 и 2 главного аппарата.