Котел Vaillant eloBLOCK VE 12 12 кВт, одноконтурный - инструкция пользователя по применению, эксплуатации и установке на русском языке. Мы надеемся, она поможет вам решить возникшие у вас вопросы при эксплуатации техники.
Если остались вопросы, задайте их в комментариях после инструкции.
"Загружаем инструкцию", означает, что нужно подождать пока файл загрузится и можно будет его читать онлайн. Некоторые инструкции очень большие и время их появления зависит от вашей скорости интернета.

RU
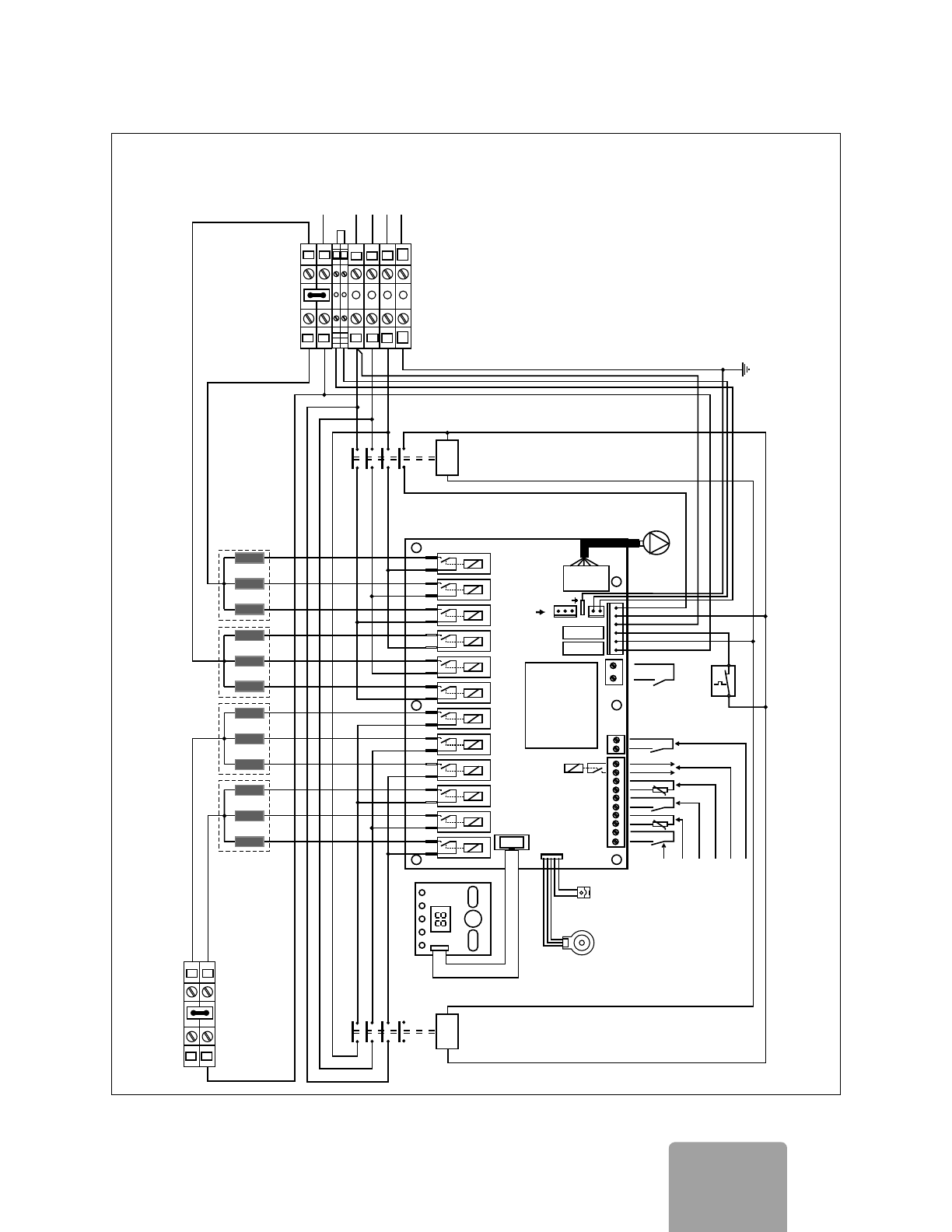
Электроподключение
Руководство по монтажу и техобслуживанию eloBLOCK 0020094388_03
19
5
Сетевое подключение:
3 x 230/400VAC, N, PE, 50 Hz
Режим
OK
PE
PE
U
V
W
N
N
W
V
U
N
N
N
N
N
N
K
8
K
5
Дисплей
J3
N
L1
L2
L3
PE
RE1
RE12
1
10
1
1
A1
A2
A1
A2
S1
S2
K
1
T80mA
T1,6A
J1
1
K
2
J2
K3
K
9
Температур-
ный датчик
Датчик
давления
Мощность
на нагрев
Тепловой
предохранитель
Насос
отопительной системы
Контактор 1
Плата управления
Датчик NT
C
Реле сброса нагрузки
Датчик наружной температуры
Ре
гу
ля
то
р
т
ем
пе
р
а
ту
р
ы
п
о
м
ещ
ен
и
я
Термостат водонагревателя
Каскадное включение
Контактор 2
ТЭНы
24 kW (4 x 6 kW)
28 kW (4 x 7 kW)
Термостат максимальной температуры для обогрева пола (снять при подключении перемычки)
Вывод для 3-ходового
переключающего клапана
5.4 Схема соединений для VE 24, VE 28