Котел Vaillant eloBLOCK VE 12 12 кВт, одноконтурный - инструкция пользователя по применению, эксплуатации и установке на русском языке. Мы надеемся, она поможет вам решить возникшие у вас вопросы при эксплуатации техники.
Если остались вопросы, задайте их в комментариях после инструкции.
"Загружаем инструкцию", означает, что нужно подождать пока файл загрузится и можно будет его читать онлайн. Некоторые инструкции очень большие и время их появления зависит от вашей скорости интернета.

RU
Электроподключение
Руководство по монтажу и техобслуживанию eloBLOCK 0020094388_03
17
5
5.6
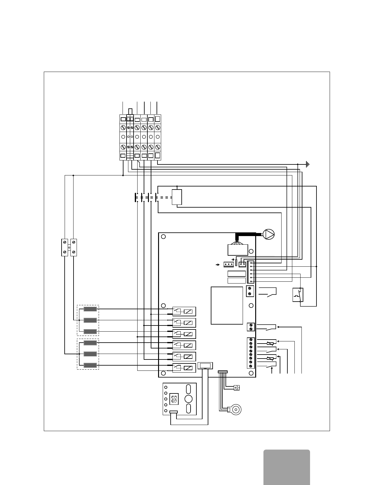
Схемы электропроводки
ТЭНы
6 kW (2 x 3 kW)
9 kW (3 kW + 6 kW)
12 kW (2 x 6 kW)
14 kW (2 x 7 kW)
Сетевое подключение:
3 x 230/400VAC, N, PE, 50 Hz
Плата управления
Датчик
NT
C
Реле сброса нагрузки
Датчик наружной температуры
Ре
гу
ля
то
р
т
ем
пе
р
а
ту
р
ы
п
о
м
ещ
ен
и
я
Термостат водонагревателя
Режим
OK
PE
PE
U
V
W
N
W
V
U
N
K
8
K
5
K1
T8
0m
A
T1,6A
Дисплей
J1
J3
RE1
R
E6
1
8
1
1
1
A
1
A
2
N
L1
L2
L3
PE
S1
S2
K2
J2
K3
K
9
Температур-
ный датчик
Датчик
давления
Мощность
на нагрев
Тепловой
предохранитель
Термостат максимальной температуры для обогрева пола (снять при подключении перемычки)
Насос
отопительной системы
Вывод для 3-ходового
переключающего клапана
Контактор 1
5.2 Схема соединений для VE 6, VE 9, VE 12, VE 14