Котел Vaillant eloBLOCK 9KVR14 - инструкция пользователя по применению, эксплуатации и установке на русском языке. Мы надеемся, она поможет вам решить возникшие у вас вопросы при эксплуатации техники.
Если остались вопросы, задайте их в комментариях после инструкции.
"Загружаем инструкцию", означает, что нужно подождать пока файл загрузится и можно будет его читать онлайн. Некоторые инструкции очень большие и время их появления зависит от вашей скорости интернета.

Руководство
по
монтажу
eloBLOCK
0020094388_00
17
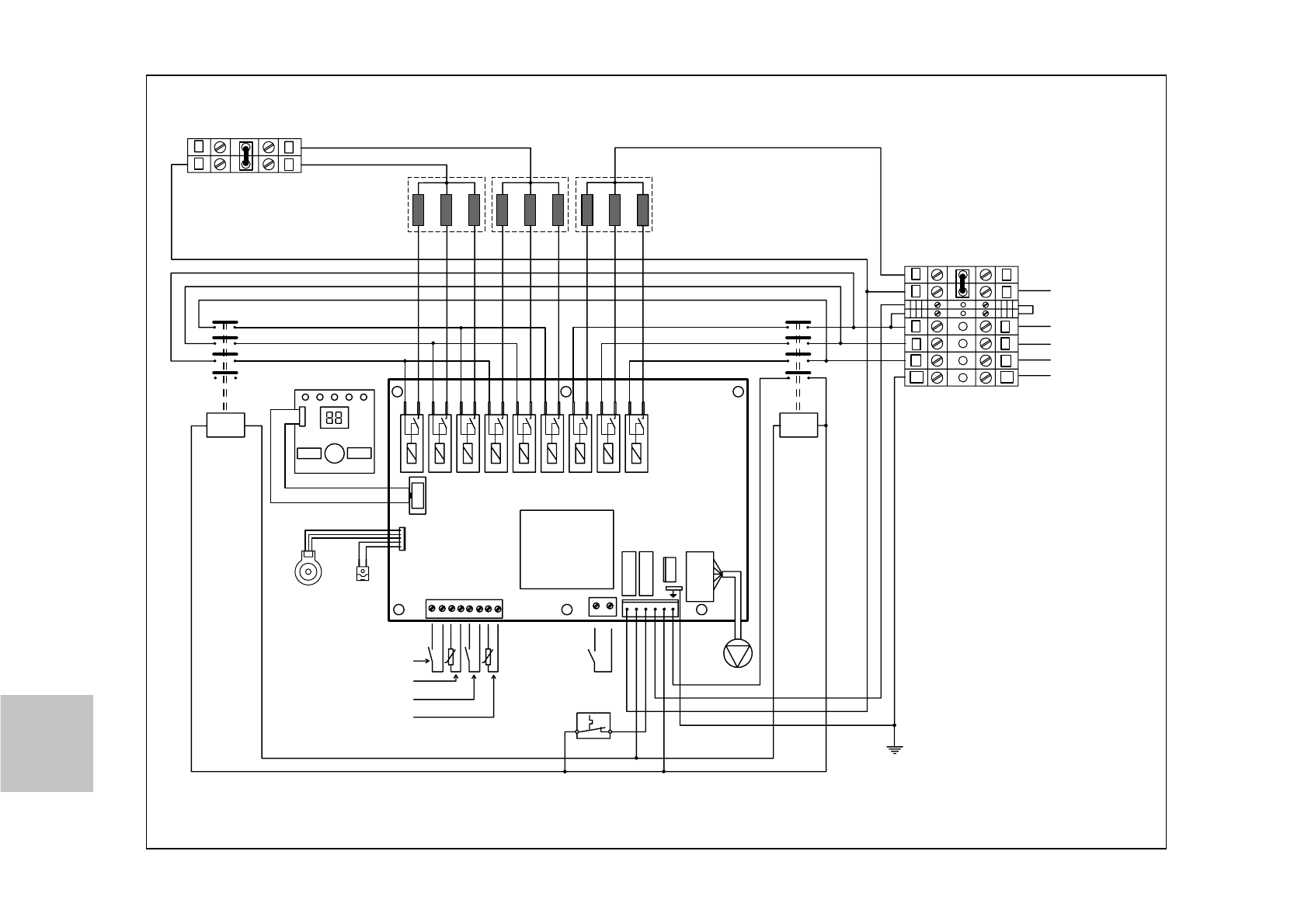
Температур-
ный датчик
Датчик
давления
ТЭНы
21 кВт (3 x 7 кВт)
18 кВт (3 x 6 кВт)
PE
PE
U
В
Вт
N
N
Вт
В
U
N
N
N
N
N
N
A1 A2
A1 A2
Мощность
на нагрев
Тепловой
предохранитель
RE1
RE9
Режим
OK
1
8
1
1
1
–
+
K8
K5
K1
K2
T80мА
T1
,6A
J1
J3
J2
Термостат максимальной
температуры для обогрева пола
(снять при подключении перемычки)
Сетевое подключение:
3 x 230 В
3-ходовой переключающий
клапан (водонагреватель)
N
L1
L2
L3
PE
Датчик NTC
Разгрузочное реле
Датчик наружной температуры
Регулятор температуры помещения
Рис.
5.3
Схема
соединений
для
VE
18,
VE
21
Электроподключение
5
RU