Котел Vaillant eloBLOCK 9KVR14 - инструкция пользователя по применению, эксплуатации и установке на русском языке. Мы надеемся, она поможет вам решить возникшие у вас вопросы при эксплуатации техники.
Если остались вопросы, задайте их в комментариях после инструкции.
"Загружаем инструкцию", означает, что нужно подождать пока файл загрузится и можно будет его читать онлайн. Некоторые инструкции очень большие и время их появления зависит от вашей скорости интернета.

16
Руководство
по
монтажу
eloBLOCK
0020094388_00
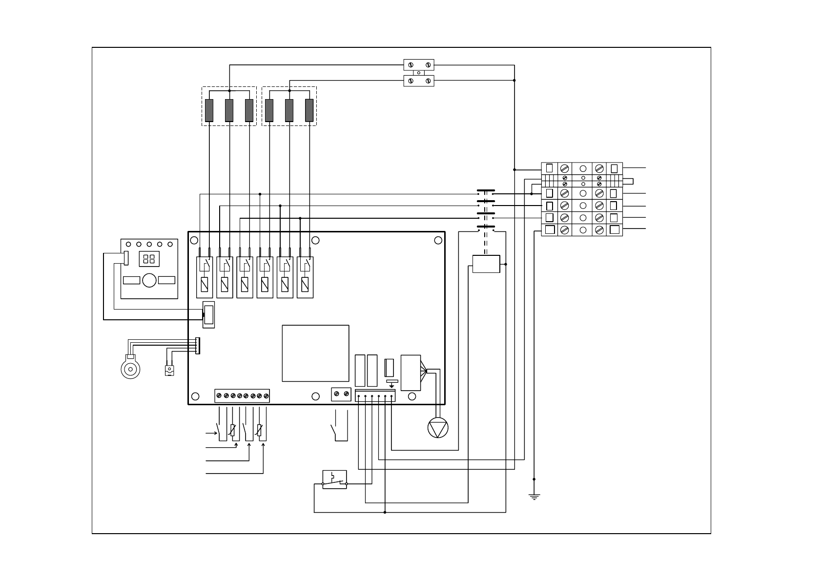
5.6
Схемы
электропроводки
Насос
отопительной системы
Режим
PE
PE
U
В
Вт
N
Вт
В
U
N
N
L1
L2
L3
PE
A1 A2
OK
–
+
Мощность
на нагрев
K8
K5
K1
K2
T80мА
T1
,6A
J1
J3
J2
RE1
RE6
1
8
1
1
1
Датчик NTC
Разгрузочное реле
Датчик наружной температуры
Регулятор температуры помещения
Температур-
ный датчик
Датчик
давления
Термостат максимальной
температуры для
обогрева пола (снять при
подключении перемычки)
Сетевое подключение:
3 x 230 В
ТЭНы
14 кВт (2 x 7 кВт)
12 кВт (2 x 6 кВт)
9 кВт (3 кВт + 6 кВт)
6 кВт (3 x 3 кВт)
Тепловой
предохранитель
3-ходовой переключающий
клапан (водонагреватель)
Рис.
5.2
Схема
соединений
для
VE
6,
VE
9,
VE
12,
VE
14
5
Электроподключение