Котел Immergas Victrix Tera 28 1 - инструкция пользователя по применению, эксплуатации и установке на русском языке. Мы надеемся, она поможет вам решить возникшие у вас вопросы при эксплуатации техники.
Если остались вопросы, задайте их в комментариях после инструкции.
"Загружаем инструкцию", означает, что нужно подождать пока файл загрузится и можно будет его читать онлайн. Некоторые инструкции очень большие и время их появления зависит от вашей скорости интернета.

29
37
МО
НТ
АЖНИК
К
О
РИ
С
ТУВ
А
Ч
Т
ЕХ
Н
ІЧ
Н
Е
О
Б
С
Л
У
ГО
В
У
В
А
Н
Н
Я
3
ВЕДЕННЯ КОТЛА В
ЕКСПЛУАТАЦІЮ
(ПЕРВІСНА ПЕРЕВІРКА).
Для введення котла в експлуатацію необ-
хідно:
- перевірити відповідність використовувано-
го газу для цього котла
;
- перевірити підключення до мережі 220 В-50
Гц, відповідно полярності L-N та заземлен-
ня
;
- Перевірити, що система опалення заповне-
на водою, переконавшись, що манометр
показує тиск котла від 1 до 1,2 бар
;
- увімкну ти котел та перевірити правиль-
ність запалювання
;
- перевірити правильнос ті ка лібрув ання
числа обертів вентилятора
;
- перевірити рівень CO
2
у димових газах на
максимальному та мінімальному потоці
;
- перевірити спрацьовування запобіжного
пристрою у випадку відс у тності газу та
відповідний час його спрацьовування
;
перевірити спрацювання загального вими-
кача, встановленого на лінії перед котлом
та на самому котлі
;
- перевірити, щоб термінали забору повітря
та/або відведення димових газів не були
засмічені
;
- перевірити роботу приладів регулювання
;
- накласти пломби на пристрої керування
газовим потоком (якщо налаштування були
змінені)
;
- перевірити виробництво гарячої побутової
води
;
- перевірити герме тичніс ть гідравлічних
контурів
;
- перевірити вентиляцію та/або провітрю-
вання приміщення ус тановки, якщо це
передбачено.
Я
кщо хоча б одна з перевірок дає негативний
результат, забороняється вмикати котел.
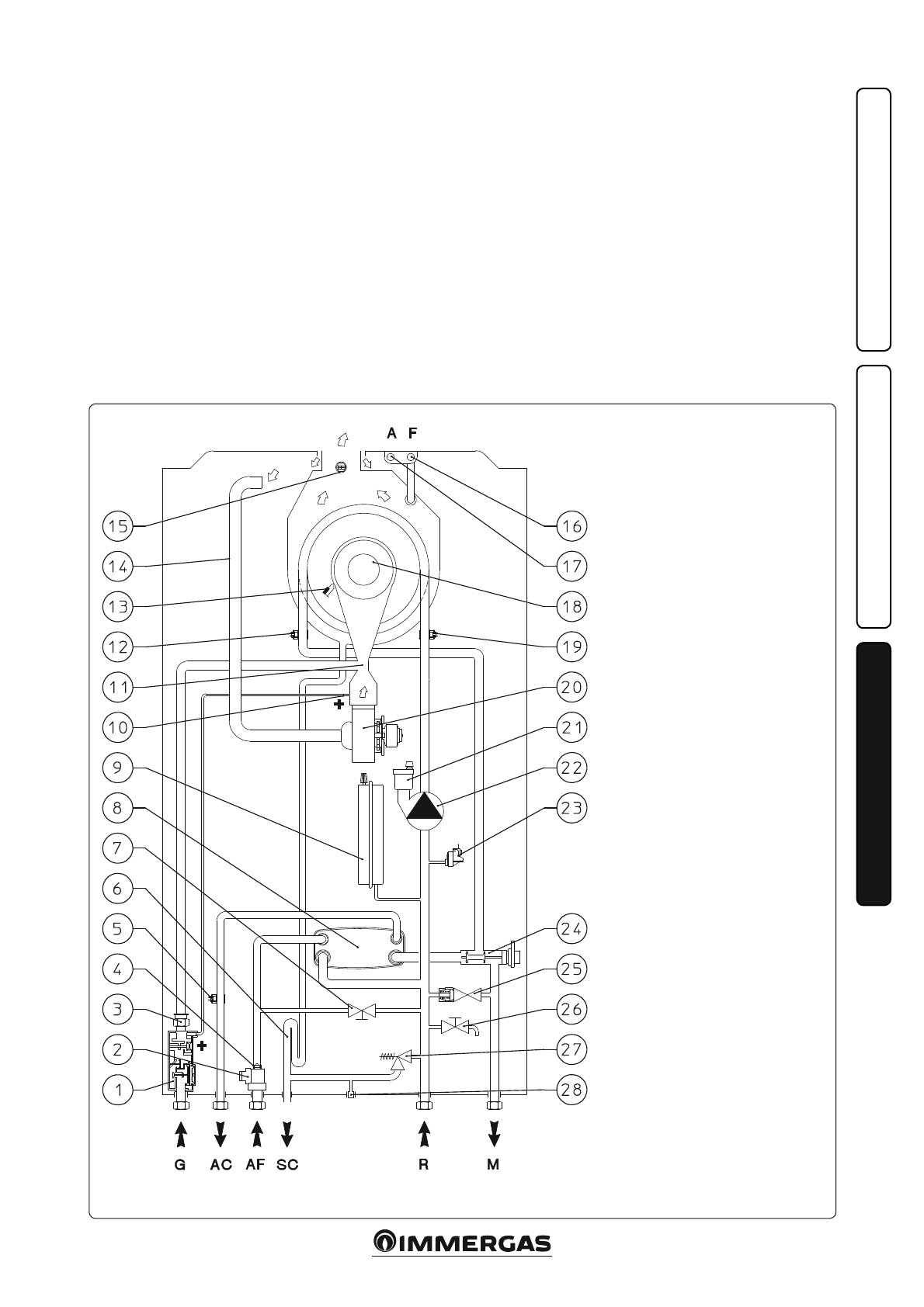
3.1 ГІДРАВЛІЧНА СХЕМА КОТЛА.
Умовні позначення:
1 - Газовий клапан
2 - Вимірювач потоку побутової гаря-
чої води
3 - Газова форсунка
4 - Обмежувач потоку
5 -
Є
мнісний зонд
6 - Сифон виводу конденсату
7 - Кран наповнення системи
8 - Теплообмінник побутової гарячої
води
9 -
Р
озширювальний бак
10 - Додати тиск (
+
)
11 - Трубка Венутрі
12 - Датчик подачі
13 - Свічка запалювання/виявлення
14 - Труба забору повітря
15 - Датчик диму
16 - Штуцери пробовідбірників димових
газів
17 - Штуцери пробовідбірників повітря
18 - Пальник
19 - Датчик зворотнього руху
20 - Вентилятор
21 - Вентиляційний клапан
22 - циркуляційний насос котла
23 -
Р
еле абсолютного тиску;
24 - Триходовий клапан (з електропри-
водом)
25 - Перепускний клапан
26 - Кран спорожнення системи
27 - Запобіжний клапан 3 бар
28 - Патрубок перевірки зливу запобіж-
ного клапану 3 бар
G - Підключення газу
AC - Вихід гарячої водопровідної води
AF - Подача гарячої побутової води
SC - Злив конденсату
M - Система подачі
R - Система зворотної подачі
Характеристики
Остались вопросы?Не нашли свой ответ в руководстве или возникли другие проблемы? Задайте свой вопрос в форме ниже с подробным описанием вашей ситуации, чтобы другие люди и специалисты смогли дать на него ответ. Если вы знаете как решить проблему другого человека, пожалуйста, подскажите ему :)