Котел Buderus Logamax U052-28K - инструкция пользователя по применению, эксплуатации и установке на русском языке. Мы надеемся, она поможет вам решить возникшие у вас вопросы при эксплуатации техники.
Если остались вопросы, задайте их в комментариях после инструкции.
"Загружаем инструкцию", означает, что нужно подождать пока файл загрузится и можно будет его читать онлайн. Некоторые инструкции очень большие и время их появления зависит от вашей скорости интернета.

8
Оставляем за собой право на изменения!
Инструкция по монтажу и техническому обслуживанию
•
Настeнный газовый котел Logamax U052
•
Издание
07/2006
Сведения о приборе
2
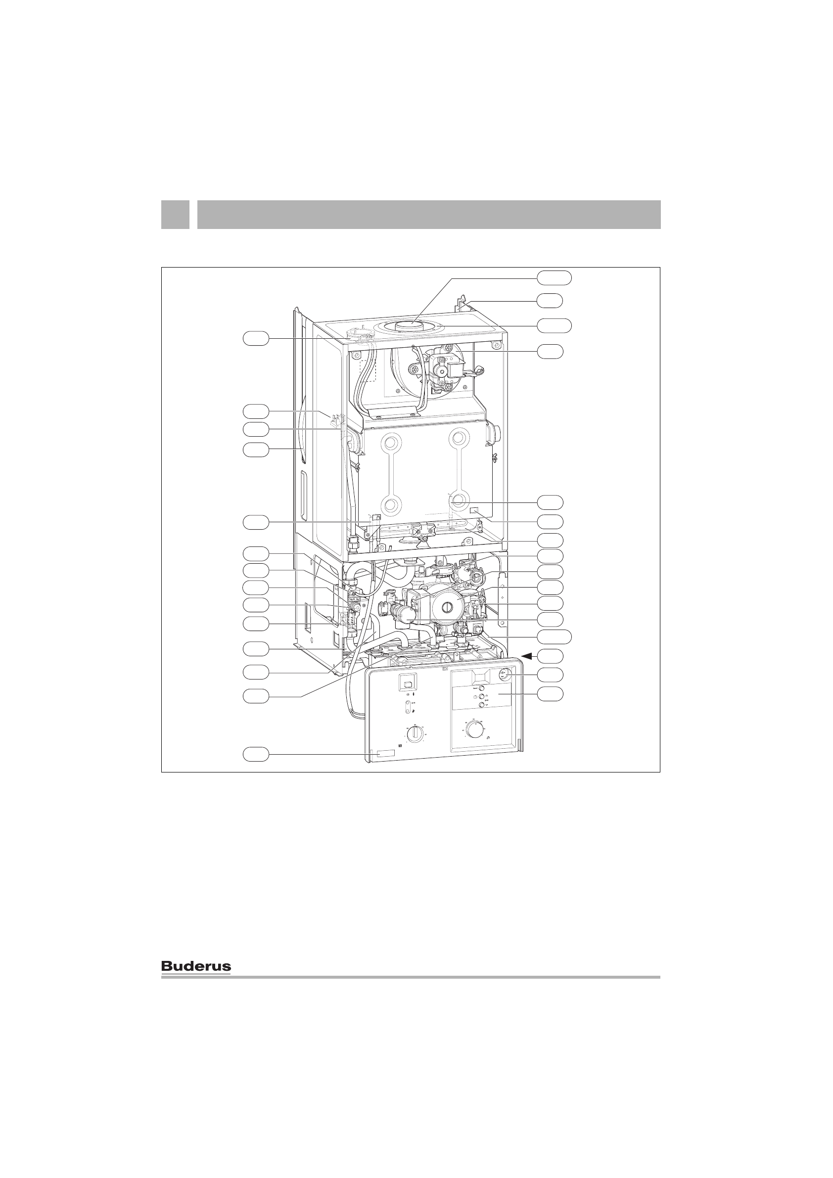
2.11 Конструкция прибора Logamax U052-24/28
Рис 4
3
Измерительный патрубок (давление газа в форсунке)
4
UBA H3
6
Ограничитель температуры
7
Измерительный патрубок сетевого давления газа
8.1
Манометр
15
Предохранительный клапан (oтoпительный кoнтур)
18
Отопительный насос
18.1
Переключатель частоты вращения насоса
20
Расширительный бак
27
Автоматический воздушный клапан
29
Поддон горелки с коллектором форсунок
32
Контролирующий электрод
33
Запальный электрод
36
Датчик температуры в подающей магистрали
43
Подающая магистраль отопительного контура
56
Газовая арматура
63
Регулировочный винт максимального расхода газа
64
Регулировочный винт минимального расхода газа
71
подающая линия водонагревателя
72
обратная линия водонагревателя
88
3-ходовой клапан
102
Контрольное окно
120
Петли для навески
221.1
Газоотводная труба
221.2
Всасывающий патрубок воздуха для сжигания топлива
226
Вентилятор
228
Дифференциальное реле давления
295
Наклейка с типом приборa
361.1
Сливной кран
418
Фирменная табличка
6 720 612 229-04.2O
88
4
8.1
226
32
120
221.1
221.2
15
56
3
36
6
102
63
64
71
72
43
7
418
20
228
33
295
361.1
29
18.1
18
27
Характеристики
Остались вопросы?Не нашли свой ответ в руководстве или возникли другие проблемы? Задайте свой вопрос в форме ниже с подробным описанием вашей ситуации, чтобы другие люди и специалисты смогли дать на него ответ. Если вы знаете как решить проблему другого человека, пожалуйста, подскажите ему :)

