Котел Buderus Logamax U052-28K - инструкция пользователя по применению, эксплуатации и установке на русском языке. Мы надеемся, она поможет вам решить возникшие у вас вопросы при эксплуатации техники.
Если остались вопросы, задайте их в комментариях после инструкции.
"Загружаем инструкцию", означает, что нужно подождать пока файл загрузится и можно будет его читать онлайн. Некоторые инструкции очень большие и время их появления зависит от вашей скорости интернета.

11
Оставляем за собой право на изменения!
Инструкция по монтажу и техническому обслуживанию
•
Настeнный газовый котел Logamax U052
•
Издание
07/2006
Сведения о приборе
2
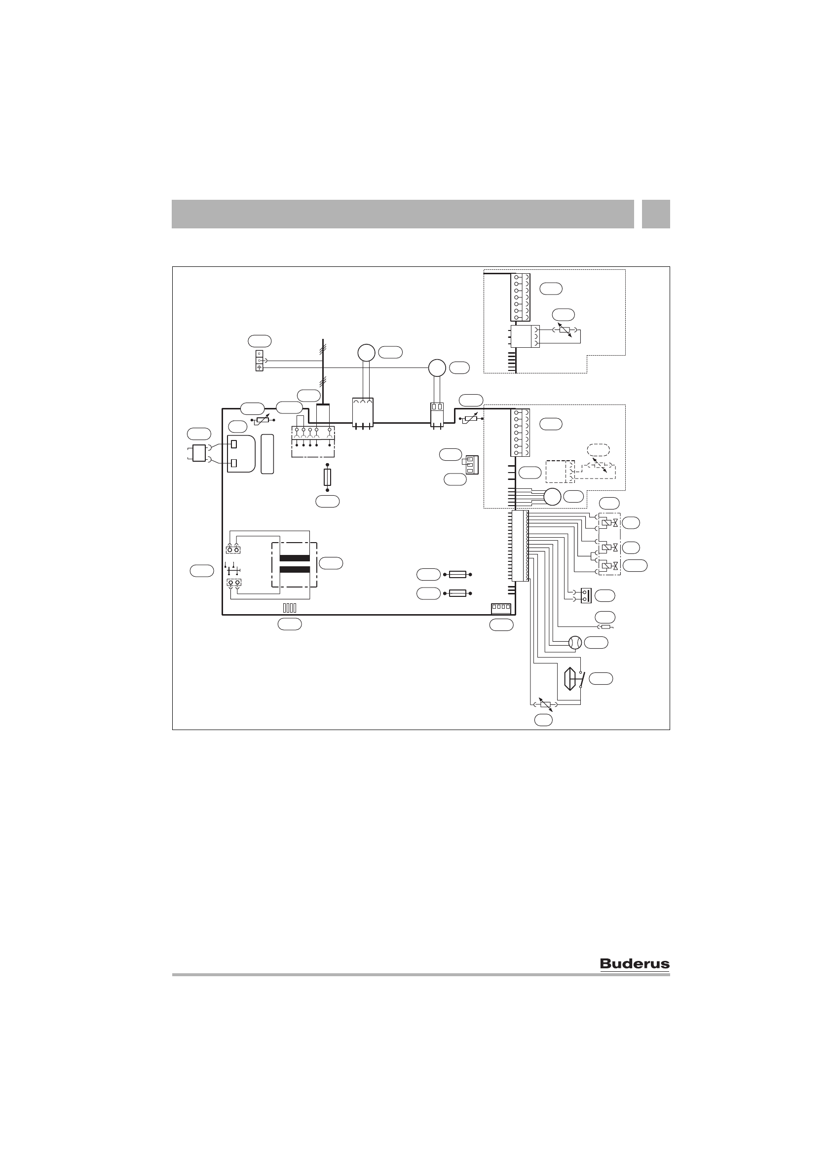
2.14 Электропроводка Logamax U052-24/28 и Logamax U052-24/28K
Рис 7
4.1
Трансформатор высокого напряжения
6
Ограничитель температуры
6.3
Датчик температуры горячей воды (Logamax U052-24/
28K)
18
Отопительный насос
32
Контролирующий электрод
33
Запальный электрод
36
Датчик температуры в подающей магистрали
52
Электромагнитный клапан 1
52.1
Электромагнитный клапан 2
56
Газовая арматура
68
Регулирующий электромагнит
84
Двигатель 3-ходового клапана (Logamax U052-24/28)
135
Кнопка включения/выключения
136
Терморегулятор подающей линии отопительного
контура
151
Предохранитель T 2,5 A, 230 В переменного тока
153
Трансформатор
161
Перемычка
226
Вентилятор
228
Дифференциальное реле давления
300
Кодирующий штекер
302
Разъем для подключения провода защитного
заземления
303
Подсоединение датчика температуры бойлера
(Logamax U052-24/28)
310
Терморегулятор горячей воды
312
Предохранитель T 1,6 A, 24 В постоянного тока
313
Предохранитель T 0,5 A, 5 В постоянного тока
315
Клеммная колодка регулятора (шина EMS) и датчик
наружной температуры
319
Клеммная колодка термостата бойлера или внешнего
ограничителя
328
Клеммная колодка 230 В переменного тока
328.1
Перемычка
413
Расходомер (турбина) (Logamax U052-24/28K)
432
Датчик температуры бойлера (Logamax U052-24/28,
комплектующие)
463
Диагностический разъем
6 720 612 229-07.1O
230 V
9V/25 V
230V/AC
135
153
312
313
300
ST19
315
303
319
161
ST15
ST8
ST9
ST17
56
32
6
4.1
ST5
ST4
33
68
52
52.1
413
228
36
226
M
18
M
ST10
L
N
Ls
LR
328.1
328
302
151
+
–
A
F
136
310
463
432
U052-24/28
ST19
315
ST15
ST17
6.3
+
–
A
F
U052-24/28K
84
M
Характеристики
Остались вопросы?Не нашли свой ответ в руководстве или возникли другие проблемы? Задайте свой вопрос в форме ниже с подробным описанием вашей ситуации, чтобы другие люди и специалисты смогли дать на него ответ. Если вы знаете как решить проблему другого человека, пожалуйста, подскажите ему :)

