Baxi PRIME HT 280 / 330 - Инструкция по эксплуатации - Страница 34

Котел Baxi PRIME HT 280 / 330 - инструкция пользователя по применению, эксплуатации и установке на русском языке. Мы надеемся, она поможет вам решить возникшие у вас вопросы при эксплуатации техники.

Если остались вопросы, задайте их в комментариях после инструкции.

"Загружаем инструкцию", означает, что нужно подождать пока файл загрузится и можно будет его читать онлайн. Некоторые инструкции очень большие и время их появления зависит от вашей скорости интернета.
Страница:
/ 37
Загружаем инструкцию
background image

Prime  HT

                                                                                                

руководство

 

для

 

технического

 

персонала

   

 

 

                                                                                                                             

газовые

 

настенные

 

котлы

 

 

34

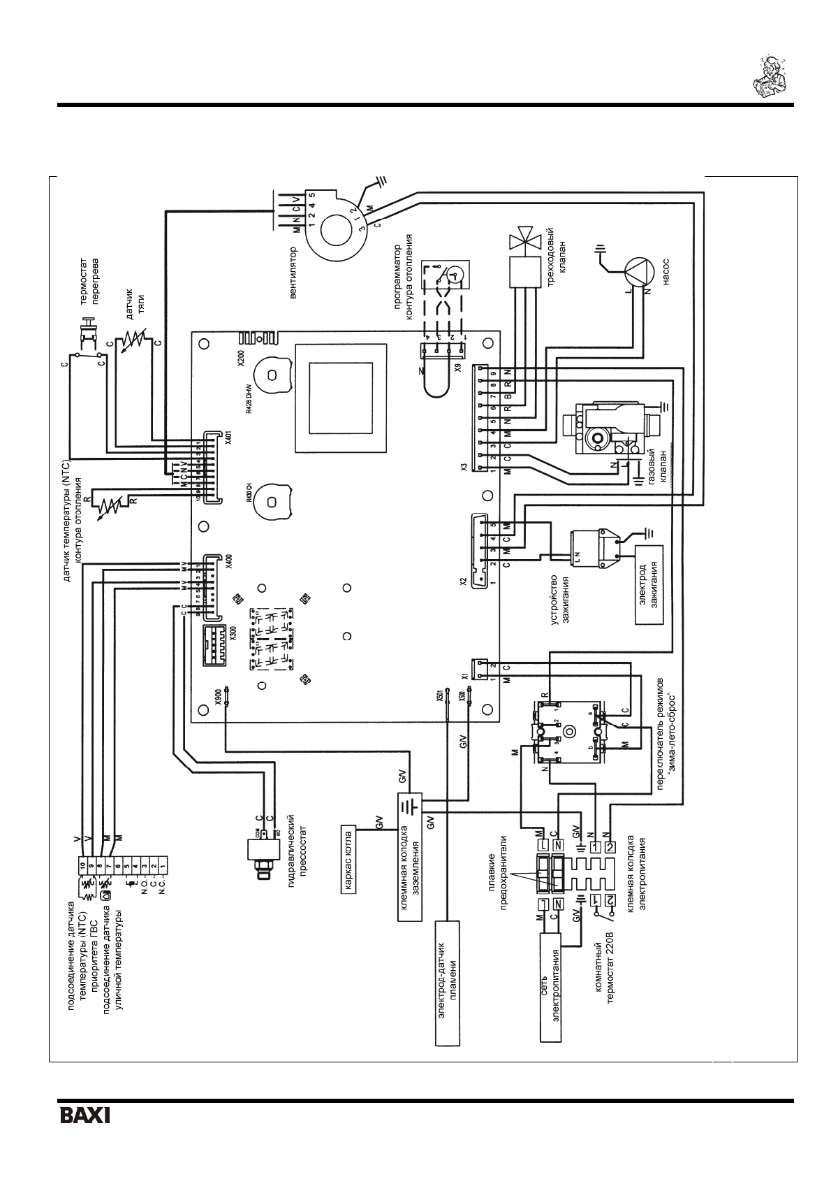
28.1. 

Схемы

 

электрических

 

соединений

 

модели

 –  

PRIME HT 1.120 - HT 1.240 – 

НТ

 1.280 

 

 

 

 

R = 

кр

асн

ы

й

 

G/V

 =

 

жел

то

-

зеле

н

ы

й

 

B = 

белый

 

G =

 

жел

ты

й

 

 

Ц

вет

 

п

р

ов

о

д

ов

 

С

 = 

гол

уб

о

й

 

М

 = 

корич

н

евый

 

N = 

чер

н

ый

 

Полезные видео

Характеристики

Оцените статью
tehnopanorama.ru
Остались вопросы?

Не нашли свой ответ в руководстве или возникли другие проблемы? Задайте свой вопрос в форме ниже с подробным описанием вашей ситуации, чтобы другие люди и специалисты смогли дать на него ответ. Если вы знаете как решить проблему другого человека, пожалуйста, подскажите ему :)

Задать вопрос

Часто задаваемые вопросы
Как посмотреть инструкцию к Baxi PRIME HT 280 / 330?
Необходимо подождать полной загрузки инструкции в сером окне на данной странице
Руководство на русском языке?
Все наши руководства представлены на русском языке или схематично, поэтому вы без труда сможете разобраться с вашей моделью
Как скопировать текст из PDF?
Чтобы скопировать текст со страницы инструкции воспользуйтесь вкладкой "HTML"