Котел Baxi LUNA НТ 1.120 / 1.240 / 1.280 - инструкция пользователя по применению, эксплуатации и установке на русском языке. Мы надеемся, она поможет вам решить возникшие у вас вопросы при эксплуатации техники.
Если остались вопросы, задайте их в комментариях после инструкции.
"Загружаем инструкцию", означает, что нужно подождать пока файл загрузится и можно будет его читать онлайн. Некоторые инструкции очень большие и время их появления зависит от вашей скорости интернета.

149
RU
RO
PL
CZ
HU
0305_2601
27
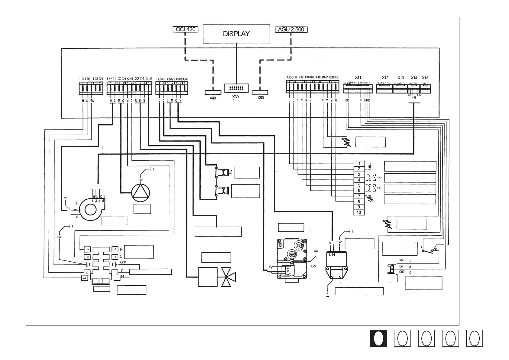
.1 Монтажная сх
ема соединений
LUNA HT 280 -
HT 330
- Инстр
укция для у
становщика -
Цвет кабелей
С
= голубой
М = коричневый
N
= черный
R
= красный
G/V = желто-зеленый
В
= белый
НАСОС
ВЕНТИЛЯТОР
ПРОГРАММИРУЕМЫЙ
ВЫХОД 230 В
СЕТЬ ЭЛЕКТРОПИТАНИЯ
КЛЕММНЫЙ ЩИТОК
ПИТАНИЯ
ПЛАВКИЙ
ПРЕДОХРАНИТЕЛЬ
ДЕТЕКТОР ПЛАМЕНИ
ДАТЧИК
ТЕМПЕРАТУРЫ
ДЫМОВЫХ ГАЗОВ
ЗАЩИТНЫЙ
ТЕРМОДАТЧИК
ГАЗОВЫЙ КЛАПАН
ДАТЧИК ПРИОРИТЕТНОГО
ВКЛЮЧЕНИЯ СИСТЕМЫ
ХОЗЯЙСТВЕННОЙ ВОДЫ
ВОСПЛАМЕНИТЕЛЬ
ЭЛЕКТРОД ЗАЖИГАНИЯ
МИКРОВЫКЛЮЧАТЕЛЬ
ДИФФЕРЕНЦИАЛЬНОГО ДАТЧИКА
ГИДРАВЛИЧЕСКОГО ДАВЛЕНИЯ
ЗОНД НТК СИСТЕМЫ
ОТОПЛЕНИЯ
ТРЕХХОДОВОЙ
КЛАПАН
СОЕДИНИТЕЛЬНЫЕ ЗАЖИМЫ
ВНЕШНЕГО ЗОНДА
СОЕДИНИТЕЛЬНЫЕ ЗАЖИМЫ ТЕРМОДАТЧИКА
УСТАНОВКИ С ОТОПИТЕЛЬНЫМИ ПАНЕЛЯМИ В ПОЛУ
ДАТЧИК КОМНАТНОЙ ТЕМПЕРАТУРЫ
СОЕДИНИТЕЛЬНЫЕ ЗАЖИМЫ
ТЕЛЕУПРАВЛЕНИЯ
ДИСПЛЕЙ
ЗОНД НТК СИСТЕМЫ
ХОЗЯЙСТВЕННОЙ
ВОДЫ
Содержание
- 3 является гарантией хорошей работы, а также; “BAXI”
- 4 Оглавление; Инструкция для пользователя
- 6 ГЛАВНЫЙ дисплей
- 9 Диапазон; Наименование параметра
- 10 Сводная таблица сигнализируемых неисправностей
- 13 Набор принадлежностей
- 14 Монтаж выпускных/всасывающих трубопроводов
- 17 Примеры монтажа отдельных вертикальных трубопроводов
- 22 мбар
- 23 Число оборотов винта
- 26 Характеристика производительность - напор насоса
- 30 ема соединений; укция для у; Цвет кабелей; ДИСПЛЕЙ
- 32 Технические характеристики
- 33 “ВАХI”